Danfoss 73691000 ECL Comfort 120

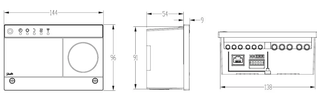
The ECL Comfort 120 (code no. 100B1200, 230 V a.c.) is a control unit designed for regulating heating and cooling systems. It has a size of 138 x 92 mm and is compliant with IEC 6155 standards. The unit has a PWM output of 100-1000 Hz and a PWM input of 30-100 Hz. The maximum current rating of the unit is 4 (2) A / 230 V a.c. and it requires a power supply of 15 VA / 230 V a.c. The unit comes with an installation guide and a commissioning process that requires a distance of less than 1.5 m. The EU Declaration of Conformity can be accessed via the Danfoss website, where users can select the ECL Comfort 120 and navigate to the Documents section.
Product Usage Instructions
The ECL Comfort 120 is primarily used for regulating heating and cooling systems. To install the unit, follow the instructions provided in the installation guide. Ensure that the distance between the unit and other objects is less than 1.5 m during the commissioning process. To access the EU Declaration of Conformity, visit the Danfoss website and select the ECL Comfort 120. Navigate to the Documents section and click on the appropriate link for either the EU or UK Declaration. Refer to the installation guide for any troubleshooting or maintenance issues that may arise during usage.
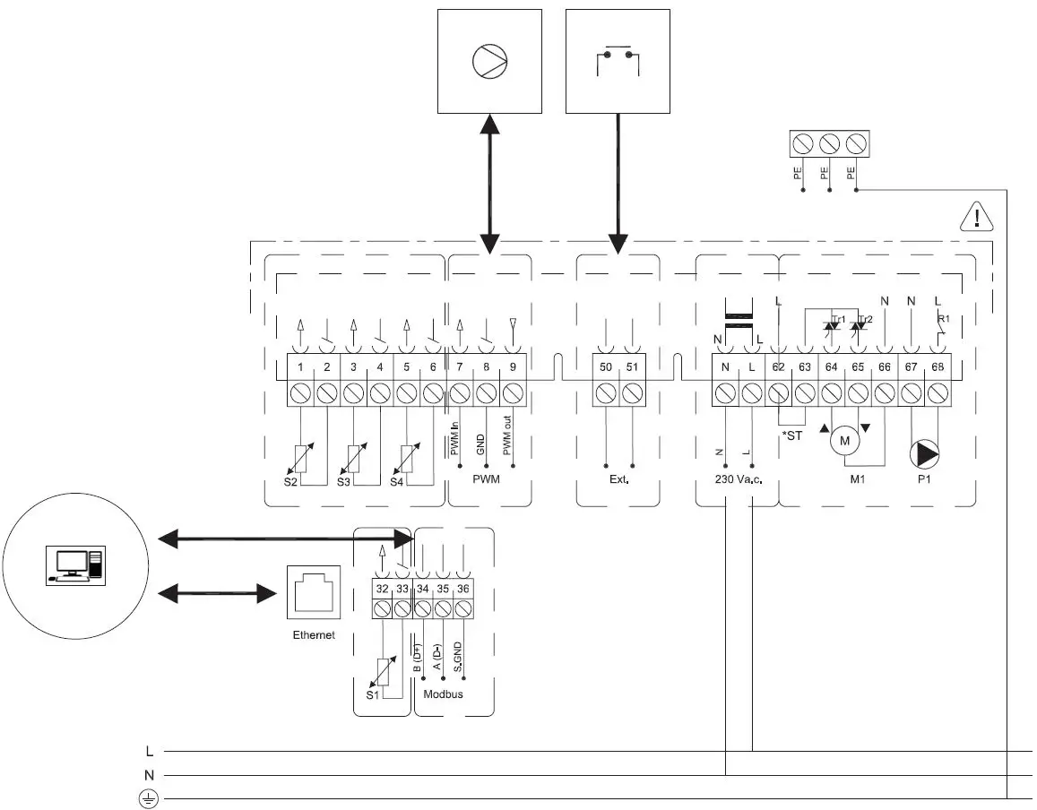
CIRCUIT
DIMENSIONS
WARNING

INSTALLATION INSTRUCTIONS



WARNING

WIRING










Commissioning



EU-declaration of conformity
EU-declaration of conformity https://store.danfoss.com/en/
Select: ECL Comfort 120 > Documents > EU Declaration:
https://assets.danfoss.com/approvals/latest/209599/ID430145378312-0101.pdf or UK Declaration:
https://assets.danfoss.com/approvals/latest/209599/ID430145378312-0101.pdf ECL Comfort 120: www.danfoss.com
Danfoss A/S
Climate Solutions danfoss.com +45 7488 2222 Any information, including, but not limited to information on the selection of product, its application or use, product design, weight, dimensions, capacity or any other technical data in product manuals, catalogs descriptions, advertisements, etc. and whether made available in writing, orally, electronically, online or via download, shall be considered informative, and is only binding if and to the extent, explicit reference is made in a quotation or order confirmation. Danfoss cannot accept any responsibility for possible errors in catalogues, brochures, videos, and other material Danfoss reserves the right to alter its products without notice. This also applies to products ordered but not delivered provided that such alterations can be made without changes to the form, fit or function of the product. All trademarks in this material are property of Danfoss A/S or Danfoss group companies. Danfoss and the Danfoss logo are trademarks of Danfoss A/S. All rights reserved.





































