MBC 8000 Heavy Duty Thermostat
Installation guide
Heavy duty thermostat
Types MBC 8000 and MBC 8100
AC 15: 0.5A 250V
DC 13: 12W 125V

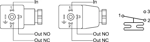
Electrical connection
- Input
- Normally closed (NC) Opens on rising temperature
- Normally open (NO) Closes on rising temperature
Connected to enclosure of thermostat
Attention:
Use only the accompanying plug, also when replacing.



Info for UK customers only: Danfoss Ltd., 22 Wycombe End, HP9 1NB, GB
© Danfoss | Climate Solutions | 2021.11 AN10388643443401-000402 | 1


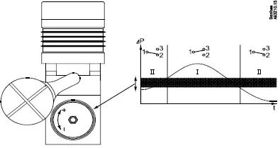
Mechanical differential

![]() | ||
| [°C] | ||
| -10 – 30 | 80 | -40 – 70 |
| 20 – 60 | 130 | -40 – 70 |
| 50 –100 | 200 | -40 – 70 |
| 70 – 120 | 220 | -40 – 70 |
| 60 – 150 | 250 | -40 – 70 |
Heat-conductive compound 4.5 cm3 tube Sensor pockets
| en | Heat-conductive compound | 4.5 cm3 tube | Sensor pockets | L [mm] | Brass | St.18/8 |
![]() | 4.10E+115 | ![]() | Messing | |||
| Messing | ||||||
| Laiton | ||||||
| 75 | 060L326266 | 060L326766 | ||||
| 110 | 060L327166 | 060L326866 | ||||
| 160 | 060L326366 | 060L326966 | ||||
Danfoss block components

2 | AN10388643443401-000402 © Danfoss | Climate Solutions | 2021.11






















