Danfoss MBC 5080 Differential Pressure Switch

Installation
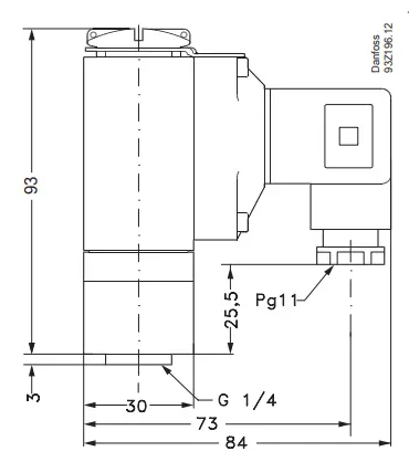
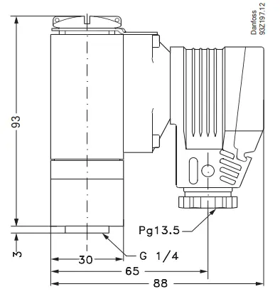
Differential pressure switch Types MBC 5080 and MBC 5180
AC 15: 0.5 A 250 V
DC 13: 12 W 125 V



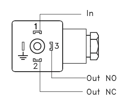
| 1 | 2 | 3 | ![]() | ![]() | ||
| en | Electrical connection | Input | Normally closed (NC) | Normally open (NO) | Connected to enclosure of pressure switch | Attention: Use only the accompanying plug, also when replacing. |





Operation temperature 10 °C 85 °C


Operation temperature –10 °C 85 °C

Fixed hysteresis
Danfoss block components























