Danfoss CS Pressure Switch

Mounting orientation (Fig. 1-3)
The pressure switch is connected to the pressure vessel. The pressure switches will operate regardless of their orientation, but to meet the enclosure requirements of IP43 and IP55, they must be mounted vertically with a connection downwards. The connection is self-supporting.
Main connection (Fig. 4)
Three-pole load
Main connection (Fig. 5)
Single-pole AC load
Main connection (Fig. 6)
Single-pole DC load
Contact load (Fig. 7)
3 contacts connected in series
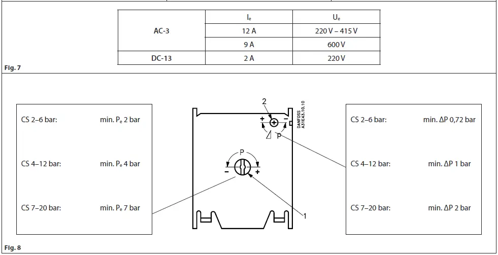
Setting (Fig. 8)
- Cut-off pressure screw (P)
- Differential pressure screw (ΔP) Cut-off pressure graphs (Fig. 9)A – Turns of Pe screw
Example
A compressor is to be controlled by a CS pressure switch. The cut-in pressure is 3.5 bar and the cut-off pressure is 5 bar. The choice should be a CS with a range of 2–6 bars.- Turn the cut-off pressure screw (1) about 12 times, see cut-off pressure graphs.
- Turn the differential screw (2) about 4.5 times, see CS 2–6 nomogram. Take a straight line from 5 bar cut-out pressure on the nomogram to the differential, 1.5 bar, and read off the number of turns, i.e. 4.5.
Differential pressure nomograms (Fig. 10)
A – No. of turns of Δp screw
NOTE! The system cannot be started if the differential setting is greater than the cut-off pressure. Check and if necessary set the differential at a smaller value (turn the Δp screw counterclockwise).
Drain hole (Fig. 11)
If because of large temperature variations there is a risk of condensate forming in the pressure switch, a screwdriver can be used to make a drain hole in the enclosure.
Fig. 12
- Slide ring
- Combi-screw
- Screw
- Cover
- Spindle
- Toggle arm
- Snap spring
- Snap arm
- Switch housing assy
- Self-tapping screw
- Manual switch
- Base
- Grubscrew
- Screw
- Pressure pad
- Spring retainer
- Compression spring
- Pressure shoe
- Diaphragm
- Flange, G 1/4, G 1/2, 1/4-18 NPT
- Cap
- Differential arm
- Tension spring
- Tension screw
- Bracket
- Pressure gauge connection G 1/4 (Tightening torque: max. 16 Nm)
Danfoss CS Pressure Switch


















