Danfoss RT 266AL Pressure Switch

Installation Instructions
Differential pressure switch
RT 260A, RT 262A, RT 265A, RT 260AL,
RT 262AL, RT 263AL, RT 266AL

Differential pressure switches
For complete list of approved refrigerants, www.products.danfoss.com and search for individual code numbers, where refrigerants are listed as part of technical data.
Technical data
| Type | Differential pressure range p [bar] | Operation range for LP bellows [bar] | Mechani- cal differen- tial [bar] | Max. working pressure MWP [bar] |
| RT 260A | 0.5 – 4 | -1 – 18 | 0.3 | 22 |
| RT 260A | 0.5 – 6 | -1 – 36 | 0.5 | 42 |
| RT 260A | 1.5 – 11 | -1 – 31 | 0.5 | 42 |
| RT 262A | 0.1 – 1.5 | -1 – 9 | 0.1 | 11 |
| RT 265A | 1 – 6 | -1 – 36 | 0.5 | 42 |
| RT 260AL | 0.5 – 4 | -1 – 18 | 0.3 | 22 |
| RT 262AL | 0.1 – 1.5 | -1 – 9 | 0.1 | 11 |
| RT 263AL | 0.1 – 1.0 | -1 – 6 | 0.05 | 7 |
| RT 266AL | 0 – 0.9 | -1 – 6 | 0.05 | 7 |
Neutral zone, p Nz
RT 260AL: 0.3 bar – 0.9 bar
RT 262AL: 0.1 bar – 0.33 bar
RT 263AL: 0.05 bar – 0.23 bar
RT 266AL: 0.05 bar – 0.23 bar
Max. test pressure, p’ = 1.1 × MWP
Permissible temperature range: -40 °C – 70 °C
Contact load
See contact cover or fig. 3.
If the contact load is given as, for example, 10 (4) A, 400 V AC, it means that the connected load must be max. 10 A ohmic and 4 A inductive at 400 V AC.
The permissible starting current on motor cut-in can be up to seven times the inductive load, but max. 28 A.
The switch meets the requirements of VDE* 0660.
VDE = Verband Deutscher Elektrotechniker
Installation
A set of Pg13.5 cable gland is attached to the RT in a separate bag. To ensure IP66 (units with automatic reset) or IP54 (units with external reset) grade of RT enclosure it is necessary to assemble this gland as shown in the fig. 4. If this gland is not used with a cable, a metal blinding should be also assembled.
The differential pressure control must be mounted on a valve panel or, for example, direct on a compressor. Use the fixing holes (25). If the unit can be exposed to vibration, it should to be mounted on a resilient pad.
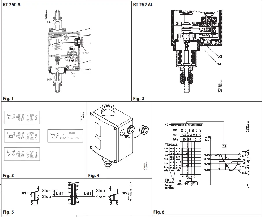
Product must be always mounted vertically with the LP side placed on the top and the HP side placed on the bottom (as shown in the fig. 1).
Electrical connection
See fig. 5.
START = make. STOP = break
DIFF = fixed contact differential
Cable diameter: 6 – 14 mm
Connect earth to the earth screw (38)
Setting
Set the required differential pressure with the setting disc (5) while at the same time reading the scale (9). Find the required neutral zone for RT 260AL, RT 262AL, RT 263AL, RT 266AL from the diagram. The setting value for the neutral zone (40) can be read from the lowest scale on the diagram.
Example 1
RT 262A with terminals 1 – 4 connected. Set differential pressure p = 0.5 bar.
The RT 262A breaks at a differential pressure of 0.5 bar and makes at a differential pressure + contact differential = 0.5 bar + 0.1 bar = 0.6 bar.
Example 2
RT 262AL Required differential pressure p = 0.5 bar. Required neutral zone Nz = 0.25 bar. As can be seen on the diagram, fig. 6., the required neutral zone of 0.25 bar is obtained by setting the neutral zone disc (40) at 2.5. Because the contact differential is 0.1 bar, the make and break differential pressures for the switch are:
- Make differential pressure for contacts
1 – 4 = 0.5 bar + 0.1 bar = 0.6 bar. - Break differential pressure for contacts
1 – 4 = 0.5 bar (= set value p). - Make differential pressure for contacts
1 – 2 = 0.6 bar – 0.25 bar = 0.35 bar. - Break differential pressure for contacts
1 – 2 = 0.35 bar + 0.1 bar = 0.45 bar.




















