
Installation guide
Pressure switch
Type RT 112W![]()
RT 112W Pressure Switch

Technical data
Fail safe pressure switch type RT 112W
The meaning of the type designation letter is as follow:
W: Pressure monitoring with automatic reset
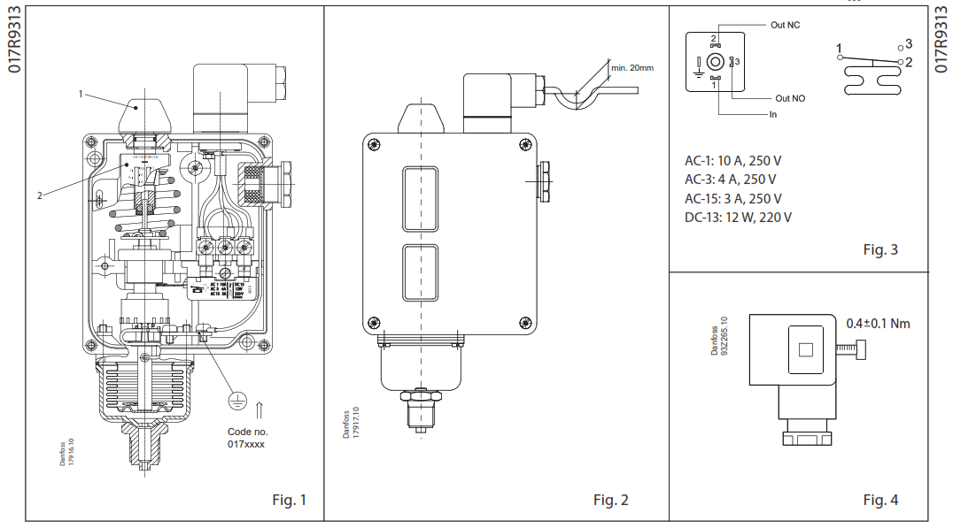
Contact load :see fig.3
- Input
- Normally closed (NC)
- Normally open (NO)
Connected to chassis of pressure switch
Max. ambient temperature: -40 °C – 70 °C
Max. temperature of medium: 150 °C
Max. test pressure: 7 bare
Min. test pressure: – 1 bar
Enclosure: IP65 acc. to EN 60529
Installation
Make the pressure connection so that any impurities in the line do not block the pressure . inlet of the control. For example, fit the pressure control to an upright connector (with the unit vertical). Damp strong pressure pulsations. A damping loop will often be sufficient. Insert a water-filled loop as a temperature barrier; a 10mm Cu tube, for example, if in a high temperature plant there is a risk of the pressure connection to the control becoming heated to more than 100 °C.
In water plant, position the pressure control so that it cannot be exposed to frost (let it operate on an air cushion, for example).
To ensure IP65 grade of RT enclosure it is necessary to assemble the plug shown in the fig.4
Setting
The pressure switch rnust be set to provide the function – rnake or break – on rising pressure. The setting can be rnade with the setting knob (1) while at the sarne tirne reading off the main scale (2)..e fig. 1.
© Danfoss
Climate Solutions
2021.07
AN133486424462en-000102 1
Info for UK customers only: Danfoss Ltd., 22 Wycombe End, HP9 1NB, GB



















