293118 High Capacity Air Conditioner
Owner’s Manual

293118 High Capacity Air Conditioner
Please read and save these instructions. Read carefully before attempting to assemble, install, operate or maintain the product described.
Protect yourself and others by observing all safety information. Failure to comply with instructions could result in personal injury and / or property damage! Retain instructions for future reference.
Description
Global industrial Portable Air Conditioners are specialized for “SPOT COOLING” where central cooling is impractical. Global industrial air conditioners can also be used in enclosed areas just like conventional air conditioners. Simple digital controller and self-diagnosis functions allow users to easily operate the unit. Built-in Caster wheels enable users to move the unit without any hassle. The unit can be installed in 5 minutes and does not require any extra materials or certified technician for installation.
Global industrial Portable Air Conditioner, anywhere, everywhere. Plug-and-Go!
Unpacking After
unpacking the unit, carefully inspect unit for any damage that may have occurred during transit. Check for any loose, missing, or damaged parts.
Specifications
| Model No. | Power Supply (Phase-V-Hz) | Cooling Capacity (Btu/h) | Power Consumption (Watt s) | Rated Current (Amps) |
| 293118 | 1Phases – 220V – 60Hz | 60000 | 6.5kW | 30.2A |
| 293118 | 672/728lbs. (305/330kg) | 64~113 °F (18~45 °C) | 29.5 x 62.1 x 58.1 (750 x 1578 x 1478 ) | |
Specifications (Continued)
| Model No. | Evaporator(Cool) Air Flow (CFM) | Refrigerant Type / oz(g) |
| 293118 | 1998 | Refrigerant Type / oz(g) |
| Safety Devices | Compressor overload protector, Anti-freezing thermistor, Automatic restart (Power interruption), Compressor time delay program, High pressure switch | |
| Features | Temperature control, Self-diagnostic function, Optional drain pump kit, Washable filters, °F( °C) display, Off-timer | |
General Safety Information
Please read this manual carefully for correct installation and usage. Please read all safeguards.
- Transport and store the unit in an upright position only. Leave unit in an upright position for at least 3 hours before first use.
- Always place the unit on an even, level surface.
- Ensure the unit is connected to a grounded power supply of the correct rating / capacity.
- The unit will operate between 18°C (64°F) ~ 45°C(113°F) depending on the temperature setting.
- DO NOT use this unit for other purposes that is not described in this instruction manual.
- DO NOT tilt the unit.
- NEVER unplug the unit under operation.
DO NOT use the unit in wet environments, such as a laundry room, to avoid the risk of electrical shock. - DO NOT place any foreign objects on the unit.
- DO NOT operate the unit with wet or damp hands.
- DO NOT allow chemical substances to come into contact with the unit.
- DO NOT operate the unit near flammable substances or vapors such as alcohols, pesticides, gasoline, etc.
DO NOT operate the unit in explosive or flammable environments. - DO NOT unplug to turn off the unit. Always use the power switch to start and to stop the unit.
- Always turn off the unit and unplug it before cleaning, moving or performing maintenance.
- AVOID using adapter plugs or extension cords. If extension cord or an adapter plug is needed , ensure they are correctly rated for the application. Consult a local qualified electrician for proper setup. Any extension cord used with this device must be rated for a minimum of 24A.(380V)
- DO NOT unplug the unit by pulling on the electrical cord. Keep electrical cord away from heat sources and always completely unroll the cord to avoid overheating. If the power cord is damaged, contact a qualified service agent, qualified electrician, or similarly qualified person for replacement.
DO NOT operate a unit with a damaged power cord. - The filters must be used with the product at all times. When the filters are removed for cleaning, always ensure that the unit has been turned off and unplugged from the electrical outlet. 19. Regularly clean the filters to maintain efficiency. If the filters are not cleaned regularly, the units output performance and efficiency will decrease.
- DO NOT operate the unit with a damaged power cord or plug,
- Only use in the upright position on an even, flat surface. There must not be any objects or walls within 24 inches (60 cm) from the unit.
- Halt the unit immediately if abnormal noise or odor is detected. Contact your local service center or manufacturer.
- Appliance is not to be operated by children or persons with reduced physical, sensory or mental capabilities, or lack of experience and knowledge, unless they have been given supervision or instruction.
- Children must be supervised not to play with appliance.
- The unit must be installed in accordance with national wiring regulations. 26. If the supply cord is damaged, it must be replaced by the manufacturer, its service agent or similarly qualified persons in order to avoid a hazard. .
Assembly (WPC-18000)
COMPONENT PARTS

DUCT CONNECTIONS
Cool Air Duct (OUT) connection
The Cool Air Ducts (OUT) are labeled “AIR OUT”. The diameter of the duct is 400Ø. Connect the flexible air duct as following
- Attach a flexible duct to the duct collar. Use a clamp or any appropriate apparatus around the collar to prevent any air leakage.
- Route the flexible duct as straight as possible to the desired space without any excessive turns and pinches.
- Please avoid any objects or walls at the end of the duct.
Cool Air in Duct (IN)
The Return Air In duct connection is labeled “AIR IN”. The diameter of the duct is 400Ø. Follow the same procedures as “Cool Air Duct (Out) connection”. If you want to use the unit without any “AIR IN” duct, the unit will read the temperature of the surroundings.
Hot Air Duct
The Hot Air Out duct connection is labeled “AIR OUT” The diameter of the duct is 450 Ø and maximum duct length is 30M. Follow the same procedures as the cool air duct connections.
Fork Lift
If a forklift is needed to move the unit, put the foot of the forklift to the forklift hole (shown in the picture: figure 8).

Installation
WARNINGS REGARDING PROPER LOCATION FOR INSTALLATION
Do not use the unit in explosive environments or in areas where flammable gas leakage may occur.
Do not use the unit in areas where it will be exposed to rain or water.
Do not use the unit in a corrosive atmosphere.
Do not use the unit above 18°C(64°F) ~ 45°C(113°F).
Do not install the unit on uneven or sloping surface. The unit may roll or topple over even if the casters are set to the locked position.
MOVING THE UNIT
Unlock the casters and push the unit using the side handles to a flat, level surface and set the caster brakes to the locked position.
PLUGGING IN THE UNIT
Check the prongs and surface of the power cord plug for dust/dirt. If dust and / or dirt are present, wipe off with a clean, dry cloth. Check the power cord, plug and prongs for any damages If you suspect any damage or deterioration, contact a qualified technician to perform replacement or repair
If the power cord or plug is damaged, repair should only be performed by qualified electrical personnel.
Do not connect / disconnect the power cord or attempt to operate buttons with wet hands. This could result in electrical shock.
NOTE: Make sure the AC outlet is free of dirt, dust, oil, water, or any other foreign material. The unit is equipped with an approved NEMA plug configuration. The appropriate outlet must be used for each plug type.
Operation
CONTROL PANEL

- POWER BUTTON : Turns on/off the unit when the button is pressed for 1 second.
- BLOWER BUTTON : Adjusts the fan speed from (Low) to (High) when the button is pressed for 1 second.
- SPOT/COOL BUTTON : Activates Spot Cooling mode when the button is pressed for 1 second. Compressor can be switched on/off
- ROOM/COOL BUTTON : Activates Room Cooling mode when the button is pressed for 1 second. Compressor can be switched on/off
- UP/DOWN BUTTON : Sets target temperature in ROOM or SPOT COOL MODE.
- ALARM : The alarm indicator will flash when the unit detects abnormal operation. The compressor will stop after the alarm and the system will stop after 3 minutes of alarm unless there is any action taken to fix the issue.
- CURRENT TEMP : Displays Current temperature
NOTE: Canadian version shows the temperature in Celsius. - TARGET TEMP : Displays target temperature
OFF-TIMER : Press BLOWER Button and SPOT/COOL Button simultaneously for 2 seconds to set off-timer. Press UP/DOWN Button to set the timer. After you set off-timer, idle for 5 seconds to save the off-timer setting. To cancel OFF-TIMER, set the timer to 0.
AUTO RESTART : If the unit turns off due to an electrical interruption, the unit will automatically restart when the power comes back on. - EMERGENCY STOP : Emergency stop button immediately halts the operation
1. Press the red button – Unit stops
2. Inspect the unit.
3. Rotate the red button clockwise to restart the unit
Maintenance
FILTER CLEANING (See Figures 11 and 12)
- Unscrew 6 bolts on the front filter guard.
- Slide filter up and use a vacuum cleaner to remove the dust from the filter.
- If the filter is heavily covered with dust and dirt, use warm water and mild soap or neutral detergent to wash the filter. Do not use any other chemicals to clean filter.
- Dry the filter in a shaded area before replacing it. Do not operate the unit without the filter. 5. Place the clean filter and close the filter guard.
NOTE: For effective cooling, clean the filter at least once in 2 weeks

Do not operate without the filter.
Do not operate the unit with a damaged cord or plug. Do not operate the unit if there is any sign of malfunction. Do not operate the unit that has been dropped or damaged
– For your convenience, record the complete model number and product name (located on the Product Identification Plate), the purchase date, purchase location, serial number, and warranty period in the table below.
– Also, attach your purchase receipt as proof of purchase to this instruction manual for future reference.
– To ensure your product is covered by warranty, the complete faulty product along with your original purchase receipt must be provided at the place of purchase.
– To ensure your product is covered by warranty, the complete faulty product along with your original purchase receipt must be provided at the place of purchase.
Product: Portable Air Conditioner
Model No:…………………………………..
Date of Purchase:……………………….
Place of Purchase:………………………
Serial No:…………………………………..
Period of Warranty:…………………….
Customer: Please read and keep this manual for future reference and keep sales receipt as proof of purchase.
SELF-DIAGNOSTIC CODES (See Table 1)
The alarm will activate when the unit detects any abnormality. It will show certain alarm code to indicate the source of problem. The compressor and condenser fan will stop working when alarm goes on. The evaporator fan will still be working for 3 minutes. If no actions are taken for 3 minutes after initial alarm, the evaporator fan will stop too. Please refer to the alarm codes in next page and follow the solutions provided to fix the unit.
NOTE: The alarm code will be displayed on CURRENT TEMP display
SELF-DIAGNOSTIC ALARM CODES
| Alarm Display | Problem | Cause | Solutions |
| Abnormal temperature | • Ambient temperature is too low • Temperature sensor is damaged, loose or short/open | • Do not use the air conditioner if ambient temperature is below 18°C (64°F) • Contact a qualified service agent | |
| High Pressure | • Blocked Air filter • Blocked exhaust duct • Ambient temperature is too high | • Clean air filter • Ensure duct is not blocked or kinked • Ensure the working temperature is below 45°C | |
| Abnormal temperature | TH1(Outlet) temperature sensor has a loose or broken connection | Contact a qualified service agent | |
| Abnormal temperature | TH2(Inlet) temperature sensor has a loose or broken connection | Contact a qualified service agent | |
| Compressor overloaded | • Ambient temperature is too high • Unstable voltage supply • Defective | • Do not use the air conditioner if ambient temperature is above 45°C (113°F) • Contact a qualified service agent • Replace the compressor |
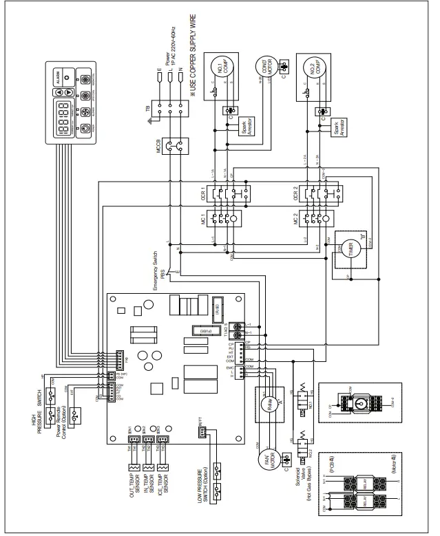
Wiring Diagram

Figure 14 – Circuit Wiring Diagram (WPC-18000)
TROUBLESHOOTING
| Symptom | Possible Cause(s) | Solutions |
| Unit does not start. | 1. Check the power supply 2. Check whether the power cord is connected | 1. Reset the circuit breaker and restart the unit 2. Connect power cord |
| No cold air from the cold air outlet | 1. The filter is dirty and air flow is blocked 2. Compressor will not work if the unit is turned on and off too quickly 3. Ambient temperature is too high | 1. Clean the filter 2. Wait 2 minutes after unit is turned off before turning the unit back on. 3. The temperature of the compressor can be extreme hot when the ambient temperature is too high. The compressor will not work unless the ambient air temperature is within the acceptable operating range of the unit |
| Can hear water flowing after the compressor is turned off | Normal operation Not a defect | It is common to hear coolant flowing after the unit turns off |
LIMITED WARRANTY
Global industrial ONE-YEAR LIMITED WARRANTY. Global industrial PORTABLE AIR CONDITIONERS, MODELS COVERED IN THIS MANUAL, ARE WARRANTED BY Global industrial TO THE ORIGINAL USER AGAINST DEFECTS IN WORK MANSHIP OR MATERIALS UNDER NORMAL USE FOR ONE YEAR AFTER DATE OF PURCHASE. ANY PART WHICH IS DETERMINED TO BE DEFECTIVE IN MATERIAL OR WORKMANSHIP AND RETURNED TO AN AUTHORIZED SERVICE LOCATION, Global industrial DESIGNATES, SHIPPING COSTS PREPAID, WILL BE, AS THE EXCLUSIVE REMEDY, REPAIRED OR REPLACED BY Global industrial OPTION. FOR LIMITED WARRANTY CLAIM PROCEDURES, SEE “PROMPT DISPOSITION” BELOW. THIS LIMITED WARRANTY GIVE PURCHASERS SPECIFIC LEGAL RIGHTS WHICH VARY FROM JURISDICTION TO JURISDICTION.
LIMITATION OF LIABILITY. TO THE EXTENT ALLOWABLE UNDER APPLICABLE LAW, Global industrial LIABILITY FOR CONSEQUENTIAL AND INCIDENTAL DAMAGES IS EXPRESSLY DISCLAIMED. Global industrial LIABILITY IN ALL EVENTS IS LIMITED TO AND SHALL NOT EXCEED THE PURCHASE PRICE PAID.
WARRANTY DISCLAIMER. A DILIGENT EFFORT HAS BEEN MADE TO PROVIDE PRODUCT INFORMATION AND ILLUSTRATE THE PRODUCTS IN THIS LITERATURE ACCURATELY; HOWEVER, SUCH INFORMATION AND ILLUSTRATIONS ARE FOR THE SOLE PURPOSE OF IDENTIFICATION, AND DO NOT EXPRESS OR IMPLY A WARRANTY THAT THE PRODUCTS ARE MERCHANTABLE, OR FIT FOR PARTICULAR PURPOSE, OR THAT THE PRODUCTS WILL NECESSARILY CONFORM TO THE ILLUSTRATIONS OR DESCRIPTIONS. EXCEPT AS PROVIDED BELOW, NO WARRANTY OF AFFIRMATION OF FACT, EXPRESSED OR IMPLIED, OTHER THAT AS STATED IN THE “LIMITED WARRANTY” ABOVE IS MADE OR AUTHORIZED BY Global industrial.
Technical Advice and Recommendations, Disclaimer. Notwithstanding any past practice or dealings or trade custom, sales shall not include the furnishing of technical advice or assistance or system design. Global industrial assumes no obligations or liability on account of any unauthorized recommendations, opinions or advice as to the choice, installation or use of products.
Product Suitability. Many jurisdictions have codes and regulations governing sales, construction, installation, and/or use of products for certain purposes, which may vary from those in neighboring areas. While attempts are made to assure that Global industrial products comply with such codes, Global industrial cannot guarantee compliance, and cannot be responsible for how the product is installed or used. Before purchase and use of a product, review the product applications, and all applicable national and local codes and regulations, and be sure that the product, installation, and use will comply with them.
Certain aspects of disclaimers are not applicable to consumer products; e.g., (a) some jurisdictions do not allow the exclusion or limitation of incidental or consequential damages, so the above limitation or exclusion may not apply to you; (b) also, some jurisdictions do not allow a limitation on how long an implied warranty lasts, consequently the above limitation may not apply to you; and (c) by law, during the period of this Limited Warranty, any implied warranties of implied merchantability or fitness for a particular purpose applicable to consumer products purchased by consumers, may not be excluded or otherwise disclaimed.
Prompt Disposition. A good faith effort will be made for prompt correction or other adjustment with the respect to any product which proves to be defective within limited warranty. For any product believed to be defective within limited warranty, first write or call dealer from whom the product was purchased. Dealer will give additional directions. If unable to resolve satisfactorily, write to Global industrial at the address below, giving dealer’s name, address, date, and number of dealer’s invoice, and describing the nature of the defect. Title and risk of loss pass to buyer on delivery to common carrier. If product was damaged in transit to you, file claim with carrier.
Manufactured in Global industrial co., Ltd., 11 Harbor Park Drive Port Washington, NY 11050 USA
1.888.628.3466 Customer Support
Printed in December 2021
















