
Owner’s Manual
6HK60-IOM-1
High-Capacity Air Conditioner
(For Indoor & Outdoor)
Description
Koldwave Portable Air Conditioners are specialized for “SPOT COOLING” where central cooling is impractical.
Koldwave air conditioners can also be used in enclosed areas just like conventional air conditioners. Simple digital controllers and self-diagnostic functions allow users to easily operate the unit. Built-in Caster wheels enable users to move the unit without any hassle.
Koldwave Portable Air Conditioner, anywhere, everywhere. Plug-and-Go!
Unpacking
After unpacking the unit, carefully inspect the unit for any damage that may have occurred during transit. Check for any loose, missing, or damaged parts.
Specifications
| Model | 6HK60 | |
| Cooling Capacity | 60,000 Btu/h | |
| Power Supply – V/P/Hz | 230-1-60 | |
| Dimensions | 29.5” W x 62.1” D x 58.1” H | |
| Supply Duct Dia Connection | Evaporator | 16” |
| Condenser | 20” | |
| Return Duct Dia Connection | Evaporator | 16” |
| Weight | 661 lbs | |
| Amp Draw | 32 A | |
| Air Filter Material | Vinyl Chloride | |
| Refrigerant | R-410a | |
| Operating Temp | 64-113 °F | |
| Condensate | Drain | |
| Typical Cooling Area | 1,830 sq. ft | |
| Model No. | Evaporator(Cool) Air Flow (CFM) | Refrigerant Type / oz(g) |
| K6HK60 | 1998 | For a compressor: R-410, 56.4oz (1600g) Total: 102.8oz (3200g) |
| Safety Devices | Compressor overload protector, Anti-freezing thermister, Automatic restart (Power interruption), Compressor time delay program, High-pressure switch | |
| Features | Temperature control, Self-diagnostic function, Optional drain pump kit, Washable filters, °F (°C) display, Off-timer | |
General Safety Information
Please read this manual carefully for correct installation and usage. Please read all safeguards.
- Transport and store the unit in an upright position only. Leave the unit in an upright position for at least 3 hours before first use.
- Always place the unit on an even, level surface.
- Ensure the unit is connected to a grounded power supply of the correct rating/capacity.
- The unit will operate between 64°F (18°C) ~ and 113°F (45°C) depending on the temperature setting.
- DO NOT use this unit for other purposes that are not described in this instruction manual.
- DO NOT tilt the unit.
- NEVER unplug the unit under operation.
DO NOT use the unit in wet environments, such as a laundry room, to avoid the risk of electrical shock. - DO NOT place any foreign objects on the unit.
- DO NOT operate the unit with wet or damp hands.
- DO NOT allow chemical substances to come into contact with the unit.
- DO NOT operate the unit near flammable substances or vapors such as alcohol, pesticides, gasoline, etc.
DO NOT operate the unit in explosive or flammable environments. - DO NOT unplug to turn off the unit. Always use the power switch to start and stop the unit.
- Always turn off the unit and unplug it before cleaning, moving, or performing maintenance.
- AVOID using adapter plugs or extension cords. If an extension cord or an adapter plug is needed, ensure they are correctly rated for the application. Consult a local qualified electrician for proper setup. Any extension cord used with this device must be rated for a minimum of 24A.(380V)
- DO NOT unplug the unit by pulling on the electrical cord. Keep the electrical cord away from heat sources and always completely unroll the cord to avoid overheating. If the power cord is damaged, contact a qualified service agent, qualified electrician, or similarly qualified person for replacement.
DO NOT operate a unit with a damaged power cord. - The filters must be used with the product at all times. When the filters are removed for cleaning, always ensure that the unit has been turned off and unplugged from the electrical outlet.
- Regularly clean the filters to maintain efficiency. If the filters are not cleaned regularly, the unit’s output performance and efficiency will decrease.
- DO NOT operate the unit with a damaged power cord or plug,
- Only use in the upright position on an even, flat surface. There must not be any objects or walls within 24 inches (60 cm) of the unit.
- Halt the unit immediately if abnormal noise or odor is detected. Contact your local service center or manufacturer.
- Children must not use the unit.
- The unit must be installed in accordance with national wiring regulations.
- If the supply cord is damaged, it must be replaced by the manufacturer, its service agent, or similarly qualified persons in order to avoid a hazard.
Assembly


DUCT CONNECTIONS
Cool Air Duct (OUT) connection
The Cool Air Ducts (OUT) are labeled “AIR OUT”. The diameter of the duct is 15in. Connect the flexible air duct as follows:
- Attach a flexible duct to the duct collar. Use a clamp or any appropriate apparatus around the collar to prevent any air leakage.
- Route the flexible duct as straight as possible to the desired space without any excessive turns and pinches.
- Please avoid any objects or walls at the end of the duct.
Cool Air in Duct (IN)

The Return Air In The diameter of a “Cool Air Duct without any “AIR duct connection is labeled “AIR IN”. the duct is 15in. Follow the same procedures (Out) connection”. If you want to use the unit IN” duct, the unit will read the temperature of the surroundings.
Hot Air Duct
The Hot Air Out duct connection is labeled “AIR OUT”
The diameter of the is 100ft. Follow the duct is 17in and maximum duct length same procedures as the cool air duct connections.

Installation
Do not use the unit in explosive environments or in areas where flammable gas leakage may occur.
Do not use the unit in areas where it will be exposed to rain or water.
Do not use the unit in a corrosive atmosphere.
Do not use the unit below 64°F (18°C) or above ~ 113°F (45°C).
Do not install the unit on an uneven or sloping surface. The unit may roll or topple over even if the casters are set to the locked position.
MOVING THE UNIT
Unlock the casters and push the unit using the side handles to a flat, level surface, and set the caster brakes to the locked position.
PLUGGING IN THE UNIT
Check the prongs and surface of the power cord plug for dust/dirt. If dust and/or dirt are present, wipe them off with a clean, dry cloth.
Check the power cord, plug, and prongs for any damages
If you suspect any damage or deterioration, contact a qualified technician to perform replacement or repair
If the power cord or plug is damaged, repair should only be performed by qualified electrical personnel.
Do not connect/disconnect the power cord or attempt to operate buttons with wet hands. This could result in electrical shock.
NOTE: Make sure the AC outlet is free of dirt, dust, oil, water, or any other foreign material. The unit is equipped with an approved NEMA plug configuration. The appropriate outlet must be used for each plug type.
Operation
CONTROL PANEL

- POWER BUTTON :
Turns on/off the unit when the button is pressed for 1 second. - BLOWER BUTTON :
Adjusts the fan speed from (Low) to (High) when the button is pressed for 1 second.
NOTE: Some models only have one fan speed - SPOT/COOL BUTTON :
Activates Spot Cooling mode when the button is pressed for 1 second. The compressor can be switched on/off - ROOM/COOL BUTTON :
Activates Room Cooling mode when the button is pressed for 1 second. The compressor can be switched on/off - UP/DOWN BUTTON :
Sets target temperature in ROOM or SPOT COOL MODE. - ALARM :
The alarm indicator will flash when the unit detects abnormal operation. The compressor will stop after the alarm and the system will stop after 3 minutes of the alarm unless there is any action is taken to fix the issue. - CURRENT TEMP :
Displays ambient temperature (In ROOM/COOL mode only) / Displays outlet (cool air) temperature during normal operations (In SPOT/COOL mode only).
In order to change °C to °F, press the BLOWER and COOL buttons together for 2 seconds. F will blink 2 times and the Figure will change to °F. ALARM codes blink and are displayed when an abnormal operation occurs. - TARGET TEMP :
Displays target temperature
OFF-TIMER: Press BLOWER Button and SPOT/COOL Button simultaneously for 2 seconds to set off-timer. Press the UP/DOWN Button to set the timer. After you set the off-timer, idle for 5 seconds to save the off-timer setting. To cancel OFF-TIMER, set the timer to 0.
AUTO RESTART: If the unit turns off due to an electrical interruption, the unit will automatically restart when the power comes back on. - EMERGENCY STOP :
The emergency stop button immediately halts the operation
1. Press the red button – The unit stops
2. Inspect the unit.
3. Rotate the red button clockwise to restart the unit
Maintenance
FILTER CLEANING (See Figures 11 and 12)
- Unscrew 6 bolts on the front filter guard.
- Slide the filter up and use a vacuum cleaner to remove the dust from the filter.
- If the filter is heavily covered with dust and dirt, use warm water and mild soap or neutral detergent to wash the filter.
Do not use any other chemicals to clean the filter. - Dry the filter in a shaded area before replacing it. Do not operate the unit without the filter installed and the filter guard in the closed position.
- Place the clean filter and close the filter guard.
NOTE: For effective cooling, clean the filter at least once in 2 weeks
Do not operate without the filter.
Do not operate the unit with a damaged cord or plug. Do not operate the unit if there is any sign of malfunction. Do not operate the unit that has been dropped or damaged
– For your convenience, record the complete model number and product name (located on the Product Identification Plate), the purchase date, purchase location, serial number, and warranty period in the table below.
– Also, attach your purchase receipt as proof of purchase to this instruction manual for future reference.
– To ensure your product is covered by warranty, the complete faulty product along with your original purchase receipt must be provided at the place of purchase.
Maintenance (Continued)
– To ensure your product is covered by warranty, the complete faulty product along with your original purchase receipt must be provided at the place of purchase.
| Product | Portable Air Conditioner |
| Model No. | |
| Date of Purchase | |
| Place of Purchase | |
| Serial No. | |
| Period of Warranty |
Customer: Please read and keep this manual for future reference and keep the sales receipt as proof of purchase.
SELF-DIAGNOSTIC CODES (See Table 1)
The alarm will activate when the unit detects any abnormality. It will show an alarm code to indicate the source of the problem. The compressor and condenser fan will stop working when the alarm turns on. The evaporator fan will still be working for 3 minutes. If no actions are taken for 3 minutes after the initial alarm, the evaporator fan will stop too. The adult must be rectified before the unit can resume normal operation. Please refer to the alarm codes on the next page and follow the solutions provided to fix the unit.
NOTE: The alarm code will be displayed on the CURRENT TEMP display
| SELF-DIAGNOSTIC ALARM CODES | |||
| Alarm Display | Problem | Cause | Solutions |
![]() | Abnormal temperature | • Ambient temperature is too low • Temperature sensor is damaged, loose, or short/open | • Do not use the air conditioner if the ambient temperature is below 64°F (18°C) • Contact a qualified service agent |
![]()
| High Pressure | • Blocked Air filter • Blocked exhaust duct • Ambient temperature is too high | • Clean air filter • Ensure the duct is not blocked or kinked • Ensure the working temperature is below 113°F |
![]() | Abnormal temperature | The TH1(Outlet) temperature sensor has a loose or broken connection | Contact a qualified service agent |
![]() | Abnormal temperature | TH2(Inlet) temperature sensor has a loose or broken connection | Contact a qualified service agent |
![]() | Compressor overloaded | • Ambient temperature is too high • Unstable voltage supply • Defective | • Do not use the air conditioner if the ambient temperature is above 113°F (45°C) • Contact a qualified service agent • Replace the compressor |
Table 1- Alarm Codes
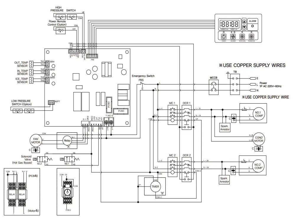
Wiring Diagram

TROUBLESHOOTING
| Symptom | Possible Cause(s) | Solutions |
| The unit is nonoperational | 1. Check the power supply 2. Check whether the power cord is connected | 1. Reset the circuit breaker and restart the unit 2. Connect the power cord |
| The unit does not produce cold air | 1. The filter is dirty and the airflow is blocked 2. Compressor will not work if the unit is turned on and off too quickly 3. Ambient temperature is too high | 1. Clean the filter 2. Wait 2 minutes after the unit is turned off before turning the unit back on. 3. The temperature of the compressor can be extremely hot when the ambient temperature is too high. The compressor will not work unless the ambient air temperature is within the acceptable operating range of the unit |
| Flowing refrigerant can be heard after the compressor shuts down | Normal operation Not a defect | It is common to hear the coolant flowing after the unit turns off |
SHIPPING LIST
- (1) High Capacity Air Conditioner
- (1) Owner’s Manual
OBTAINING SERVICE
If the Koldwave High Capacity Air Conditioner requires Service:
- Use the TROUBLESHOOTING section in this manual to eliminate obvious causes.
- Verify there are no circuit breakers tripped.
- Call your dealer for assistance. If you cannot reach your dealer, or if they cannot resolve the problem, call Koldwave Technical Support at 413-564-5520 Please have the following information available BEFORE calling the Technical Support
Department:
a. Your name and address.
b. The serial number of the unit.
c. Where and when the unit was purchased.
d. All of the model information about your Koldwave High Capacity Air Conditioner.
e. Any information on the failure, including LEDs that may or may not be illuminated.
f. A description of the protected equipment, including model numbers if possible.
LIMITED WARRANTY
Koldwave warrants all Koldwave products to be free from defects in materials or workmanship, under normal use and service, for a period of twelve (24) months from the date of shipment from the factory. Koldwave further warrants that the refrigeration compressor will be free from defects in materials and workmanship for (3) years from the date of shipment from the factory.
Koldwave’s obligation under this warranty is limited to the repair or replacement at its option, of any part or parts which, upon Koldwave’s examination at its factory, are shown o be defective or at Koldwave’s option, the return of the purchase price to the purchaser. Correction of such defects by repair or replacement, or, at Koldwave’s option, the return of the purchase price shall constitute fulfillment of warranty obligations to the purchaser. This warranty does not cover corrosion or normal deterioration, or any transportation or labor charges paid for the replacement of parts, adjustments, repairs, or any other work. All replacement parts shall be shipped F.O.B. from Koldwave, Farmville, North Carolina, and all parts returned to Koldwave’s factory shall be at the buyer’s expense. Replacement of all parts hereunder shall not operate to extend the original warranty period as to any part, including replacement parts supplied hereunder.
THE ABOVE WARRANTY HEREWITH SET FORTH IS IN LIEU OF AND SUPERSEDES ALL OTHER WARRANTIES INCLUDING IMPLIED WARRANTIES OF MERCHANTABILITY AND/OR FITNESS FOR A PARTICULAR PURPOSE.
Koldwave shall not be liable for any loss, damage, cost of repair, or incidental or consequential damages of any kind in connection with the sale, use, or repair of any Koldwave products. Any repairs made outside of Koldwave’s factory without its written consent will void this limited warranty. This limited warranty shall be void if the equipment has been subjected to misuse, negligence, free chemicals in the system, improper maintenance, or is operated contrary to the manufacturer’s recommendations, or if the serial number has been altered, defaced, or removed. Buyer assumes all liability for damages resulting from such handling, possession, or use of the product.
No representative of Koldwave or its distributors or dealers is authorized to assume for us any obligation or liability in connection with this product, nor to alter the terms of this warranty in any way.
LIABILITY UNDER THIS WARRANTY SHALL NOT ATTACH AND BECOME EFFECTIVE UNTIL KOLDWAVE HAS BEEN PAID IN FULL FOR THE PRODUCT SUPPLIED.
260 North Elm St.
Westfield, MA 01085
Phone: 413-564-5520
www.koldwave.com























