KOLDWAVE 6SS12BEA2ACA0 Split Portable Air Conditioner

Please read and save this manual. Read carefully before attempting to assemble, install, operate or maintain the product described.
Protect yourself and others by observing all safety information. Failure to comply with manual could result in personal injury and/or property damage! Retain manual for future reference.
Features
Koldwave 6SS12BEA2ACA0 / 6SS24BGA2ACA0 are designed for a fast installation and start up. The split systems are designed for applications where ducting condenser discharge air is not practical. The outdoor unit removes condenser heat through a glycol loop and can be located up to 30ft away from the indoor unit. The units do not require an external water source. All glycol/water mixture is provided with the unit. With 2 fan speeds the indoor units allow for quiet operation for office settings or any application where noise can be a factor. With their durable metal construction and 4 wheels, they are very useful for rental. Integral control panel has troubleshooting features and clear indications of unit operation. The units have a “spot cool” or “room cool” functions. The spot cool is designed to deliver very cold air for a continuous amount of time. The room cool feature is designed to work with a set-point based on room air. The unit will turn on and off by an integral return air sensor.
6SS12BEA2ACA0/
6SS24BGA2ACA0
Figure 1

Typical Uses
Computer server rooms, Tents, Offices, Events Marquees, Warehouses, Military uses, Commercial kitchens, Hospitals, Schools, Reception areas.
Specifications
| Model | Cooling Capacity | Refrigerant | Electrical Supply | Rated Current Amps | Operating Range |
| 6SS12BEA2ACA0 | 12,000BTU (3.5kW) | R410A (1.2 lbs) | 115V, 1phase, 60hz | 12.3A | 64-113°F (18-45°C) |
| 6SS24BGA2ACA0 | 22,000BTU (6.5kW) | R410A (1.61 lbs) | 208-230V, 1phase, 60hz | 12.3A | 64-113°F (18-45°C) |
| Model | Depth/Width/ Height/Weight (Indoor Unit) | Depth/Width/ Height/Weight (Outdoor Unit) | Fan Speeds | Air Flow (high/low) | Noise Level at 3m (Indoor Unit, high/low) | Control |
| 6SS12BEA2ACA0 | 27.75 / 13.77 / 36.5 inch /183Lbs | 26 / 10.82 / 25.78 inch / 48.5Lbs | 2 | 258 / 219 CFM | 40 / 36 dBA | Integral |
| 6SS24BGA2ACA0 | 27.75 / 13.77 / 36.5 inch /205Lbs | 27.6 / 10.82 / 27.8 inch / 59.5Lbs | 2 | 653 / 565 CFM | 58 / 54 dBA | Integral |
NOTE: Refrigerant and Electrical supply can be different per country. Please check the label on the unit for proper information.
General Safety Information
Please read this manual carefully for instructions on correct installation and usage. Please read all safeguards.
- Transport and store the unit in an upright position only. Leave unit in an upright position for at least 3 hours before first use.
- Always place the unit on an even, level surface.
- Ensure the unit is connected to a grounded power supply of the correct rating / capacity.
- The unit will cool when the room temperature is between 64.4°F (18°C) – 122°F (50°C) depending on the thermostat setting.
- DO NOT use this unit for functions other than those described in this instruction manual.
- DO NOT tilt the unit.
- DO NOT cover or obstruct the unit’s inlet and outlet grilles.
- DO NOT use the unit in areas where it will be exposed to rain or water.
- NEVER unplug the unit while it is operating.
DO NOT use the unit in wet environments, such as a laundry room, to avoid the risk of electrical shock. - DO NOT place any foreign objects on the unit.
- DO NOT operate the unit with wet or damp hands.
- DO NOT allow chemical substances to come into contact with the unit.
- DO NOT operate the unit in the presence of flammable substances or vapors such as alcohols, pesticides, gasoline, etc.
DO NOT operate the unit in explosive or flammable environments. - DO NOT use the plug to start and to stop the unit. Always use the control panel to start and to stop the unit.
- Always turn off the unit when it is not in use and unplug the power plug from the electrical outlet.
- Always turn the unit off and unplug the main power plug from the electrical outlet before cleaning, moving or performing maintenance.
- AVOID the use of adapter plugs or extension cords. If it is necessary to use an extension cord or an adapter plug to operate the unit, ensure that they are correctly rated for the application. Consult a local qualified electrician and all local electrical codes to ensure proper setup. Any extension cord used with this device must be rated for a minimum of 15A.
- DO NOT unplug the unit by pulling on the electrical cord. Keep electrical cord away from heat sources and always completely unroll the cord to avoid overheating. If the power cord becomes damaged, a qualified service agent, qualified electrician, or similarly qualified person must replace it, in order to avoid a hazard or shock.
DO NOT operate a unit with a damaged power cord. - The filters must be used with the product at all times. When the filters are removed for cleaning, always ensure that the unit has been turned off and unplugged from the electrical outlet.
- Regularly clean the filters to maintain efficiency. If the filters are not cleaned regularly, the units output performance and efficiency will decline and energy consumption will increase.
- DO NOT operate the unit with a damaged power cord or plug, after it malfunctions, has been dropped or damaged.
- Only use in the upright position on an even, flat surface. Unit must be positioned at least 24 inches (60 cm) from the nearest object in front.
- Stop operation immediately if abnoraml noise or odor is noticed. Contact a local service center.
- Appliance is not to used by children or persons with reduced physical, sensory or mental capabilities, or lack of experience and knowledge, unless they have been given supervision or instruction.
- Children being supervised not to play with appliance.
- That the appliance shall be installed in accordance with national wiring regulations.
- If the supply cord is damaged, it must be replaced by the manufacturer, its service agent or similarly qualified persons in order to avoid a hazard.
SAVE THESE INSTRUCTIONS
Assembly
COMPONENT PARTS


HOW TO CONNECT THE LINES BETWEEN INDOOR UNIT AND OUTDOOR UNIT
Connect between the same numbers.
- Power cord : To supply power to the outdoor unit.
- Drain hose : To drain condensate to the outside.
- Cooling water line and coupling (Cool water)
- Cooling water line and coupling (Hot water)
NOTE: Cooling water lines are 10 meters in length.
Installation
WARNINGS REGARDING PROPER LOCATION FOR INSTALLATION
Do not use the unit in explosive environments or in areas where flammable gas leakage may occur.
Do not use the Indoor unit in areas where it will be exposed to rain or water.
Do not use the unit in a corrosive atmosphere.
Do not use the unit above 125.6° F (52° C).
Do not install the unit on uneven or sloping surface. The unit may roll or topple over even if the casters are set to the locked position.
MOVING THE UNIT
Unlock the casters and push the unit using the side handles to a flat, level surface and set the caster brakes to the locked position.
PLUGGING IN THE UNIT
Check the prongs and surface of the power cord plug for dust/dirt. If dust and/or dirt are present, wipe off with a clean, dry cloth.
Check the power cord, plug and prongs for damage or excess play.
If any damage or excess play is found, contact a qualified repair technician or a qualified electrician to perform replacement or repair of the power cord, plug or prongs.
If the power cord or plug is damaged, repair should only be performed by qualified electrical personnel.
Do not connect / disconnect the power cord or attempt to operate buttons with wet hands. This could result in electrical shock.
NOTE: Make sure the AC outlet is free of dirt, dust, oil, water, or any other foreign material.
Operation
CONTROL PANEL

- POWER BUTTON: Activates unit when POWER BUTTON is pressed. (Fan starts on low speed). If power button is pressed during operation, unit stops.
- BLOWER BUTTON: Changes fan speed from (Low) to (High) when pressed.
- SPOT/COOL BUTTON: Activates compressor and begins producing cool air 2 minutes after button is pressed. Regulates temperature based on discharge air temperature.
- ROOM/COOL BUTTON: Activates compressor and produces cool air 2 minutes after button is pressed. Regulates temperature based on Return/room air temperature.
- SET TEMP BUTTONS: Change target temperature/data value by +/- 1. Change data value by +/- 10 by holding. Press the SET TEMP BUTTONS to set temperature. Upper button is to heighten temperature and Lower button is to lower temperature.
- ALARM: Alarm indicator lights (blinks) and indicates abnormal system operation. If Alarm occurs, compressor stops. System operation stops when ALARM light is activated (blinks) longer than 3 minutes.
- CURRENT TEMP: Displays current room temperature in display in Farenheit. (In Room Cool Mode only). SPOT/COOL Mode – Displays outlet (cool air) temperature during normal operations. ALARM codes blink and are displayed when abnormal operation occurs.
- TARGET TEMP displays the unit set temperature for ROOMCOOL mode only.
TIMER: Enter to Timer setting mode if you press SPOT/COOL button and ROOM/COOL button together for 3 seconds. Press UP/DOWN button to set the timer until it shows the figure you want to set. After 3 seconds, the figure will be memorized and compressor will stop after the time set.
Maintenance
FILTER CLEANING
(See Figures 8 and 9)
There is 1 evaporator filter in front of the unit.
- Loosen up 2 bolts on the front filter guard.
- Slide filter up and use a vacuum cleaner to remove the dust from the filter.
- If the filter is heavily covered with dust and dirt, warm water and mild soap or neutral detergent may be used to wash the filter. Do not use any other chemicals to clean filter, as they will likely damage the filter.
- Dry the filter in a shaded area before replacing it. Do not operate the unit without the filter installed and the filter guard in the closed position.
- Replace the clean filter and close the filter guard.
NOTE: For effective cooling clean the filter at least every 2 weeks.

Do not operate without the filter clean and in place.
Do not operate the unit with a damaged cord or plug, after the unit malfunctions, or if the unit has been dropped or damaged.
- For your convenience, record the complete model number and product name (located on the Product Identification Plate), the purchase date, purchase location and serial number in the table below.
- Also, attach your purchase receipt as proof of purchase to this instruction manual for future reference.
- To ensure your product is covered by warranty, the complete faulty product along with your original purchase receipt must be provided at the place of purchase.
SELF-DIAGNOSTIC CODES
(See Table 1)
The alarm light is activated if abnormal operation occurs, and a code is displayed on the control panel. The compressor and condenser fan motor will stop operating. The evaporator fan will continue to run for 3 minutes. If the fault is rectified within 3 minutes, the unit will resume operation. If the fault persists for more than 3 minutes, the evaporator fan also stops. The fault must be rectified before the unit can resume normal operation.
Table 1 – Alarm Codes
| SELF-DIAGNOSTIC CODES | |||
| Alarm Display | Problem | Cause | Corrective Action |
![]() | Frost prevention sensor and Abnormal temperature sensor value | a. Indoor heat exchanger temperature too low b. TH3 temperature sensor has a loose or broken connection | a. Do not use the air conditioner if ambient temperature is lower than 64°F (18°C) b. Contact a qualified service technician |
![]()
| Refrigerant high pressure switch | a. Blocked air filter b. Ambient temperature is too high c. Cooling pump is not operating normally d. Power is not supplied to outdoor unit | a. Clean air filter b. Do not use the air conditioner if ambient temperature is higher than 125.6°F (52°C) c. Check circulating pump is operating normally. Check the cooling water line between indoor and outdoor unit is not pinched. d. Connect power cord between indoor unit and outdoor unit Contact service center if problem persists |
![]() | Abnormal temperature sensor value | TH1 outlet temperature sensor has a loose or broken connection | Contact service center |
![]() | Abnormal temperature sensor value | TH2 inlet temperature sensor has a loose or broken connection | Contact service center |
![]()
| Compressor overloaded | a. Ambient temperature is too high b. Unstable voltage supply c. Defective compressor | a. Do not use the air conditioner if ambient temperature is higher than 125.6°F (52°C) b. Contact service center if problem persists. c. Replace compressor |
![]() | Condensate water level alarm | Drain of condensate water is not working well. | a. Cycle power b. Check condensate pump to ensure operation. c. Check condensate hose for pinch or kink. |
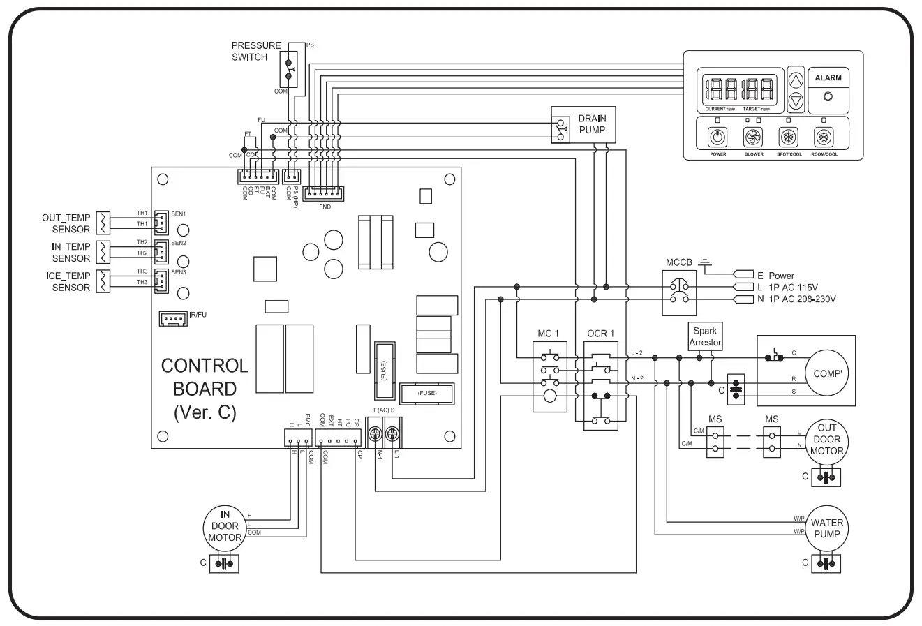
Wiring Diagram
Figure 10 – Circuit Wiring Diagram

Troubleshooting Chart
| Symptom | Possible Cause(s) | Corrective Action |
| No air flow from the indoor unit |
|
|
| Insufficient air flow from the indoor unit | Blocked air filter | Clean filter |
| Air from the room unit is not cool |
|
|
| Abnormal noise from the pump | Cooling water line is not connected properly | Connect cooling water line properly |
Shipping List
- (1) Indoor Unit
- (1) Outdoor Unit
- (1) Owner’s Manual
- (1) POWER CORD HOLDER
- (1) Cooling Water Line (30 Ft)
- (1) Drain Hose (30 Ft)
- (1) Power Line (30 Ft)
Obtaining Service
If the Koldwave Portable Air Conditioner requires Service:
- Use the TROUBLESHOOTING section in this manual to eliminate obvious causes.
- Verify there are no circuit breakers tripped.
- Call your dealer for assistance. If you cannot reach your dealer, or if they cannot resolve the problem, call Koldwave Portable Air Conditioner Technical Support at 413-564-5530 Please have the following information available BEFORE calling the Technical Support Department:
a. Your name and address.
b. The serial number of the unit.
c. Where and when the unit was purchased.
d. All of the model information about your Koldwave Portable Air Conditioner.
e. Any information on the failure, including LED’s that may or may not be illuminated.
f. A description of the protected equipment, including model numbers if possible.
For Koldwave warranty please visit http://koldwave.com/warranty.aspx
Customer Ssupport
260 North Elm St. Westfield, MA 01085
Phone: 413-564-5520 Fax: 413-564-5530
www.koldwave.com
























