
Owner’s Manual
K6HK144BBA2ACA0 / K6HK144BEA2ACA0
K6HK144BBA2ACA0 Portable Air Conditioner
Please read and save these instructions. Read carefully before attempting to assemble, install, operate or maintain the product described.
Protect yourself and others by observing all safety information. Failure to comply with instructions could result in personal injury and / or property damage! Retain instructions for future reference.
High Capacity Air Conditioner
(For Indoor & Outdoor)
Descrip on
KOLDWAVE Portable Air Conditi oners are specialized for “SPOT COOLING” where central cooling is impracti cal. KOLDWAVE air conditi oners can also be used in enclosed areas just like conventi onal air conditi oners. Simple digital controller and self-diagnosti c functi ons allow users to easily operate the unit. Built-in Caster wheels enable users to move the unit without any hassle. The unit can be installed in 5 minutes and does not require any extra materials or certi fi ed technician for installati on.
KOLDWAVE Portable Air Conditi oner, anywhere, everywhere. Plug-and-Go!
K6HK144BBA2ACA0 K6HK144BEA2ACA0 Figure 1
Unpacking
Aft erunpacking the unit, carefully inspect unit for any damage that may have occurred during transit. Check for any loose, missing, or damaged parts.
Specicaons
| Model No. | Power Supply Ph-V-Hz | Cooling Capacity Btu/h | Power Consumpti on Watts | Rated Current Amps |
| K6HK144BBA2ACA0 | 3Phases – 220V – 60Hz | 144,400 | 18kW | 57A |
| K6HK144BEA2ACA0 | 3Phases – 460V – 60Hz | 144,400 | 21.5kW | 27A |
| Model No. | Weight (Net / Gross) Lbs(kg) | Ambient temperature range °F( °C) | Dimensions W x D x H – in. (mm) |
| K6HK144BBA2ACA0 | 1168/1245lbs. | 64~113 | 34.3 x 75 x 71 |
| K6HK144BEA2ACA0 | (530/565kg) | (18~45) | (870 x 1904 x 1801 ) |
Specifi ations (Continued)
| Model No. | Indoor Air Flow CFM | Refrigerant Type / oz(g) |
| K6HK144BBA2ACA0 | 4000 | R-410A / 282(8000) |
| K6HK144BEA2ACA0 | 4000 | R-410A / 278.7(7900) |
| Safety Devices | Compressor overload protector, Anti-freezing thermister, Automatic restart (Power interruption), Compressor time delay program, High pressure switch, Hot gas bypass | |
| Features | Temperature control, Self-diagnostic function, Optional drain pump kit, Washable filters, °C displayOff-timer | |
| PUMP-DOWN | The unit is integrated with “PUMP-DOWN ” function. PUMP-DOWN function keeps compressor running for certain time to protect compressor and other crucial parts before the unit or compressor is turned off. PUMP-DOWN function activates, – When the unit reaches target temperature – In between cooling mode to heating mode – In between cooling mode to Fan only operation The unit operates in this particular way to protect the internal parts. During PUMP-DOWN cycle, the compressor and fans will be keep operating even though user turns off the unit or turns off the compressor. Please do not forcefully switch off the unit or compressor during PUMP-DOWN cycle. The unit or compressor will turn off itself when it is safe for the unit to do so. | |
General Safety Information
Please read this manual carefully for correct installation and usage. Please read all safeguards.
- Transport and store the unit in an upright position only. Leave unit in an upright position for at least 3 hours before first use.
- Always place the unit on an even, level surface.
- Ensure the unit is connected to a grounded power supply of the correct rating / capacity.
- The unit will operate between 18°C (64°F) ~ 45°C(113°F) depending on the temperature setting.
- DO NOT use this unit for other purposes that is not described in this instruction manual.
- DO NOT tilt the unit.
- NEVER unplug the unit under operation.
WARNING DO NOT use the unit in wet environments, such as a laundry room, to avoid the risk of electrical shock. - DO NOT place any foreign objects on the unit.
- DO NOT operate the unit with wet or damp hands.
- DO NOT allow chemical substances to come into contact with the unit.
- DO NOT operate the unit near flammable substances or vapors such as alcohols, pesticides, gasoline, etc.
WARNING DO NOT operate the unit in explosive or flammable environments. - DO NOT unplug to turn off the unit. Always use the power switch to start and to stop the unit.
- Always turn off the unit and unplug it before cleaning, moving or performing maintenance.
- AVOID using adapter plugs or extension cords. If extension cord or an adapter plug is needed , ensure they are correctly rated for the application. Consult a local qualified electrician for proper setup. Any extension cord used with this device must be rated for a minimum of 72A.(460V)
- DO NOT unplug the unit by pulling on the electrical cord. Keep electrical cord away from heat sources and always completely unroll the cord to avoid overheating. If the power cord is damaged, contact a qualified service agent, qualified electrician, or similarly qualified person for replacement.
WARNING DO NOT operate a unit with a damaged power cord. - The filters must be used with the product at all times. When the filters are removed for cleaning, always ensure that the unit has been turned off and unplugged from the electrical outlet.
- Regularly clean the filters to maintain efficiency. If the filters are not cleaned regularly, the units output performance and efficiency will decrease.
- DO NOT operate the unit with a damaged power cord or plug,
- Only use in the upright position on an even, flat surface. There must not be any objects or walls within 24 inches (60 cm) from the unit.
- Halt the unit immediately if abnormal noise or odor is detected. Contact your local service center or manufacturer.
- Appliance is not to be operated by children or persons with reduced physical, sensory or mental capabilities, or lack of experience and knowledge, unless they have been
given supervision or instruction. - Children must be supervised not to play with appliance.
- The unit must be installed in accordance with national wiring regulations.
- If the supply cord is damaged, it must be replaced by the manufacturer, its service agent or similarly qualified persons in order to avoid a hazard. .
Assembly
COMPONENT PARTS
DUCT CONNECTIONS
Cool Air Out Duct(EVA)
The Cool air duct connections are labeled “AIR OUT”. The connection size is 350Ø in diameter. Connect the flexible air ducting as follows:
- Attach the flexible air ducting to the unit’s duct collars making sure that air will not leak past the connection collar by using appropriate round flexible ducting clamps.
- Route the ducting as straight as possible to the space being conditioned avoiding excessive turns and pinches in the ducting.
- Verify the termination points are not restricted meaning no objects are directly in front of the termination.
Cool Air in Duct(EVA)
The Return Air In duct connection is labeled “AIR IN”.
The connection size is 350Ø in diameter.
Follow the same procedures as the Cool Air Duct Connections.
If you need outdoor air, please note that machine will read the temperature of the outdoor air.
Hot Air Out Duct(COND)
The Hot Air Out duct connection is labeled “AIR OUT” The connection size is 450Ø in diameter.
Follow the procedures as the cool air duct connections Hot Air in Duct (COND)
The Hot Air Out duct connection is labeled “AIR IN” The connection size is 450Ø in diameter.
Follow the procedures as the cool air duct connections
Forklift
If a forklift is needed to move the unit, put the foot of the forklift to the forklift hole (shown in the picture: figure 8).
Installatio
WARNINGS REGARDING PROPER LOCATION FOR INSTALLATION
WARNING Do not use the unit in explosive environments or in areas where flammable gas leakage may occur.
WARNING Do not use the unit in areas where it will be exposed to rain or water.
WARNING Do not use the unit in a corrosive atmosphere.
WARNING Do not use the unit above 18°C(64°F) ~ 45°C(113°F).
WARNING Do not install the unit on uneven or sloping surface. The unit may roll or topple over even if the casters are set to the locked position.
MOVING THE UNIT
Unlock the casters and push the unit using the side handles to a flat, level surface and set the caster brakes to the locked position. PLUGGING IN THE UNIT Check the prongs and surface of the power cord plug for dust/dirt.
If dust and/or dirt are present, wipe off with a clean, dry cloth. Check the power cord, plug and prongs for damage or excess play. If any damage or excess play is found, contact a qualified repair technician or a qualified electrician to perform replacement or repair of the power cord, plug or prongs.
WARNING If the power cord or plug is damaged, repair should only be performed by qualified electrical personnel.
WARNING Do not connect / disconnect the power cord or attempt to operate buttons with wet hands. This could result in electrical shock.
NOTE: Make sure the AC outlet is free of dirt, dust, oil, water, or any other foreign material.
The unit is equipped with an approved NEMA plug configuration. The appropriate outlet must be used for each plug type.
Operatio
CONTROL PANEL
- POWER BUTTON: Activates unit when POWER BUTTON is pressed. If POWER BUTTON is pressed during operation, unit stops.
- BLOWER BUTTON: Indicates fan speed. (Not available for 3 phase model)
- COOL BUTTON: Activates compressor and begins producing cool air in 5 seconds after button is pressed.
- TIMER BUTTON: Enters to Timer Setting Mode by pressing TIMER BUTTON for 1 seconds.
Two digits on CURRENT TEMP indicate hour(s) and two digits on TARGET TEMP indicate minutes. Set desired off-time by pressing SET TEMP BUTTONS. - ALARM: Alarm indicator lights (blinks) and indicates abnormal system operation.
If Alarm occurs, compressor stops. System operation stops when Alarm light is activated (blinks) longer than 3 minutes. - SPOT/COOL: Lights (blinks) when unit is operated on SPOT/COOL mode.
- SET TEMP BUTTONS: Change target temperature/data value by +/-1. Press the SET TEMP BUTTONS to set temperature. Upper button is to heighten temperature and Lower button is to lower temperture.
- TARGET TEMP: Displays unit set temperature for ROOM/COOL mode only.
Set TARGET TEMP 0 ℃ or 32℉ on SPOT/COOL mode. - CURRENT TEMP: Displays ambient temperature (In ROOM/COOL mode only) / Displays outlet (cool air) temperature during normal operations (In SPOT/COOL mode only)
In order to change ℃ to ℉, press BLOWER and COOL buttons together for 2 seconds.
F will blink 2 times and Figure will change to °F. ALARM codes blink and are displayed when abnormal operation occurs. - EMERGENCY STOP :
- Emergency stop button immediately halts the operation
- Press the red button – Unit stops
- Inspect the unit.
- Rotate the red button clockwise to restart the unit
SPOT/COOL mode → ROOM/COOL mode : Enter to ROOM/COOL mode if COOL BUTTON and TIMER BUTTON are pressed together for 1 seconds.
ROOM/COOL mode → SPOT/COOL mode : Enter to SPOT/COOL mode if COOL BUTTON is pressed for 1 seconds.
AUTO RESTART: If the unit goes off due to an electrical interruption, the unit will automatically restart when the power resumes.
Maintenance
FILTER CLEANING (See Figures 11 and 12)
- loosen up 6 bolts on the front filter guard.
- Slide filter up and use a vacuum cleaner to remove the dust from the filter.
- If the filter is heavily covered with dust and dirt, warm water and mild soap or neutral detergent may be used to wash the filter. Do not use any other chemicals to clean filter, as they will likely damage the filter.
- Dry the filter in a shaded area before replacing it. Do not operate the unit without the filter installed and the filter guard in the closed position.
- Replace the clean filter and close the filter guard.
NOTE: For eecve cooling clean the fil er at least every 2 weeks.
WARNING Do not operate without the filter fitted.
WARNING Do not operate the unit with a damaged cord or plug, after the unit malfunctions, or if the unit has been dropped or damaged.
– For your convenience, record the complete model number and product name (located on the Product Identification Plate), the purchase date, purchase location, serial number, and warranty period in the table below.
– Also, attach your purchase receipt as proof of purchase to this instruction manual for future reference.
– To ensure your product is covered by warranty, the complete faulty product along with your original purchase receipt must be provided at the place of purchase.
Maintenance (Continued)
– To ensure your product is covered by warranty, the complete faulty product along with your original purchase receipt must be provided at the place of purchase.
Product Portable Air Conditione
Model No…………………
Date of Purchase………………………..
Place of Purchase………………….
Serial No…………………………
Period of Warranty…………………………..
Customer: Please read and keep this manual for future reference and keep sales receipt as proof of purchase.
SELF-DIAGNOSTIC CODES (See Table 1)
The alarm light is activated if abnormal operation occurs, and a code is displayed on the control panel. The compressor and condenser fan motor will stop operating. The evaporator fan will continue to run for 3 minutes. If the fault is rectified within 3 minutes, the unit will resume operation. If the fault persists for more than 3 minutes, the evaporator fan also stops. The fault must be rectified before the unit can resume normal operation.
SELF-DIAGNOSTIC ALARM CODES
Alarm Code | Possible Causes | What To Do | |
| Compressor overload | • High ambient temperature • Unstable power supply • Defective compressor | • Ambient temperature must be under 45°C(113°F) • Check the power supply • Contact a qualified service agent | |
| Out of phase | Incorrect power cable connection | Re-connect the power cable to the correct power source | |
| Drain pump (Applicapable for unit with drain pump) | • Defective drain pump • Improper water circulation | • Check the hose connection from drain pump • Replace the drain pump • Contact a qualified service agent | |
| High pressure | • Improper air circulation • High ambient temperature | • Clean the air filter • Ensure exhaust duct is not blocked or kinked • Ambient temperature must be under 45°C(113°F) | |
| Low Pressure | • Refrigerant leak • Low ambient temperature | • Contact a qualified service agent | |
| Frost on heat exchanger | Indoor heat exchanger temperature too low | • Do not use the air conditioner if ambient temperature is lower than 18°C (64°F) • Contact a qualified service agent | |
| Abnormal temperature sensor value | TH1(Evaporator coil) temperature sensor has a loose or broken connection | Contact a qualified service agent | |
| Abnormal temperature sensor value | TH2(Evaporator coil) temperature sensor has a loose or broken connection | Contact a qualified service agent | |
| Abnormal temperature sensor value | TH3(Evaporator coil) temperature sensor has a loose or broken connection | Contact a qualified service agent | |
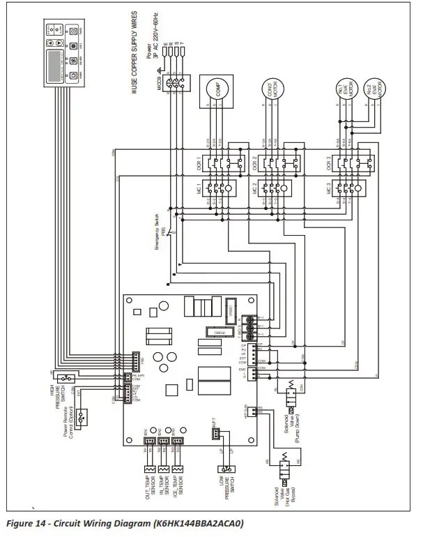
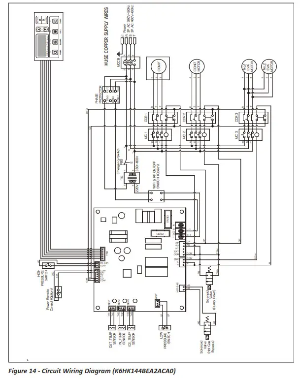
Wiring Diagram

Troubleshooting char
| Symptom | Possible Cause(s) | Corrective Action |
| The unit doesn’t work | 1. Check the power supply to verify that power is available to the unit 2. Verify that the power cord is connected | 1. Reset the circuit breaker and restart the unit 2. Connect power cord |
| No cold air flows from the cold air outlet | 1. Ambient air cannot be properly cooled if the filter is dirty and not regularly cleaned 2. Compressor will not work if the unit is turned off and on quickly. 3. The ambient air temperature may be too high | 1. Clean the filter 2. Wait 2 minutes after unit is turned off before turning the unit back on. 3. The temperature of the compressor can be higher when the ambient temperature is too high. The compressor will not work unless the ambient air temperature is within the acceptable operating range of the unit |
| Water flow can be heard after compressor shuts off | No cause | Common to hear coolant flowing after unit shuts off |
SHIPPING LIST
- (1) PORTABLE AIR CONDITIONER
- (1) Owner’s Manual
- (1) EXHAUST FLANGE
OBTAINING SERVICE
If the Koldwave Portable Air Conditioner requires Service:
- Use the TROUBLESHOOTING section in this manual to eliminate obvious causes.
- Verify there are no circuit breakers tripped.
- Call your dealer for assistance. If you cannot reach your dealer, or if they cannot resolve the problem, call Koldwave Portable Air Conditioner Technical Support at 413-564-5520. Please have the following information available BEFORE calling the Technical Support Department:
a. Your name and address.
b. The serial number of the unit.
c. Where and when the unit was purchased.
d. All of the model information about your Koldwave Portable Air Conditioner.
e. Any information on the failure, including LED’s that may or may not be illuminated.
f. A description of the protected equipment, including model numbers if possible.
For Koldwave warranty please visit
http://koldwave.com/html/literature.asp
KOLDWAVE
260 North Elm St.
Westfield, Ma 01085, USA
PH: 413-564-5520 Fax: 413-564-5815
www.koldwave.com
Printed in April, 2019

















