KOLDWAVE 6KK61BFA0 Portable Air Conditioners

Please read and save these instructions. Read carefully before attempting to assemble, install, operate or maintain the product described.
Protect yourself and others by observing all safety information. Failure to comply with instructions could result in personal injury and / or property damage! Retain instructions for future reference.
Description
KOLDWAVE Portable Air Conditioners feature spot cooling for large areas where cooling of the entire area is not practical. A dedicated spot cooling thermostat controls the unit in this application. These air conditioners can also be used in smaller areas for room cooling. A control panel provides ease of use and contains a self-diagnostic function and display, showing operating modes, room and set temperatures, and faults. If an abnormal operation occurs, a visual display of the fault is shown. Caster wheels are included for easy portability. Suitable applications include: a factory or work place, industrial kitchen, computer room, emergency cooling, etc.
Unpacking
After unpacking the unit, carefully inspect unit for any damage that may have occurred during transit. Check for any loose, missing, or damaged parts.
Specifications
| Model No. | Power Supply Ph-V-Hz | Cooling Capacity Btu/h | Power Consumption Watts | EER Btu/ Wh Rated Current Amps | |
| 6KK61BFA0 | Single Phase, 208/230V, 60Hz | 61,000 | 7,000 | 8.6 | 32 |
| 6KK92BCA3AA00 | 3 phases, 460V, 60Hz | 92,000 | 10,500 | 8.8 | 17.2 |
| Model No. | Nema Plug | Power Cord Gauge AWG | Power Cord Length ft | Dimensions W x D x H – in. (mm) |
| 6KK61BFA0 | 6-50P | 8 | 6 | 28.9 x 51.6 x 59.8 (735 x 1,310 x 1,520) |
| 6KK92BCA3AA00 | Hard wired | 10 | 10 |
| Model No. | Weiht (Net / Gross) Lbs(kg) | No. of Cool Air Outlets Pcs | Condensate tank Gallons(Liters) | Ambient temperature range °F( °C) |
| 6KK61BFA0 | 661/694 (300/315) | 3 | Auto Pump Included | 64~113(18~45) |
| 6KK92BCA3AA00 | 761/793 (345/360) | 3 |
| Model No. | Setting temperature (Room cool mode) °F( °C) | Setting temperature (Spot cool mode) °F( °C) |
| 6KK61BFA0 | 64~86 (18~30) | 32~86 (0~30) |
| 6KK92BCA3AA00 |
| Model No. | Application Area (Room cool mode) ft²(m²) | Refrigerant Type / oz(g) | Design Pressure – Hi/ Low Psig |
| 6KK61BFA0 | 1,700 (159) | R-410A / 112 (3200) | 465 / 250 |
| 6KK92BCA3AA00 | 2,551 (237) | R-410A / 141 (4,000) | 450 / 250 |
| Model No. | Indoor Air Flow CFM(CMM) | Wheels pcs / diameter | Hot Air Duct Di- ameter In.(mm) | Maximum Exhaust Duct Lenght ft(m) |
| 6KK61BFA0 | 1,700 (48) | 4 / 127mm | 20 (500) | 100 (30) |
| 6KK92BCA3AA00 | 2,890 (48) | 4 / 127mm | 20 (500) | 100 (30) |
| Safety Devices | Compressor overload protector, Anti-freezing thermistor, Condensate overflow protection, Automatic restart (Power interruption), Compressor time delay program, High pressure switch | |||
| Features | Temperature control, Self-diagnostic function, Washable filters, °F( °C) display, Off-timer, Drain pump installed , 20ʺ Hot air exhaust flange included | |||
Thank you for selecting this Koldwave Portable Air Conditioner. It provides you with spot cooling for large areas where cooling of an entire area is not practical or possible. Please read this manual before installing the 6KK61BFA0, 6KK71BCA0 or 6KK92BCA3AA00 as it provides important information that should be followed during installation and maintenance of the Portable Air Conditioner, allowing you to correctly set up your system for the maximum safety and performance. Included is information on customer support and service, if it is required. If you experience a problem with the unit, please refer to the Troubleshooting section in this manual to correct the problem. If the problem is not corrected, please collect information so that the Technical Support personnel can more effectively assist you.
General Safety Information
Please read this manual carefully for instructions on correct installation and usage. Please read
all safeguards.
- Transport and store the unit in an upright position only. Leave unit in an upright position for at least 3 hours before first use.
- Always place the unit on an even, level surface.
- Ensure the unit is connected to a grounded power supply of the correct rating / capacity.
- The unit will cool when the room temperature is between 18°C (64.4°F) ~ 45°C(113°F) depending on the thermostat setting.
- DO NOT use this unit for functions other than those described in this instruction manual.
- DO NOT tilt the unit.
- DO NOT cover or obstruct the unit’s inlet and outlet grilles.
- DO NOT use the unit in areas where it will be exposed to rain or water.
- NEVER unplug the unit while it is operating.
DO NOT use the unit in wet environments, such as a laundry room, to avoid the risk of electrical shock. - DO NOT place any foreign objects on the unit.
- DO NOT operate the unit with wet or damp hands.
- DO NOT allow chemical substances to come into contact with the unit.
- DO NOT operate the unit in the presence of flammable substances or vapors such as alcohols, pesticides, gasoline, etc.
DO NOT operate the unit in explosive or flammable environments. - DO NOT use the plug to start and to stop the unit. Always use the control panel to start and to stop the unit.
- Always turn off the unit when it is not in use and unplug the power plug from the electrical outlet.
- Always turn the unit off and unplug the main power plug from the electrical outlet before cleaning, moving or performing maintenance.
- AVOID the use of adapter plugs or extension cords. If it is necessary to use an extension cord or an adapter plug to operate the unit, ensure that they are correctly rated for the application. Consult a local qualified lectrician and all local electrical codes to ensure proper setup.
- DO NOT unplug the unit by pulling on the electrical cord. Keep electrical cord away from heat sources and always completely unroll the cord to avoid overheating. If the power cord becomes damaged, a qualified service agent, qualified electrician, or similarly qualified person must replace it, in order to avoid a hazard or shock.
DO NOT operate a unit with a damaged power cord. - The filters must be used with the product at all times. When the filters are removed for cleaning, always ensure that the unit has been turned off and unplugged from the electrical outlet.
- Regularly clean the filters to maintain efficiency. If the filters are not cleaned regularly, the units output performance and efficiency will decline and energy consumption will increase.
- DO NOT operate the unit with a damaged power cord or plug, after it malfunctions, has been dropped or damaged.
- Only use in the upright position on an even, flat surface. Unit must be positioned at least 24 inches (60 cm) from the nearest object in any direction.
- Stop operation immediately if abnormal noise or odor is noticed. Contact a local service center.
- Appliance is not to used by children or persons with reduced physical, sensory or mental capabilities, or lack of experience and knowledge, unless they have been given supervision or instruction.
- Children being supervised not to play with appliance.
- That the appliance shall be installed in accordance with national wiring regulations.
- If the supply cord is damaged, it must be replaced by the manufacturer, its service agent or similarly qualified persons in order to avoid a hazard.
Assembly
COMPONENT PARTS

POWER CORD HOLDER
- Take out the cord holder from the accessory box.
- Place the cord holder on the back side of air conditioner.
- Use screws (enclosed inside of accessory box ith cord holder)to install the cord holder on the air conditioner as shown in Figure 4.

DISCHARGE DUCTS /SUPPLY AIR DUCT
- Remove cool air outlet hose(s) from carton.
- Place the cool air outlet hose(s) on the front top of air conditioner.
- Use screws (enclosed inside of box with cool air outlet hose(s) to install the cool air outlet hose(s) on the air conditioner as shown in Figure 5.

TOP FAN EXHAUST FLANGE
- Remove the top fan exhaust flange from carton.
- Place the top fan exhaust flange on the top of air conditioner.
- Use screws (enclosed inside of box with the top fan exhaust flange) to install the top fan exhaust flange on air conditioner as shown in Figure 6.

HANDLE
- Remove a handle from carton.
- Place the handle on upper side of rear panel.
- Use screws (enclosed inside of box with a handle) to install the handle as shown in Figure 7.

CONDENSER PLENUM (Optional)
A condenser plenum can be purchased separately. condenser plenum fits over the condenser to duct condenser air to the unit to improve cooling efficiency.
- Remove the Filter(“A”)
- Check the Filter(“C”) is inserted properly in condenser plenum(“B”)
- Install “B” which contains “C” by using driver with enclosed bolts(6EA) as Figure 8.

Installation
WARNINGS REGARDING PROPER LOCATION FOR INSTALLATION
Do not use the unit in explosive environments or in areas where flammable gas leakage may occur.
Do not use the unit in areas where it will be exposed to rain or water.
Do not use the unit in a corrosive atmosphere.
Do not use the unit above 18°C(64°F) ~ 45°C(113°F).
Do not install the unit on uneven or sloping surface. The unit may roll or topple over even if the casters are set to the locked position.
MOVING THE UNIT
Unlock the casters and push the unit using the side handles to a flat, level surface and set the caster brakes to the locked position.
PLUGGING IN THE UNIT
Check the prongs and surface of the power cord plug for dust/dirt. If dust and/or dirt are present, wipe off with a clean, dry cloth.
Check the power cord, plug and prongs for damage or excess play.
If any damage or excess play is found, contact a qualified repair technician or a qualified electrician to perform replacement or repair of the power cord, plug or prongs.
If the power cord or plug is damaged, repair should only be performed by qualified electrical personnel.
Do not connect / disconnect the power cord or attempt to operate buttons with wet hands. This could result in electrical shock.
NOTE: Make sure the AC outlet is free of dirt, dust, oil, water, or any other foreign material.
Operation
CONTROL PANEL
- POWER BUTTON: Activates unit when POWER BUTTON is pressed. (Fan starts on low speed). If power button is pressed during operation, unit stops.
- BLOWER BUTTON: Changes fan speed from (Low) to (High) when pressed.
- SPOT/COOL BUTTON: Activates compressor and begins producing cool air 5 seconds after button is pressed. Regulates temperature based on outlet cool air temperature.
- ROOM/COOL BUTTON: Activates compressor and produces cool air 5 seconds after button is pressed. Regulates temperature based on inlet ambient air temperature.
- SET TEMP BUTTONS: Change target temperature/data value by +/- 1. Change data value by +/- 10 by pressing continually. Press the SET TEMP BUTTONS to set temperature. Upper button is to heighten temperature and Lower button is to lower temperature.
- ALARM: Alarm indicator lights (blinks) and indicates abnormal system operation. If Alarm occurs, compressor stops. System operation stops when ALARM light is activated (blinks) longer than 3 minutes.
- CURRENT TEMP: Displays current room temperature in display in Fahrenheit. (In Room Cool Mode only). SPOT/COOL Mode – Displays outlet (cool air) temperature during normal operations. In order to change °F to °C, press SPOT/COOL and ROOM/COOL buttons together for 2 seconds. C will blink 2 times and Figure will change to °C. ALARM codes blink and are displayed when abnormal operation occurs.
- TARGET TEMP: displays the unit set temperature for ROOM/COOL mode only.

OFF-TIMER: Enter to Timer Setting Mode if you press BLOWER Button and SPOT/COOL Button together for 1 seconds. Press UP/DOWN Button to set the timer until it shows the figure you want to set. After 5 seconds, the figure will be memorized and the compressor will stop after the time set.
AUTO RESTART: If the unit goes off due to an electrical interruption, the unit will automatically restart when the power resumes.
Maintenance
FILTER CLEANING (See Figures 10 and 11)
There are three filters in the unit. The evaporator filter is located at the front of the unit. The condenser filters are located at the side of the unit.
- loosen up 2 bolts on the front filter guard.
- Slide filter up and use a vacuum cleaner to remove the dust from the filter.
- If the filter is heavily covered with dust and dirt, warm water and mild soap or neutral detergent may be used to wash the filter. Do not use any other chemicals to clean filter, as they will likely damage the filter.
- Dry the filter in a shaded area before replacing it. Do not operate the unit without the filter installed and the filter guard in the closed position.
- Replace the clean filter and close the filter guard.
- To clean the condenser filters, lift up on the side filters from the middle bar slightly and then angle the filters outwards from the bottom and remove.
- Use the same cleaning procedure as above (3 – 5).
- To replace the condenser filter, place the top of the filter in the guide and slide the filter up until the bottom of the filter clears the frame. Then push the bottom of filter into the guide and let filter gently fall inside the guide.
NOTE: For effective cooling clean the filter at least every 2 weeks.
Do not operate without the filter fitted.
Do not operate the unit with a damaged cord or plug, after the unit malfunctions, or if the unit has been dropped or damaged.
- For your convenience, record the complete model number and product name (located on the Product Identification Plate), the purchase date, purchase location, serial number, and warranty period in the table below.
- Also, attach your purchase receipt as proof of purchase to this instruction manual for future reference.
- To ensure your product is covered by warranty, the complete faulty product along with your original purchase receipt must be provided at the place of purchase.
- To ensure your product is covered by warranty, the complete faulty product along with your original purchase receipt must be provided at the place of purchase.
Customer: Please read and keep this manual for future reference and keep sales receipt as proof of purchase.
SELF-DIAGNOSTIC CODES (See Table 1)
The alarm light is activated if abnormal operation occurs, and a code is displayed on the control panel. The compressor and condenser fan motor will stop operating. The evaporator fan will continue to run for 3 minutes. If the fault is rectified within 3 minutes, the unit will resume operation. If the fault persists for more than 3 minutes, the evaporator fan also stops. The fault must be rectified before the unit can resume normal operation.
SELF-DIAGNOSTIC ALARM CODES | |||
| Alarm Display | Problem | Cause | Correcfive Acfion |
![]() | Frost prevention sensor and Abnormal temperature sensor value |
|
|
![]()
| Refrigerant high pressure switch |
|
|
![]() | Abnormal temperature sensor value | TH1(Outlet) temperature sensor has a loose or broken connection | Contact a qualified service agent |
![]() | Abnormal temperature sensor value | TH2(Inlet) temperature sensor has a loose or broken connection | Contact a qualified service agent |
|
|
|
|
|
![]() | Drain pump alarm | Drain pump defective or improper hose connection (including kink or blockage) |
|
Table 1- Alarm Codes
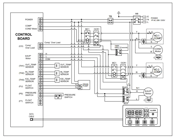
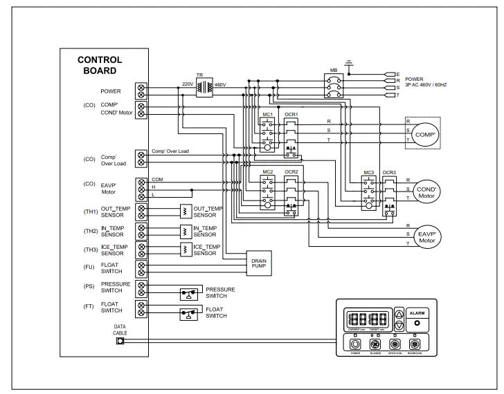
Wiring Diagram
- Figure 12 – Circuit Wiring Diagram (6KK61BFA0)

- Figure 13 – Circuit Wiring Diagram (6KK92BCA3AA00)

Troubleshooting Chart
| Symptom | Possible Cause(s) | Corrective Action |
| Water leakage | High water level in condensate tank |
|
| The unit doesn’t work |
|
|
| No cold air flows from the cold air outlet |
|
|
| Water flow can be heard after compressor shuts of | No cause | Common to hear coolant flowing after unit shuts of |
SHIPPING LIST
- (1) PORTABLE AIR CONDITIONER
- (1) Owner’s Manual
- (1) POWER CORD HOLDER
- (3) DISCHARGE / SUPPLY AIR DUCTS
- (1) EXHAUST FLANGE
- (1) DRAIN PUMP HOSE
- (1) HANDLE
OBTAINING SERVICE
If the Koldwave Portable Air Conditioner requires Service:
- Use the TROUBLESHOOTING section in this manual to eliminate obvious causes.
- Verify there are no circuit breakers tripped.
- Call your dealer for assistance. If you cannot reach your dealer, or if they cannot resolve the problem, call Koldwave Portable Air Conditioner Technical Support at 413-564-5520. Please have the following information available BEFORE calling the Technical Support Department:
a. Your name and address.
b. The serial number of the unit.
c. Where and when the unit was purchased.
d. All of the model information about your Koldwave Portable Air Conditioner.
e. Any information on the failure, including LED’s that may or may not be illuminated.
f. A description of the protected equipment, including model numbers if possible.
For Koldwave warranty please visit
http://koldwave.com/html/literature.asp
Customer Support
KOLDWAVE
260 North Elm Street
West ield, MA 01085
PH: 413-564-5520
www.koldwave.com


































