Danfoss ECL Comfort 310 AC Drives and Controls

Installation Guide
ECL Comfort 310, P315 (code no. 087H3836)

P315.1 Heating

P315.1

S3

ECL Comfort 310 230 V a.c.
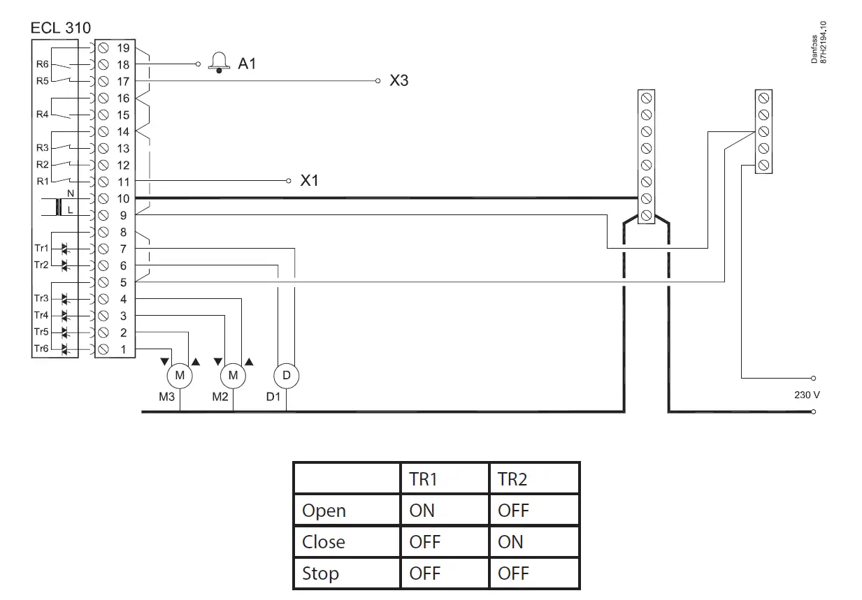
ECL Comfort 310

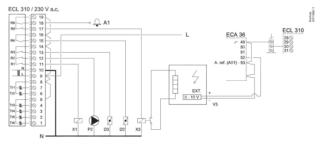
P315, 230 V a.c. ECA 36, 0-10 V
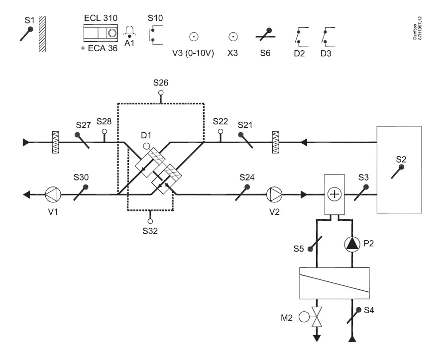
P315, 230 V a.c. D1
P315 S1-S6
S9, S10
P315 S12, S11
P315 ECA 36

Input/output overview

M-bus


Pt 1000 (IEC 751B, 1000 Ω / 0 °C)

INSTALLATION INSTRUCTION
ECA 30



- ECL Comfort 310, P315: www.danfoss.com
- https://www.youtube.com/user/DanfossHeating -> Playlists -> How-to Videos -> District Energy installation video
Danfoss A/S
Climate Solutions danfoss.com +45 7488 2222
Any information, including, but not limited to information on selection of product, its application or use, product design, weight, dimensions, capacity or any other technical data in product manuals,
catalogues descriptions, advertisements, etc. and whether made available in writing, orally, electronically, online or via download, shall be considered informative, and is only binding it and to the
extent, explicit reference is made in a quotation or order confirmation. Danfoss cannot accept any responsibility for possible errors in catalogues, brochures, videos and other material. Danfoss reserves the right to alter its products without notice. This also applies to products ordered but not delivered provided that such alterations can be made without changes to form, fit or function of the product. All trademarks in this material are property of Danfoss A/S or Danfoss group companies. Danfoss and the Danfoss logo are trademarks of Danfoss A/S. All rights reserved.

















