ENGINEERING
TOMORROW
AME 685 / 73691620
Operating Guide
AME 685
AME 685
![]() | ![]() |
❸ AME 685 operating as modulating version

AME 685 operating as 3 point version
AME 685
![]() | ![]() |
![]() | ![]() |
6.
| LED | Indication type | Operating mode | ||
| Green LED: | ![]() | ![]() | Constantly lit | Positioning mode – The actuator is retracting the stem |
![]() | ![]() | Constantly lit | Positioning mode – The actuator is extending the stem | |
![]() | ![]() | F lashing (1 s cycle) | Self stroking mode – The actuator is retracting the stem | |
![]() | ![]() | F lashing (1 s cycle) | Self stroking mode – The actuator is extending the stem | |
| Yellow LED: | ![]() | ![]() | Constantly lit | Stationary mode – Actuator has reached upper-end position (retracted stem) |
![]() | ![]() | Constantly lit | Stationary mode – Actuator has reached bottom end position (extended stem) | |
![]() | ![]() | F lashing Blinker | Stationary mode – Single blink when Y signal is presents and double blinks when Y signal is not connected) | |
| Red LED: | ![]() | ![]() | Constantly lit | Stand-By mode Standbytilstand Stand-by-Betrieb Mode |
![]() | ![]() | F lashing DA: | Error Mode Fejltilstand | |
| Red/ Yellow | ![]() | ![]() | F lashing (1 s cycle) | Set up stroke limitation (retracted stem) |
![]() | F lashing (1 s cycle) | Set up stroke limitation (extended stem) | ||
| Dark Mørk | No indication | No power supply | ||
![]() | ![]() |
Safety Notes
To avoid personal injury and damage to devices, it is absolutely essential for these instructions and safety notes to be read carefully and reviewed prior to assembly and use.
Do not dismantle actuator with the safety spring function! There is risk of injury and death in the event of improper handling!
The actuator is heavy. Handle with care to avoid injury or product damage.
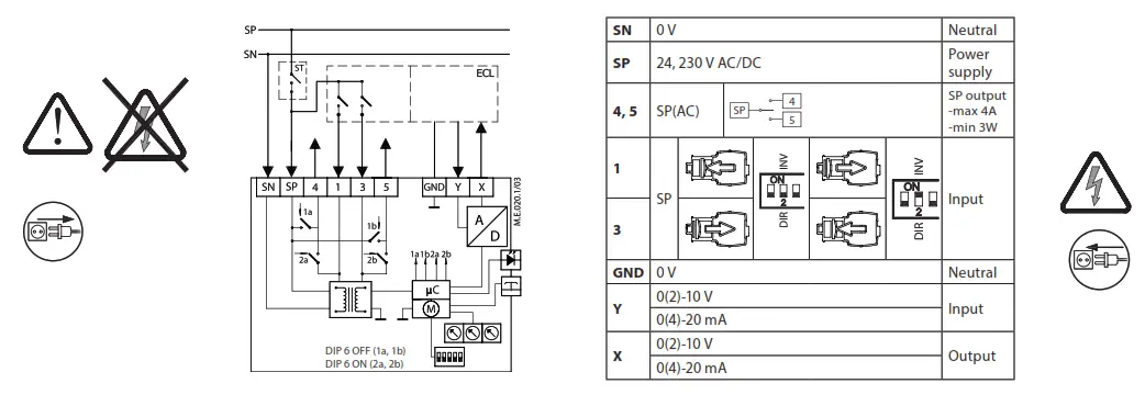
Wiring
Do not touch anything on the PCB!
Do not remove the cover before the power supply is fully switched off.
NOTE: Only basic functions as SW1 (Fast/Slow) and SW2 (INV/DIR) are active when is no power supply on terminal SP and the AME actuator is operated as AMV.
Actuator mounting to valve ❶
Stem connections ❷
Electrical connection ❸
DIP switch setting ❹
SW1: FAST/SLOW – Speed selection ①
– FAST; 2.7 s/mm
– SLOW; 6 s/mm
SW2: DIR/INV – Direct or inverse acting selector ②
– DIR; the actuator is directly reacting to input signal
– INV; the actuator is inversely reacting to input signal
SW3: 2-10V/0-10V – Input/output ③
– 2-10V; the input signal ranges from 2-10 V (voltage input) or 4-20 mA (current input)
– 0-10V; the input signal ranges from 0-10 V (voltage input) or 0-20 mA (current input)
Signal range selector sets Y & X signals. SW4: LIN/MDF – Characteristic modification function ④
– LIN; the linear correlation between Y signal and stem position
– MDF (Modified); enables modified correlation between Y signal and stem position. The degree of modification depends on the setting of the potentiometer CM.
The function enables to change of MCV (Motorised Control Valve) characteristics (for example linear to logarithmic and logarithmic to linear) and works with all combinations of DIP switch settings.
SW5: 100 %/95 % – Stroke limitation ⑤ Adjustable stroke limitation of retracted or extended actuator stem position.
DIP switch 5 needs to be reset prior to the procedure (5.2) to 100 % (5.1) and set to 95 % (5.3) until the self-stroking procedure has concluded (5.4).
The retracted icon (5.5) on the actuator will blink red-yellow when the actuator stops at max. retracted stem position (5.5) and will blink as long as it is not set to a new retracted position (5.6) by pressing buttons to set the required position (observe flow on flow meter). Press and hold the reset button
for 5 seconds (5.7) and then set new extended stem position by pressing the buttons.
The extended icon (5.8) will blink red-yellow as long as it is not set to new extended position by pressing and holding the reset button for 5 seconds.
SW6: C/P – Output signal mode selector ⑥
- An output signal is present on terminal 4 when the position of the actuator is equal to or lower than the S4 set point. An output signal is present on terminal 5 when the
position of the actuator is equal to or higher than the S5 set point.
SW6: C; provides a constant output signal on terminals 4 & 5, regardless of the input signal.
SW6: P; provides a pulse signal through parallel or cascade electrical wiring input 1 & 3 dependents from the controller to output terminals 4 & 5.
SW7: Smart function selector: ⑦
– OFF; the actuator does not try to detect oscillations in the system
– ON; the actuator enables a special antioscillation algorithm – In a case-control signal Yon a certain point oscillates looking from a time perspective, the algorithm starts to lower the amplification of the output to the valve. Instead of having static characteristics actuator changes to dynamic characteristics. After the control signal does not oscillate anymore, output to the valve slowly returns back to static characteristics.
SW8: Uy/Iy – Input signal type selector: ⑧
– Uy; input signal Y is set to voltage (V)
– Iy; input signal Y is set to current (mA)
SW9: Ux/Ix – Output signal type selector: ⑨
– Ux; output signal X is set to voltage (V)
– Ix; output signal X is set to current (mA)
NOTE: Y detection is disabled if SW8 is set to ON position and SW3 is set to OFF position. Functions accessible from cover
RESET button
The actuator has an external RESET button, which is located on the top cover of the actuator next to the LED indicators. With this button, you can enable or disable standby mode (press once) or self-stroking mode (press and hold for 5 seconds). See next paragraph for more details.
The final step of electrical connection ❺
LED signalization ❻
Self-stroking mode ❼
Self-stroking mode begins automatically the first time the actuator is powered on. To start the self-stroking procedure, press and hold the
RESET button for 5 seconds ① until the green light starts flashing. End positions of the valve are automatically set and the actuator goes into stationary mode ② and starts responding to the control signal.
Manual Operation
The mechanical and electrical operations must not be used at the same time!
The actuator can be manually positioned when in standby mode or when there is no power supply (mechanically).
| Actuator type | Mechanical operation | Electrical operation |
| AME 685 | √ | √ |
Stand-By mode
Press the RESET button for 1 second to enter standby mode. The actuator stops in the current position and stops responding to any control signal. A red light remains constantly lit. You can now manually operate the actuator.
Mechanical manual operation
The actuator has a knob & crank on the top of the housing which enables manual positioning of the actuator.
Use Mechanical manual operation only when the power is disconnected. Mechanical and electrical operation are not allowed to be used at the same time!
Electrical manual operation
The actuator has two buttons on the top of the housing that are used for electrical manual positioning (up or down), if the actuator is in
Stand-By mode. First press the RESET button
until the actuator goes to Stand-By mode (red LED is lit). By pressing the button the stem will be extended and by pressing the button
the stem will be retracted.
Dimensions
| Part Name | Hazardous Substances Table | |||||
| Lead (Pb) | Mercury (Hg) | Cadmium (Cd) | Hexavalent Chromium (Cr(VI)) | Polybrominated biphenyls (PBB) | Polybrominated diphenyl ethers (PBDE) | |
| Housing | X | O | O | O | O | O |
| Guide insert | X | O | O | O | O | O |
| Ball bearing | X | O | O | O | O | O |
| O: Indicates that this hazardous substance contained in all of the homogeneous material for this part is below the limit requirement in GB/T 26572; | ||||||
| X: Indicates that this hazardous substance contained in at least one of the homogeneous materials for this part is above the limit requirement in GB/T 26572; | ||||||
Danfoss A/S
Climate Solutions – danfoss.com « +45 7488 2222
Any information, including, but not limited to information on selection of product, its application or use, product design, weight, dimensions, capacity or any other technical data in product manuals, catalogs descriptions, advertisements, etc. and whether made available in writing, orally, electronically, online or via download, shall be considered informative and is only binding if and to the extent, explicit reference is made in a quotation or order confirmation. Danfoss cannot accept any responsibility for possible errors in catalogs, brochures, videos and other material. Danfoss reserves the right to alter its products without notice. This also applies to products ordered but not delivered provided that such alterations can be made without changes to form, fit or function of the product.
All trademarks in this material are property of Danfoss A/S or Danfoss group companies. Danfoss and the Danfoss logo are trademarks of Danfoss A/S. All rights reserved.
AQ19558647231501-010202
10 | © Danfoss | 2022.09











































