
Danfoss AME 55 QM Electric Drive User Guide

AME 55 QM











Safety Note
To avoid injury of persons and damages to the device, it is absolutely necessary to read and observe these instructions carefully.
Necessary assembly, start-up, and maintenance work must be performed by qualified and authorized personnel only.
Prior to assembly and depressurizing the system.
Please comply with the instructions of the system manufacturer or system operator.
Do not remove the cover before the power supply is fully DIPitched off.
Mounting ❶
Fix the actuator on the valve ❷.
Wiring ❸
Do not touch anything on the PCB!
DIPitch off the power line before wire the actuator! Lethal voltage!
Wire the actuator according to the wiring diagram.
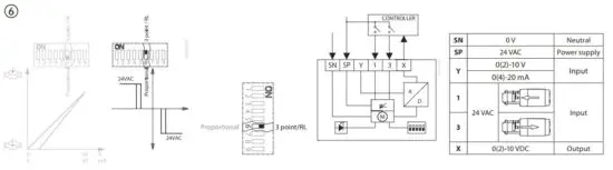
Control signal
Control signal from the controller must be connected to terminals Y (input signal) and SN (common) on the AME printed board.
Output signal
Output signal from the terminal X can be used for indication of the current position. Range depends on the DIP DIPitch settings.
Supply voltage
Supply voltage (24 V~ -15 to +10%, 50 Hz) must be connected to the terminals SN and SP.
DIP DIPitch settings ❹

Factory settings:
ALL DIPitches are on OFF position! ①
Note: All combinations of DIP DIPitches are allowed. All functions that are selected are added consecutively. There is only one logic override of functionalities i.e. the DIPitch No.6 Proportional/3 point, which sets actuator to ignore control signal and works as a “simple” 3-point actuator.
DIP1: U/I ②
Factory setting:
voltage control signal (0-10 V).
DIP2: 2-10 V/0-10 V ③
Factory setting is:
2-10 V.
DIP3: Direct/Inverse ④
Factory setting is:
DIRECT
DIP4: —/Sequential ④
Two actuators can be set to work parallel with one control signal. If the SEQUENTIAL is set than an actuator responds to split control signal (see 0(2) V-5(6 V) / 6(6) V-10 V).
Note: This combination works in combination
with DIPitch No.5: 0(2) V-5(6 V) / 6(6) V-10 V
DIP5: 0(2) V-5(6 V)/6(6) V-10 V ⑤
Note: This function is available if DIPitch
No.4: — / Sequential is set.
DIP6: Proportional/3 point ⑥
When DIP6 is OFF:
actuator needs to perform self
stroking prior changing DIP6 to ON.
Output signal depends on DIP2, 3&5 setting.
Actuator can operate in modulating (DIP6 to OFF) or in “simple” 3-point mode, if the 3-point function is selected (DIP6 to ON).
Connect power supply on terminals SN and SP terminals.
DIP6 factory setting is OFF for modulating operation.
Actuator’s stem will run to its totally extended or retracted position by bridging SN signal to terminals 1 or 3 and will remain in this position as long as potential is present.
Set DIP6 to ON for operating actuator in 3 point mode.
Look carefully wiring diagram as wiring is different for controllers with triac output (ECL) in caparison to controllers with relay output.
Note: If 3 point function is selected actuator does not respond to any control signal on port Y. It only rises and lowers spindle if power is supplied on port 1 or 3.
DIP7: LOG flow/LIN flow ⑦
Large AB-QM valve has linear characteristic.
With setting DIPitch to LIN flow the characteristic remains linear. With setting DIPitch to LOG flow the characteristic of actuator is modified the way that actuator and valve work together as valve with LOG characteristic.
Factory setting:
LOG. Flow (characteristic of valve is unchanged)
DIP8: 100% KVS/RED. KVS ⑧
To be set on OFF position.
DIP9: Reset ⑨
After the actuator has been connected to power supply, the actuator will start the self-adjustment procedure. The indicator LED flashes until self adjustment is finished. The duration depends on the spindle travel and will normally last a few minutes. The stroke length of the valve is stored in the memory after self adjustment has been completed. To restart self adjustment, change the position of RESET DIPitch (DIPitch No.9). If the supply voltage is DIPitched off or falls below 80% in more than 0.1s, the current valve position will be stored in the memory and all data remain saved in the memory also after a power supply cut-out.
Function test
The indicator light shows whether the positioner is in operation or not. Moreover, the indicator shows the control status and faults.
- Constant light
– normal operation - No light
– no operation or no power supply - Intermittent light (1 Hz)
– self adjusting-mode - Intermittent light (3 Hz):
– power supply too low
– insufficient valve stroke (<20 s)
– end-position cannot be reached.

Danfoss A/S
Climate Solutions • danfoss.com • +45 7488 2222
Any information, including, but not limited to information on selection of product, its application or use, product design, weight, dimensions, capacity or any other technical data in product manuals, catalogues descriptions, advertisements, etc. and whether made available in writing, Orally, electronically, online Or via download, shall be considered informative, and is on y binding if and to the extent, explicit reference is made in a quotation or order confirmation. Danfoss cannot accept any responsibility for possible errors in catalogues, brochures, videos and other material.
Danfoss reserves the right to alter its products without notice. This also applies to products ordered but not delivered provided that such alterations can be made without changes to form, fit or function of the product.
All trademarks in this material are property of Danfoss A/S or Danfoss group companies. Danfoss and the Danfoss logo are trademarks of Danfoss A/S. All rights reserved.
Read More About This Manual & Download PDF:

















