Danfoss ECL Comfort 110 AC Drives and Controls Installation Guide
Installation Guide
ECL Comfort 110




ECL Comfort 110




Installation Guide, ECL Comfort 110
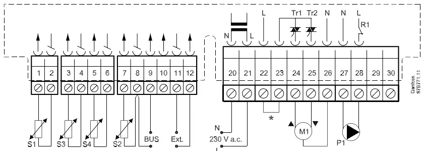
230 V a.c.

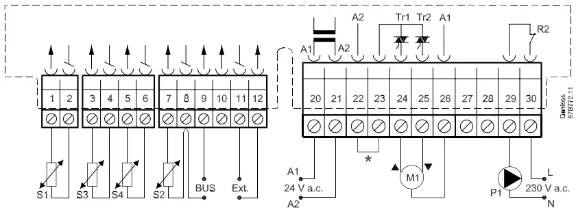
24 V a.c.

EU-declaration of conformity
Go to:
https://store.danfoss.com/en/
Select: ECL Comfort 110 > Documents > EU Declaration:
https://assets.danfoss.com/approvals/188967/ID389638298581-0101.pdf or
UK Declaration:
https://assets.danfoss.com/approvals/188970/ID389638299582-0101.pdf
?ECL Comfort 110: www.heating.danfoss.com
?https://www.youtube.com/user/DanfossHeating -> Playlists -> How-to Videos -> District Energy installation videos
BAR CODE


















![Midea Smart Ac [cw058iu-awifi] User Manual Midea Smart Ac [cw058iu-awifi] User Manual](https://static-data1.manualsee.com/1/img/294/17740/2020/12/Midea-Smart-AC-CW058IU-AWIFI.png)