
Installation Guide
Media temperature controller
EKC 361
EKC 361 Media Temperature Controller
Principle

Data communication

!! U : 24 V +/-10% !!
77-78
Cable ex.
| L < 25 m | : 0.75 mm² |
| 25 m < L < 75 m | : 1.5 mm² |
| 75 m < L | : 2.5 mm² |

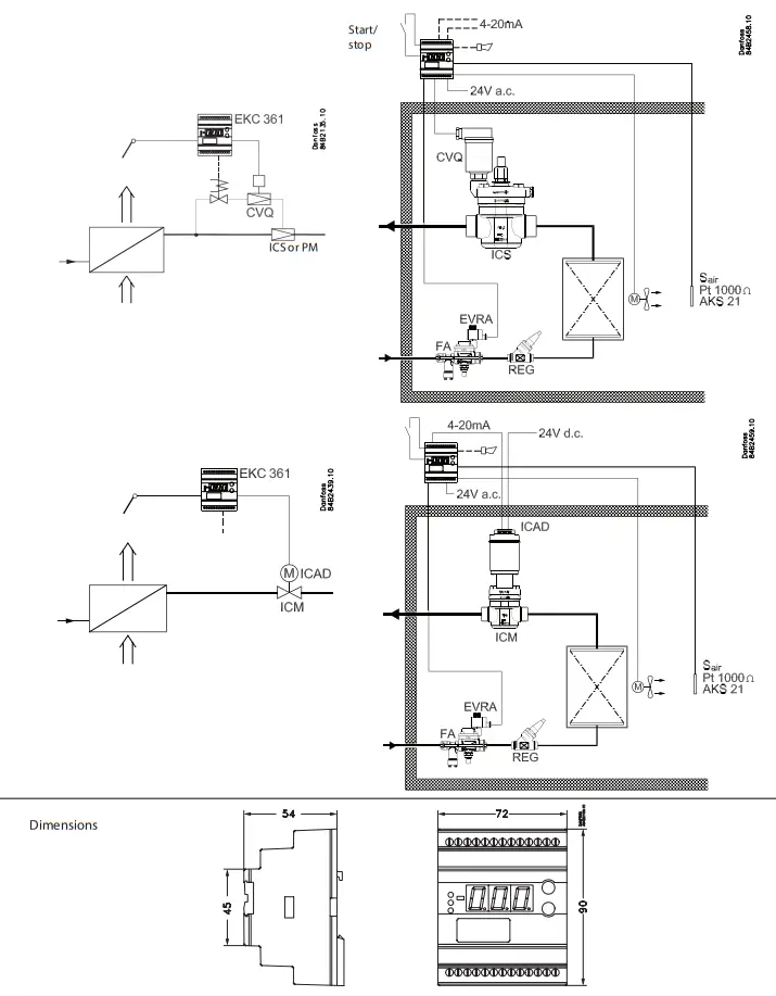
Connections
Necessary connections
Terminals:
25-26 Supply voltage 24 V a.c.
17-18 Signal from actuator (from NTC)
23-24 Supply to actuator (to PTC)
20-21 Pt 1000 sensor at evaporator outlet
1-2 Switch function for start/stop of regulation. If a switch is not connected, terminals 1 and 2 must be shortcircuited.
Application dependent connections
Terminal:
12-13 Alarm relay
There is connection between 12 and 13 in alarm situa tions and when the controller is dead
8-10 Relay switch for start/stop of fan
9-10 Relay switch for start/stop of solenoid valves
18-19 Current signal from other regulation (Ext.Ref.)
21-22 Pt 1000 sensor for monitoring
2-5 Current output for Sair/Saux temperature or ICAD actuator for ICM valve
3-4 Data communication
Mount only, if a data communication module has been mounted.
It is important that the installation of the data communication cable be done correctly.
Cf. separate literature No. RC8AC…
Operation
Display
The values will be shown with three digits, and with a setting you can determine whether the temperature are to be shown in °C or in °F.
Light-emitting diodes (LED) on front panel
There are LED’s on the front panel which will light up when the corresponding relay is activated.
The three lowest LED’s will flash, if there is an error in the regulation.
In this situation you can upload the error code on the display and cancel the alarm by giving the uppermost button a brief push.
| The controller can give the following messages: | ||
| El | Error message | Errors in the controller |
| E7 | Cut-out Sair | |
| E8 | Shortcircuited Sag | |
| El 1 | Valve’s actuator temperature outside its range | |
| El 2 | Analog input signal is outside the range | |
| Al | Alarm message | High-temperature alarm |
| A2 | Low-temperature alarm | |
The buttons
When you want to change a setting, the two buttons will give you a higher or lower value depending on the button you are pushing. But before you change the value, you must have access to the menu. You obtain this by pushing the upper button for a couple of seconds – you will then enter the column with parameter codes. Find the arameter code you want to change and push the two buttons simultaneously. When you have changed the value, save the new value by once more pushing the two buttons simultaneously.
| Gives access to the menu (eller udkoble en alarm) | |
| Gives access to changes | |
| Saves a change |
Examples of operations
Set set-point
- Push the two buttons simultaneously
- Push one of the buttons and select the new value
- Push both buttons again to conclude the setting
Set one of the other menus
- Push the upper button until a parameter is shown
- Push one of the buttons and find the parameter you want to change
- Push both buttons simultaneously until the parameter value is shown
- Push one of the buttons and select the new value
- Push both buttons again to conclude the setting
Literature survey:
Manual EKC 361 Installation guide, Data communication link
RS8AE–RC8AC—
| Function | Para- meter | Min. | Max. | Fac. setting |
| Normal display | ||||
| Shows the temperature at the selected sensor At ICM valve OD also can be selected | – | °C | ||
| Reference | ||||
| Set the required room temperature | – | -70°C | 160°C | 10°C |
| Temperature unit | r05 | °C | °F | °C |
| Input signal’s temperature influence | r06 | -50°C | 50°C | 0.0 |
| Correction of the signal from SA„ | r09 | -10,0°C | 10,0°C | 0.0 |
| Correction of the signal from Sato | r10 | -10,0°C | 10,0°C | 0.0 |
| StarUstop of refrigeration | r12 | OFF/0 | On/1 | On/1 |
| Alarm | ||||
| Upper deviation (above the temperature setting) | A01 | 0 | 50 K | 5.0 |
| Lower deviation (below the temperature setting) | A02 | 0 | 5 0 K | 5.0 |
| Alarm’s time delay | A03 | 0 | 1 80 min | 30 |
| Regulating parameters | ||||
| Actuator max. temperature | nO1 | 41°C | 140°C | 140 |
| Actuator min. temperature | n02 | 40°C | 139°C | 40 |
| Actuator type (1=CVQ-1 to 5 bar, 2=CVQ 0 to 6 bar, 3=C VQ 1.7 to 8 bar, 4= CVMQ 5=10/Q 6= ICM) | nO3 | 1 | 6 | 2 |
| P: Amplification factor Kp | n04 | 0,5 | 50 | 3 |
| I: Integration time Tn (600 = off) | nO5 | 60 s | 600 s | 240 |
| D: Differentiation ti me Td (0 = off) | nO6 | Os | 60 s | 10 |
| Transient phenomenon 0: Ordinary control 1:Underswing minimised 2:No underswing | n07 | 0 | 2 | 2 |
| OD – Opening degree – max. limit – ICM only | n32 | 0% | 100% | 100 |
| OD – Opening degree min. limit – ICM only | n33 | 0% | 100% | 0 |
| Miscellaneous | ||||
| Controller’s address (0-1 20) | o03* | 0 | 990 | 0 |
| ON/OFF switch (service-pin message) | o04′ | – | – | |
| Define output signal of analog output: 0: no signal, 1: 4 – 20 mA, 2: 0 – 20 mA | § | 0 | 2 | 0 |
| Define input signal of analog input 0: no signal, 1: 4 – 20 mA, 2: 0 – 20 mA | 10 | 0 | 2 | 0 |
| Language (0=english, 1 =German, 2=French, 3=Danish, 4=Spanish and 6=Swedish.)When you change the setting to an other language you must activate o04 before the new language can be visible from the AKM program. | 011′ | 0 | 6 | 0 |
| Set supply voltage frequency | ol 2 | 50 Hz/0 | 60 Hz/1 | 0 |
| Select of running display value | o17 | Au/0 | Air/1 | Air/1 |
| (Setting for the function o09) Set the temperature value where the output signal must be minimum (0 or 4 mA) | o27 | -70°C | 160°C | -35 |
| (Setting for the function 009) Set the temperature value where the output signal must be maximum (20 mA) | o28 | -70°C | 160°C | 15 |
| Service | ||||
| Read temperature at the Ste, sensor | u01 | °C | ||
| Read regulation reference | u02 | °C | ||
| Read temperature at the S sensor | u03 | °C | ||
| Read valve’s actuator temperature | u04 | °C | ||
| Read reference of the valve’s actuator temperature | u05 | °C | ||
| Read value of external current signal | u06 | mA | ||
| Read value of transmitted current signal | u08 | mA | ||
| Read status of input DI | u10 | on/off | ||
| ICM opening degree. (only at ICM) | u24 | % | ||
*) This setting will only be possible if a data communication module has been installed in the controller.
Factory setting
If you need to return to the factory-set values, it can be done in this way:
- Cut out the supply voltage to the controller
- Keep both buttons depressed at the same time as you recon nect the supply voltage
n01 and n02
Connection between the evaporating temperature and the actuator’s temperature (the values are approximate).
n01: The highest regulated room temperature will have a be longing to value which in turn indicates the value of the n01 setting. Due to tolerances in the actuator, the setting value must be 10 K higher than shown in the curve.
n02: The lowest occurring suction pressure will have a belonging to value which in turn indicates the value of the n02 setting. Due to tolerances in the actuator, the setting value must be 10 K lower than shown in the curve.

Start of controller
When the electric wires have been connected to the controller, the following points have to be attended to before the regulation starts:
- Switch of the external ON/OFF switch that starts and stops the regulation.
- Follow the menu survey, and set the various parameters to the required values.
- Switch on the external ON/OFF switch, and regulation will start.
- If the system has been fitted with a thermostatic expansion valve, it must be set to minimum stable superheating. (If a specific T0 is required for the adjustment of the ex ansion valve, the two setting values for the actuator temperature (n01 and n02) can be set to the belonging value while the adjustment of the expansion valve is carried out. Remember to reset the values).
- Follow the actual room temperature on the display. (On terminals 2 and 5 a current signal can be transmitted which represents the room temperature. Connect a data collection unit, if applicable, so that the temperature performance can be followed).
If the temperature fluctuates
When the refrigerating system has been made to work steadily, the controller’s factory-set control parameters should in most cases provide a stable and relatively fast regulating system. If the system on the other hand oscillates, you must register the periods of oscillation and compare them with the set integration time Tn , and then make a couple of adjustments in the indicated parameters.
If the time of oscillation is longer than the integration time:
(Tp > Tn , (Tn is, say, 4 minutes))
- Increase Tn to 1.2 times Tp
- Wait until the system is in balance again
- If there is still oscillation, reduce Kp by, say, 20%
- Wait until the system is in balance
- If it continues to oscillate, repeat 3 and 4
If the time of oscillation is shorter than the integration time:
(Tp < Tn , (Tn is, say, 4 minutes))
- Reduce Kp by, say, 20% of the scale reading
- Wait until the system is in balance
- If it continues to oscillate, repeat 1 and 2
Danfoss A/S
Climate Solutions • danfoss.com • +45 7488 2222
Any information, including, but not limited to information on selection of product, its application or use, product design, weight, dimensions, capacity or any other technical data in product manuals, catalogues descriptions, advertisements, etc. and whether made available in writing, orally, electronically, online or via download, shall be considered informative, and is only binding if and to the extent, explicit reference is made in a quotation or order confirmation. Danfoss cannot accept any responsibility for possible errors in catalogues, brochures, videos and other material. Danfoss reserves the right to alter its products without notice. This also applies to products ordered but not delivered provided that such alterations can be made without changes to form, fit or function of the product.
All trademarks in this material are property of Danfoss A/S or Danfoss group companies. Danfoss and the Danfoss logo are trademarks of Danfoss A/S. All rights reserved.
12 I AN00008642619602-000701 © Danfoss I Climate Solutions I 2022.07 


















