
ENGINEERING TOMORROW
EKE 400
Installation Guide![]()
Identification

Application example (parts program)
EKE 400 without HMI Cable
Remote display type MMIGRS2

![]()
IP20
-20 – 60 °C (0 – 140 °F)
RH max. 90% non-condensing
Principle


Connection, lower level

Connection, upper level

Electric noise
Signal cables for sensors, DI inputs, data communication and display must be kept separate from high voltage (230 V) electric cables:
- Use separate cable trays
- Keep a distance between high voltage and signal cables of at least 10 cm
Cables for DI input.
Cables longer than 10 meter (33 ft) is not recommended. At cables longer than 10 meter (33 ft), it is recommended to use auxiliary relays, placed within 10 meter (33 ft) cable distance. Typical auxiliary relays then are placed in the same panel, as EKE 400.
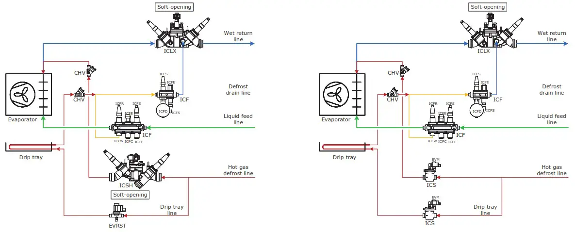
| Valve configuration no. | Evaporator Line | Valve selection in Wizard | Parameter number | DO1 | DO2 | DO3 | DO4 | DO5 | DO6 |
| 1 | Liquid feed line | Solenoid (ICFE) | R2A or R2B or R2C | X | |||||
| Hotgas defrost line | Solenoid 2-step (ICSH) | D2A | X | X | |||||
| Defrost drain line | Solenoid (upstream ICFD) | Dl B and D4A | X | ||||||
| Wet return line | Solenoid 2-step (ICLX) | D3A | X | ||||||
| Fan | F1 | X | |||||||
| 2 | Liquid feed line | Solenoid (ICFE) | R2A or R2B or R2C | X | |||||
| Hotgas defrost line | Solenoid (ICS) | D2A | X | ||||||
| Defrost drain line | Solenoid (upstream ICFD) | D1 B and D4A | X | ||||||
| Wet return line | Solenoid 2-step (ICLX) | D3A | X | ||||||
| Fan | F1 | X | |||||||
| 3 | Liquid feed line | Solenoid (ICFE) | R2A or R2B or R2C | X | |||||
| Hotgas defrost line | Solenoid 2-step (ICSH) | D2A | X | X | |||||
| Defrost drain line | Solenoid for quick drain – pressurecontrol) | D1B and D4A | X | ||||||
| Wet return line | Solenoid 2-step (ICLX) | D3A | X | ||||||
| Fan | F1 | X | |||||||
| 4 | Liquid feed line | Solenoid (ICFE) | R2A or R2B or R2C | X | |||||
| Hotgas defrost line | Solenoid (ICS) | D2A | X | ||||||
| Defrost drain line | Solenoid for quick drain – pressurecontrol) | D1 B and D4A | X | ||||||
| Wet return line | Solenoid 2-step (ICLX) | D3A | X | ||||||
| Fan | F1 | X |
Supply Voltage.
Supply voltage depending on model: 85 265 V AC, 50/60 Hz. Maximum power consumption: 20 V A 20 60 V DC and 24 V AC ± 15% 50/60 Hz , Maximum power consumption: 10 W, 17 V A.
Modbus
It is important that the installation of the data communication cable be done correctly. Cf. separate literature No. RC8AC. Remember termination at the bus termination.
DO – Digital outputs, 8 pcs. DO1 – DO8
- Function defined via the HMI in the parameter list
DO1, DO2
Normally Open contact,
10 A 250 V AC for resistive loads
3.5 A 230 V AC for inductive loads
DO3, DO4, DO7, DO8:
- Changeover Contact,
6 A 250 V AC for resistive loads
4 A 250 V AC for inductive loads
DO5,DO6:
- Solid state relays,
Imax. = 0.5A
Imin. = 50 mA.
Leakage<1.5 mA
Not short-circuit protected OBSERVE: AC only
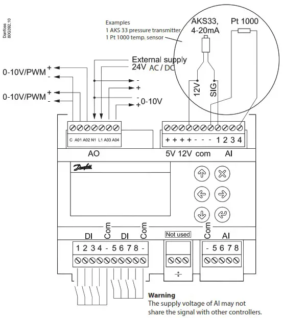
AO – Analogue output, 4 pcs. AO1, AO2, AO3, AO4
- Function defined via the HMI in the parameter list.
AO1, AO2:
- 0 / 10 V DC 10 mA max for each output
AO3, AO4:
- Optoinsulated. 0 / 10 V DC 10 mA max for each output
External power supply 24 V AC / 24 V DC
OBSERVE:
Connect 24 V on N and L (separate supply). Avoid earth fault current. Use double-insulated transformer. The secondary side must not be earthed.
Obtain 0 10 volts from terminals N and AO3, respectively N and AO4.
PAY ATTENTION TO THE POLARITY of N.
AI – Analogue inputs, 4 pcs. AI1 – AI4
Function defined via the HMI in the parameter list
Pressure transmitters
- Ratiometric: 10 – 90% of supply, AKS 32R
1 – 5 V, AKS 32
0 – 20 mA / 4 – 20 mA, AKS 33 (supply = 12 V)
Temperature sensor - Pt 1000 ohm, AKS 11 or AKS 21.
- NTC 86K ohm @ 25 °C, from digital scroll.
DI – Digital inputs, 8 pcs. DI1 – DI8
The connection may be a shut-down or interruption function.
Select what is to be activated during configuration.
AI – Analogue inputs, 4 pcs. AI5 – AI8
Function defined via the HMI in the parameter list
Pressure transmitters
- Ratiometric: 10 – 90% of supply, AKS 32R
1 – 5 V, AKS 32
Temperature sensor - Pt 1000 ohm, AKS 11 or AKS 21.
- NTC 86K ohm @ 25 °C, from digital scroll.


The Product contains electrical components. And may not be disposed together with domestic waste. Equipment must be separate collected with Electrical and Electronic waste. According to Local and currently valid legislation.
ADAP-KOOL
Danfoss A/5
Climate Solutions • danfoss.com • +45 7488 2222
Any information, including, but not limited to information on selection of product, its application or use, product design, weight, dimensions, capacity, or any other technical data in product manuals, catalogues descriptions, advertisements, etc. and whether made available in writing, orally, electronically, online or via download, shall be considers informative, and is only binding if and to the extent, explicit reference is made in a quotation or order confirmation. Danfoss cannot accept any responsibility for possible errors in catalogues, brochures, videos, and other material. Danfoss reserves the right to alter its products without notice. This also applies to products ordered but not delivered provided that such alterations can be made without changes to form, fit, or function of the product.
All trademarks In this material are property of Danfoss A/S or Danfoss group companies. Danfoss and the Danfoss logo are trademarks of Danfoss A/S. All rights reserved.
Danfoss Climate Solutions 12022.07
AN30561784681801-000401113



















