7242FA064 72 Inch x 42 Inch Drop Drop-In Air Bath in White -In
User Manual
Features
- 21 high output lateral air jets
- 10.5 Amp blower / heater
- Variable speed blower with automatic purge
- Includes Wave & Pulse modes
- Includes Chromatherapy
- Constructed of high-gloss durable acrylic
- Deep bathing well with textured slip resistant bottom• Minimalist Design
- Limited lifetime warranty
- Can be installed as an undermount
- Made in the USA
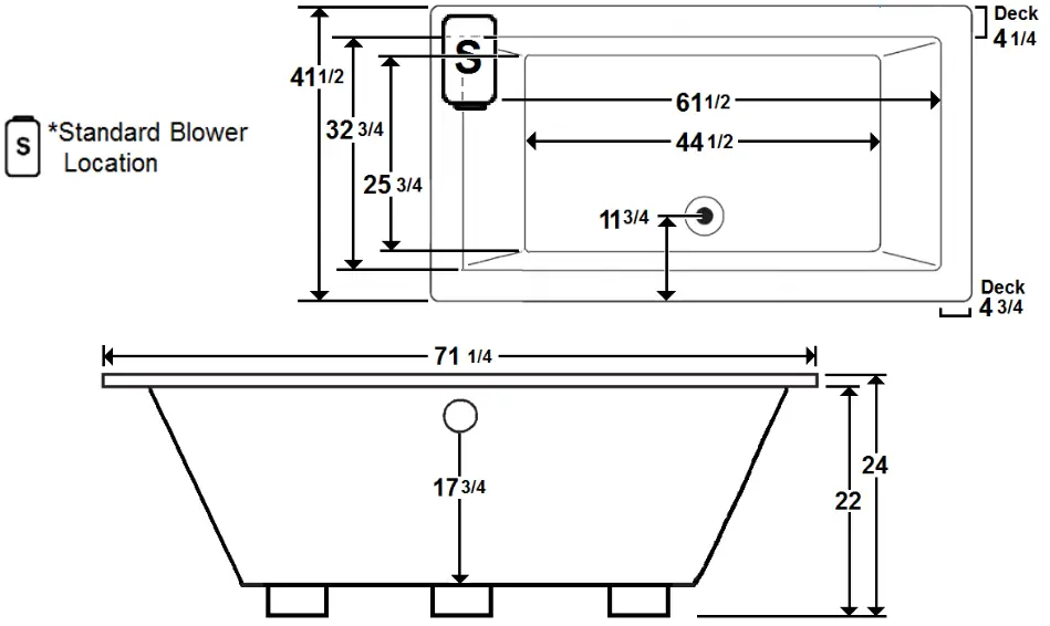
*All dimensions are +/- 1/2” and subject to change without notice*

Technical Information
- Weight: 188 lbs.
- Water Depth to Overflow: 17 3/4”
- Water Operating Level: NA
- Water Capacity: 163 gal
- Sump Dimension: 44 1/2” x 25 3/4”
Electrical Requirements.
- Standard Blower: 10.5 Amps (120V)
- Dedicated GFCI’s required
AVAILABLE OPTIONS & UPGRADES
For current pricing, pictures, and descriptions of the Laurel Mountain options listed below, go to www.lowes.com. Enter the model number of the option into the search bar at the top right of the page next to the magnifying glass. For additional information, visit www.laurelmountainbath.com or call Laurel Mountain customer service at 800-930-0050.
Therapeutic
| LM301 Radiant Heat | LM525 Wāv Music. Vibe. Lights |
Accessories
| CABLE OPERATED DRAINS | ||
| LM200 Chrome | LM210 White | LM231 Biscuit |
| LM201 Brushed Nickel | LM211 Biscuit | LM202 Bronze |
Design / Construction
LM542 Attachable Flange
INSTALLATION
Install this unit according to the Owner’s Manual. The Owner’s manual can be found at www.laurelmountainbath.com. Select “Resources” at the top of the homepage, then click on “Literature and Manuals”. Scroll down the page to the Owner’s Manual section then click on the “Whirlpool, Air Bath, Combo Bath” document.
Laurel Mountain Customer Service: 1-800-930-0050



















