Aero One Eclipse Tempered Glass Edition Mid Tower
Front I/O Panel Cable Connection
(Please refer to the motherboard’s manual for further instructions).
Note: Specifications may vary depending on your region. Contact your local retailer for more information.
How to install Guide

1/O Panel


- Reset: Also used as LED button if connected to the hub
- Hold for 3 secs to SWitch between motherboard and button control
- Hold Reset for 6 secs to turn off LED and press once to turn it back on
Note:
Specifications may vary depending on your region.Contact your local retailer for more information
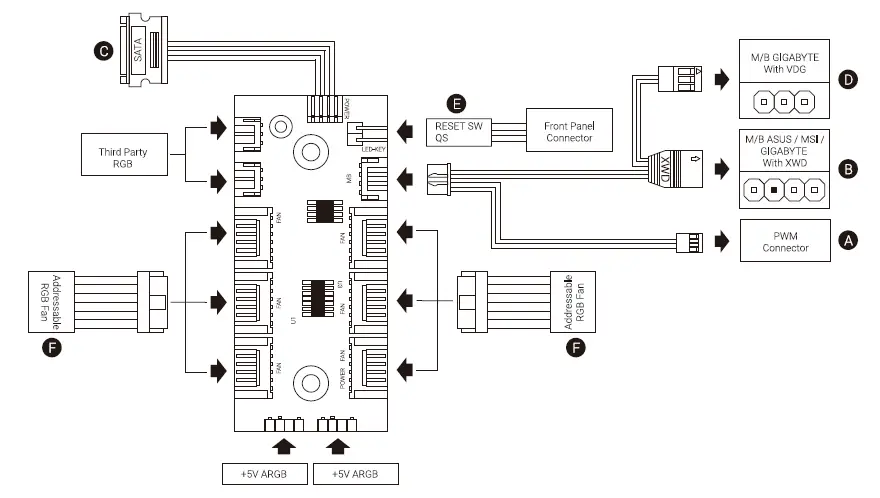
RGB Fan Hub (H66C)
Connection Set Up User Guide
For ASUS Aura Sync, MSI Mystic Light Sync, and GIGABYTE RGB Fusion Motherboards
- Connect (A) to motherboard’s PWM socket
- Connect (B) to motherboard’s Addressable RGB socket
- Connect (C) to PSU’s SATA connector
For GIGABYTE RGB Fusion Motherboards
- Connect (A) to motherboard’s PWM socket
- Connect (D) to motherboard’s Addressable RGB socket
- Connect (C) to PSU’s SATA Connector
For Non-Addressable RGB Motherboards
- Connect (A) to motherboard’s PwM socket
- Connect the 2-Pin reset switch connector (E) with your hub.
- Connect (C) to PSU’s SATA connector
- Use the RGB fan connectors (F) to connect the AddressableRGB fans with your hub.

























