Contents hide
AeroCool Aero One Eclipse Tempered Glass Edition ARGB Mid Tower Chase
Front I/0 Panel Cable Connection
Front Panel Connector
(Please refer to the motherboard’s manual for further instructions).
Note
- Specifications may vary depending on your region.
- Contact your local retailer for more information.
Accessory Bag Contents

How to install Guide
Install Motherboard

Install PSU

Install add-on-Card

Install 3.5″ HDDx1


Install 3.5″ HDD
Install SSD 2.5″ x 2

Install SSD 2.5″ x 1

Install the radiator
Install Front Radiotor

Install Top Radiator/ Install Rear Radiator

Install Fan
Install Front Fans

Install Top Fans

Install Rear Fans

Install PSU Fans

I/O Panel

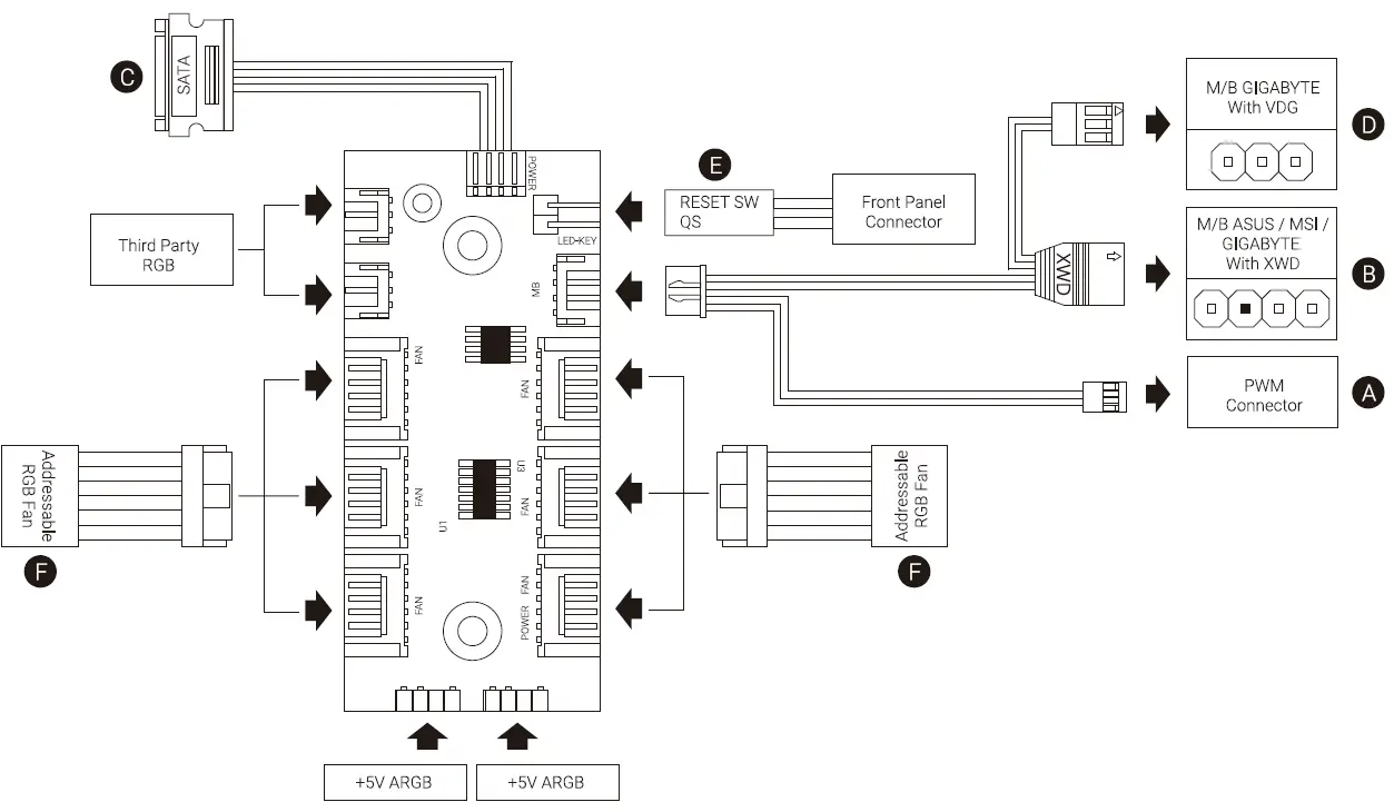
RGB Fan Hub (H66C)

Connection Set Up User Guide
For ASUS Aura Sync, MSI Mystic Light Sync, and GIGABYTE
RGB Fusion Motherboards
- Connect (A) to motherboard’s PWM socket
- Connect (B) to motherboard’s Addressable RGB socket
- Connect (C) to PSU’s SATA connector
For GIGABYTE RGB Fusion Motherboards
- Connect (A) to motherboard’s PWM socket
- Connect (D) to motherboard’s Addressable RGB socket
- Connect (C) to PSU’s SATA connector
For Non-Addressable RGB Motherboards
- Connect (A) to motherboard’s PWM socket
- Connect the 2-Pin reset switch connector (E) with your hub.
- Connect (C) to PSU’s SATA connector
- Use the RGB fan connectors (F) to connect the Addressable RGB fans with your hub.





















