![]()
ACCM-PB19033.1 AirHawk Duo ARGB Mid Tower Case
User Manual
Front I/O Panel Cable Connection
Front Panel Connector (Please refer to the motherboard’s manual for further instructions).
Note: Specifications may vary depending on your region. Contact your local retailer for more information.
Accessory Bag Contents

How to install Guide







I/O Panel
Reset: Also used as an LED button if connected to the hub Hold for 3 secs to switch between motherboard and button control Hold Reset for 6 secs to turn off LED and press once to turn it back on
Note: Specifications may vary depending on your region. Contact your local retailer for more information.
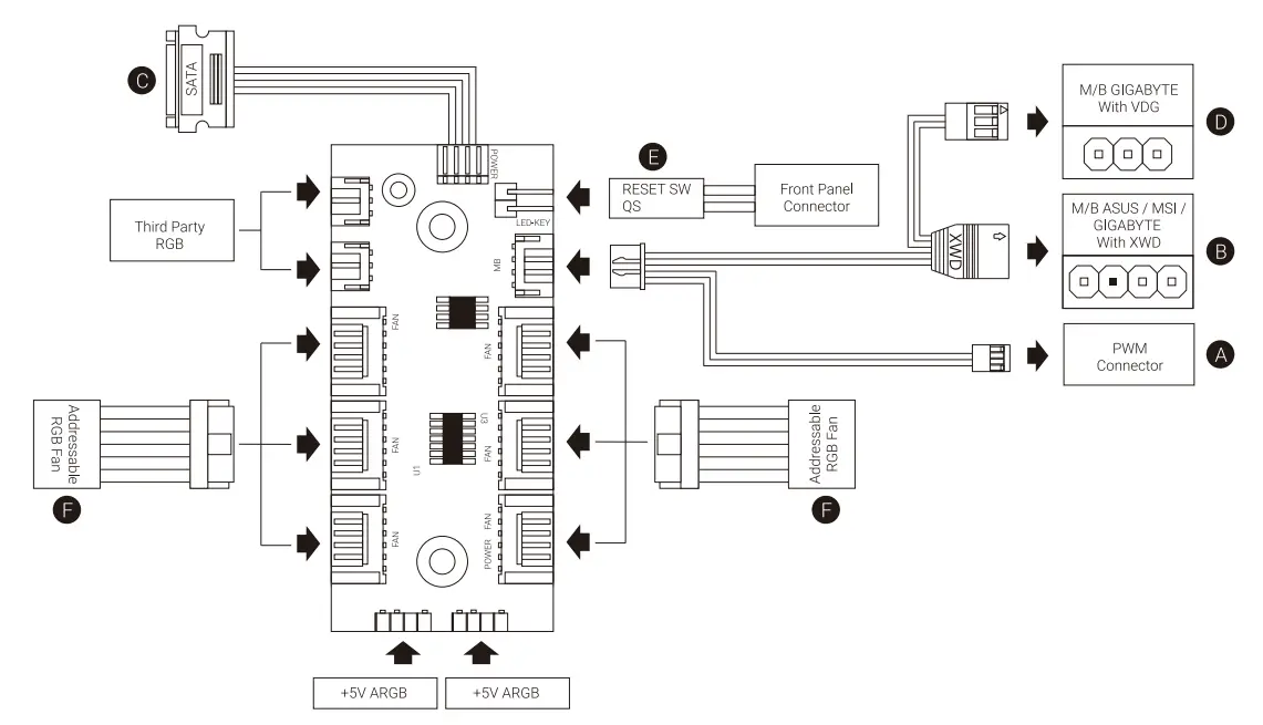
RGB Fan Hub (H66C)
Connection Set Up User Guide
For ASUS Aura Sync, MSI Mystic Light Sync, and GIGABYTE RGB Fusion Motherboards
- Connect (A) to the motherboard’s PWM socket
- Connect (B) to motherboard Addressable RGB socket
- Connect (C) to PSU’s SATA connector
For GIGABYTE RGB Fusion Motherboards
- Connect (A) to the motherboard’s PWM socket
- Connect (D) to the motherboard’s Addressable RGB socket
- Connect (C) to PSU’s SATA connector
For Non-Addressable RGB Motherboards
- Connect (A) to the motherboard’s PWM socket
- Connect the 2-Pin reset switch connector (E) with your hub.
- Connect (C) to PSU’s SATA connector
- Use the RGB fan connectors (F) to connect the Addressable RGB fans with your hub.
IlpoKoHcynb-ropoancs vi Kynm-b gaHHoe
o6opygoBaHme Bbl mo>KeTe B KomnaHow «AHR-Cmci-emcD agpec:
125480, r.MocKaa, yn.TypourcKas, p.33/1;
site: https://andpro.ru
-ren: +7 (495) 545-4870
email: [email protected]
lipm o6paigeHmo mcnonb30-re npomoKog
AND-PDF 11 nonyym-e cKingKy.
Connection Set Up User Guide


















