AeroCool Aero One Mid Tower CPU Case

Front 1/0 Panel Cable Connection
Front Panel Connector
(Please refer to the motherboard’s manual for further instructions).
Note: Specifications may vary depending on your region. Contact your local retailer for more information.
Accessory Bag Contents

How to install Guide
- Install Motherboard
- Install PsU
- Install add-on-Card

(4a) Install 3.5″ HDDx1
(4b) Install 3.5″ HDDx1
(5a) Install SSD 2.5″x2
(56) Install SSD 2.5″x1
(6a) Install Front Radiator
(66) Install Top Radiator
(6c) Install Rear Radiator
(7a) Install Front Fans

(7b) Install Top Fans
(7c) Install Rear Fans

(7d) Install PSU Fans

1/O Panel

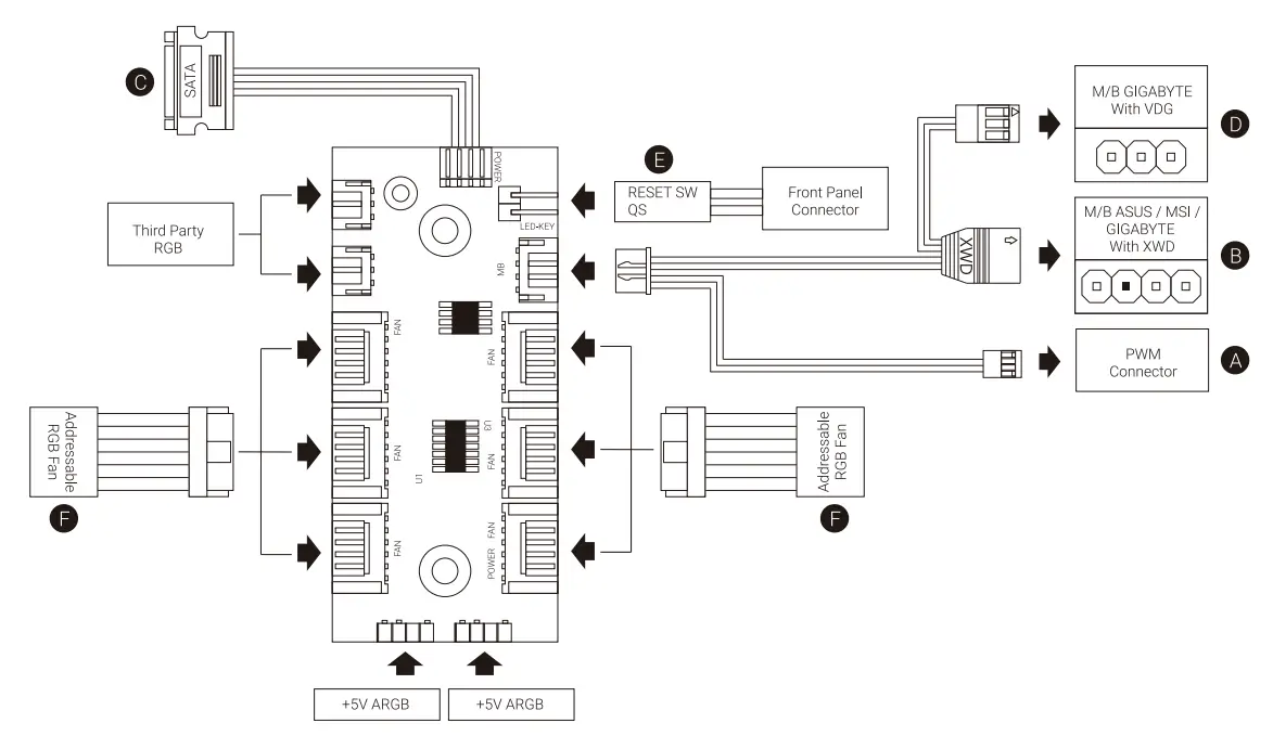
RGB Fan Hub (H66C)

Connection Set Up User Guide
For ASUS Aura Sync, MSI Mystic Light Sync, and GIGABYTE
RGB Fusion Motherboards
- Connect (A) to the motherboard’s PWM socket
- Connect (B) to the motherboard’s Addressable RGB socket
- Connect (C) to PSU’s SATA connector
For GIGABYTE RGB Fusion Motherboards
- Connect (A) to the motherboard’s PWM socket
- Connect (D) to the motherboard’s Addressable RGB socket
- Connect (C) to PSU’s SATA connector
For Non-Addressable RGB Motherboards
- Connect (A) to the motherboard’s PWM socket
- Connect the 2-Pin reset switch connector (E) with your hub.
- Connect (C) to PSU’s SATA connector
- Use the RGB fan connectors (F) to connect the Addressable RGB fans with your hub.





















