COMMAND ACCESS ML90-M Series Electric Pullback Latch Passage Mortise Leverset

Includes

- A. 1- ML9X-m Series
- B. 1- 50009 BR12
- C. 1 – 50507 Institutional spindle*
SPECIFICATIONS
- Input Voltage: 11-30VDC
- AVERAGE CURRENT PEAK: 100 mA
- Average holding current: 10 ma
- Wire gauge: Minimum 28 gauge
Optional built-in SWITCHES SPDT RATED .5A @24V
- REX
- green= Common (C)
- Blue = normally open (NO)
- grey = normally closed (NC)
- LBM
- green/BLACK= Common (C)
- Blue/BLACK = normally open (NO)
- grey/BLACK = normally closed (NC)
- DPS
- WHITE= Common (C)
- Blue = normally open (NO)
- BLACK = normally closed (NC)
Recommended Power Supplies:
All Command Access products have been thoroughly cycle tested with Command Access power supplies at our factory. If you plan on using a non-Command power supply it must be a filtered & regulated linear power supply.
Installation Instructions
- The door must be machined with a 3/8” wire raceway, mortise lock pocket & prepped for a energy transfer hinge. Make sure the mortise pocket is free of debris.

- Run the wires from the ETH hinge through the 3/8” raceway starting at the ETH hinge & exiting into the mortise pocket.

- Screw the ETH hinge to the door. At this time DO NOT connect the hinge wires on the jamb side to the wires coming from the power supply.

- Connect the wires exiting the mortise pocket to the Bridge Rectifier (included).

- Connect the Bridge Rectifier to the plug exiting the mortise chassis.

- Carefully slip the connected mortise lock chassis into the mortise pocket paying close attention not to pinch any wires.

- Mount the chassis per manufacturer’s instructions.
- Connect the wires from the power supply at the ETH hinge on the jamb side. Connect the hinge to the jamb.

CHANGE Function Fail Safe or Fail Secure for ALL ML9X-M Locks
- EU-Fail Secure: (Electrically Unlocked) Outside lever locked without power.
- EL-Fail Safe: (Electrically Locked) Outside lever unlocked without power.

- Remove (2) Phillips head screws securing the faceplate/armor front.
- Locate the EU/EL Switch in the deadbolt cavity & position it in the desired function.
- Power is NOT required to change function.
- Lock will change to desired function next time power is presented.
- Present power through the access control system.
- Press & hold momentary power button until you hear motor spin(roughly 5 seconds).
- Test lock for desired function.
- Re-install (2) Phillips head screws to secure the faceplate/armor front with.
HOW TO CHANGE HANDING
- Locate the handing screw. This screw is used to hand the handles. The Locking side is opposite the screw.
- To hand the latchbolt, remove the faceplate. Pull the latchbolt out of the chassis and rotate, then release. The latchbolt is spring loaded and will return on it’s own.

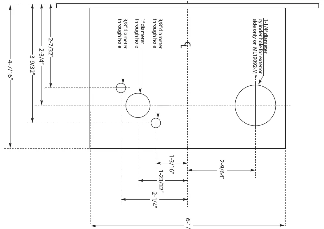
Template for ML9X-M Series Mortise Locks

Note: Cylinder hole will be on both interior and exterior for ML19095-M (Institutional).
US customer support 1-888-62-2377 | www.commandaccess.com | CANADA customer support 1-855-823-3002



























