Item Number: A04711
Installation Guide
A04711 Ceiling Light
WARNING (To reduce the risk of fire, electric shock, or personal injury):
- We suggest installation by a licensed electrician.
- Please read the instruction carefully and save it as you may need it at a later time.
- Before you start, NEVER attempt any work without shutting off the electricity until the work is done.
» Go to the main fuse, or circuit breaker, box in your home.
Place the main power switch in the “OFF” position.
» Place the wall switch in the “OFF” position. - Mounting surface should be clean, dry, flat, strong enough and 1/4” larger than the canopy on all sides.
Any gaps between the mounting surface and canopy exceeding 3/16” should be corrected as required. - Make sure that the ceiling or wall can stand the weight of the lamp before installation.
- Make sure the voltage you are using is 120V. The maximum wattage is 40W per bulb.
- Keep the lamp away from acidic and alkaline substances in case of damaging the surface of the lamp.
- When replacing bulbs, you should turn off or unplug the lamp and you must wait until it is cool as bulbs get hot quickly.
- The safety instructions appearing in this manual are not meant to cover all possible conditions that may occur. It must be understood that common sense, caution and care must be used with any electrical products.
IMAGE FOR FINISHED PRODUCT:
TOOLS REQUIRED (NOT INCLUDED):
Before starting assembly and installation please prepare the needed tools as below picture
![]() | ![]() | ![]() | ![]() | ![]() |
| Ladder | Phillips head.flat blade screwdriver | Electrical tape | Pliers | Wire cutter/Stripper |
OUTLE TBOX
PARTS TYPE & QTY INCLUDING:
(B) Mounting plate (1)
(C) Green ground screw (1)
(E) Canopy (1)
(F) Swivel joint (2)
(G) Knob nut (2)
(H) Socket (3)
(I) Glass shade (3)
(J) Pull switch (1)
(K) Socket ring (3)
ACCESSORIES & QTY ENCLOSED:
(A) Plastic wire connector (3)
(D) Mounting screw (2)
ASSEMBLY & INSTALLATION INSTRUCTIONS:
- Carefully remove the fixture from the carton and check that all parts and accessories are included as shown in the above illustration.
- » Unscrew knob nuts (G) from canopy (E), then gently remove mounting plate (B) from canopy (E) and set them aside for later installation.
- Turn off power
Before you start the installation, NEVER attempt any work without shutting off the electricity until the work is done.
» Go to the main fuse, or circuit breaker, box in your home.
Place the main power switch in the “OFF” position.
» Place the wall switch in the “OFF” position. - » Carefully pass the supply wires through mounting plate (B).
Secure mounting plate (B) to the outlet box with mounting screws (D).
NOTE: the side of mounting plate (B) marked “GND” must face out. - » Make wire connections
Connect wires as below wires connection shown. PLEASE NOTE THAT GROUND WIRE IS BARE COPPER WIRE, NEVER CONNECT OTHER WIRES TO GROUND WIRES.
Connect ground wires according to the below chart
Connect wires according to the below chartConnect Black or Red Supply Wire to: Connect White Supply Wire to: Black White *Parallel cord ( round & smooth ) *Parallel cord ( square & ridged ) Clear,Brown,Gold or Black without tracer Clear,Brown,Gold or Black with tracer Insulated wire ( other than green) with copper conductor Insulated wire ( other than green ) with silver conductor
*Note: When parallel wires ( SPT I & SPT II ) are used. The neutral wire is square shaped or ridged and the other wire will be round in shape or smooth ( see illus. )
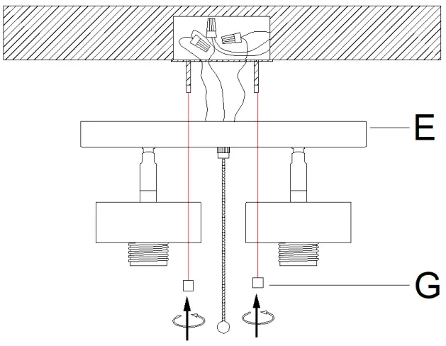
Twist wires together with plastic wire connectors until tightly joined, and wrap each connector with approved electrical tape. Be sure that no wire strands are exposed and then carefully tuck all wires into the outlet box. - » Raise canopy (E) over the outlet box. Align canopy (E) with the preassembled mounting screws, then secure canopy (E) with the previously removed knob nuts (G) till snug.
CEILING
Note: canopy (E) should be snug against the ceiling and knob nuts (G).
If not, adjust the threaded length on mounting plate assembly (B):
• First, unscrew the preassembled hex nuts
• Then, screw the preassembled screws in or out of mounting plate (B)
• When the secure length is achieved, tighten the hex nuts and back to step 6. - » 1) Unscrew socket rings (K) from sockets (H), and carefully place glass shades (I) on sockets (H), then secure them with socket rings (K).
2) Install bulbs (not included) (Please do not exceed the maximum wattage recommended on the socket.)
- Check everything is already installed properly, then you could turn on the light. Enjoy!
ORDERING PARTS
Keep this sheet for future reference in case you need to order replacement parts. All parts for this fixture can be ordered from the place of purchase. Be sure to use exact wording from illustration when ordering parts.
CLEANING
To clean, wipe the fixture with a soft cloth. Clean glass with a mild cleaner (such as mild and nonabrasive soap). Do not use abrasive materials such as scouring pads or powders, steel wool or abrasive paper.
www.ihomeangel.com
+1 850 296 2377 Working hours : Mon Fri 9:00 a.m. 16:00 p.m. EST
[email protected]





NOTE: the side of mounting plate (B) marked “GND” must face out.
Connect wires according to the below chart
*Note: When parallel wires ( SPT I & SPT II ) are used. The neutral wire is square shaped or ridged and the other wire will be round in shape or smooth ( see illus. )
Note: canopy (E) should be snug against the ceiling and knob nuts (G).

















