COMMAND ACCESS TECHNOLOGIES MLRK1-CAL Motorized Latch Retraction Kit

The Command Access MLRK1 is a field installable motorized latch-retraction kit for MRLK1-CAL – Cal Royal 9800/2200 series devices
Kit Includes

- A. 1- Motor Mount
- B. 1- 50944 – Molex Pigtail
- C. 1- 50030 – 6’ Lead w/ VD Connector
- D. 1- 10017 5/64″ Allen wrench
- E. 2- 40064 – Phillips Screws
- F. 2- 40060 – cable tie
- G. 2- 40059 – mounting pad
- H. 1- 60368/51186 – remote mm4s module
- I. 1 – 50741 – remote module cable
installation video

SPECIFICATIONS
- Input Voltage: 24VDC +/- 10%
- AVERAGE low Torque LATCH RETRACTION CURRENT: 900 mA
- Average high torque latch retraction current: 2A
- Average holding current: 215 ma
- Wire gauge: Minimum 18 gauge
- Direct wire run: no relays or access control units in-between power supply & module
Recommended Power Supplies
Use a power limited class 2 power supply
All Command Access exit devices & field installable kits have been thoroughly cycle tested with Command Access power supplies at our factory. If you plan on using a non-Command power supply it must be a filtered & regulated linear power supply.
Technical Information

Important Info
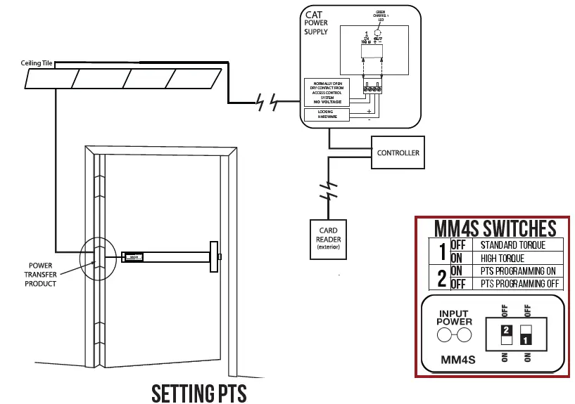
Make sure to set PTS before finishing installation.
Step 1: Select your preferred torque mode (ships in standard torque) Press the device push pad to the desired setting. (Recommend to fully depress and release 5%, giving the device room for changing door conditions.)
Step 2: While depressing the push pad, apply power. (i.e. presenting the credential to the reader).
Step 3: Continue to keep pad depressed, the device will beep 6 times. After the beeps have stopped, release the pad and now the adjustment is complete. If not to your liking repeat the 3 steps.
Step 4: Once you found the correct location, turn PTS switch to OFF position.
Troubleshooting & Diagnostics
| Beeps | Explanation | Solution |
| 2 Beeps | Over Voltage | > 30V unit will shut down. Check voltage & adjust to 24 V. |
| 3 Beeps | Under Voltage | < 20V unit will shut down. Check voltage & adjust to 24 V. |
| 4 Beeps | Failed Sensor | Verify all 3 sensor wires are installed correctly. Replace sensor if problem persists by contacting office. |
|
5 Beeps |
Retraction or dogging failure | After 1st fail: 5 beeps then immediately attempts to retract again. After 2nd fail: 5 beeps with pause in-between for 30 seconds then device attempts to retract again. After 3rd fail: 5 beeps every 7 minutes, device will not attempt to retract. To Reset: Depress bar for 5 seconds at any time. |
| 6 Beeps | PUSH TO SET | Device is recording it’s new position and power mode after the 6th beep. |
Installation Instructions

- Flip over device & remove (4) screws securing push pad assembly to housing.
- Slide Push Pad off Exit Device Housing.

- Locate the FRONT Activating Bracket. Remove original mounting bracket by pushing out PIN.
- Install Point of Front Activating bracket into opening of motor’s attaching bracket. It should rest on top of the nylon roller.

- Once the point is in the opening, depress the push pad until the holes on the activating bracket & motor mount line up. Re-install factory pin.
- Connect MM4S Cable to back of motor’s (3) Pin & (4) Pin connectors.

- Slide Push Pad & Motor Kit back into housing. Be cautious of MM4S cable wires.
- Flip Baserail/Pushpad over, holding motor kit in place so it stays attached. Secure Motor Kit with (2) M4 Screw provided.

- Plug-in cable’s (4) Pin TOP port & (3) Pin BOTTOM port into MM4S ports.
- Using double sided tape, secure MM4S to inside of the back of exit device housing. Connect Molex Pigtail. Add Mounting Pad & cable tie to secure cable wires.

- Set the “Push to Set Adjustment” following the steps below.
Setting PUSH TO SET (PTS)

Step 1: Select your preferred torque mode (ships in standard torque) Press the device push pad to the desired setting. (Recommend to fully depress and release 5%, giving the device room for changing door conditions.)
Step 2: While depressing the push pad, apply power. (i.e. presenting the credential to the reader).
Step 3: Continue to keep pad depressed, the device will beep 6 times. After the beeps have stopped, release the pad and now the adjustment is complete. If not to your liking repeat the 3 steps.
Step 4: Once you found the correct location, turn PTS switch to OFF position.
U.S. Customer Support
- 1-888-622-2377
- Visit our website for more details: www.commandaccess.com
- Canada Customer Support: 1-855-823-3002
























