COMMAND ACCESS TECHNOLOGIES MLRK1-MRK Electronic Motor Driven Latch Retraction Pullback

INSERT INSTRUCTIONS
The Command Access MLRK1 is a field installable motorized latch-retraction kit for:
- LRK1-MRK – Marks M9900 series devices
- MLRK1-DH – Design Hardware 1000 series device
Kit Includes

- A. (1) 60412 – MLRK1-MRK
- B. (1) 51023 – Connecting Bracket
- C. (1) 51048 – Connecting pin
- D. (3) 40067 – E-CLip
- E. (2) 40929 – M4 Phillips Flat Head Screw
- F. (1) 40442 – Position set screw
- G. (1) 50030 – 8’ Lead w/ VD Connector
- H. (1) 50944 – MOLex pigtail
SPECIFICATIONS
- Input Voltage: 24VDC +/- 10%
- AVERAGE low Torque LATCH RETRACTION CURRENT: 900 mA
- Average high torque latch retraction current: 2A
- Average holding current: 215 ma
- Wire gauge: Minimum 18 gauge
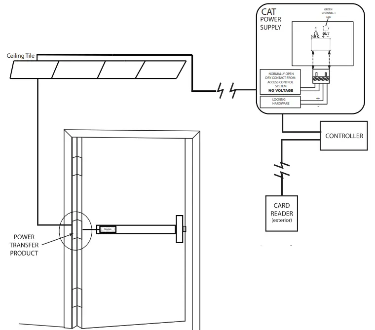
- Direct wire run – no relays or access control units in-between power supply & module

Recommended Power Supplies: Use a power limited class 2 power supply All Command Access exit devices & field installable kits have been thoroughly cycle tested with Command Access power supplies at our factory. If you plan on using a non-Command power supply it must be a filtered & regulated linear power supply.
Optional built-in rex
- SPDT – Rated .5a @24V
- green= Common (C)
- Blue = normally open (NO)
- grey = normally closed (NC)
Technical Information

Setting PUSH TO SET (PTS)
Make sure to set PTS before finishing installation
- Step 1- Select your preferred torque mode (ships in standard torque) Press the device push pad to the desired setting. (Recommend to fully depress and release 5%, giving the device room for changing door conditions.)
- Step 2- While depressing the push pad, apply power. (i.e. presenting the credential to the reader).
- Step 3- Continue to keep pad depressed, the device will beep 6 times. After the beeps have stopped, release the pad and now the adjustment is complete. If not to your liking repeat the 3 steps.
- Step 4- Once you found the correct location, turn PTS switch to OFF position.

Troubleshooting & Diagnostics
| Beeps | Explanation | Solution |
| 2 Beeps | Over Voltage | > 30V unit will shut down. Check voltage & adjust to 24 V. |
| 3 Beeps | Under Voltage | < 20V unit will shut down. Check voltage & adjust to 24 V. |
| 4 Beeps | Failed Sensor | Verify all 3 sensor wires are installed correctly. Replace sensor if problem persists by contacting office. |
|
5 Beeps |
Retraction or dogging failure | After 1st fail: 5 beeps then immediately attempts to retract again. After 2nd fail: 5 beeps with pause in-between for 30 seconds then device attempts to retract again. After 3rd fail: 5 beeps every 7 minutes, device will not attempt to retract. To Reset: Depress bar for 5 seconds at any time. |
| 6 Beeps | PUSH TO SET | Device is recording it’s new position and power mode after the 6th beep. |
Installation Instructions

- Slide off push pad assembly from exit device.

- Line up Mounting Holes on Motor Kit with screw holes on Spacer/Base Rail. Install screw (E) into hole #1 from top of baseball.

- Turn full assembly to the side & install (E) Screw from underneath into hole #2 to secure motor kit to Base Rail.

- Slide the (B) Connecting Bracket over the Dogging post at the end of the push pad. Next, move Attaching Arms on motor kit up to line up with holes on B Bracket.

- Once Attaching Arms are lined up insert (C) PIN to connect to (B) bracket.

- Install the (D) E-CLIP over the end of the link pin to secure.

- Re-install Base Rail into Housing.

- On the Baserail, locate and secure the (F) Position Set Screw.

- Set the “Push to Set Adjustment” following the steps on page 2.

- Step 1- Select your preferred torque mode (ships in standard torque) Press the device push pad to the desired setting. (Recommend to fully depress and release 5%, giving the device room for changing door conditions.)
- Step 2- While depressing the push pad, apply power. (i.e. presenting the credential to the reader).
- Step 3- Continue to keep pad depressed, the device will beep 6 times. After the beeps have stopped, release the pad and now the adjustment is complete. If not to your liking repeat the 3 steps.
- Step 4- Once you found the correct location, turn PTS switch to OFF position.
U.S. Customer Support
1-888-622-2377
Visit our website for more details
www.commandaccess.com
Canada Customer Support
1-855-823-3002



























