ABH MANUFACTURING 6000 SERIES Push Pull Hospital Latch

6000 SERIES INSTALLATION
NOTES
- TRIM CAN BE MOUNTED UP, DOWN, HORIZONTALLY OR VERTICALLY.
- USES STANDARD 161 DOOR PREP. 3. VISION LITE MUST BE AT LEAST 6″ FROM CENTERLINE OF TRIM.
ITEM QTY PART DESCRIPTION 1 2 COVER 2 6 8-32 x 3/8″ FHMS 3 4 12-24 x 2-3/8″ TRUSS HD. M.S. 4 1 PUSH SIDE HANDLE ASSEMBLY 5 2 #8 x 3/4″ FHWS 6 1 LATCH 7 4 12-24 NUT W/ NYLON WASHER 8 1 PULL SIDE HANDLE ASSEMBLY 9 REF SPRING 10 REF PIN & COTTER PIN 
INSTALLATION INSTRUCTIONS
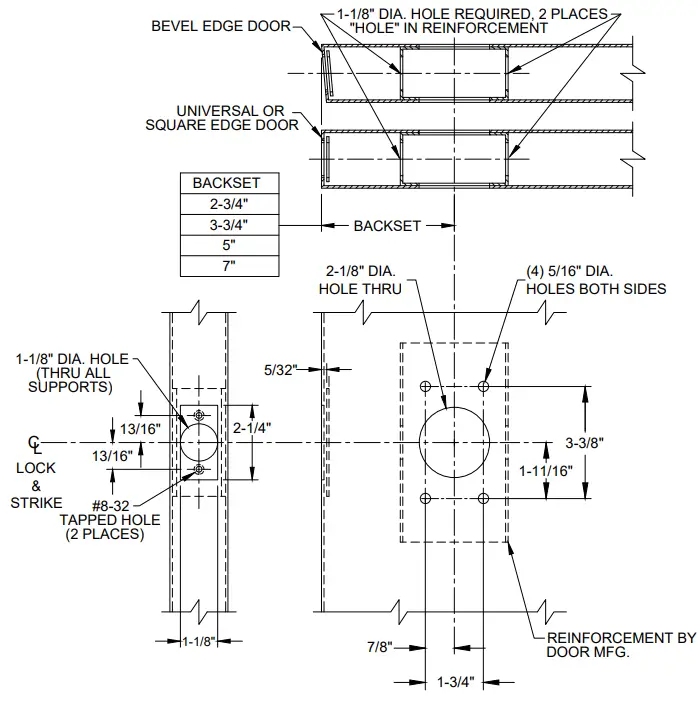
- Prep door according to latch backset and determine if trim is to be mounted horizontal or vertical mounting using backset template.
- Install latch using either wood (item 5) or machine screws (item 2) depending on door type.
- Install trim:
A) Test both handle assemblies to determine which is the push or pull type.
B) Select the pull handle assembly (item 8) first.
C) Place pull handle on pull side of the door and slide cam shaft into latch cam. Then place the push side handle assembly (item 4) on the push side of the door. Slide push side cam shaft into latch cam. By hand, fasten both trim handles with (4) 12-24 machine screws (item 3) and (4) 12-24 hex nuts (item 7). Test both handles for free movement of the latch bolt before tightening all screws. If latch bolt does not extend or retract freely because of any type of binding, loosen mounting screws to adjust alignment of trim handles and re-tighten screws one at a time while checking latch bolt movement from both handles.
D) Test for proper operation and check that the mounting hardware (item 3) & (item 7) is tight before proceeding with the next step.
E) Place covers (item 1) over push and pull trims and secure with (2) 8-32 flat head screws (item 2) on each cover.
PATENT No. 6,196,599 www.abhmfg.com E-mail: [email protected]
ArchtiecturalBudliersHardwareMfg.,Inc.
1222ArdmoreAveatI,.scaLI,60143 6308.759.900F;AX8009.FAXABH(9329.224)
c 2022ABHMnIgcf,. pneirtndUi SA
6000 SERIES PUSH/PULL LATCH – DOOR PREP

WOOD DOOR
VERTICAL MOUNTING SHOWN
SEE BELOW FOR HORIZONTAL MOUNTING)
DOOR LATCH PROVISIONS
WOOD DOOR
(VERTICAL MOUNTING SHOWN
SEE BELOW FOR HORIZONTAL MOUNTING)

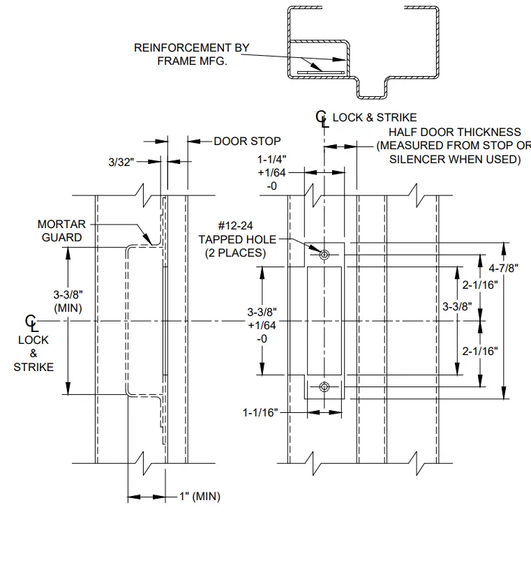
6000 SERIES PUSH/PULL LATCH – FRAME PREP

METAL FRAME
(ASA STRIKE SHOWN FOR EXAMPLE)

WOOD FRAME
(“T” STRIKE SHOWN FOR EXAMPLE)
FRAME PREP:
- Mark centerline of latch bolt on frame
- Center strike and mark screw positions.
- Mortise to required strike and box depth.
- All dimensions in inches.

![]() | www.abhmfg.com |






















