LR6000
PAGE 1 OF 3
REVISED 03-02-22
LR6000 Hospital Latch Architectural Builders Hardware
LR6000 INSTALLATION
NOTES
- TRIM CAN BE MOUNTED UP, DOWN, HORIZONTALLY, OR VERTICALLY.
- VISION LITE MUST BE AT LEAST 6″ FROM THE CENTERLINE OF THE TRIM.**
| PARTS LIST | ||
| ITEM | QTY | DESCRIPTION |
| 1 | 1 | LATCH |
| 2 | 2 | #8 X 3/4″FHWS OR 8-32 X 318″FHMS UC |
| 3 | 2 | BASE ASSEMBLY |
| 4 | 4 | 12-24 X 2-1/2″ PTHMS |
| 5 | 4 | 12-24 HEX NUT |
| 6 | 1 | HANDLE ASSEMBLY, PULL |
| 7 | 1 | HANDLE ASSEMBLY, PUSH |
| 8 | 4 | 6-32 X 3/8″ SHCS |
| 9 | 2 | STOP PIN |
| 10 | 2 | COVER |
| 11 | 4 | 8-32 X 3m. OVAL HEAD M.S. |
| 12 | 2 | COTTER PIN |
| 13 | 1 | 7/64″ ALLEN KEY |

INSTALLATION INSTRUCTIONS:
- Prep door according to LR6000 Series latch template
- Install the latch using either #8 wood screws or 8-32 machine screws (Item 2).
- Check (1) base assembly (Item 3) to ensure the cam is in the position shown in Detail A (See above) Place the base assembly on the push side of the door by inserting the camshaft into the latch cam as detailed above.
- Check the other base assembly (Item 3) and ensure the cam is in the position shown in Detail A (See above). Place the base assembly on the pull side of the door by engaging the shaft into the latch cam as detailed above. Fasten both base assemblies together with (4) 12-24 screws (Item 4) and (4) 12-24 hex nuts (Item 5). Test that cams rotate freely on both sides of the door after tightening the screws.
- Install the push handle assembly (Item 7) to the base assembly installed on the push side of the door using (2) socket head cap screws (Item 8). Insert (1) stop pin (Item 9) through the push base assembly on the same side of the direction the push handle is pointing. Test the push handle for proper operation to be sure the stop pin was installed in the appropriate base assembly hole.
- Repeat Step #5 on the pull side of the door for the pull handle assembly (Item 6). Insert (1) stop pin (Item 9) through the pull base assembly on the opposite side of the direction the pull handle assembly is pointing. Test the pull handle for proper operation to be sure the stop pin was installed in the appropriate base assembly hole.
- Place covers (Item 10) over handles and fastens each cover with (2) 8-32 screws (Item 11).
PATENT PENDING
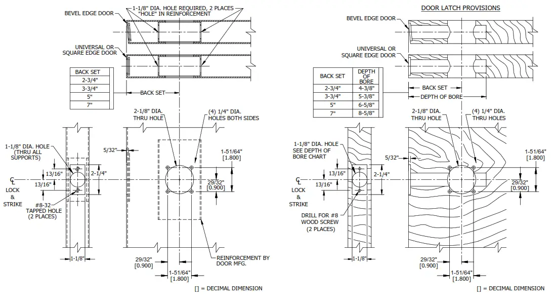
LR6000 PUSH/PULL LATCH – DOOR PREP

METAL DOOR
DOOR PREP INFORMATION:
- BACKSET DIMENSION FROM LOW EDGE OF BEVEL.
- CENTER PUNCH ALL HOLES.
- DRILL HOLES (FOR HOLLOW METAL DOORS, DO NOT DRILL THRU. CENTER PUNCH & DRILL HOLES FROM BOTH SIDES OF THE DOOR).

WOOD DOOR

LR6000 PUSH/PULL LATCH – FRAME PREP

FRAME PREP
- Mark the centerline of the latch bolt on the frame.
- Center strike and mark screw positions.
- Mortise to required strike and box depth.
- All dimensions are in inches.

www.abhmfg.com
E-mail: [email protected]
Architectural Builders Hardware Mfg., Inc.
1222 Ardmore Ave, Itasca, IL 60143
630 875 9900; FAX 800 9FAXABH (932 9224)
2022 ABH Mfg., Inc. printed in the USA


















