lindab
dampers and measure units
DAU Constant or Variable Flow Damper
Instruction Manual
Constant-/variable flow damper DAU
DAU Constant or Variable Flow Damper
Description
Constant flow damper with manual setting of one flow DAU is a constant flow damper, which facilitates balancing of ventilation systems and gives correct flow from the start. The unit compensates e.g. connection and disconnection of system parts, clogging of filters and ducts, thermal lift forces, wind effects, window opening etc.
Ø 80–315 fullfills pressure class A in closed position.
Fulfils tightness class C.
There is a separate assembly, measuring, balancing and maintenance instruction for this product.
Technical data
Flow setting
The flow is set by loosing the center nut and via the knob turning the scale arrow so it points at the wanted flow on the scale. Then the center nut is tightened.
Ordering example
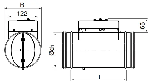
Dimensions

| Ød1 nom | l [mm] | B [mm] | m [kg] | Tightness class across closed blade |
| 80 | 246 | 122 | 1,35 | 0 |
| 100 | 246 | 122 | 1,40 | 0 |
| 125 | 246 | 135 | 1,65 | 0 |
| 160 | 246 | 170 | 1,85 | 0 |
| 200 | 246 | 210 | 2,26 | 0 |
| 250 | 284 | 260 | 3,35 | 0 |
| 315 | 334 | 325 | 4,75 | 0 |
DAU is available with a 45 mm external insulation and an outer sheet metal shell for lower sound radiation to the surroundings. It is then called DALU. 
| Ød1 nom | l [mm] | B [mm] | m [kg] | Tightness class across closed blade |
| 80 | 246 | 170 | 2,35 | 0 |
| 100 | 246 | 190 | 2,50 | 0 |
| 125 | 246 | 215 | 2,90 | 0 |
| 160 | 246 | 250 | 3,45 | 0 |
| 200 | 246 | 290 | 4,06 | 0 |
| 250 | 284 | 340 | 6,05 | 0 |
| 315 | 334 | 405 | 8,60 | 0 |
Constant-/variable flow damper
Summary
- DAU – manual single flow unit
- DA2EU – motorized twin flow unit
- DAVU – motorized variable flow unit
- Diameters Ø 80–315
- Flow range 15–830 l/s (54–2988 m³/h)
- Pressure range 50–1000 Pa (over the unit)
- Independent of mounting direction
- Handles 50 mm duct insulation
Function
The constant flow damper is an automatic damper, which at varying pressures wholly mechanical and independent of external energy sources maintains a set flow constant. The force, needed for regulation, is taken from the passing air stream. The air stream across the blade attempts to close it and generates a closing torque. This is balanced by an opposed opening force from a spring. The greater the pressure across the blade the more it closes. A bellow eliminates oscillations, which could occur at unfavourable conditions of operation.
Types
The following types exists:
- DAU – one flow unit – with knob and arrow for manual setting of one flow.
- DA2EU – two flows unit – with electric motor for switching between two flows.
- DAVU – variable flow unit – with electric motor for continuous setting of one flow.
Material
Housing and damper blade are of galvanized sheet metal and shaft is of stainless steel.
Temperature
Working range: +5 to +70 °C.
Insulation
The units can handle 50 mm duct insulation without the scale or the motor being hidden.
DAU is available with an 45 mm external insulation and an outer sheet metal shell for lower sound radiation to the surroundings. Is then called DALU.
Regulating accuracy
The units are calibrated from factory within their whole working range. In this the units keep the flow constant within approximately ±5 to ±10% of the set flow. Greater deviations occur at the lower flows, aspecially for small sizes.
Flow setting
The units can not be delivered from factory with a preset flow. You can set the flow yourself very easy following to the instruction for each product.
DAU, DA2EU, DAVU
Disturbance tolerance
In order to achieve the stated accuracy for the pre-set flow a straight distance of at least 3×d before and at least 1,5×d after the units are required. A mounting close to a source of disturbance (bend, saddle etc.) decreases the regulation accuracy and the flow may deverge from the set value.
Change of direction
The units are independent of their mounting direction and one may deviate from the specified direction and mount them in any direction without affecting the accuracy.
Combinations
The units can be mounted together with e.g. a motorized shut off damper DTBU, see page . Constant flow damper combined with shut off damper can with advantage be used in groups at installations where you want:
• two flows, that lies too far away from each other for a two flow unit to handle
or
• more than two flows
Presume: Basic flow = 80 l/s
Forced flow 1 = 100 l/s
Forced flow 2 = 150 l/s
Four flows will then be posssible: 80, 180, 230 and 330 l/s.
Technical data
Pressure and flow ranges and sound to duct
The graphs show A-weighted sound power level, LWA [dB], to duct. These curvs are intended for brief comparision. For more accurate calculation, please use the tables.
Example
Given: Diameter 125 mm
Flow 70 l/s
Pressure drop 200 Pa
The graph gives: A-weighted sound power level approx. 57 dB
The table gives: Sound power level as below
| Centre fre- quency [Hz] | 63 | 125 | 250 | 500 | 1 k | 2 k | 4 k | 8 k |
| Sound power level [dB] | 52 | 52 | 49 | 49 | 49 | 51 | 51 | 46 |


The grey area in the graph shows the minimum pressure drop needed for the product to start working. Even if the damper blade is fully open you get this pressure drop measured over the product.
Pressure and flow ranges and sound to duct
![]() | ![]() |
![]() | ![]() |
The grey area in the graph shows the minimum pressure drop needed for the product to start working. Even if the damper blade is fully open you get this pressure drop measured over the product.
Sound to duct
Sound power level, LW [dB], to duct in octave bands 1–8, 63–8000 Hz, as function of diameter, pressure drop and flow.
Pressure and flow ranges and sound to the surroundings
The graphs show A-weighted sound power level, LWA [dB], to the surroundings.
Example:
Given: Diameter 125 mm Flow 70 l/s
Pressure drop 200 Pa
The graph gives: A-weighted sound power level approx. 40 dB
The A-weighted sound pressure level in the mittle of the room becomes approx. 8 dB lower than these graph values.
With insulation shell around the unit (the DALU unit) the Aweighted sound pressure level in the mittle of the room becomes appox. 26 dB lower than the graph values on condition that also the connected ducts are attenuated (insulated) to the same extent.
Still lower sound pressure level can be achieved with additional constructional sound attension measures (false ceiling, high room attenuation).
![]() | ![]() |
The grey area in the graph shows the minimum pressure drop needed for the product to start working. Even if the damper blade is fully open you get this pressure drop measured over the product.
Pressure and flow ranges and sound to the surroundings
![]() | ![]() |
![]() | ![]() |
The grey area in the graph shows the minimum pressure drop needed for the product to start working. Even if the damper blade is fully open you get this pressure drop measured over the product. Lindab reserves the right to make changes without prior notice




























