Small Series/PM Motor
Controller User’s Manual
KDS24050E Small Series PM Motor Controller
Devices Supported:
KDS24050E / KDS24100E / KDS24200E / KDS48050E / KDS48100E / KDS48200E / KDS72050E / KDS72100E / KDS72200E
Chapter 1 Introduction
1.1 Overview
This manual introduces the Kelly motor controllers‟ features, their installation and their maintenance. Read the manual carefully and thoroughly before using the controller. If you have any questions, please contact the support center of Kelly Controls.
Kelly‟s small series/PM motor controllers provide efficient, smooth and quiet controls for electric tricycles, electric motorcycles, pump motor, and industrial motor speed control. It uses high power MOSFET, synchronous rectification, and fast PWM to achieve high efficiency.
Chapter 2 Main Features and Specifications
2.1 General functions
- Extended fault detection and protection. The LED flashing pattern indicates the fault sources.
- Monitoring battery voltage. Stop driving if the battery voltage is too high or too low.
- Built-in current loop and over current protection.
- Current cutback at low temperature and high temperature to protect battery and controller.
The current begins to ramp down at 90ﹾC, shutting down at 100ﹾC. - 0-5V throttle input.
2.2 Features
- Provision of a +5 volt output to supply various kinds of sensors, including Hall effect type.
- High current metal bar
- Small size
- Easy to use
- Used with PM or series motor
- Low cost
- Super high efficiency “E” model available
- Intelligence with powerful microprocessor.
- Synchronous rectification, ultra low drop, and fast PWM to achieve very high efficiency.
- Voltage monitoring on voltage source 12V and 5V.
- Current control loop.
- Hardware over current protection.
- Support torque mode operation.
- Low EMC.
- Battery protection: current cutback, warning and shutdown at configurable high and low battery voltage.
- Rugged aluminum housing for maximum heat dissipation and harsh environment.
- Rugged high current terminals, and rugged aviation connectors for small signal.
- Thermal protection: current cut back, warning and shutdown at high temperature.
- Configurable high pedal protection: the controller will not work if high throttle is detected at power on.
2.3 Specifications
- Main Contactor Coil Drive, 2A.
- 5V Supply Output, 30mA.
- Frequency of Operation: 16.6kHz.
- Standby Current: less than 3mA.
- Standard Throttle Input: 0-5 Volts(3-wire resistive pot), 1-4 Volts(hall active throttle).
- Full Power Operating Temperature Range: 0ﹾC to 50ﹾC (controller case temperature).
- Operating Temperature Range: -30ﹾC to 90ﹾC, 100ﹾC shutdown (controller case temperature).
2.4 Models
The naming regulations of the motor controller model: 
| Kelly Small DC Motor Controller | ||||
| Model | 1 minute Current(Amp) | Continuous Current(Amp) | Nominal Voltage(Volt) | Max Operating Voltage(Volt) |
| KDS24050E | 50 | 30 | 12-24 | 30 |
| KDS24100E | 100 | 60 | 12-24 | 30 |
| KDS24200E | 200 | 120 | 12-24 | 30 |
| KDS48050E | 50 | 30 | 24-48 | 60 |
| KDS48100E | 100 | 60 | 24-48 | 60 |
| KDS48200E | 200 | 120 | 24-48 | 60 |
| KDS72050E | 50 | 30 | 24-72 | 86 |
| KDS72100E | 100 | 60 | 24-72 | 86 |
| KDS72200E | 200 | 120 | 24-72 | 86 |
Chapter3 Wiring and Installation
3.1 Mounting the Controller
The controller can be oriented in any position which should be as clean and dry as possible, and if necessary, shielded with a cover to protect it from water and contaminants.
To ensure full rated output power, the controller should be fastened to a clean, flat metal surface with four screws. A thermal joint compound can be used to improve heat conduction from the case to the mounting surface. The case outline and mounting holes‟ dimensions are shown in Figure 1.
Caution:
- RUNAWAYS — Some conditions could cause the motor to run out of control.
Disconnect the motor, or jack up the vehicle, and get the drive wheels off the ground before attempting any work on the motor control circuitry. - HIGH CURRENT ARCS — Electric vehicle batteries can supply very high power, and arcs can occur if they are short circuit. Always turn off the battery circuit before working on the motor control circuit. Wear safety glasses, and use properly insulated tools to prevent short circuit.

Height: 41mm
Figure 1: mounting holes‟ dimensions (dimensions in millimeters)
3.2 Connections
3.2.1 Front Panel of Serial or PM Motor Controller:
3 metal bars are provided for connecting to the battery and motor in the front of the controller shown as Figure 2. 
Figure 2: Front panel of Serial or PM Motor Controller
M: output to armature negative
B+: battery positive and armature positive
B-: battery negative
Caution:
- Do not apply power until you are certain the controller wiring is correct and has been double checked. Wiring faults will damage the controller.
- Ensure that the B- wiring is securely and properly connected before applying power.
- The preferred connection of the system contactor or circuit breaker is in series with the B+ line.
- All contactors or circuit breakers in the B+ line must have precharge resistors across their contacts.
Lack of even one of these precharge resistors may severely damage the controller at switch-on.
3.2.2 Back Panel of Serial or PM Motor Controller:
![]() | ![]() |
| Figure 3: Back Panel and SCI Port | Figure 4: SCI Converter |
A SCI port is provided to communicate with RS232 of host computer for calibration and configuration.
Please note only a special SCI Converter provided by Kelly Controls can be used. Please use straight RS232 cable to connect with PC
Download the free configuration software from: http://www.kellycontroller.com/support.php
Caution:
- Make certain that the motor is disconnected before trying to run the Configuration Software!
- Configuration software will be regularly updated and published on the website. Please Update your Configuration Software regularly. You must uninstall the older version
before updating.

Figure 5: Definition of Controller‟s junction
(9) PWR(red): Controller power supply, usually to key switch.
(1) GND(black): LED cathode and sensor return.
(4) Contactor Coil Driver(green): It’s a low side driver. Please use PWR as the coil high side.
(2) LED(brown): To anode of LED.
(7) Throttle 5V power source(orange):0-5V throttle power input.
(6) Throttle(blue): 0-5V throttle input.
(8) GND(black): TPS return and switch ground.
(5) Micro_SW (white): Close to GND to activate. Default as throttle switch.
Notes: All of the above GND pins are internally connected.
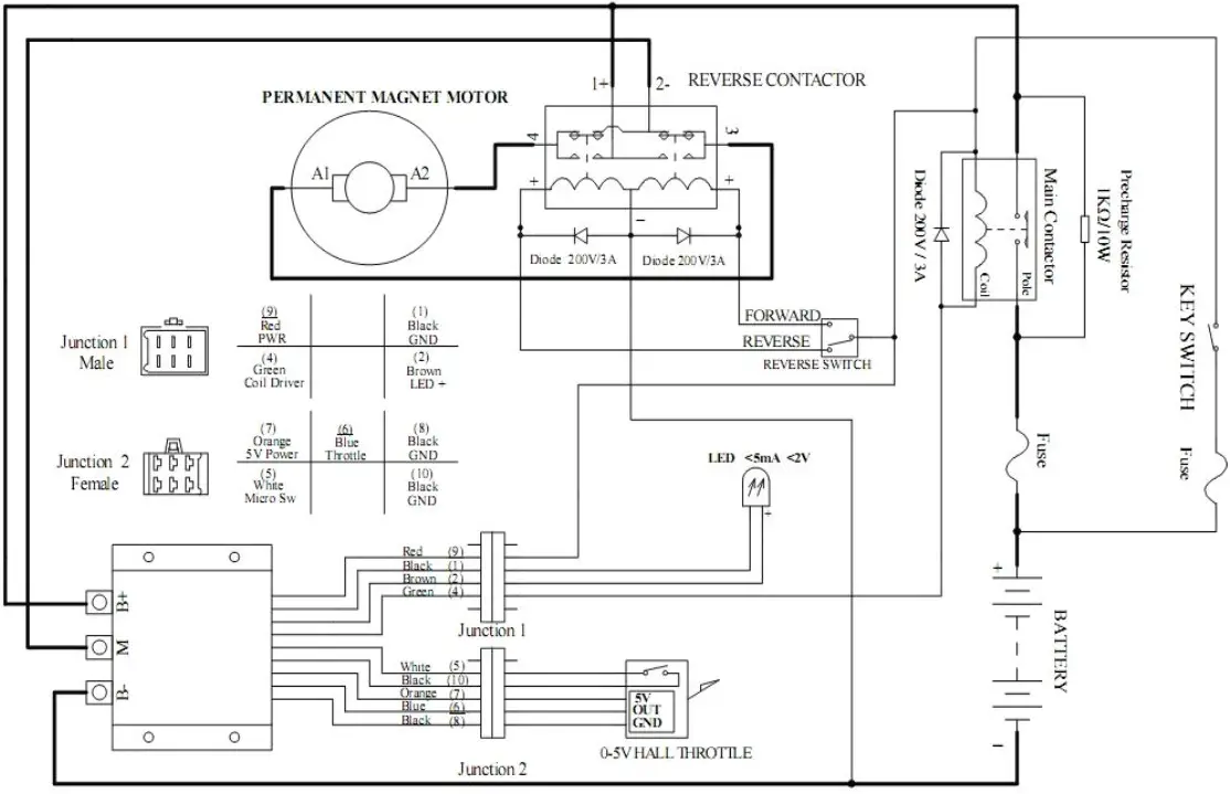
3.2.3 Standard Wiring of Series and PM Motor Controller
Figure 6: Series motor controller standard wiring
NOTE: Potentiometer can he used to output 0-5V.
Please security wire B- before any other wiring. Never put contactor or break on B-.
Figure 7: PM motor controller standard wiring
NOTE: Potentiometer can he used to output 0-5V.
Please security wire B- before any other wiring. Never put contactor or break on B-.
3.3 Installation Checkout
Before operating the motor, complete the following checkout procedures. Use LED code as a reference as listed in Table 1.
Caution:
- Put the vehicle up on blocks to get the drive wheels off the ground before beginning these tests.
- Do not allow anyone to stand directly in front of or behind the vehicle during the checkout.
- Make sure the PWR switch and the brake is off
- Use well-insulated tools.
- Make sure the wire is connected correctly.
- Turn the PWR switch on. The LED should blink, then stay on steadily when the controller operates normally. If this does not happen, check continuity of the PWR switch circuit and B-connection.
- The fault code will be detected automatically at restart.
- Close the switch and operate the throttle. The motor should spin. If it does not operate, check the voltage at controller terminals. The motor should run faster with increasing throttle.
If not, refer to Table 1 LED code, and correct the fault as determined by the fault code.
Chapter 4 Maintenance
There are no user-serviceable parts inside the controllers. Do not attempt to open the controller as this will void your warranty. However, periodic, exterior cleaning of the controller should be carried out.
The controller is a high powered device. When working with any battery powered vehicle, proper safety precautions should be taken that include, but are not limited to, proper training, wearing eye protection, avoidance of loose clothing, hair and jewelry. Always use insulated tools.
4.1 Cleaning
Although the controller requires actually no maintenance after properly installed, the following minor maintenance is recommended in certain applications.
- Remove power by disconnecting the battery, starting with battery positive.
- Discharge the capacitors in the controller by connecting a load (such as a contactor coil or a horn) across the controller‟s B+ and B- terminals.
- Remove any dirt or corrosion from the bus bar area. The controller should be wiped down with a moist rag. Make sure that the controller is dry before reconnecting the battery.
- Make sure the connections to the bus bars, if fitted, are tight. To avoid physically stressing the bus bars use two, well-insulated wrenches.
Table 1: LED CODES
| LED Code | Explanation | Solution | ||
| Off | No power or switched off | 1. Check if all wires are correct. 2. Check fuse and power supply switch. | ||
| On | Normal operating | That’s great! You got solution! | ||
| 1,2 | ¤ | ¤¤ | Over voltage error | 1. Battery voltage is too high for the controller. Check battery volts and configuration. 2. The controller will clear after 5 seconds if battery volts returns to normal. |
| 1,3 | ¤ | ¤¤¤ | Low voltage error | 1. The controller will clear after 5 seconds if battery volts returns to normal. 2. Check battery volts & recharge if required. |
| 1,4 | ¤ | ¤¤¤¤ | Temperature warning error | 1. Controller case temperature is above 90℃. 2. Current will be limited. Release or reduce throttle until controller cools down. |
| 2,1 | ¤¤ | ¤ | Throttle sensor fault | 1. Check if all wires are correct. 2. Check if the throttle type is correct. 3. Check if the voltage is above 5V when use 0-5V hall throttle. 4. Check if connects to the right panel, conforming to configured throttle type. |
| 2,2 | ¤¤ | ¤¤ | Internal volts fault | 1. Measure that B+ & PWR are correct 2. There may be excessive load on the +5V supply. 3. Controller is damaged. Contact Kelly about a warranty repair. |
| 2,3 | ¤¤ | ¤¤¤ | Over temperature error | The controller temperature has exceeded 100℃. The controller will be stopped but will restart when temperature falls below 80℃. |
| 2,4 | ¤¤ | ¤¤¤¤ | Throttle error at power-on | Throttle signal is higher than the preset „dead zone‟ at Power On. Fault clears when throttle is released. |
| 3,1 | ¤¤¤ | ¤ | Frequent reset | Fault clears after the restart. |
| 3,2 | ¤¤¤ | ¤¤ | Internal reset | May be caused by some transient fault condition like a temporary over-current, momentarily high or low battery voltage. This can happen during normal operation. |
| 3,3 | ¤¤¤ | ¤¤¤ | Hall throttle is open or short-circuit | When the throttle is repaired, a restart will clear the fault. |
| The LED flashes once at power on as a confidence check and then stays on for normal operation. “1, 2” means it flashed once and after 0.5 second pause, flashes twice. The time between two flashes is 0.25 second. The pause time between multiple flash code groups is 1 second. | ||||
Contact Us: Kelly Controls, LLC
Home Page: http://www.kellycontroller.com
E-mail: [email protected]
Phone: (01) 224 637 5092




















