Kelly KEB Brushless Motor
Controller
User’s Manual
KEB Series Ebike Brushless DC Motor Controller
Devices Supported:
| KEB48200X | KEB48201X |
| KEB48300X | KEB48301X |
| KEB48400X | KEB48401X |
| KEB48600 | KEB48601 |
| KEB72300X | KEB72301X |
| KEB72450X | KEB72451X |
| KEB72600X | KEB72601X |
| KEB72800X | KEB72801X |
| KEB72100 | KEB72101 |
| KEB72120E | KEB72121E |
| KEB84600X | KEB84601X |
| KEB84800X | KEB84801X |
| KEB84120E | KEB84121E |
Chapter 1 Introduction
1.1 Overview
This manual introduces the Kelly ebike brushless DC motor controllers‟ features, their installation and their maintenance. Read the manual carefully and thoroughly before using the controller. If you have any questions, please contact the support center of Kelly Controls, LLC. Kelly‟s programmable KEB motor controllers provide efficient, smooth and quiet controls for electric bicycles, electric motorcycles, scooters, etc. It outputs high taking off current, and strictly limit battery current. It can work with relative small battery, but provide good acceleration and hill climbing. It uses high power MOSFET‟s and, PWM to achieve efficiencies of up to 99%. In most cases, Powerful microprocessor brings in comprehensive and precise control to the controllers. It also allows users to adjust parameters, conduct tests, and obtain diagnostic information quickly and easily.
Chapter 2 Main Features and Specifications
2.1 General functions
- Extended fault detection and protection. The LED flashing pattern indicates the fault sources.
- Monitoring battery voltage. It will stop driving if the battery voltage is too high and it will progressively cut back motor drive power as battery voltage drops until it cuts out altogether at the preset “Low Battery Voltage” setting.
- Built-in current loop and over current protection.
- Configurable motor temperature protection range.
- Current cutback at low temperature and high temperature to protect battery and controller. The current begins to ramp down at 90ﹾCcase temperature, shutting down at 100ﹾC.
- The controller keeps monitoring battery recharging voltage during regenerative braking, progressively cutting back current as battery voltage rises then cutting off regen altogether when voltage goes too high.
- Maximum reverse speed is configurable to half of max forward speed.
- Configurable and programmable with a host computer though RS232 or USB. Provide free GUI which can run on Windows XP/2000, Windows 7 and Vista(recommend using Kelly standard USB to RS232 Converter).
- Provision of a +5 volt output to supply various kinds of sensors, including Hall effect type.
- 3 switch inputs which are activated by connection to Ground. Default to throttle switch, brake switch and reversing switch.
- 3 analog inputs 0-5V inputs that default to throttle input, brake input and motor temperature input.
- Configurable boost switch. Enables the maximum output power achievable if the switch is turned on.
- Configurable economy switch. Limits the maximum current to half if the switch is turned on. Boost and Economy used the same pin as J2-6(brake-AN).Needless to say, you may not use J2-6(brake-AN) as brake analog regen mode if you want to use Boost or Economy function. Boost or Economy can‟t be enabled at the same time in the user program.
- Maximum reverse power is configurable to half power.
- Enhanced regen brake function. A novel ABS technique provides powerful and smooth regen.
- Configurable 12V brake signal input, instead of motor temperature sensor.
- Optional joystick throttle. A bi-symmetrical 0-5V signal for both forwarding and reversing. If software version is 0406 or above,joystick can can be enabled or disabled in the user program now.
- Configurable motor over-temperature detection and protection with the recommended thermistor KTY84-130 or KTY83-122.
- 3 hall position sensor inputs. Open collector, pull up provided.
- Optional supply voltage 8V-30V.
- Cruise control. Can not be activated in reversing direction. If software version is 0406 or above, cruise control can be enabled or disabled in the user program now. If you hold throttle at certain position about 3-4 seconds, the controller will get into Cruise control.
- CAN Bus is not supported in KEB controller.
Caution! Regeneration has braking effect but does not replace the function of a mechanical brake. A mechanical brake is required to stop your vehicle. Regen IS NOT a safety feature! Controller may stop regen, without warning, to protect itself or the battery(it won’t protect you!).
2.2 Features
- Specially designed for electric bicycle and scooter.
- Intelligence with powerful microprocessor.
- Synchronous rectification, ultra low drop, fast PWM to achieve very high efficiency.
- Electronic reversing.
- Voltage monitoring on 3 motor phases, bus, and power supply.
- Voltage monitoring on voltage source 12V and 5V.
- Current sense on all 3 motor phases.
- Current control loop.
- Hardware over current protection.
- Hardware over voltage protection.
- Support torque mode, speed mode, and balanced mode operation.
- Configurable limit for motor current and battery current.
- Battery current limiting available, doesn‟t affect taking off performance.
- More startup current ,can get more startup speed.
- Low EMC.
- LED fault code.
- Battery protection: current cutback, warning and shutdown at configurable high and low battery voltage.
- Rugged aluminum housing for maximum heat dissipation and harsh environment.
- Rugged high current terminals, and rugged aviation connectors for small signal.
- Thermal protection: current cut back, warning and shutdown at high temperature.
- Configurable 60 degree or 120 degree hall position sensors.
- Support motors with any number of poles.
- Up to 40,000 electric RPM standard. Optional high speed 70,000 ERPM, and ultra high speed 100,000 ERPM. (Electric RPM = mechanical RPM * motor pole pairs).
- Brake switch is used to start regen.
- 0-5V brake signal is used to command regen current.
- Support three modes of regenerative braking: brake switch regen, release throttle regen, 0-5V analog signal variable regen.
- Configurable high pedal protection: the controller will not work if high throttle is detected at power on.
- Current multiplication: Take less current from battery, output more current to motor.
- Easy installation: 3-wire potentiometer will work.
- Current meter output.
- Standard PC/Laptop computer is used to do programming. No special tools needed.
- User program provided. Easy to use. No cost to customers.
2.3 Specifications
- Frequency of Operation: 16.6kHz.
- Standby Battery Current: < 0.5mA.
- 5V Sensor Supply Current: 40mA.
- Controller supply voltage range, PWR, 18V to 86V.
- Supply Current, PWR, 150mA.
- Configurable battery voltage range, B+.
- Standard Throttle Input: 0-5 Volts(3-wire resistive pot), 1-4 Volts(hall active throttle).
- Analog Brake and Throttle Input: 0-5 Volts. Producing 0-5V signal with 3-wire pot.
- Full Power Operating Temperature Range: 0ﹾC to 50ﹾC (controller case temperature).
- Operating Temperature Range: -30ﹾC to 90ﹾC,100ﹾC shutdown(controller case temperature).
- Peak Phase Current, 10 seconds: 150A-550A, depending on the model.
- Continuous Phase Current Limit: 60A-200A, depending on the model.
- Maximum Battery Current: Configurable
2.4 Models
The naming regulations of the Kelly KEB motor controller model:

Kelly KEB E-Bike Brushless Motor Controller
| Model | Peak Current Continuous (Amp) Current (Amp) | Power (KW) | Battery Voltage (Volt) | Max Operating Voltage(Volt) | Regen |
| KEB48200X | 15060 | 2 | 24-48 | 60 | * |
| KEB48201X | 15060 | 2 | 24-48 | 60 | * |
| KEB48300X | 20080 | 3 | 24-48 | 60 | * |
| KEB48301X | 20080 | 3 | 24-48 | 60 | * |
| KEB48400X | 280110 | 4 | 24-48 | 60 | * |
| KEB48401X | 280110 | 4 | 24-48 | 60 | * |
| KEB48600 | 350140 | 6 | 24-48 | 60 | * |
| KEB48601 | 350140 | 6 | 24-48 | 60 | * |
| KEB72300X | 15060 | 3 | 24-72 | 86 | * |
| KEB72301X | 15060 | 3 | 24-72 | 86 | * |
| KEB72450X | 22080 | 5. | 24-72 | 86 | * |
| KEB72451X | 22080 | 5. | 24-72 | 86 | * |
| KEB72600X | 280110 | 6 | 24-72 | 86 | * |
| KEB72601X | 280110 | 6 | 24-72 | 86 | * |
| KEB72800X | 350140 | 8 | 24-72 | 86 | * |
| KEB72801X | 350140 | 8 | 24-72 | 86 | * |
| KEB72100 | 450180 | 10 | 24-72 | 86 | * |
| KEB72101 | 450180 | 10 | 24-72 | 86 | * |
| KEB72120E | 550200 | 12 | 24-72 | 86 | * |
| KEB72121E | 550200 | 12 | 24-72 | 86 | * |
| KEB84600X | 230110 | 6 | 24-84 | 100 | * |
| KEB84601X | 230110 | 6 | 24-84 | 100 | * |
| KEB84800X | 300140 | 8 | 24-84 | 100 | * |
| KEB84801X | 300140 | 8 | 24-84 | 100 | * |
| KEB84120E | 500200 | 12 | 24-84 | 100 | * |
| KEB84121E | 500200 | 12 | 24-84 | 100 | * |
Chapter 3 Wiring and Installation
3.1 Mounting the Controller
The controller can be oriented in any position which should be as clean and dry as possible, if necessary, shielded with a cover to protect it from water and contaminants.
To ensure full rated output power, the controller should be fastened to a clean, flat metal surface with four screws. Applying silicon grease or some other thermal conductive material to contact surface will enhance thermal performance.
Proper heat sinking and airflow are vital to achieve the full power capability of the controller.
The case outline and mounting holes‟ dimensions are shown in Figure 1 and 2.
Height: 62 millimeters
Figure 1: KEB/KEB-X mounting holes‟ dimensions (dimensions in millimeters)
Figure 2: KEB-E mounting holes‟ dimensions (dimensions in millimeters)
3.2 Connections
3.2.1 Front Panel of KEB Motor Controller:
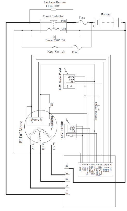
Five metal bars and a 14pin rugged connector are provided for connecting to the battery, motor and control signals in the front of the controller shown as Figure 3.
Figure 3: Front panel of KEB motor controller
B+: battery positive
B-: battery negative
A: Output U/1/A phase
B: Output V/2/B phase
C: Output W/3/C phase
Figure 4: The connecting diagram of J2
J2 Pin Definition
| 1. PWR: Controller power supply | 8. Micro_SW: Throttle switch input. |
| 2. RTN: Signal return, or power supply ground | 9. Reversing switch input |
| 3. RTN: Signal return | 10. Brake switch input |
| 4. 12V high-level brake and motor temperature input | 11. Hall phase C |
| 5. Throttle analog input, 0-5V | 12. Hall phase B |
| 6. Brake analog input, 0-5V | 13. Hall phase A |
| 7. 5V: 5V supply output, <40mA | 14. RTN: Signal return |
Notes:
- All RTN pins are internally connected. RTN is internally connected to B-.
- Switch to ground is active. Open switch is inactive
Caution:
- Do not apply power until you are certain the controller wiring is correct and has been double checked. Wiring faults will damage the controller.
- Ensure that the B- wiring is securely and properly connected before applying power.
- The preferred connection of the system contactor or circuit breaker is in series with the B+ line.
- All contactors or circuit breakers in the B+ line must have precharge resistors across their contacts. Lack of even one of these precharge resistors may severely damage the controller at switch-on.
3.2.2 Standard Wiring of KEB Motor Controller
Figure 5: KEB controller standard wiring (Battery voltage can be used for controller supply)
NOTE: Potentiahneter can be used to output 0-5V. Please securely wire B- before any other wiling. Never put contactor or break on B-. “. Thermistor is optional item. default to KTY84-130.
3.2.3 Communication Port
A RS232 port of controller is provided to communicate with host computer for calibration and configuration.

3.3 Installation Check List
Before operating the vehicle, complete the following checkout procedures. Use LED code as a reference as listed in Table 1.
Caution:
- Put the vehicle up on blocks to get the drive wheels off the ground before beginning these tests.
- Do not allow anyone to stand directly in front of or behind the vehicle during the checkout.
- Make sure the PWR switch and the brake is off
- Use well-insulated tools.
- Make sure the wire is connected correctly
- Turn the PWR switch on. The Green LED stay on steadily and Red LED turns off when the controller operates normally. If this does not happen, check continuity of the PWR and controller ground.
- The fault code will be detected automatically at restart.
- With the brake switch open, select a direction and operate the throttle. The motor should spin in the selected direction. Verify wiring or voltage and the fuse if it does not. The motor should run faster with increasing throttle. If not, refer to the Table 1 LED code, and correct the fault as determined by the fault code.
- Take the vehicle off the blocks and drive it in a clear area. It should have smooth acceleration and good top speed.
Chapter 4 Maintenance
There are no user-serviceable parts inside the controllers. Do not attempt to open the controller as this will void your warranty. However, periodic, exterior cleaning of the controller should be carried out.
The controller is a high powered device. When working with any battery powered vehicle, proper safety precautions should be taken that include, but are not limited to, proper training, wearing eye protection, avoidance of loose clothing, hair and jewelry. Always use insulated tools.
4.1 Cleaning
Although the controller requires virtually no maintenance after properly installation, the following minor maintenance is recommended in certain applications.
- Remove power by disconnecting the battery, starting with battery positive.
- Discharge the capacitors in the controller by connecting a load (such as a contactor coil or a horn) across the controller‟s B+ and B- terminals.
- Remove any dirt or corrosion from the bus bar area. The controller should be wiped down with a moist rag. Make sure that the controller is dry before reconnecting the battery.
- Make sure the connections to the bus bars, if fitted, are tight. To avoid physically stressing the bus bars use two, well-insulated wrenches.
4.2 Configuration
You can configure the controller with a host computer through either an RS232 or USB port.
- Disconnect motor wiring from controller.
- Do not connect B+, throttle and so on. The controller may display fault code in some conditions, but it doesn’t affect programming or configuration.
- Use straight through RS232 cable or USB Converter provided by Kelly to connect to a host computer. Provide 18V-90V to PWR. Wire power supply return to any RTN pin.
Download the free configuration software from: http://www.kellycontroller.com/support.php
Caution:
- Make certain that the motor is disconnected before trying to run the Configuration Software!
- Configuration software will be regularly updated and published on the website. Please Update your Configuration Software regularly. You must uninstall the older version before updating.
- Motor pole setting is nothing to do with performance in KEB controller, so motor pole setting is grayed in KEB user program.This setting is only used for reading eRpm of motor via CAN Bus.But KEB controller can’t support CAN Bus at all.
Table 1: LED CODES
| LED Code | Explanation | Solution |
| Green Off | No power or switched off | 1. Check if all wires are correct. 2. Check fuse and power supply. |
| Green On | Normal operation | That‟s great! You got solution! |
| Green & Red are both On | 1. Software still upgrading. 2. Supply voltage too low or battery too high 3. The controller is damaged. Contact Kelly about a warranty repair. |
Red LED Codes
| LED Code | Explanation | Solution | ||
| 1,2 | ¤ | ¤¤ | Over voltage error | 1. Battery voltage is too high for the controller. Check battery volts and configuration. 2. Regeneration over-voltage. Controller will have cut back or stopped regen. 3. This only accurate to ± 2% upon Overvoltage setting. |
| 1,3 | ¤ | ¤¤¤ | Low voltage error | 1. The controller will clear after 5 seconds if battery volts returns to normal. 2. Check battery volts & recharge if required. |
| 1,4 | ¤ | ¤¤¤¤ | Over temperature warning | 1. Controller case temperature is above 90℃. Current will be limited. Reduce controller loading or switch Off until controller cools down. 2. Clean or improve heatsink or fan. |
| 2,1 | ¤¤ | ¤ | Motor did not start | Motor did not reach 25 electrical RPM within 2 seconds of start-up. Hall sensor or phase wiring problem. |
| 2,2 | ¤¤ | ¤¤ | Internal volts fault | 1. Measure that B+ & PWR are correct when measured to B- or RTN. 2. There may be excessive load on the +5V supply caused by too low a value of Regen or throttle potentiometers or incorrect wiring. 3. Controller is damaged. Contact Kelly about a warranty repair. |
| 2,3 | ¤¤ | ¤¤¤ | Over temperature | The controller temperature has exceeded 100℃. The controller will be stopped but will restart when temperature falls below 80℃. |
| 2,4 | ¤¤ | ¤¤¤¤ | Throttle error at power-up | 1. Throttle signal is higher than the preset „dead zone‟ at Power On. Fault clears when throttle is released. |
| 2. Set throttle model as “Hall Active” throttle in GUI if you use that throttle type. | |||
| 3,1 | ¤¤¤ ¤ | Frequent reset | 1. The controller will stop driving when detects too many resets. 2. Mostly because of B- or return wiring. Use the heavier and cleaner return wires. For dual controllers, bond B- of both controllers together with a heavy cable or copper strip. 3. May be caused by over-current. Set max current to be lower.4. A restart will clear the fault. 5. Please contact Kelly if it happens repeatedly. |
| 3,2 | ¤¤¤ ¤¤ | Internal reset | May be caused by some transient fault condition like a temporary over-current, momentarily high or low battery voltage. This can happen during normal operation. |
| 3,3 | ¤¤¤ ¤¤¤ | Hall throttle is open or short-circuit | When the throttle is repaired, a restart will clear the fault. |
| 3,4 | ¤¤¤ ¤¤¤¤ | Non-zero throttle on direction change | Controller won‟t allow a direction change unless the throttle or speed is at zero. Fault clears when throttle is released. |
| 4,1 | ¤¤¤¤ ¤ | Regen or Start-up over-voltage | Motor drive is disabled if an over-voltage is detected at start-up or during regen. The voltage threshold detection level is set during configuration. |
| 4, 2 | ¤¤¤¤ ¤¤ | Hall sensor error | 1. Incorrect or loose wiring or a damaged hall sensor. 2. Also be caused by incorrect hall angle configuration (60 degree or 120 degree). |
| 4, 3 | ¤¤¤¤ ¤¤¤ | Motor over-temperature | Motor temperature has exceeded the configured maximum. The controller will shut down until the motor temperature cools down. |
| 4, 4 | ¤¤¤¤ ¤¤¤¤ | Motor locked rotor | When in locked rotor condition, the max output phase current of the motor will be limited to 90% of previous current. Once this problem disappears, the fault will clear and the max output phase current will return to normal. |
| The Red LED flashes once at power on as a confidence check and then normally stays Off. “1, 2” means the Red flashes once and after a second pause, flashes twice. The time between two flashes is 0.5 second. The pause time between multiple flash code groups is two seconds. | |||
Contact Us:
Kelly Controls, LLC
Home Page:
http://www.KellyController.com
E-mail:
[email protected]
Phone:
(001) 224 637 5092



















