Kelly Full Bridge Permanent Magnet
DC Motor Controller
User’s Manual
Ful Bridge Permanent Magnet DC Motor Controller
| PM24101 | PM48301 |
| PM24201 | PM72101 |
| PM24301 | PM72201 |
| PM36101 | PM72301 |
| PM48101 | PM12101H |
| PM48201 |
Chapter1 Introduction
1.1 Overview
This manual introduces the Kelly PM motor controllers‟ features, their installation and their maintenance. Read the manual carefully and thoroughly before using the controller. If you have any questions, please contact the support center of Kelly Controls.
Kelly‟s programmable motor controllers provide efficient, smooth and quiet controls for electric vehicles like golf carts, go-carts, electric motorcycles, scooters, forklifts and hybrid vehicles, as well as electric boats and industrial motor speed control. It uses high power MOSFET‟s and, PWM to achieve efficiencies of up to 97% in most cases. A powerful microprocessor brings in comprehensive and precise control to the controllers. It also allows users to adjust parameters, conduct tests, and obtain diagnostic information quickly and easily.
Kelly‟s PM motor controller is full bridge or 4 quadrant controller. It provides fast and reliable electronic direction control. There is no arc, spark, or life limit on motor direction changes.
Chapter2 Main Features and Specifications
2.1 General functions
- Extended fault detection and protection. The LED flashing pattern indicates the fault sources.
- Monitoring battery voltage. Stop driving if battery voltage is too high or too low.
- Built-in current loop and over current protection.
- Configurable motor temperature protection range.
- Current cutback at low temperature and high temperature to protect battery and controller. The current begins to ramp down at 90ﹾCcase temperature, shutting down at 100ﹾC.
- Two RS232 ports. Both can be used for configuration.
- An RS232 port allows for configuration, programming and software upgrades using the free Windows GUI with your PC.
- Provision of a +5 volt output to supply various kinds of sensors, including Hall effect type.
- 3 switch inputs which are activated by connection to Ground. Default to throttle switch, brake switch and reversing switch.
- 3 analog 0-5V inputs that default to throttle input, brake input and motor temperature input.
- Pulsed reverse alarm output.
- Main contactor driver. Cutting off the power if any fault is detected.
- Current meter can display both drive and regen current. Save shunt.
- Configurable boost switch. Enables the maximum output power achievable if the switch is turned on.
- Configurable economy switch. Limits the maximum current to half if the switch is turned on.
- Maximum reverse power is configurable to half power.
- Enhanced regen brake function. A novel ABS technique provides powerful and smooth regen.
- Configurable 12V brake signal input, in lieu of motor temperature sensor.
- Optional joystick throttle. A bi-symmetrical 0-5V signal for both forwarding and reversing.
- Configurable motor over-temperature detection and protection with the recommended thermistor KTY84-130.
- Using battery-powered.
- Optional CAN bus.
- Optional supply voltage 8V-30V.
2.2 Features
- Intelligence with powerful microprocessor.
- Synchronous rectification, ultra low drop, and fast PWM to achieve very high efficiency.
- Electronic reversing, no reversing contactor needed, fast direction change, high reliability and efficiency, low noise, no arc, no wearing, no life limit, easy maintenance.
- Voltage monitoring on voltage source 12V and 5V.
- Current limit and torque control. Configurable torque mode and speed mode.
- Low EMC.
- LED fault code.
- Battery protection: current cutback, warning and shutdown at configurable high and low battery voltage.
- Rugged aluminum housing for maximum heat dissipation and harsh environment.
- Rugged high current terminals, and rugged aviation connectors for small signal.
- Thermal protection: current cut back, warning and shutdown at high temperature.
- Configurable high pedal protection: the controller will not work if high throttle is detected at power on.
- Brake switch is used to start regen.
- Support three modes of regenerative braking: brake switch regen, release throttle regen, 0-5V analog signal variable regen.
- Standard PC/Laptop computer is used to do programming. No special tools needed.
- User program provided. Easy to use. No cost to customers.
- No adjustment.
2.3 Specifications
- Frequency of Operation: 16.6kHz.
- Standby Battery Current: < 0.5mA.
- 5V Sensor Supply Current: 40mA.
- Controller supply voltage range, PWR, 18V to B+ (8V to 30V for Controllers rated equal 24V)
- Supply Current,PWR,150mA.
- Standard Throttle Input: 0-5 Volts(3-wire resistive pot), 1-4 Volts(hall active throttle).
- Analog Brake and Throttle Input: 0-5 Volts.
- Reverse Alarm, Main Contactor Coil Driver, Meter.
- Full Power Temperature Range: 0ﹾC to 50ﹾC (controller case temperature).
- Operating Temperature Range: -30ﹾC to 90ﹾC,100ﹾC shutdown(controller case temperature).
- Motor Current Limit, 1 minutes: 100A-500A.depending on the model.
- Motor Current Limit, continuous:40A-200A, depending on the model.
- Max Battery Current :Configurable.
| Kelly Full Bridge Permanent Magnet DC Motor Controller | |||||
| Model | 1 minute Current | Continuous Current | Battery Voltage | Max Operating Voltage | Re en |
| PM24101 | 100A | 40A | 12V-24V | 30V | Yes |
| PM24201 | 200A | 80A | 12V-24V | 30V | Yes |
| PM24301 | 300A | 120A | 12V-24V | 30V | Yes |
| PM36101 | 100A | 40A | 24V-36V | 45V | Yes |
| PM48101 | 100A | 40A | 24V-48V | 60V | Yes |
| PM48201 | 200A | 80A | 24V-48V | 60V | Yes |
| PM48301 | 300A | 120A | 24V-48V | 60V | Yes |
| PM72101 | 100A | 40A | 24V-72V | 86V | Yes |
| PM72201 | 200A | 80A | 24V-72V | 86V | Yes |
| PM72301 | 300A | 120A | 24V-72V | 86V | Yes |
| PM12101H | 100A | 40A | 24V-120V | 144V | Yes |
| Female plugs of J1&J2 will be shipped for free. | |||||
Chapter 3 Wiring and Installation
3.1 Mounting the Controller
The controller can be oriented in any position which should be as clean and dry as possible, and if necessary, shielded with a cover to protect it from water and contaminants.
To ensure full rated output power, the controller should be fastened to a clean, flat metal surface with four screws. Applying silicon grease or some other thermal conductive material to contact surface will enhance thermal performance.
Proper heat sinking and airflow are vital to achieve the full power capability of the controller.
The case outline and mounting holes‟ dimensions are shown in Figure 1.
Caution:
- RUNAWAYS — Some conditions could cause the vehicle to run out of control. Disconnect the motor, or jack up the vehicle, and get the drive wheels off the ground before attempting any work on the motor control circuitry.
- HIGH CURRENT ARCS — Electric vehicle batteries can supply very high power, and arcs can occur if they are short circuit. Always turn off the battery circuit before working on the motor control circuit. Wear safety glasses, and use properly insulated tools to prevent short circuit.

3.2 Connections
3.2.1 Front Panel of PM Motor Controller:
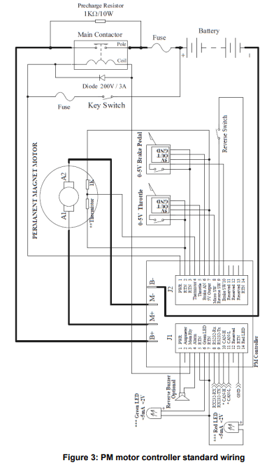
Four metal bars and two plugs (J1, J2) are provided for connecting to the battery, motor and control signals in the front of the controller shown as Figure 2.

B+: Battery positive
B-: Battery negative
M+: armature positive
M-: armature negative
Figure 4: The connecting diagram of J1 and J2
J1 Pin Definition
| 1- PWR: Controller power supply (output). The pin is Red LED for S/N less: 08XXXXXX. | 8- RS232 receiver |
| 2- Current meter <200mA. | 9- RS232 transmitter |
| 3- Main contactor driver <2A. | 10- CAN bus high |
| 4- Alarm: To drive reverse beeper. <200mA | 11- CAN bus low |
| 5- RTN: Signal return | 12- Reserved |
| 6- Green LED: Running indication | 13- RTN: Signal return, or power supply return |
| 7- RTN: Signal return | 14- Red LED: Fault code. The pin is PWR for S/N less: 08XXXXXX. |
J2 Pin Definition
| 1- PWR: Controller power supply (input) | 8- Micro_SW: Throttle switch input |
| 2- RTN: Signal return, or power supply ground | 9- Reversing switch input |
| 3- RTN: Signal return | 10- Brake switch input |
| 4- 12V high-level brake and motor temperature input | 11- Reserved |
| 5- Throttle analog input, 0-5V | 12- Reserved |
| 6- Brake analog input, 0-5V | 13- Reserved |
| 7- 5V supply output .<40mA | 14- RTN: Signal return |
Notes:
- All RTN pins are internally connected.
- Two PWR pins, J1-1 and J2-1, are internally connected. It’s recommended to use J1-1 to supply peripherals like alarm and contactor. Twist peripheral wires with PWR is the preferred for EMC.
- Kelly Ammeter positive connect to 5V power supply of controller, negative to J1-2.
- Switch to ground is active. Open switch is inactive.
Caution:
- Do not apply power until you are certain the controller wiring is correct and has been double checked. Wiring faults will damage the controller.
- Ensure that the B- wiring is securely and properly connected before applying power.
- The preferred connection of the system contactor or circuit breaker is in series with the B+ line.
- All contactors or circuit breakers in the B+ line must have precharge resistors across their contacts. Lack of even one of these precharge resistors may severely damage the controller at switch-on.
3.2.2 Standard Wiring of PM Motor Controller

NOTE: Potentialmeter can be used to output 0-5V. The brake input isn’t necessary for non-rezen model.
Please securely wire B- before any other wiling.
Never put contactor or break on B-.
C AN bus is depopulated by default.
” Thetvtistor is optional item. deLiult to i’i-Mti the front panel bliditness will be reduced.

NOTE: Potentialmeter can be used to output 0-5V. The brake input isn’t necessary for non-rezen model.
Please securely wire B- before any other wiling.
Never put contactor or break on B-.
C AN bus is depopulated by default.
” Thetvtistor is optional item. deLiult to i’i-Mti the front panel bliditness will be reduced.
3.2.3 Communication Port
A RS232 port of controller is provided to communicate with host computer for calibration and configuration.

3.3 Installation Checklist
Before operating the vehicle, complete the following checkout procedures. Use LED code as a reference as listed in Table 1.
Caution:
- Put the vehicle up on blocks to get the drive wheels off the ground before beginning these tests.
- Do not allow anyone to stand directly in front of or behind the vehicle during the checkout.
- Make sure the PWR switch and the brake is off
- Use well-insulated tools.
- Make sure the wire is connected correctly.
- Turn the PWR switch on. The Green LED stay on steadily and Red LED turns off when the controller operates normally. If this does not happen, check continuity of the PWR and controller ground.
- The fault code will be detected automatically at restart.
- With the brake switch open, select a direction and operate the throttle. The motor should spin in the selected direction. Verify wiring or voltage and the fuse if it does not. The motor should run faster with increasing throttle. If not, refer to the Table 1 LED code, and correct the fault as determined by the fault code.
- Take the vehicle off the blocks and drive it in a clear area. It should have smooth acceleration and good top speed.
Chapter 4 Maintenance
There are no user-serviceable parts inside the controllers. Do not attempt to open the controller as this will void your warranty. However, periodic, exterior cleaning of the controller should be carried out.
The controller is a high powered device. When working with any battery powered vehicle, proper safety precautions should be taken that include, but are not limited to, proper training, wearing eye protection, avoidance of loose clothing, hair and jewelry. Always use insulated tools.
4.1 Cleaning
Although the controller requires virtually no maintenance after properly installation, the following minor maintenance is recommended in certain applications.
- Remove power by disconnecting the battery, starting with battery positive.
- Discharge the capacitors in the controller by connecting a load (such as a contactor coil, resistor or a horn) across the controller‟s B+ and B- terminals.
- Remove any dirt or corrosion from the bus bar area. The controller should be wiped down with a moist rag. Make sure that the controller is dry before reconnecting the battery.
- Make sure the connections to the bus bars, if fitted, are tight. To avoid physically stressing the bus bars use two, well-insulated wrenches.
4.2 Configuration
You can configure the controller with a host computer through either an RS232 or USB port.
- Use straight through RS232 cable or USB Converter provided by Kelly to connect to a host computer. Provide >18V (either J2 pin1 or J1 pin1) to PWR. Wire power supply return to any RTN pin.
- Disconnect motor wiring from controller.
- Do not connect B+, throttle and so on. The controller may display fault code in some conditions, but it doesn’t affect programming or configuration.
Download the free configuration software from: http://www.kellycontroller.com/support.php
Caution:
- Make certain that the motor is disconnected before trying to run the Configuration Software!
- Configuration software will be regularly updated and published on the website. Please Update your Configuration Software regularly. You must uninstall the older version
before updating.
Table 1: LED CODES
| LED Code | Explanation | Solution |
| Green Off | No power or switched off | 1. Check if all wires are correct. 2. Check fuse and power supply. |
| Green On | Normal operation | That‟s great! You got solution! |
| Green & Red are both On | 1. Software still upgrading. 2. Supply voltage too low or battery too high 3. The controller is damaged. Contact Kelly about a warranty repair. |
Red LED Code
| 1,2 | ¤ ¤¤ | Over voltage error | 1. Battery voltage is too high for the controller. Check battery volts and configuration. 2. Regeneration over-voltage. Controller will have cut back or stopped regen. 3. This only accurate to ± 2% upon Overvoltage setting. |
| 1,3 | ¤ ¤¤¤ | Low voltage error | 1. The controller will clear after 5 seconds if battery volts returns to normal. 2. Check battery volts & recharge if required. |
| 1,4 | ¤ ¤¤¤¤ | Over temperature warning | 1. Controller case temperature is above 90℃. Current will be limited. Reduce controller loading or switch Off until controller cools down. 2. Clean or improve heatsink or fan. |
| 2,2 | ¤¤ ¤¤ | Internal volts fault | 1. Measure that B+ & PWR are correct when measured to B- or RTN. 2. There may be excessive load on the +5V supply caused by too low a value of Regen or throttle potentiometers or incorrect wiring. 3. Controller is damaged. Contact Kelly about a warranty repair. |
| 2,3 | ¤¤ ¤¤¤ | Over temperature | The controller temperature has exceeded 100℃. The controller will be stopped but will restart when temperature falls below 80℃. |
| 2,4 | ¤¤ ¤¤¤¤ | Throttle error at power-up | Throttle signal is higher than the preset „dead zone‟ at Power On. Fault clears when throttle is released. |
| 3,1 | ¤¤¤ ¤ | Frequent reset | May be caused by over-voltage, bad motor intermittent earthing problem, bad wiring, etc. |
| 3,2 | ¤¤¤ ¤¤ | Internal reset | May be caused by some transient fault condition like a temporary over-current, momentarily high or low battery voltage. This can happen during normal operation. |
| 3,3 | ¤¤¤ ¤¤¤ | Hall throttle is open or short-circuit | When the throttle is repaired, a restart will clear the fault. |
| 3,4 | ¤¤¤ ¤¤¤¤ | Non-zero throttle on direction change | Controller won‟t allow a direction change unless the throttle or speed is at zero. Fault clears when throttle is released. |
| 4,1 | ¤¤¤¤ ¤ | Regen or Start-up over-voltage | Motor drive is disabled if an over-voltage is detected at start-up or during regen. The voltage threshold detection level is set during configuration. The max threshold is about 1.25 times of controller rated voltage. I.e. you may set threshold lower than 60V for 48V controller. |
| 4, 3 | ¤¤¤¤ ¤¤¤ | Motor over-temperature | Motor temperature has exceeded the configured maximum. The controller will shut down until the motor temperature cools down. |
| The Red LED flashes once at power on as a confidence check and then normally stays Off. “1, 2” means the Red flashes once and after a second pause, flashes twice. The time between two flashes is 0.5 second. The pause time between multiple flash code groups is two seconds. | |||
Contact Us:
Kelly Controls, LLC
Home Page:
http://www.kellycontroller.com
E-mail:
[email protected]
Phone:
(01) 224 637 5092
Rev.3.4
July, 2022



















