KLS-N Sinusoidal Brushless Permanent Magnet Motor Controller
User Manual
Kelly KLS-N Sinusoidal Brushless Permanent Magnet Motor Controller
V2.9
Kelly KLS-N Sinusoidal Brushless
Permanent Magnet Motor Controller
Devices Supported:
| KLS2412ND | KLS4812ND | KLS7212ND | KLS7230ND |
| KLS2412N | KLS4812N | KLS7212N | KLS7235ND |
| KLS2418ND | KLS4818ND | KLS7215ND | KLS7260NG |
| KLS2418N | KLS4818N | KLS7215N | KLS7275NC |
| KLS2430N | KLS4830N | KLS7218N | KLS72100NC |
| KLS2430ND | KLS4830ND | KLS7218ND | KLS72120NC |
| KLS4860NG | KLS7222N | ||
| KLS4875NC | KLS7222ND | ||
| KLS48100NC | KLS7230N | ||
| KLS48120NC |
Chapter 1 Introduction
1.1 Overview
The biggest difference is KLS-N is a waterproof type controller by default. It is IP66 rating. This manual introduces the Kelly sinusoidal wave brushless BLDC motor controllers’ features, their installation and their maintenance. Read the manual carefully and thoroughly before using the controller. If you have any questions, please contact the support center of Kelly Controls.
Kelly’s programmable motor controllers provide efficient, smooth and quiet controls for electric motorcycles, golf carts and go-carts, as well as industrial motor control. It is mainly supposed to solve noise problems of BLDC motor driving application. The KLS-N motor controller must be based on hall sensors type. KLS-N controller can not support sensorless brushess motor for now. Compared to the traditional trapezoidal waveform control technology, this technique based on sinusoidal wave driving technology can reduce the operation noise and 1/3 switching loss, which well meets the noise reduction and efficiency requirements in the application of DC brushless motor. It uses high power MOSFET’s and, SVPWM and FOC to achieve efficiencies of up to 99% in most cases. A powerful microprocessor brings in comprehensive and precise control to the controllers. It also allows users to adjust parameters, conduct tests, and obtain diagnostic information quickly and easily. People can program the KLS controller on PC software and Android App. There is one more choice for customers to program KLS controller now. The APP software is based on Tablet with Android OS. Customers may add a Z-TEK USB to RS232 cable for programming KLS controller if they want to use Android Tablet.
Both PC software and Android APP can provide one screen to monitor the controller parameters. Sometimes people can use a small Android Tablet as display device. Customers can connect the KLS controller to Android App in Android Phone if they order Bluetooth converter from Kelly Controls.
KLS-N has a friendly I/O terminals for customers to hook up the batteries and motor easily.
Anyway please try to do identification angle operation before running the motor.
And please don’t try to connect the controller to user program while the motor is still running, let alone change the setting in user program or Android App. That is to say, if you want to connect controller to user program or try to do programming, please stop the motor first.
This is the most important thing.
Chapter 2 Features and Specifications
2.1 General functions
- Extended fault detection and protection. Customers can read the error message in PC software or Android APP also.
- Monitoring battery voltage. It will stop driving if the battery voltage is too high and it will progressively cut back motor drive power as battery voltage drops until it cuts out altogether at the preset “Low Battery Voltage” setting.
- Built-in current loop and over current protection.
- Configurable motor temperature protection range.
- Current cutback at low temperature and high temperature to protect battery and controller. The current begins to ramp down at 90℃ case temperature, shutting down at 100℃.
- The controller keeps monitoring battery recharging voltage during regen braking.
- Maximum reverse speed and forward speed can be configured between 20% and 100% respectively and separately.
- A 4pin connector to RS232 port and a Z-TEK USB to RS232 cable allows for configuration, programming and software upgrades using the tablet which must be based on Android OS now. People can do the same things on PC software by using a standard USB to RS232 cable instead.
- Provision of a +5 volt and +12 volt output to supply various kinds of hall sensors.
- 5 switch inputs which are activated by connection to 12V. Default to throttle switch, brake switch, reversing switch, forward switch and Boost switch.
- 3 analog 0-5V inputs that default to throttle input, Brake analog input and motor temperature input
- Copy signal of one of hall sensors.
- Configurable boost switch. Enables the maximum output power achievable if the switch is turned on. The effect is the same as full throttle position even if you don’t turn throttle at all.
- 12V brake switch input used different port from motor temperature sensor. You can use both brake switch and motor temperature sensor functions at the same time on the latest version. Pin 25 is 12V brake switch input port.Pin1 is motor temperature sensor input port.
- Optional joystick throttle. A bi-symmetrical 0-5V signal for both forward and reversing.
- Configurable motor over-temperature detection and protection with the recommended thermistor KTY84-130/150 or KTY83-122.
- 3 hall position sensor inputs. Open collector, pull up provided.
- Brake analog regen mode. This regen mode doesn’t need brake switch to support any more.
- Enhanced regen brake function. A novel ABS technique provides powerful and smooth regen. The regen can happen at any speeds until zero speed.
- KLS-N controller doesn’t include the fuse and shunt on the case any more by default.
- Cruise control. Only can be activated in forward direction.
- KLS-N can support Broadcast type CAN Bus function. It is 250Kbps.CAN bus is not included in KLS-N controller by default.CAN bus is only an optional function for KLS-N.
- Bluetooth function. Required a small Bluetooth converter which needs to be purchased in addition from our website. This small converter is only useful for KLS controller.
Caution! The regen is not a safe function. Usually you may use the mechanical brake.
2.2 Features
- Intelligence with powerful microprocessor.
- Synchronous rectification, ultra low drop, fast SVPWM and FOC to achieve very high efficiency.
- Electronic reversing.
- Voltage monitoring on 3 motor phases, bus, and power supply.
- Voltage monitoring on voltage source 12V and 5V.
- Current sense on all 3 motor phases.
- Current control loop.
- Hardware over current protection.
- Hardware over voltage protection.
- Configurable limit for motor current and battery current.
- Low EMC.
- Battery protection: current cutback, warning and shutdown at configurable high and low battery voltage.
- Aluminum based PCB board with heat sink plate on the bottom of controller.
- Waterproof connectors for small signal.
- Thermal protection: current cut back, warning and shutdown on high temperature.
- Controller can do auto_Identification angle for different degrees of hall sensors.
- Configurable high pedal protection: the controller will not work if high throttle is detected at power on.
- Current multiplication: Take less current from battery, output more current to motor.
- Easy installation: 3-wire potentiometer will work.
- Standard PC/Laptop computer to do programming. There is one more choice for customers to program KLS controller. Standard Tablet with Android OS to do programming. Need a Z-TEK USB TO RS232 cable for connecting the controller to App program in Tablet.
- User program provided. Easy to use. No cost to customers.
- Support motors with any number of poles.
- Up to 70,000 electric RPM standard. (Electric RPM = mechanical RPM * motor pole pairs; Motor pole pairs=Motor poles/2).
- Dust and water protected under sealed condition,IP66
2.3 Specifications
- Frequency of Operation: 10KHz or 20KHz.
- Standby Battery Current: < 0.5mA.
- 5V or 12V Sensor Supply Current: 40mA.
- Supply Current, PWR, 30mA Typical.
- Configurable battery voltage range, B+.
- Standard Throttle Input: 0-5 Volts(3-wire resistive pot), 1-4 Volts(hall active throttle).
- Throttle Input: 0-5 Volts. Can use 3-wire pot to produce 0-5V signal.
- Full Power Operating Temperature Range: 0℃ to 70℃(MOSFET temperature).
- Operating Temperature Range: -40℃to 100℃ (MOSFET temperature).
- Max Battery Current :Configurable.
2.4 Name Regulation
The name regulation of Kelly BLDC motor controllers: KLS2412ND
KLS: Kelly BLDC motor controller based on sinusoidal waveform which is supposed to work with BLDC motor with three hall sensors. All KLS controllers can do regen brake function by default.
24: 24V batteries
N: The motor controller included a plastic cover. And KLS-N is IP66 rating without filling the silica gel by default. KLS-N used cast aluminum box as body protection.
D: stands for conductive
Kelly KLS-N – Sinusoidal Brushless Permanent Magnet Motor Controller | ||||
| Model | NominalVoltage | Max OperatingVoltage | Peak Current**1 Minute | Continuous Current |
| KLS2412ND | 12-24V | 10-32V | 140A | Up to 100A * |
| KLS2412N | 12-24V | 10-32V | 140A | 60A |
| KLS2418ND | 12-24V | 10-32V | 220A | Up to 115A * |
| KLS2418N | 12-24V | 10-32V | 220A | 80A |
| KLS2430ND | 12-24V | 10-32V | 280A | Up to 160A * |
| KLS2430N | 12-24V | 10-32V | 280A | 90A |
| KLS4812ND | 36-48V | 30-60V | 140A | Up to 100A * |
| KLS4812N | 36-48V | 30-60V | 140A | 60A |
| KLS4818ND | 36-48V | 30-60V | 220A | Up to 115A * |
| KLS4818N | 36-48V | 30-60V | 220A | 80A |
| KLS4830ND | 36-48V | 30-60V | 280A | Up to 160A * |
| KLS4830N | 36-48V | 30-60V | 280A | 90A |
| KLS7212ND | 48-72V | 40-86V | 140A | Up to 100A * |
| KLS7212N | 48-72V | 40-86V | 140A | 50A |
| KLS7215ND | 48-72V | 40-86V | 200A | Up to 105A * |
| KLS7215N | 48-72V | 40-86V | 200A | 60A |
| KLS7218ND | 48-72V | 40-86V | 220A | Up to 125A * |
| KLS7218N | 48-72V | 40-86V | 220A | 80A |
| KLS7222ND | 48-72V | 40-86V | 250A | Up to 130A * |
| KLS7222N | 48-72V | 40-86V | 250A | 85A |
| KLS7230ND | 48-72V | 40-86V | 280A | Up to 150A * |
| KLS7230N | 48-72V | 40-86V | 280A | 90A |
| KLS7235ND | 48-72V | 40-86V | 320A | Up to 165A * |
| Note: *Depends on conductive heat sink **Peak current can be prolonged with additional heat sink, easily over 2 minutes. | ||||
| Kelly KLS-N – Sinusoidal Brushless Permanent Magnet Motor Controller | ||||
| Model | Nominal Voltage | Max Operating Voltage | Peak Current 2 Minutes | Continuous Current |
| KLS4860NG | 36-48V | 30-60V | 400A | 160A-240A |
| KLS4875NC | 36-48V | 30-60V | 500A | 200A-300A |
| KLS48100NC | 36-48V | 30-60V | 600A | 240A-360A |
| KLS48120NC | 36-48V | 30-60V | 700A | 280A-420A |
| KLS7260NG | 48-72V | 40-86V | 400A | 160A-240A |
| KLS7275NC | 48-72V | 40-86V | 500A | 200A-300A |
| KLS72100NC | 48-72V | 40-86V | 600A | 240A-360A |
| KLS72120NC | 48-72V | 40-86V | 700A | 280A-420A |
Chapter 3 Wiring and Installation
3.1 Mounting the Controller
The controller can be oriented in any position which should be as clean and dry as possible, and if necessary, shielded with a cover to protect it from water and contaminants.
To ensure full rated output power, the controller should be fastened to a clean, flat metal surface with four screws. Applying silicon grease or some other thermal conductive material to contact surface will enhance thermal performance.
Proper heat sinking and airflow are vital to achieve the full power capability of the controller.
The case outline and mounting holes’ dimensions are shown below.
Figure 1: KLS2412ND KLS4812ND KLS7212ND KLS7215ND mounting holes’ dimensions
(dimensions in millimeters) B+,B-,U,V,W:M5 Bolts
Figure 2: KLS2412N KLS4812N KLS7212N KLS7215N mounting holes’ dimensions
(dimensions in millimeters) B+,B-,U,V,W:M5 Bolts
Figure 3: KLS2418ND KLS4818ND KLS7218ND KLS7222ND mounting holes’ dimensions
(dimensions in millimeters)
Figure 4: KLS2418N KLS4818N KLS7218N KLS7222N mounting holes’ dimensions
(dimensions in millimeters)
Figure 5: KLS2430ND KLS4830ND KLS7230ND KLS7235ND mounting holes’ dimensions
(dimensions in millimeters)
Figure 6: KLS2430N KLS4830N KLS7230N mounting holes’ dimensions
(dimensions in millimeters)
Figure 7: KLS4860NG KLS7260NG mounting holes’ dimensions
(dimensions in millimeters) +/B+/B-/U/V/W:M8
Figure 8: KLS4875NC KLS7275NC KLS48100NC KLS72100NC
KLS48120NC KLS72120NC mounting holes’ dimensions
(dimensions in millimeters) +/B+/B-/U/V/W:M8
Figure 9: With Aluminum Liquid Cooling Heatsink at the bottom
Only for 400A and above controllers mounting holes’ dimensions
(dimensions in millimeters) +/B+/B-/U/V/W:M8
3.2 Connections
3.2.1 Pin definition of KLS-N Controller
- The switch signal is valid to 12V
- 12V only can be used for LED or switch signals.
- Boost and brake analog regen use the same port on pin2.
- CAN bus is not included in KLS-N controller by default.
When boost is disabled in user program,pin2 is used as brake analog regen mode. When boost is enable,pin2 is used for boost function. You may not use two functions at the same time.
DJ7091Y-2.3-11 Pin Definition
(14) REV_SW: Reverse switch input. Orange
(6) RTN: Signal return or power supply return. Black
(12) FWD: Forward switch or can be enabled as High speed switch function. White
(11) 12V:12V Source Red
(25) 12V brake switch. Yellowish
(22) ECO: Low speed switch function. Blue
(33)CAN-H:Greenish(Optional function)
(7) PWR: Controller power supply (input). Pink
(34)CAN-L:Brownish(Optional function)
DJ7091Y-2.3-21 Pin Definition
(15) Micro_SW: Throttle switch input. Gray
(3) Throttle: Throttle analog input, 0-5V. Dark Green
(20) RTN: Signal return. Black
(8) Meter: Copy signal of hall sensors. Dark Gray
(4) 5V: 5V supply output, <40mA. Purple
(2) Brake_AN:Brake variable regen or Boost function. Brown
DJ7061Y-2.3-21 Pin Definition
(21) RTN:Signal return. Black
(1) Temp: Motor temperature sensor input. Raddle.
(5) 5V: 5V supply output,<40mA.Purple
(18) Hall A: Hall phase A. Yellow
(17) Hall B: Hall phase B. Dark Green
(16) Hall C: Hall phase C. Dark Blue
Notes:
- All RTN pins are internally connected.
- Meter function is to copy either of hall sensors.
- Switch to 12V is active. Open switch is inactive.
- F-N-R control and three speed function can not be used at the same time.They both used the same pin as pin12=FWD
Caution:
- Do not apply power until you are certain the controller wiring is correct and has been double checked. Wiring faults will damage the controller.
- Ensure that the B- wiring is securely and properly connected before applying power.
- The preferred connection of the system contactor or circuit breaker is in series with the B+ line.
- All contactors or circuit breakers in the B+ line must have precharge resistors across their contacts. Lack of even one of these precharge resistors may severely damage the controller at switch-on.

3.2.2 Standard Wiring of KLS-N Controller
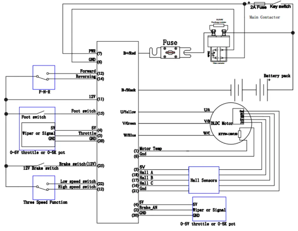
Figure 11: KLS-N controller standard wiring
(Battery voltage can be used for controller supply)
3.2.3 Optional wiring of KLS-N controller
The 12V input signal of the pin supplies the second braking function of the controller.
Figure 12: Wiring of brake switch(12V): 12V is provided by external source.
Figure 13: Wiring of brake switch(12V): 12V is provided by KLS-N controller on pin11 
Figure 14: Wiring diagram for motor temperature sensor
NOTE: KLS controller can support KTY84-130/150 and KTY83-122 thermistors.
3.2.4 Communication Port
A 4pin connector to RS232 port is provided to communicate with host computer for calibration and configuration.
Figure 15: RS232 Interface on 4pin connector to RS232 converter
Figure 16:SM-4P connector for communication interface on KLS-N controller
3.3 Installation Check List
Before operating the vehicle, complete the following checkout procedure. Use buzzer code as a reference as listed in Table 1.
Caution:
- Put the vehicle up on blocks to get the drive wheels off the ground before beginning these tests.
- Do not allow anyone to stand directly in front of or behind the vehicle during the checkout.
- Make sure the PWR switch and the brake is off
- Use well-insulated tools.
Make sure the wire is connected correctly- Turn the PWR switch on.
- The fault code will be detected automatically at restart.
- With the brake switch open, select a direction and operate the throttle. The motor should spin in the selected direction. Verify wiring or voltage and the fuse if it does not. The motor should run faster with increasing throttle. If not, refer to the Table 1 code, and correct the fault as determined by the fault code.
- Take the vehicle off the blocks and drive it in a clear area. It should have smooth acceleration and good power.
Chapter 4 Programmable Parameters
KLS Configuration program allow users to set parameters according to the vehicle actual working environment so as to be at its best.
The default parameters of the controller are not recommended for all applications. Make sure set the proper parameters before making any test to avoid danger.
Customers can do program on PC software or Android App. The Android Tablet is prefered.
First of all, people need to do Identification angle function for KLS controller before running the motor. The controller needs to be connected to batteries, motor and throttle before Identification operation. That is to say, it is not enough to connect only power supply(PWR=pin7) to batteries for Identification Angle operation.
Please download the instruction how to use Identification angle function from our website. www.kellycontroller.com/support.php
4.1 Step 1
(1)Low Volt: The min voltage of reporting this fault – Range 20~86, depending on model.
Controller will not operate when battery voltage is near the value so as to protect battery.
Suggestion: Set according to the practical situation.
(2)Over Volt: The max voltage of reporting this fault – Range 20~86, depending on model.
Controller will not operate when battery voltage is higher than the value so as to protect battery and controller.
Suggestion: Set according to the practical situation.
By default, It is 86V for 72V controller.
Controller Rated voltage | Under Voltage Range (V) | Over Voltage Range(V) |
| 24V | 20~30 | 20~30 |
| 60V | 40~80 | 40~80 |
| 72V | 40~86 | 40~86 |
Figure 4.1
(3)Current Percent: Phase Current Percent. Range: 20~100
Functional description: The max motor current is (The Value * Peak Current of the Controller).
Suggestion: Factory default is 100%.
(4)Battery Limit: Battery Limit Current, Limit the max value of Battery Current. Range: 20~100 Functional description: Set max battery current so as to protect battery. A lower value means a lower battery output current and better protective effect. But excessively low value will affect acceleration.
Suggestion: Factory default is 100%.
(5)Identification Angle: Please download the instruction to how to use Identification angle function from the website.
www.kellycontroller.com/support.php
If you can read 85 in Identification Angle item, that is to say, the system is stable and normal.
Please fill in 170 for Identification Angle item in user program. Then please click Write button in user program. Please wait a few seconds before restart the power supply. You will see some info on Monitor screen after power supply is reset. If you see Reset error on the Monitor screen, that is to say, the auto_Identification is finished. You can see 85 in the Identification Angle item again. And the controller will blink error code. This is normal. Please reset the power supply again. Then everything will be fine. The motor is ready to be drived by the KLS controller.
Range: 85 or 170, nothing else.
(6)TPS Low Err: Hall active pedal, if lower than the value, report the fault of TPS Type. Range: 0~20
(7)TPS High Err: Hall active pedal, if higher than the value, report the fault of TPS Type. Range: 80~100
As you may know, the output of hall throttle from Kelly is about from 0.86V to 4.2V.
Our controller will report 3.3 error code if the output of hall throttle is below 0.5V or above 4.5V by default.
The controller will think the hall throttle is shorted or damaged if the output is beyond the range from 0.5V to 4.5V.
You can adjust the threshold voltage below or above 0.5V.The controller will report the 3.3 code to protect the system according to different types of hall throttle.
Because there are many different hall throttle suppliers in the world.The initial output can not be always in the range of 0.5V to 4.5V.
But it doesn’t make any differences if you choose 0-5V or 3-wire pot for the throttle type.That is to say,these two settings are only useful for hall active throttle or pedal when you chose throttle type at 2.
As the same goes,it is valid to adjust the high threshold voltage above 4.5V or below 4.5V.
Usually the hall output voltage is 4.2V Max.If you adjust it to lower value which is near 4.2V,it may trigger the error code in normal way.
(8)TPS Type: TPS Type, 1:0-5V 3-wire 0-5K pot,5K is normal,2K-20K can be used;2:Hall active throttle or pedal. Range: 1~2
(9)TPS Dead Low: TPS Dead Zone Low. Range: 5~40
Functional description: Set throttle effective starting point
Suggestion: Set according to the practical situation, factory default is 20%*5V=1.0V.
(10)TPS Dead High: TPS Dead Zone High. Range: 60~95
Functional description: Set throttle effective ending point
Suggestion: Set according to the practical situation, factory default is 80%*5V=4.0V.
(11)Brake sensor type:Brake sensor type for brake variable regen mode:
1:0-5V 3-wire 0-5K pot,5K is normal,2K-20K can be used;2:Hall active throttle or pedal. Range: 1~2
(12)Brake sensor Dead Low: Brake sensor Dead Zone Low. Range: 5~40
Functional description: Set throttle effective starting point
Suggestion: Set according to the practical situation, factory default is 20%*5V=1.0V.
(13)Brake sensor Dead High: Brake sensor Dead Zone High. Range: 60~95
Functional description: Set throttle effective ending point
Suggestion: Set according to the practical situation, factory default is 80%*5V=4.0V.
(14)Max output Fre: Max output frequency. Unit: Hz
Functional description: It will affect the top speed of the motor.
Suggestion: Set according to the practical situation, factory default is 1000Hz.Please don’t set it 1000Hz above.
(15)Max Speed: Max Speed [rpm]. Range: 0~15000 By default, it is set at 4000.Software version 0109 can support 15000RPM settings in user program.
(16)Max Fwd Speed %: The forward speed of the percentage of maximum speed. Range: 20~100 By default, it is set at 100%
(17)Max Rev Speed %: The reverse speed of the percentage of maximum speed. Range: 20~100 By default, it is set at 100%
Midspeed Forw speed, Midspeed Rev speed, Lowspeed Forw speed and Lowspeed Rev speed.
Range: 20~100 By default, it is set at 100%.Both F-N-R control and three speed function used the same pin12.Needless to say, we can not use both functions at the same time. Three Gears switch is supposed to enable F-N-R control. When this item is disabled, we can use three speed function, vice versa.
Pin22 is low speed switch input port while Pin12 is high speed switch input port. When both pin22 and pin12 are disconnected from pin11,the controller is driving with medium speed mode.
Three speed: This item is used to enable or disable three speed function. By default, it is at 00:Three speed function is disabled.1:Two speed function.2:Three speed function is enabled.
(18)PWM Frequency: Frequency of PWM operation. Unit: KHz
Functional description:20KHz is better for hub motor with strict quiet control.
Suggestion: Set according to the practical situation, factory default is 20KHz.Please don’t set it 20KHz above.
Value Range:10KHz or 20KHz
(19)Start-up H-Pedal:
Value range: Enable and Disable
Functional description: If enabled, the controller will detect the current pedal status at power up.
If throttle got effective output, the controller will report fault and not operate.
Suggestion: Set according to the practical situation, factory default is Enable.
(20)Brake H-Pedal: Releasing Brake High Pedal Disable
Value range: Enable and Disable
Functional description: If enabled, the controller will detect the current pedal status when release the brake. If throttle got effective output, the controller will report fault and not operate.
Suggestion: Set according to the practical situation, factory default is Disable.
(21)NTL H-Pedal: Neutral position High Pedal Disable. Only useful when Three gears switch function is enabled.
If enable, the controller will detect the current pedal position or signal When the switch is in neutral poistion.
If the throttle got effective output signal, the controller will not operate and report fault code.
Suggestion: Set according to the practical situation, factory default is Disable.
(22)Joystick function:
If enable, the controller can drive the motor on two directions without using any reversing switch.
Just one single throttle can drive the motor on forward and reversing direction.
The stick shift throttle firmware can be called wig-wag or joystick operation. It is only a software function. Usually It is useful for electric boat project. You still can use the common 0-5K pot or 0-5V throttle for the controller. If you don’t choose the joystick, you operated the throttle in this way. The motor speed will increase when the throttle is from 0V to 5V.
If you enable joystick for this controller in user program, you will start the motor from 2.5V position.2.6V to 5V is forward.2.4V to 0V is backward.
2.4V to 2.6V is the throttle dead zone. Customers can adjust the throttle dead zone in user program also.
Please note the common throttle will spring back to original position if you release the throttle.
Suggestion: factory default is Disable.
(23)Three Gears switch: It is used for function of F-N-R control.
Please check the wiring diagram in the manual for F-N-R control.
Suggestion: Set according to the practical situation, factory default is Disable.
(20-A)Three Gears Switch
Value range: Enable and Disable
Functional description: If enabled, the Forward switch will be activated. Please see figure 4.1.
Suggestion: Set according to the practical situation, factory default is Disable.
(20-B)Foot Switch
Value range: Enable and Disable
Functional description: If enabled, the foot switch will be activated. The controller will not accept the throttle signal if the foot switch is turned off. Please see figure 4.1.
Suggestion: Set according to the practical situation, factory default is Disable.
| Configuration | Pin Status | Running Status | |||
| Forward Switch | Foot Switch | FWD_SW (12) | REV_SW (14) | Foot (15) | |
| Enable | Disable | OFF | OFF | x | Neutral |
| OFF | ON | x | Reverse | ||
| ON | OFF | x | Forward | ||
| ON | ON | x | Neutral | ||
| Disable | Enable | x | OFF | OFF | Can’t operate |
| x | ON | OFF | Can’t operate | ||
| x | ON | ON | Reverse | ||
| x | OFF | ON | Forward | ||
| Disable | Disable | x | OFF | x | Forward |
| x | ON | x | Reverse | ||
Note: X means can be on or off
Figure 4.2
(24)Boost: If enabled, the controller will output max power for a while.
Boost function is just full throttle position when you turn on boost switch even if the throttle is not operated at all.
The boost function is still based on limiting of the motor current and battery current settings in user program.
If disabled, the controller can provide brake sensor regen mode on the same pin as pin2.In simple, boost and brake analog regen used the same pin as pin2.
Suggestion: Set according to the practical situation, factory default is Disable. So the default function is brake variable regen mode.
(25)Foot switch: It is used for microswitch. If enabled, the controller will only accept the throttle signal after received the valid foot switch signal.
If there is no foot switch signal, the controller will ignore the throttle signal.
Suggestion: Set according to the practical situation, factory default is Disable.
(26)Cruise Control: Value range: Enable and Disable
If enable, if you hold throttle at certain position about 5 seconds, the controller will get into Cruise control. The Cruise function can not be activated in reversing direction. If the motor speed is below 500RPM,the Cruise control can not be activated.
Release throttle and turn the throttle again or turn on the brake switch will make the Cruise control quit.
Suggestion: factory default is Disable.
(27)Anti-Slip:
If enabled, the controller will try to prevent the vehicle rolling back on downhill faster and faster.
If the ratio of gearbox is high, it can try to help the motor stop on the downhill. But usually this function only helps motor stop rolling back too fast.
Suggestion: factory default is Disable.
(28)Change Direction:
If the direction is not what you expected after finish the Identification angle operation, please just choose Change Direction item.
Please click Write button to activate Change Direction function. The motor direction will be what you expected after the power supply is reset.
Suggestion: factory default is Disable.
4.2 Step 2
- Motor Nominal Curr: When the controller is doing identification angle operation without load on the motor shaft, there is a current requirement for identification operation. If the motor rated power is very high, please increase this parameter to a higher value. Otherwise please keep it at 80 by default. If the motor power is very low such as hundreds of watts, please reduce this parameter to lower value to match the low power motor for identification angle operation.
- Motor Poles: Motor Poles, The pair pole number*2. Range: 2~128
Suggestion: Set according to the real motor poles on the nameplate of the motor, factory default is at 8. - Speed Sensor Type: Speed Sensor Type, 2:Hal, 3:Resolver, 4:Line Hall. Range: 2~4
Different sensors type. By defualt, it is set at 2
If you have a motor with 5V,Sin/Cosin, GND speed sensors, please choose it at 4.And please inquire the KLS-8080IPS model before ordering. - Resolver Poles: Resolver Poles, The pair pole number*2. Range: 2~32
It is only used for the Resolver sensor type. - Motor Temp Sensor: Motor Temp Sensor, 0:None,1:KTY84-130 or 150,2:KTY83-122.Range 0-2
High Temp Cut Out °C: Motor High Temp Cut Out, nominal value 130°C. Range: 60~170
Resume °C: Motor High Temp Resume Temp, nominal value 110°C. The controller will resume work when the motor temp is at 110 degrees inside. Range: 60~170 - Line Hall Zero: It is only useful when the speed sensor is at 4.
Useless for KLS-N or KLS-M model.
4.3 Step 3
- RLS_TPS Brk %: RLS TPS Braking Percent, the percent of Releasing Pedal BRK in max braking. Range: 0~50
This is used to adjust the regen current of releasing throttle regen mode type. The regen will happen as long as the throttle is released completely.
Factory set is 0 - NTL Brk %: NTL Braking Percent, the percent of Neutral Braking in max braking. Range: 0~50
Only useful when you enable Three gears switch in user program.
The regen will happen when you turn F-N-R switch from Forward or backward to Neutral position.
Factory set is 0 - Accel Time: Accel Time, the time of TPS Torque from 0 to max, accuracy 0.1s, 5 is equal to 0.5s. Range: 1~250
Factory set is 10 - Accel Rls Time: Accel Release Time, the time of TPS Torque from max to 0, accuracy 0.1s.
Range: 1~250
Factory set is 1 - Brake Time: Brake Time, the time of Brake Torque from 0 to max, accuracy 0.1s. Range: 1~250
Factory set is 15 - Brake Rls Time: Brake Release Time, the time of Brake Torque from max to 0, accuracy 0.1s.
Range: 1~250
Factory set is 1 - BRK_SW Brk %: BRK_SW Braking Percent, the percent of BRK_SW in max braking. Range: 0~50
The brake switch regen mode. You have to turn on the brake switch after the throttle is released for the regen to occur.
Factory set is 10 - BRK_AD Brk%:It is used to adjust the max regen percentage of brake variable regen mode.
This regen mode doesn’t need brake switch to support any more for KLS controller. - Torque Speed KP: Speed Percent Kp in Torque Mode. Range: 0~10000 Factory set is 3000
Torque Speed KI: Speed Integral Ki in Torque Mode. Range: 0~500 Factory set is 80
Speed Err Limit: Speed Error Limit in Torque Mode. Range: 50~4000 Factory set is 1000
These three parameters are used for PID adjustment.
If you think the acceleration performance is very very strong, please adjust them to a lower value respectively. - Change Dir brake: Value range: Enable and Disable
It is only useful when you Enable the joystick function.
If you want to get swift direction changing by using joystick function, you may enable Change Dir brake item in user program.
It will help the motor change the direction of motor quickly after you shift throttle from 0V to 5V,or from 5V to 0V.
Suggestion: factory default is Disable. - Compensation Per%
Tried to increase the current usage during Anti-Slip operation. - IVT BRK MAX and IVT BRK MIN: These two items are only useful when Joystick function is enabled in the user program. When you want to use Change Dir Brake to reduce the delay time when you shift the direction under joystick operation, there is a RPM limitation to use Change Dir Brake function which is only activated when the motor RPM is between IVT BRK MIN and IVT BRK MAX.
Suggestion: factory default is Disable. - Torque Speed Kp:3000
Torque Speed Ki:80
Speed Err Limit:1000
These parameters are used for PID adjustment. If the acceleration is too aggressive, please reduce these three parameters at the same time, vice versa. Please change the Torque Speed Kp every 1000 units,Torque speed Ki every 100 units and Speed Err limit every 500 units.
Note: Thermistor is optional. Default to KTY84-130/150 or KTY83-122
When controller temp item shows 246 in monitor screen of user program,it is normal.This item is only useful for internal calculation for MCU.246 is about 11 degrees in environment.
4.4 How to use Identification angle operation function
We must do Identification angle operation before running motor for all KLS controllers. The Identification angle operation can be done in PC program or Android App(Tablet or Cell Phone).
KLS-N/M controller is designed for BLDC motor with three hall sensors. By default, the speed sensor type is set at 2 from factory setting for KLS-M controller.
- Please hook up the controller for identification angle operation according to the wiring diagram below. Please make sure there is no load on the motor shaft before starting the programming.

- Please connect the controller to user program by using an USB to RS232 cable and SM-4A DB9(RS232) Converter.
Customers also can use a Z-TEK USB to RS232 cable and SM-4A DB9(RS232) Converter to connect the controller to an Android Tablet.
The third option is customers can buy our Bluetooth converter to connect the controller to Android Phone. We don’t have to use SM-4A to DB9(RS232) converter any more when you use Bluetooth converter for programming the controller. - Please download the controller user program from our website for free.
www.kellycontroller.com/support.php
Please install the user program in your computer, Tablet or Phone. - Please turn on the key switch so that the controller can get power supply from B+/B- and Pin7.Please try to open the user program in your computer or other devices. Then you may try to click Read button in user program or App. You will see the first picture of user program.
Please check whether the Identification Angle item is at 85 or not. It is correct if identification angle item is at 85.But customers still need to run identification angle operation before driving.
Because the 85 means this controller finished the identification angle operation with the motor in factory before shipment. Your motor is different from the motor from controller supplier. - Please fill 170 in the identification angle item. And please click the write button. The user program will give a pop-up window which show the Write operation is successful. Please quit from the user program. Please turn off the power supply.
- Please turn on the power supply after the power supply is off for a few seconds. The motor shaft will try to run on directions randomly. It is normal because the controller is doing Identification angle operation.
- Please wait about 2-3 minutes.
- If the identification angle operation is finished, The beeper will beep an error code 3-2.And you will see reset error message in the monitor screen of user program. You can see the error message in monitor screen of user program for KLS-N controller also.
- Please turn off the power supply again. Please wait about a few seconds to turn on the power supply one more time.
- Please try to connect the controller to user program again. You will see 85 in the identification angle item. That is to say, the controller identification angle operation is successful. You can use the KLS-N/M controller to drive the motor now.
- As long as it is not reset error code, the value in identification angle will not go back to 85.The value is always at 170.That is to say, the controller is still in the processing of identification operation.
- Please don’t try to write 85 in the identification angle or reset the power supply if you don’t see any error codes.
- If the constant beep sound lasts above 5 minters and there are other error codes such as Identify error, hall err etc, please return to the first picture of user program. Please write 85 instead in identification angle by manual.
If there are no any error codes, you can not write it back to 85 by manual. Please wait longer time until the error codes occur.
Please don’t keep 170 in the identification angle item when you want to turn off the power supply.
Otherwise the controller will try to keep doing identification operation all the time as long as you turn on power supply again.
When the error codes occur, please quit from user program. Please try again from step 6. - Please don’t keep 170 in identification angle item before power supply is turned on after the identification operation is successful.
- If the direction of the motor is not what you expected, please don’t try to do Identification angle operation again. You just need to enable Change Direction item in the first picture of user program. Please click Write Button and reset the power supply to activate the setting. Then the motor will run on the expected direction.

Chapter 5 Maintenance
There are no user-serviceable parts inside the controllers. Do not attempt to open the controller as this will void your warranty. However, periodic, exterior cleaning of the controller should be carried out.
The controller is a high powered device. When working with any battery powered vehicle, proper safety precautions should be taken that include, but are not limited to, proper training, wearing eye protection, avoidance of loose clothing, hair and jewelry. Always use insulated tools.
5.1 Cleaning
Although the controller requires virtually no maintenance after properly installation, the following minor maintenance is recommended in certain applications.
- Remove power by disconnecting the battery, starting with battery positive.
- Discharge the capacitors in the controller by connecting a load (such as a contactor coil, resistor or a horn) across the controller’s B+ and B- terminals.
- Remove any dirt or corrosion from the bus bar area. The controller should be wiped with a moist rag. Make sure that the controller is dry before reconnecting the battery.
- Make sure the connections to the bus bars, if fitted are tight. To avoid physically stressing the bus bars use two, well-insulated wrenches.
5.2 Configuration
You can configure the controller with a host computer through either an RS232 or USB port.
- Disconnect motor wiring from controller for configuring existing parameters in the user program or Android APP. If this operation is too much extra job for you, please make sure the motor must be stopped before programming.
- The controller may display fault code, but it doesn’t affect programming or configuration. But it will affect the Identification angle operation. Please try to eliminate the error codes before Identification angle operation.
- Use a straight through RS232 cable or USB converter provided by Kelly to connect to a host computer. Provide >+18V to PWR(for a 24V controller, provide >+8V). Wire power supply return(supply negative) to any RTN pin.
- KLS controller requires a 4pin connector to Kelly RS232 Converter to support the communication. And customers may need a Z-TEK USB cable for Tablet with Android OS.
Customers may download PC software or Android APP to program the controller before running the motor. You may do Identification angle for brushless motor with hall sensors after running the software or Android APP. Every item in the configuration program can show the explanation automatically when you click it.
Caution:
- Make certain that the motor is connected before trying to run Identification angle function in the configuration software. The controller needs to be connected to batteries, motor and throttle before Identification operation. That is to say, it is not enough to connect only power supply(PWR=pin7) to batteries for Identification Angle operation.
- Configuration software will be regularly updated and published on the website. Please Update your Configuration Software regularly. You must uninstall the older version before updating.
- Please try to use Identify function for motor and hall sensors in the user program

Table 1: Error Codes
Buzzer Error Codes
Code | Explanation | Solution |
| 1,1 ¤ ¤ | Automatic error identification | 1. Wrong wiring of motor phase line or hall. Please suspend the motor when enable Auto-Identify function. |
| 1,2 ¤ ¤¤ | Over voltage error | 2.Battery voltage is too high for the controller. Check battery volts and configuration. 3. Regeneration over-voltage. Controller will have cut back or stopped regen. 4. This only accurate to ± 2% upon Overvoltage setting. |
| 1,3 ¤ ¤¤¤ | Low voltage error | 1. The controller will clear after 5 seconds if battery volts returns to normal. 2. Check battery volts & recharge if required. |
| 1,4 ¤ ¤¤¤¤ | Reserved | |
| 2,1 ¤¤ ¤ | Motor did not start | Motor did not reach 25 electrical RPM within 2 seconds of start-up. Hall sensor or phase wiring problem. |
| 2,2 ¤¤ ¤¤ | Internal volts fault | 1. Measure that B+ & PWR are correct when measured to B- or RTN. |
| 2. There may be excessive load on the +5V supply caused by too low a value of Regen or throttle potentiometers or incorrect wiring. 3. Controller is damaged. Contact Kelly about a warranty repair. 4. If this error code occurs,the relay function on plin9 will be deactivated. | |||
| 2,3 | ¤¤ ¤¤¤ | Over temperature | The controller temperature has exceeded 100℃. The controller will be stopped but will restart when temperature falls below 80℃. |
| 2,4 | ¤¤ ¤¤¤¤ | Throttle error at power-up | Throttle signal is higher than the preset ‘dead zone’ at Power On. Fault clears when throttle is released. |
| 3,1 | ¤¤¤ ¤ | Reserved | |
| 3,2 | ¤¤¤ ¤¤ | Internal reset | May be caused by some transient fault condition like a temporary over-current, momentarily high or low battery voltage. This can happen during normal operation. |
| 3,3 | ¤¤¤ ¤¤¤ | Hall throttle is open or short-circuit | When the throttle is repaired, a restart will clear the fault. |
| 3,4 | ¤¤¤ ¤¤¤¤ | Angle sensor error | 1. Speed sensor type error,customers may set the correct sensor type through user program or App. Please download how to use Identification function instruction from our website. 2. Incorrect wiring. 3. Speed sensor is damaged or defective.Or feedback signal is erratic. |
| 4,1 | ¤¤¤¤ ¤ | Reserved | |
| 4, 2 | ¤¤¤¤ ¤¤ | Reserved | |
| 4, 3 | ¤¤¤¤ ¤¤¤ | Motor over-temperature | Motor temperature has exceeded the configured maximum. The controller will shut down until the motor temperature cools down. |
| 4, 4 | ¤¤¤¤ ¤¤¤¤ | Hall Galvanometer sensor error | 1.Hall galvanometer device is damaged inside the controller. This error code is only valid for KLS-8080I controller. |
| Customers may read error codes in PC software or Android Tablet | |||
Contact Us:
Kelly Controls
Home Page: http://www.KellyController.com
Download user manual,instructions and user program:
www.kellycontroller.com/support.php
E-mail: [email protected]
Phone: (01) 224 637 5092
Make sure the wire is connected correctly
Customers also can use a Z-TEK USB to RS232 cable and SM-4A DB9(RS232) Converter to connect the controller to an Android Tablet.
The third option is customers can buy our Bluetooth converter to connect the controller to Android Phone. We don’t have to use SM-4A to DB9(RS232) converter any more when you use Bluetooth converter for programming the controller.
Please check whether the Identification Angle item is at 85 or not. It is correct if identification angle item is at 85.But customers still need to run identification angle operation before driving.



















