Kelly KDZ Series / PM
Motor Controller User’s Manual
| KDZ24200 KDZ24201 KDZ24300 KDZ24301 KDZ24400 KDZ24401 KDZ48200 KDZ48201 | KDZ48300 KDZ48301 KDZ48400 KDZ48401 KDZ48550 KDZ48551 KDZ48650E KDZ48651E | KDZ72200 KDZ72201 KDZ72300 KDZ72301 KDZ72400 KDZ72401 KDZ72550 KDZ72551 | KDZ72650E KDZ72651E KDZ72800E KDZ72801E KDZ12400 KDZ12401 |
Chapter 1 Introduction
1.1 Overview
This manual introduces the Kelly KDZ Series/PM Motor controllers’ features, their installation and their maintenance. Read the manual carefully and thoroughly before using the controller. If you have any questions, please contact the support center of Kelly Controls.
Kelly’s programmable motor controllers provide efficient, smooth and quiet controls for electric vehicles like golf carts, go-carts, electric motorcycles, forklifts and hybrid vehicles, as well as electric boats and industrial motor speed control. It uses high power MOSFET’s and, fast PWM to achieve efficiencies of up to 99% in most cases. A powerful microprocessor brings in comprehensive and precise control to the controllers. It also allows users to adjust parameters, conduct tests, and obtain diagnostic information quickly and easily.
Chapter 2 Main Features and Specifications
2.1 General functions
- Extended fault detection and protection. The LED flashing pattern indicates the fault sources.
- Monitoring battery voltage. It will stop driving if the battery voltage is too high and it will progressively cut back motor drive power as battery voltage drops until it cuts out altogether at the preset “Low Battery Voltage” setting.
- Built-in current loop and over current protection.
- Configurable motor temperature protection range.
- Current cutback at low temperature and high temperature to protect battery and controller. The current begins to ramp down at 90ﹾC(controller case temperature), shutting down at 100ﹾC.
- The controller keeps monitoring battery recharging voltage during regenerative braking, progressively cutting back current as battery voltage rises then cutting off regen altogether when voltage goes too high.
- Maximum reverse speed is configurable to half of the maximum forward speed.
- Configurable and programmable with a host computer though RS232 or USB. Provide free GUI which can run on Windows XP/2000, Windows 7 and Vista(recommend using Kelly Standard USB To RS232 Converter).
- Provision of a +5 volt output to supply various kinds of sensors, including Hall effect type.
- Multifunctional and configurable 3 switch inputs: brake switch, reversing switch, throttle or forward switch. Active low.
- 3 analog 0-5V inputs that default to throttle input, brake input and motor temperature input.
- Pulsed reverse alarm output.
- Maximum reverse power is configurable to half power.
- Configurable motor over-temperature detection and protection with the recommended thermistor KTY84-130/150 or KTY83-122.
- Optional 12V output power which can only be applied for Switch signals or LED. Any heavy load is inhibited.
Caution! Regeneration has braking effect but does not replace the function of a mechanical brake.
A mechanical brake is required to stop your vehicle. Regen IS NOT a safety feature! Controller may stop regen, without warning, to protect itself or the battery(it won’t protect you!).
2.2 Features
- Intelligence with powerful microprocessor.
- Synchronous rectification, ultra low drop, and fast PWM to achieve very high efficiency.
- Voltage monitoring on voltage source 12V and 5V.
- Hardware over current protection.
- Hardware over voltage protection.
- Current limit and torque control.
- Low EMC.
- LED fault code.
- Battery protection: current cutback, warning and shutdown at configurable high and low battery voltage.
- Rugged aluminum housing for maximum heat dissipation and harsh environment.
- Rugged high current terminals, and rugged aviation connectors for small signal.
- Thermal protection: current cut back, warning and shutdown at high temperature.
- Configurable Current-Mode or Voltage-Mode when Field Switch is enabled, to achieve higher safety and reliability.
- Configurable high pedal protection: the controller will not work if high throttle is detected at power on.
- Brake switch is used to start regen.
- 0-5V or 0-5K brake signal is used to command regen current.
- Capable of detecting short-circuit fault in the main contactor at power on.
- Easy installation: 1-4V “Hall Active” throttle, or 0-5K or 0-5V potentiometer(<100K) can work.
- Standard PC/Laptop computer is used to do programming. No special tools needed.
- User program provided. Easy to use. No cost to customers.
2.3 Specifications
- Frequency of Operation: 16.6kHz.
- Standby Battery Current: < 0.5mA.
- Controller power supply current, PWR, <150mA.
- Configurable battery voltage range, B+.
- Standard Throttle Input: 0-5K(2-wire resistive pot), 0-5V (3-wire resistive pot), 1-4V (hall active throttle).
- Analog Brake and Throttle Input: 0-5V or 0-5K.
- Reverse Alarm, Main Contactor Coil Driver, Meter.
- Full Power Temperature Range: 0ﹾC to 50ﹾC (controller case temperature).
- Operating Temperature Range: -30ﹾC to 90ﹾC, 100ﹾC shutdown (controller case temperature).
- Motor Current Limit, 1 minutes: 200A-800A, depending on the model.
- Motor Current Limit, continuous:80A-320A, depending on the model.
2.4 Naming Regulations

Kelly KDZ Brushed DC Series/PM Motor Controller
| Model | Peak Current 1 minute (Amp) | Continuous Current (Amp) | Nominal Voltage (Volt) | Max Operating Voltage(Volt) | Regen |
| KDZ24201 | 200 | 80 | 12-24 | 30 | * |
| KDZ24301 | 300 | 120 | 12-24 | 30 | * |
| KDZ24401 | 400 | 160 | 12-24 | 30 | * |
| KDZ48201 | 200 | 80 | 24-48 | 60 | * |
| KDZ48301 | 300 | 120 | 24-48 | 60 | * |
| KDZ48401 | 400 | 160 | 24-48 | 60 | * |
| KDZ48551 | 550 | 220 | 24-48 | 60 | * |
| KDZ48651E | 650 | 260 | 24-48 | 60 | * |
| KDZ72201 | 200 | 80 | 24-72 | 86 | * |
| KDZ72301 | 300 | 120 | 24-72 | 86 | * |
| KDZ72401 | 400 | 160 | 24-72 | 86 | * |
| KDZ72551 | 550 | 220 | 24-72 | 86 | * |
| KDZ72651 E | 650 | 260 | 24-72 | 86 | * |
| KDZ72801 E | 800 | 320 | 24-72 | 86 | * |
| KDZ12401 | 400 | 160 | 24-120 | 136 | * |
Chapter 3 Wiring and Installation
3.1 Mounting the Controller
The controller can be oriented in any position which should be as clean and dry as possible, and if necessary, shielded with a cover to protect it from water and contaminants.
To ensure full rated output power, the controller should be fastened to a clean, flat metal surface with four screws. A thermal joint compound can be used to improve heat conduction from the case to the mounting surface. The case outline and mounting holes’ dimensions are shown in Figure 1 and 2.
Caution:
- RUNAWAYS — Some conditions could cause the vehicle to run out of control. Disconnect the motor, or jack up the vehicle, and get the drive wheels off the ground before attempting any work on the motor control circuitry.
- HIGH CURRENT ARCS — Electric vehicle batteries can supply very high power, and arcs can occur if they are short circuit. Always turn off the battery circuit before working on the motor control circuit. Wear safety glasses, and use properly insulated tools to prevent short circuit.
Height: 62 millimeters
Figure 1: KDZ mounting holes’ dimensions (dimensions in millimeters)
Height: 62 millimeters
Figure 2: KDZ-E mounting holes’ dimensions (dimensions in millimeters)
3.2 Connections
3.2.1 Front Panel of KDZ Series or PM Motor Controller:
Three metal bars and two plugs (J1, J2) are provided for connecting to the battery, motor and control signals in the front of the controller shown as Figure 3 and 4.

B+: battery positive and armature positive
B-: battery negative
M-: armature negative

J1 Pin Definition
| 1- 12V output, <40mA(Optional) 2- Kelly Current meter. <200mA 3- Main contactor driver. <2A 4- Alarm: To drive reverse beeper. <200mA 5- RTN: Signal return 6- Green LED: Running indication 7- RTN: Signal return | 8- Reserved 9- Reserved 10- Reserved 11- Reserved 12- Reserved 13- RTN: Signal return, or power supply ground 14- Red LED: Fault code. |
J2 Pin Definition
| 1- PWR: Controller power supply (input) 2- RTN: Signal return, or power supply ground 3- RTN: Signal return 4- 12V high-level brake and motor temperature input. Demand use KTY84-130 Silicon temperature sensors. 5- Throttle analog input, 0-5V or 0-5K 6- Brake analog input, 0-5V or 0-5K 7- 5V: 5V supply output. <40mA | 8- Forward switch input 9- Reversing switch input 10- Brake switch input 11- Throttle switch 12- Reserved 13- Reserved 14- RTN: Signal return |
Notes:
- All RTN pins are internally connected.
- Kelly Ammeter positive connect to 5V power supply of controller, negative to J1-2.
- Switch to ground is active. Open switch is inactive.
Caution:
- Do not apply power until you are certain the controller wiring is correct and has been double checked. Wiring faults will damage the controller.
- Ensure that the B- wiring is securely and properly connected before applying power.
- The preferred connection of the system contactor or circuit breaker is in series with the B+ line.
- All contactors or circuit breakers in the B+ line must have precharge resistors across their contacts. Lack of even one of these precharge resistors may severely damage the controller at switch-on.
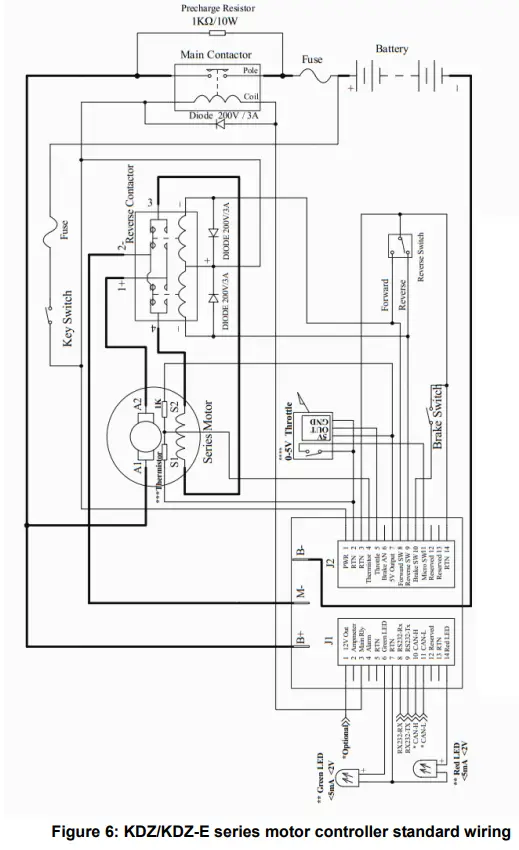
3.2.2 Standard Wiring of KDZ/KDZ-E Series or PM Motor Controller

NOTE:
O45K potentialmeter can be used as throttle signal. Wire 3V and RT to two end terminals, and wiper will owtput 0-5V signal.
Please securely wire B- before amy other wiring. Never put contactor or break on B-.
* CAN bus is depopulated by default.
** When you connect an external LED, the LED front panel brightness will be reduced.
*** Thermistor is optional item. default to KTY84-130.
**** KD can work with 2-wire pot.Please connect Low pot and Wiper to .J2 pin3 and J2 pin’ respectively.Subsequently please choose (-5K for the throttle type in user rogram.
*Optional This 12V source only can be applied for switch signals,LED.
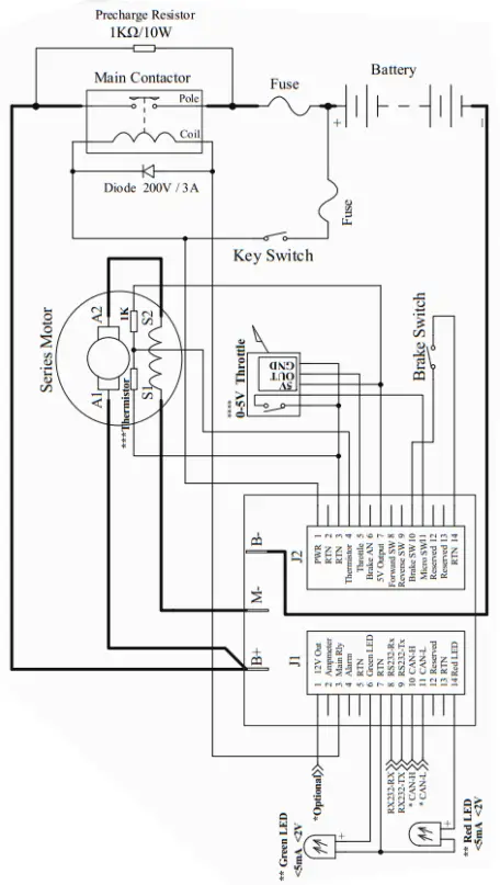
Figure 7: KDZ/KDZ-E Series motor controller standard wiring without Reversing Contactor
NOTE: 0-5 potentialmeter can be used as throttle signal Wire SV and RTS to two end terminals, and wiper will output 0-5¥V signal.
Please securely wire B- before any other wiring. Newer put contactor or break on B-.
*7CAN bus is depopulated by default.
** When vou connect an external LED, the LED front panel brightness will be reduced.
*** Thermistor is optional item. default to KTWS3-122.
**** KDE can work with 2-wire pot.Please connect Low pot and Wiper to J2 pin3 and J2 pins respectively.Subsequently please choose 0-5K for the throttle type in user program.
*(Qptional This 12V source only can be applied for switch signals,LED.
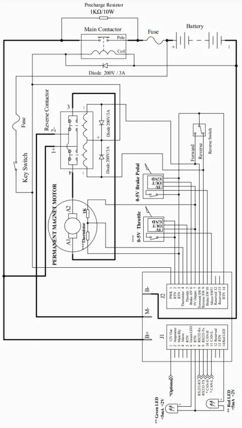
Figure 8 : KDZ/KDZ-E PM motor controller standard wiring
NOTE: Potentialmeter can be used to output -5V.Wire 5V and RIN to two end terminals, and wiper will output (+5V signal.
Please securely wire B-before any other wiring. Never put contactor or break on B-.
* CAN bus is depopulated by default.
** When you connect an extemal LED, the LED front panel brightmess will be reduced.
*** Thermistor is optional item. default to KTYS4-130.
**** KD can work with 2-wire pot.Please connect Low pot and Wiper to J2 pind and JZ pind respectively. Subsequently please choose (-SK for the throttle type in user program.
*(ptional This 12¥V source only can be applied for switch signals,LED.
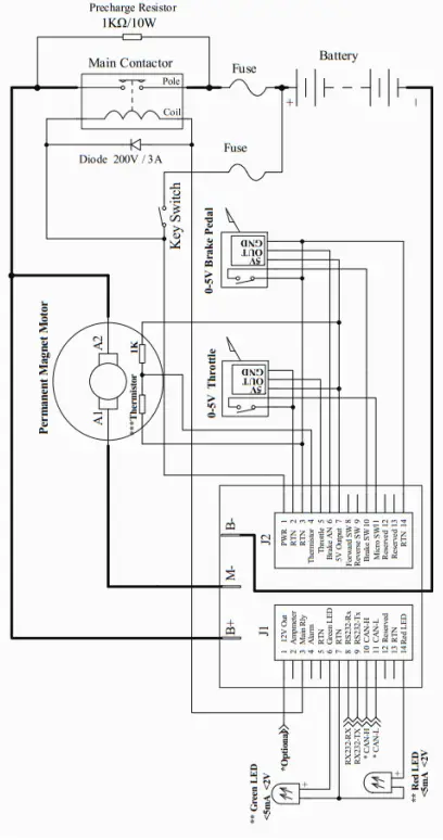
Figure 9 : KDZ/KDZ-E PM motor controller standard wiring without Reversing Contactor
NOTE: 0-5K potentialmeter can he used as throttle signal. Wire 5V and KIN to two end terminals, andto two output 0-5V signal.
Please securely wire B- before any other wiring. Never put contactor or break on B-.
* CAN bus is depopulated by default.
** When you connect an external LED, the LED front panel brightness Hill be reduced.
*** Thermistor is optional item. debult to 1(1113.1-130.
**** KDZ can work with 2-wire pot.Please connect Low pot and Wiper to J2 pin3 and .12 pin5 respectively Subsequently please choose 9-5K for the throttle type in user program.
* Optional This 12V source only can be applied for snitch signaLs.LED.

3.3 Installation Checklist
Before operating the vehicle, complete the following checkout procedures. Use LED code as a reference as listed in Table 1.
Caution:
- Put the vehicle up on blocks to get the drive wheels off the ground before beginning these tests.
- Do not allow anyone to stand directly in front of or behind the vehicle during the checkout.
- Make sure the PWR switch and the brake is off
- Use well-insulated tools.
- Make sure the wire is connected correctly.
- Turn the PWR switch on. The Green LED stay on steadily and Red LED turns off when the controller operates normally. If this does not happen, check continuity of the PWR and controller ground.
- The fault code will be detected automatically at restart.
- With the brake switch open, select a direction and operate the throttle. The motor should spin in the selected direction. Verify wiring or voltage and the fuse if it does not. The motor should run faster with increasing throttle. If not, refer to the Table 1 LED code, and correct the fault as determined by the fault code.
- Take the vehicle off the blocks and drive it in a clear area. It should have smooth acceleration and good top speed.
Chapter 4 Maintenance
There are no user-serviceable parts inside the controllers. Do not attempt to open the controller as this will void your warranty. However, periodic, exterior cleaning of the controller should be carried out.
The controller is a high powered device. When working with any battery powered vehicle, proper safety precautions should be taken that include, but are not limited to, proper training, wearing eye protection, avoidance of loose clothing, hair and jewelry. Always use insulated tools.
4.1 Cleaning
Although the controller requires virtually no maintenance after properly installation, the following minor maintenance is recommended in certain applications.
- Remove power by disconnecting the battery, starting with battery positive.
- Discharge the capacitors in the controller by connecting a load (such as a contactor coil or a horn) across the controller’s B+ and B- terminals.
- Remove any dirt or corrosion from the bus bar area. The controller should be wiped down with a moist rag. Make sure it is dry before reconnecting the battery.
- Make sure the connections to the bus bars, if fitted, are tight. To avoid physically stressing the bus bars use two, well-insulated wrenches.
4.2 Configuration
You can configure the controller with a host computer through either an RS232 USB port.
- Disconnect motor wiring from controller.
- Do not connect B+, throttle and so on. The controller may display fault code in some conditions, but it doesn’t affect programming or configuration.
- Use a straight through RS232 cable or USB Converter provided by Kelly to connect to a host computer.
- Provide >+18V to PWR (either J2 pin1). Wire power supply return to any RTN pin.
Download the free configuration software from:
http://www.kellycontroller.com/support.php
Caution:
- Make certain that the motor is disconnected before trying to run the Configuration Software!
- Configuration software will be regularly updated and published on the website. Please Update your Configuration Software regularly. You must uninstall the older version
before updating.
Table 1: LED CODES
| LED Code | Explanation | Solution | |
| Green Off | No power or switched off | 1.Check if all wires are correct. 2.Check fuse and power supply. | |
| Green On | Normal operation | That’s great! You got solution! | |
| 1,2 | ¤ ¤¤ | Over voltage error | 1.Battery voltage is too high for the controller. Check battery volts and configuration. 2.Regeneration over-voltage. Controller will have cut back or stopped regen. 3.This only accurate to ± 2% upon Overvoltage setting. |
| 1,3 | ¤ ¤¤¤ | Low voltage error | 1.The controller will clear after 5 seconds if battery volts returns to normal. 2.Check battery volts & recharge if required. |
| 1,4 | ¤ ¤¤¤¤ | Over temperature warning | 1.Controller case temperature is above 90°C. Current will be limited. Reduce controller loading or switch Off until controller cools down. 2.Clean or improve heatsink or fan. |
| 2,2 | ¤¤ ¤¤ | Internal volts fault | 1.Measure that B+ & PWR are correct when measured to B- or RTN. 2.There may be excessive load on the +5V supply caused by too low a value of Regen or throttle potentiometers or incorrect wiring. 3.Controller is damaged. Contact Kelly about a warranty repair. |
| 2,3 | ¤¤ ¤¤¤ | Over temperature | The controller temperature has exceeded 100°C. The controller will be stopped but will restart when temperature falls below 80°C. |
| 2,4 | ¤¤ ¤¤¤¤ | Throttle error at power up | 1.The throttle got effective signal at key-on. Cycle throttle can remove the error. You may reconfigure throttle effective range or foot switch 2.The acceleration throttle must be turned from zero up to high when the brake is released. Otherwise the controller will report this fault. |
| 3,1 | ¤¤¤ ¤ | Frequent reset | May be caused by over-voltage, bad motor intermittent earthing problem, bad wiring, etc. |
| 3,2 | ¤¤¤ ¤¤ | Internal reset | May be caused by some transient fault condition like a temporary over-current, momentarily high or low battery voltage. This can happen during normal operation. |
| 3,3 | ¤¤¤ ¤¤¤ | Wrong connection of throttle | Valid throttle signal is between 1V-4V. Fault report because signal is less than 0.5V or greater than 4.5V. |
| 3,4 | ¤¤¤ ¤¤¤¤ | Non-zero throttle on direction change | Controller won’t allow a direction change unless the throttle or speed is at zero. Fault clears when throttle is released. |
| 4,1 | ¤¤¤¤ ¤ | Regen over-voltage | Motor drive is disabled if an over-voltage is detected during regen. The voltage threshold detection level is set during configuration. |
| 4,2 | ¤¤¤¤ ¤¤ | Field error | 1.Field did not reach the configured current. 2.Field circuit open. Please check field wiring. |
| 4, 3 | ¤¤¤¤ ¤¤¤ | Motor over-temperature | Motor temperature has exceeded the configured maximum. The controller will shut down until the motor temperature cools down. |
| The Red LED flashes once at power on as a confidence check and then normally stays Off. “1, 2” means the Red flashes once and after a second pause, flashes twice. The time between two flashes is 0.5 second. The pause time between multiple flash code groups is two seconds. | |||
Contact Us:
Kelly Controls, LLC
Home Page: http://www.kellycontroller.com
E-mail: [email protected]
Phone: (01) 224 637 5092


















