PMR-3005K Air Motor Spindle
User Manual
Thank you for purchasing the Air Motor Spindle ” PMR – 3005K “. These Air Motor Spindles are designed for drilling, milling, and grinding with a NC lathe or a special purpose machine. The Air Line Kit (with lubricator) and compressor are required to drive these Air Motor Spindles. Read this and all the associated component Operation Manuals carefully before use. Always keep this Operation Manual in a place where a user can referred to for reference at any time.
CAUTIONS FOR HANDLING AND OPERATION
- Read these warnings and cautions carefully and only use in the manner intended.
- These warnings and cautions are intended to avoid potential hazards that could result in personal injury to the operator or damage to the device. These are classified as follows in accordance with the seriousness of the risk.
| Class | Degree of Risk |
| WARNING | A safety hazard could result in bodily injury or damage to the device if the safety instructions are not properly followed. |
| CAUTION | A hazard that could result in light or moderate bodily injury or damage to the device if the safety instructions are not followed. |
WARNING
- This Air Motor Spindle is not a hand tool. It is designed to be used on CNC machines or special purpose machines.
- Do not touch the cutting tool while it is running. It is very dangerous.
- Wear safety glasses, dust mask, and use a protective cover around the Ari Motor Spindle whenever the Air Motor Spindle is rotating.
- Never operate or handle the Air Motor Spindle until you have thoroughly read the Operation Manuals and safe operation has been confirmed.
1) To prevent injuries / damages, check the Air Motor Spindle and cutting tool for proper installation, before operating the Air Motor Spindle.
2) Before disconnecting the Air Motor Spindle, always turn the control power off and turn the compressed air supply off. Then it is safe to remove the Air Motor spindle. - When installing a tool, tighten the collet correctly and check again the collet and collet nut before use. Do not over-tighten the collet. This may cause damage to the spindle.
- Do not use bent, broken, chipped, out of round or sub-standard tools, as this may cause them to shatter or explode. Tools with fractures or a bent shank will cause injury to the operator. When using a new tool, rotate it in a low speed and increase speed gradually for safety.
- Do not exceed the maximum recommended allowable tool speed. For your safety, use speeds below the maximum allowable speed.
- Do not apply excessive force. This may cause tool slippage, tool damage, injury to the operator or loss of concentricity and precision.
CAUTION
- Do not drop or hit this Air Motor Spindle, as shock can damage to the internal components.
- Before use, carefully read ” Air Line Kit Operation Manuals ” regarding the correct connection, operation and cautions when using the Air Line Kit.
- Be sure to clean the collet and collet nut, the inside of the spindle before replacing the tool. If ground particles or metal chips stick to the inside of spindle or the collet, damage to the collet or spindle can occur due to the loss of precision.
- When cleaning an Air Motor Spindle, stop the Air Motor Spindle and remove debris with a soft brush or a cloth. Do not blow air into the dust proof cover area (refer to section ” 6 – 2 Outside View “) with compressed air as foreign particles or cutting debris may get into the ball bearing.
- Always clean the tool shank before installing the tool in the Air Motor Spindle.
- When sizing the correct collet size to the tool shank diameter, a tolerance of +0 ~ – 0.01mm is strongly recommended.
- A tool shank within the +0 ~ – 0.1mm range is mountable, however, this may cause poor concentricity and or insufficient tool shank gripping force.
- Operating the Air Motor Spindle in low Lubricant conditions will cause low rotation speed, damage to the internal components and shorter life of the Air Motor Spindle.
- Be sure to drain moisture and condensation from the Air Line Kit (air filter bowl) regularly to avoid moisture being carried to the Air Motor Spindle. This may cause damage to the Air Motor Spindle.
- Select suitable products or tools for all applications. Do not exceed the capabilities of the Air Motor Spindle or tools.
- Do not stop the Air Motor Spindle while coolant spray is being applied to the cutting tool. Removing the air pressure from the Air Motor Spindle causes a loss of purging, allowing the Air Motor Spindle to ingest coolant. This will cause damage to the Air Motor Spindle.
- Carefully direct coolant spray to the tool. Do not spray directly on the Air Motor Spindle body. If large amount splay directly on the Air Motor Spindle, it may cause excess load of the motor rotation with loss of durability to the Air Motor Spindle.
- Stop working immediately when abnormal rotation or unusual vibration are observed. Immediately, please check the content of section ” 14. TROUBLESHOOTING “.
- Always check if the tool, collet, collet nut, connection hose and supply air / oil hose for damaged before and after operating.
- If the colle or collet nut show signs of wear or damage, replace them before a malfunction or additional damage occurs.
- After installation, repair, initial operation, or long periods of non operation, please refer to section “11. BREAK-IN PROCEDURE ” detailed in Table. 2. When checking the Air Motor Spindle, no vibration or unusual sound should be observed during rotation.
- Do not disassemble, modify or attempt to repair this Air Motor Spindle. Additional damage will occur to the internal components. Service must be performed by NSK NAKANISHI or an authorized service center.
- When using this Air Motor Spindle for mass production, please consider the purchase of an additional Air Motor Spindle to be used as a back-up in case of emergency.
- Securely connect the compressor supply connection hose and the air / oil supply hose to the Air Line Kit and the Air Motor Spindle to avoid accidental disconnection during use.
BASIC PACKAGE
When opening the package, check if it includes all items listed in ” Table. 1 Packing List Contents “.
In the event of any shortage, please contact either us (see the ” 4. CONTACT US ” section) or your dealer.
Table. 1 Packing List Contents

WARRANTY
We provide a limited warranty for our products. We will repair or replace the products if the cause of failure is due to the following manufactures defects. Please contact us or your local distributor for the details.
- Defect in manufacturing.
- Any shortage of components in the package.
- Where damaged components are found when initially opening the package. (This shall not apply if the damage was caused by the negligence of a customer)
CONTACT US
For your safety and convenience when purchasing our products, we welcome your questions.
If you have any questions about operation, maintenance and repair of the product, please contact us.
Contact Us
| For U.S. Market Company Name Business Hours U.S. Toll Free No. Telephone No. Fax No. Website | :NSK America Corp. Industrial Div. : 8:00 to 17:00 (CST) (closed Saturday, Sunday and Public Holidays) : +1 800 585 4675 : +1 847 843 7664 : +1 847 843 7622 : www.nskamericacorp.com |
| For Other Markets Company Name Business Hours Telephone No. | :NAKANISHI INC : 8:00 to 17:00 (JST) (closed Saturday, Sunday and Public Holidays) : +81 289 64 3520 : [email protected] |
FEATURES
- No heat is generated for long continuous use due to air driven operation.
- The Air Motor Spindle housing is made from precision ground, hardened, stainless steel (SUS) with an outside diameter of φ30mm.
- By mounting a silencer on the back exhaust air / oil hose, the quiet operation of air turbine is remarkably improved.
- Various sizes of collets are available CHK 0.5mm – 6.35mm. Standard collet is CHK 3.0mm or CHK 3.175mm. (For U.S. market CHK 3.175mm.)
SPECIFICATIONS AND DIMENSIONS
6 – 1 Specifications
| Model | PMR – 3005K | I PMR – 3005K – RA | ||
| Maximum rotating speed at the tool | 5,000min’ (rpm) (at 0.5MPa (72.5psi) Air Pressure) | |||
| Spindle Accuracy | Less than 1pm | |||
| Reduction ratio | 1 / 4 | |||
| Appropriate Air Pressure | 0.3 – 0.5 MPa (43.5 – 72.5psi) | |||
| Air Consumption | 215N21 min | |||
| Max. Output | 130W | |||
| Supply and Exhaust Air / Oil Hose Dimensions | Supply : I.D. 954.0mm x O.D. 06.0mm Length : 2m Exhaust : I.D. 06.0mm x O.D. 08.0mm Length : 0.1m | |||
| Weight | 565g | |||
| Noise Level at 1m distance | Less than 75dB (A) | |||
| Temperature | Humidity | Atmospheric Pressure | ||
| Operation Environment | 0 – 40°C | MAX. 75°4 (No condensation) | 800 – 1,060hPa | |
| Transportation and Storage Environment | -10 – 50°C | 10 – 85% | 500 – 1,060hPa | |
< Option >
| Collet (CHK – ) *Note 1 | ∅ 0.5mm -∅ 6.0mm in 0.1mm increments and ∅ 2.35mm, ∅ 3.175mm, ∅ 4.76mm, ∅ 6.35mm |
| Metal Saw Arbor (KCH – 03) | For I.D. 0 6mm x O.D. ∅ 30mm |
CAUTION
The standard length of supply air/oil hose is 2m, and exhaust air/oil hose is 0.1m. When the supply and exhaust air/oil hose is longer than the standard length, the rotating speed is decreased.
6 – 2 Outside View


6 – 3 Torque Characteristics

CHANGING THE TOOL
CAUTION
Do not tighten the collet without inserting a tool or dummy bur, as this will damage the collet, spindle or collet nut, causing difficulty removing the collet.
RECOMMENDATION
Please set the cutting tools to minimize the overhang amount. 13mm is the maximum amount of overhang to maintain high accuracy and safety.
- Set the provided 12mm wrench on the spindle.
- Place the provided 14mm wrench on the collet nut and turn it counterclockwise to loosen the collet and remove the tool (The first turn will loosen the collet nut, but the tool will not release and turning will become stiff. Keep turning through the stiffness and the collet will open).
- Clean the collet and collet nut, then insert the new tool and tighten the collet by turning clockwise. Do not over-tighten.

REPLACING THE COLLET
CAUTION
When installing the collet in the collet nut, make sure to fully engage the latch inside the collet nut to the groove on the collets outer circumference area. In addition, remember that if the collet is attached without being engaged with the latch of the collet nut, the collet cannot be removed and this may cause damage to the collet or the spindle.
- Remove the tool according to the section ” 7. CHANGING THE TOOL ” procedure above and remove collet nut assembly (Fig. 5).
- The collet and collet nut are secured by a groove in the collet and a flange in the collet nut. To remove the collet hold the collet nut in one hand and push diagonally down on the collet. The collet should be released (Fig. 6).
- To install the collet, hold the collet at a slight angle, and insert it into the collet nut (Fig. 7). Press the collet in the collet nut by positioning the collet in the collet nut and pressing down on flat surface (Fig. 6).
Be sure to fully engage the latch inside the collet nut into the groove on the collets outer circumference area (Fig. 8).
INSTALLATION OF THE AIR MOTOR SPINDLE
CAUTION
- When installing an Air Motor Spindle, do not hit, drop or cause shock to the Air Motor Spindle. This may cause damage to internal components and result in malfunctions.
- When mounting the Air Motor Spindle, be sure to mounting within Clamping Area etched on the Air Motor Spindle O.D. If the Air Motor Spindle is installed incorrectly, damage to the internal components is possible.
- Cautions when tightening the securing bolt on to a Split Type Holder Do not over-tighten the bolt. This will cause damage to Air Motor Spindle’s precision.
Tighten the bolt until the Air Motor Spindle body can not be rotated by hand within the fixture.
Extreme tightening is not necessary or recommended.
Apply working force and check that the Air Motor Spindle is tight before using.
- When mounting an Air Motor Spindle, refer to the Clamping Area etched on the Air Motor Spindle (Fig. 9).
* When installing an Air Motor Spindle, use a” Grip Ring GR-30 (sold separately) “(Fig. 10) recommended. If the Grip Ring GR-30 (sold separately) cannot be used due to the restriction of dimension and space, install as shown in ② below. - When installing an Air Motor Spindle to the holder, recommended installation method is shown Fig. 11. Refer to ” ③ How to fabricate the Split Type Holder.
If this is not possible, install as shown in Fig. 12.
CAUTION
Do not allow set screws to come directly in contact with the Air Motor Spindle body as shown in Fig. 13, as this will result in damage to the Air Motor Spindle housing and internal components.
When installing, never clamp directly over the bearings, as this will result in bearing damage. (Refer to Fig. 14)
- How to fabricate the Split Type Holder
(1) Rough bore the inside diameter of the Split Type Holder.
(2) Cut a slit. (Ex. Slit 2mm) wide.
(3) Tighten the Screw for Removal and Force Open the Slit Area.
(4) Insert a spacer (Ex. thickness = 2mm) into the Slit Area.
(5) Loosen the Screw for Removal, and tighten the fastening bolt with the specified torque.
(6) Finish the Split Type Holder so that the inside diameter of the Split Type Holder is φ30 with its tolerance range from
– 0.01mm to – 0.015mm, and its roundness and cylindricity of less than 5µm.
(7) When inserting the Air Motor Spindle loosen the Fastening Bolt, and tighten the Screw for Removal, widening the Slit Area.
CAUTION
The final responsibility for ensuring holder’s safety for use in a given application is left to the designer of the equipment in which NAKANISHI’s Air Motor Spindle is installed.
NAKANISHI offers Air Motor Spindle with a wide variety of capabilities and specifications.
Please carefully check the Air Motor Spindle’s specifications against the requirements of your equipment and verify suitability and safety of the Holder prior to initial use.
CONNECTION TO THE AIR LINE KIT
CAUTION
Make sure to turn the compressed air supply to the Air Line Kit OFF, before replacing the Lubricating Oil or draining the water in Lubricating Oil.
- Connect the Filter Joint of the supply air / oil hose to the Secondary Joint ( φ6 One – Touch Joint) of the Air Line Kit (Fig. 16 ① ).
- Fill Oil Reservoir through the Oil Filler Cap with recommended NAKANISHI Lubricating Oil (K – 211 : Air Line Kit’s Standard Accessories) to Upper Limit. Disconnect from air supply prior to opening Oil Filler Cap. Do not over or under fill.
- Connect the connection hose (Air Line Kit’s Standard Accessories) to the Primary Joint of the Air Line Kit and Compressor (Fig. 16 ② ).
- Supply air from the air compressor and turn the Regulator Knob to set air pressure between 0.3 – 0.5 MPa (43.5 – 72.5psi).
- Turn the ON / OFF Valve and rotate the Air Motor Spindle with recommended proper air pressure.
Adjust the Oil Drip Rate to the recommended volume which is 1 to 3 drops / min. (Commercially Air Line Kit is same Oil Drip Rate).
(If using the ” AL – 0304 ” or ” K – 239 ” Air Line Kit, adjust the proper Oil Drip Rate to 30 – 40 drops / min).
※ Refer to the Operation Manual of the Air Line Kit for detailed information. - Be sure to adjusted to proper Oil Drip Rate before using the Air Motor Spindle.
Lubricating Oil
Use ISO VG15 Liquid Paraffin (Shell Ondina Oil #15) in the Air Line Kit lubricator bowl. (For U.S.A. specification, use Chevron Superla #9).
Model
- Lubricating Oil (K – 211) 70cc
- Lubricating Oil (K – 202) 1ℓ
CAUTIONS IN USING AIR LINE KIT
- When connecting the Compressor and Air Line Kit, recommended install the air filter or air dryer to between Compressor and Air Line Kit in order to supply clean dry air to the Air Motor Spindle.
- Using compressed air containing excessive moisture could result in malfunction or failure of the Air Motor Spindle. If excessive moisture or condensation are found in Air Filter Bowl (Filter Regulator Bowl), it will be necessary to install a dryer and larger Air Filter on the Primary Joint side of the Air Line Kit to prevent and remove excessive moisture.
- Connect the input air supply connection hose and supply air / oil hose securely to avoid accidental disconnection during use. Input air pressure should never exceed 1.0MPa (145psi). Air pressure exceeding 1.0MPa (145psi) may cause the supply connect ion hose and or air / oil hose supply to rupture.
- Make sure operation air pressure is less than 1.0MPa (145psi) before connecting the input supply connection hose and air / oil supply hose. If operation air pressure is exceeds 1.0MPa (145psi), injury to the operator may occur by accidental disconnection before or during use.
- Before use, carefully read ” Air Line Kit Operation Manuals ” regarding the correct connection, operation and cautions when using the Air Line Kit.

BREAK-IN PROCEDURE
During transportation, storage or installation, the grease inside the bearings will settle. If the Air Motor Spindle is suddenly run at high-speed, the grease will be ejected from the bearings, causing excessive heat that will cause bearing damage.
After installation, repair, initial operation, or long periods of non operation, please follow the break-in procedure detailed in Table. 2.
Table. 2
| Steps | 1 | 2 | 3 | 4 | 5 | |
| Air Pressure | MPa | 0.1 | 0.2 | 0.3 | 0.4 | 0.5 |
| psi | 15. | 29 | 44. | 58 | 73. | |
| Rotation Time (min) | 15 | 10 | 10 | 10 | 15 | |
| Items to Check | No Abnormal Noises. | The Air Motor Spindle housing temperature during the break-in process should not exceed 20 degrees C (36 degrees F) above ambient temperature. Should the Air Motor Spindle exceed this limit, rest the Air Motor Spindle for at least 20 minutes and re-start the break in procedure from the beginning. If the housing temperature rises again and exceeds 20 degrees C (36 degrees F) above ambient temperature, check the Air Motor Spindle for proper installation. | The Air Motor Spindle housing temperature during the break-in process should not exceed 20 degrees C (36 degrees F) above ambient temperature. | |||
GREASE INJECTION
CAUTION
- Be sure to use our specified grease. The other type grease may cause damage to the Air Motor Spindle.
- When the thread on the side of the Air Motor Spindle is removed, need to stop the air supply.
Failure to stop the air flow will cause grease to spray out of the grease inlet.
To extend the durability of the reduction gear, inject grease at every 70 – 100 hours in the manner described below.
Grease injection prevents the friction of the parts assembled inside as well as heat generation. It also prevents the degradation of grease inside.
Periodic grease injection is an important part of routine maintenance.
12 – 1 Grease Injection
- Turn the ON / OFF Valve of the Air Line Kit to OFF position and stop the air supply.
- Remove the Grease Inlet Screw on the Air Motor Spindle with a screw driver (Fig. 17).
- Mount the Grease Nipple on the top of the provided Grease Dispenser. And attach the Grease Nipple on the topped hole removed ththread in the step.
- Holding the Grease Dispenser, turn the ON /OFF Valve of the Air Line Kit to ON position and start the air supply.
- Inject grease about 0.5mℓ.
CAUTION
Too much grease generates high heat, make sure to only supply the volume of grease as specified. - Turn the ON / OFF Valve of the Air Line Kit to OFF position and stop the air supply. then remove the Grease Nipple from the Air Motor Spindle.
Finally tighten the screw.
12 – 2 After Grease Injection
- After grease injection, please carry out break-in as follow. Start rotating slowly and over a short period of time, increase speed gradually until Maximum Allowable Motor Rotation Speed (refer to section ” 11. BREAKE-IN PROCEDURE “).
- When air supply starts again, excess grease may come out at the Dust Proof Cover Area. Clean off the grease completely.
* Can purchase our specified grease as standard accessories. Please purchase and use the Grease Dispenser inject with our specified grease (Table 3).
Table. 3 Grease
| Product | Description | Code No. | |
![]() | Grease for Reducer | (2.5m.P ) | 1547 |
| (10mP) | 1550 | ||
![]() | (100m.2) | 1549 | |
CAUTIONS WHEN USING GRINDSTONES AND TOOLS
CAUTION
The maximum surface speed or rpm is always specified for a grindstone. Do not exceed the maximum speed with reference to the calculating chart below. Always follow the grindstone manufacturer’s recommendations.
| Surface Speed (m / s) | 3.14 x Diameter (mm) x Rotation Speed (min-1) (rpm) |
| 1,000 x 60 |
- The proper surface speed for general grindstones is 10 – 30m / s.
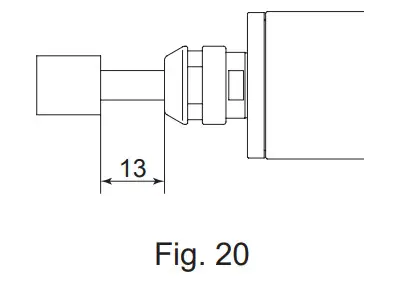
- Do not exceed 13mm of overhang for mounted grindstones as shown in Fig. 20. If the overhang must exceed 13mm, reduce the motor speed in accordance with Table. 4.
- Dress the grindstone prior to use.
- Do not use cutting tools with bent or broken shanks, cracks or excessive run-out.
- For grinding, the maximum depth of cut should not exceed 0.01mm radially or axially. Reciprocate the tool several times after each pass to eliminate tool pressure.
- Always operate cutting tools within the allowable recommended speed of the cutting tools. Use of a cutting tool outside of the allowable speed of the cutting tools could cause damage to the spindle and injury to the operator.
- Keep the cutting tool shank and collet clean. If contaminants are left in the collet or collet nut, excessive runout will cause damage to the cutting tool and or spindle.
- Do not strike or disassemble the spindle.
- Please set the cutting tools to minimize the overhang amount. 13mm is the maximum amount of overhang to maintain high accuracy and safety.
Table. 4 Overhang and Speed
| Overhang (mm) | Max. Speed (min-1 ) (rpm) |
| 20 | N x 0.5 |
| 25 | N x 0.3 |
| 50 | N x 0.1 |
*N = Max. Operating Speed with 13mm overhang.

TROUBLESHOOTING
If a problem or concern occur, please check the following items prior to consulting your dealer.
| Trouble | Cause | Inspection / Corrective Action |
| Air Motor Spindle does not rotate or rotate smoothly. | Air flow does not reach the Air Motor spindle. | Check if input supply connection hose or air / oil supply hose is broken, bent or disconnected. |
| Check connection of the input supply connection and air / oil supply hoses. | ||
| Check the compressor power supply and the air compressor output. | ||
| Check the Regulator and set to the correct air pressure. Check all connections input supply and air / oil supply hose. | ||
| The spindles ball bearings have been damaged. | Replace the ball bearings. (Return to NAKANISHI dealer service.) | |
| The motor has been damaged by for no Lubricating Oil. | Replace the motor. (Return to NAKANISHI dealer service.) | |
| Air Motor Spindle speed is too slow. | The connection hose or air / oil supply hose have been damaged. | Replace the input supply and or air / oil supply hoses. |
| Poor connection of input supply or air / oil supply hose. | Check all threaded joints and re-tighten if necessary. | |
| Low air pressure. | Check the Compressor, Air Circuit, and Regulator. |
| Trouble | Cause | Inspection / Corrective Action |
| Air Motor Spindle speed is too slow. | Low Lubricating Oil. | Check lubricator for proper lubricant level. Set the Oil Drip Rate from 1 to 3 drops /min. * If using the ” AL – 0304 or K – 239 ” Air Line Kit, adjust the proper Oil Drip Rate to 30 – 40 drops / min. |
| No Lubricating Oil. | Clean inside of the motor use the Lubricating Oil. Removing the Filter Joint from Air Line Kit, supply a small amount of Lubricating Oil directly into the Filter Joint. Afterwards, supply air pressure and rotate the Air Motor Spindle. Flush dirt in the motor and repeatedly do this work about three times. When the improvement is not seen, return to NAKANISHI dealer service. | |
| Water, dirt and debris are collected in the Air Filter. | Drain water, dirt and debris from the Air Filter Bowl. | |
| Water in Lubricating Oil reservoir. | Drain water from Lubricating Oil reservoir and replace with clean Lubricating Oil. | |
| Oscillating Air Motor Spindle rotation. | Lubricator inclined or upside down. | Inclined or upside down lubricator will flood spindle with lubricating Oil. |
| Excessive Oil Drip Rate flooding the bearings. | Oil drip rate exceeds the recommended amount. Adjust for the proper Oil Drip Rate. | |
| Over filled lubricator. (Air Line Kit ” AL – 0304 or K – 239 ” only.) | Drain the Lubricating Oil from Reservoir to meet indicated levels. Excess lubricant will flood spindle. | |
| Overheating during rotation. | Cutting debris has contaminated the ball bearings, and the ball bearings are damaged. | Replace the ball bearings. (Return to NAKANISHI dealer service.) |
| Abnormal vibration or noise during rotation. | The tool shank is bent. | Replace the tool. |
| Cutting debris has contaminated the ball bearing. | Replace the ball bearings. (Return to NAKANISHI dealer service.) | |
| The spindle ball bearings have been damaged. | ||
| Tool slippage. | Collet or collet nut are not correctly installed. | Check and clean the collet and collet nut. Reinstall the collet and collet nut. |
| The collet and the collet nut are worn. | Replace the collet and collet nut. | |
| High run-out. | The tool is bent. | Change the tool. |
| Collet nut is not correctly installed. | Secure the collet and the collet nut correctly. | |
| The collet and the collet nut are worn. | Replace the collet and the collet nut. | |
| Inside of the spindle is worn. | Replace the spindle shaft. (Return to NAKANISHI dealer service.) | |
| Contaminants inside the collet and the collet nut or the spindle. | Clean the collet, collet nut and the inside of the taper and spindle. | |
| The spindle ball bearings have been damaged. | Replace the ball bearings. (Return to NAKANISHI dealer service.) |
Refer to the Air Line Kit (AL – M1202) Operation Manual.
DISPOSAL OF THE AIR MOTOR SPINDLE
When disposal of an Air Motor Spindle is necessary, follow the instructions from your local government agency for proper disposal of industrial components.
| NAKANISHI INC. 700 Shimohinata, Kanuma Tochigi 322-8666 Japan www.nakanishi-inc.com | NSK Europe GmbH Elly-Beinhorn-Strasse 8 65760 Eschborn Germany |
| NSK America Corp. 1800 Global Parkway Hoffman Estates IL 60192, USA www.nskamericacorp.com | NSK United Kingdom Ltd. UK Authorised Representative Office 4, Gateway 1000 Arlington Business Park, Whittle Way Stevenage, SG1 2FP, UK |
* When installing an Air Motor Spindle, use a” Grip Ring GR-30 (sold separately) “(Fig. 10) recommended. If the Grip Ring GR-30 (sold separately) cannot be used due to the restriction of dimension and space, install as shown in ② below.


CAUTION





















