Spindle
NR-2551 ・NR-H2551
OM-KK0983EN 000
OPERATION MANUAL
Thank you for purchasing this spindle. This spindle is suitable for grinding, small diameter drilling and milling. The air motor or electric motor and air line kit are required to drive this spindle. Read this Operation Manual carefully before use to ensure years of trouble-free operation
CAUTIONS FOR HANDLING AND OPERATION
■ Read these warnings and cautions carefully and only use in the manner intended.
■ These warnings and cautions are intended to avoid potential hazards that could result in personal injury or damage to the device. These are classified as follows in accordance with the seriousness of the risk.
| Class | Degree of Risk |
| A safety hazard could result in bodily injury or damage to the device if the safety instructions are not properly followed. | |
| A hazard that could result in light or moderate bodily injury or damage to the device if the safety instructions are not followed. |
WARNING
- The spindle is not a hand tool. It is designed to be used on CNC machines or special purposemachines.
- Do not touch the cutting tool while it is running. It is very dangerous.
- Wear safety glasses, dust mask, and use a protective cover around the spindle whenever thespindle is rotating.
- Never touch the power cord with wet hands. This may cause an electric shock.
- Never operate or handle the spindle until you have thoroughly read the owner’s manual andsafe operation has been confirmed.
- To prevent injuries/damages, check the spindle and cutting tool for proper installation, thenoperate the spindle.
- Before disconnecting the spindle, always turn the control power off and turn the compressedair supply to the control unit off. Then it is safe to remove the spindle.
- When installing a tool, tighten the collet chuck correctly and check again the collet chuck andchuck nut before use. Do not over tighten the collet chuck. This may cause damage to thespindle.
- Do not use bent, broken, chipped, out of round or sub-standard tools as they may causeshatter or explode. The tool with cracked, bended may cause some injury to operator.
When using a new tool, rotate it in a low speed and increase speed gradually for safety. - Do not exceed the maximum recommended allowable tool speed. For your safety, use speedsbelow the maximum allowable speed.
- Do not apply excessive force. This may cause tool slippage, tool damage, injury to theoperator, loss of concentricity and precision.
CAUTION
- Do not drop or hit the spindle, as shock can damage to the internal components.
- Be sure to clean the collet chuck and chuck nut, the inside of the spindle before replacing the tool. If ground particles or metal chips stick to the inside of spindle or the collet chuck, damage to the collet chuck or spindle can occur due to the loss of precision.
- When cleaning a spindle, stop the motor and remove dirt with a brush or a cloth. Do not blow air to a dust proof cover area (refer to Section 3 – 2 “Outside view”) with compressed air, foreign particles or cutting chips might get into the ball bearing.
- Always clean the tool shank before installing the tool in the spindle.
- When sizing the correct collet chuck size to the tool shank diameter, a tolerance of +0 ~ -0.01mm is strongly recommended. A tool shank within the +0 ~ -0.1mm range is mountable, however, this may cause poor concentricity and or insufficient tool shank gripping force.
- Select suitable products or tools for all applications. Do not exceed the capabilities of the spindle or tools.
- Carefully direct coolant spray to the tool. Do not spray directly on the spindle body.
- Stop working immediately when abnormal rotation or unusual vibration are observed. Afterwards, please check the content of Section 10 “TROUBLESHOOTING”.
- Always check if the tool, collet chuck or chuck nut are damaged before and after operating.
- If the collet chuck or chuck nut show signs of wear or damage, replace them before a malfunction or additional damage occurs.
- After installation, repair, initial operation, or long periods of non operation, please refer to Section 8 “BREAK-IN PROCEDURE” detailed in Table 1. When checking the spindle, no vibration or unusual sound should be observed during rotation.
- Do not disassemble, modify or attempt to repair the spindle. Additional damage will occur to the internal components. Service must be performed by NSK NAKANISHI or an authorized service center.
- When using the spindle for mass production, please purchase the another spindle as a spare in case of an emergency.
FEATURES
- The spindle housing is made from precision ground, hardened, burned stainless steel (SUS) with an outside diameter of φ25mm /φ25.4mm.
- The NR-2551/H2551 utilize ceramic bearings for 50,000min -1.
- Various sizes of collet chucks are available CHK 0.5mm-6.35mm. Standard collet chuck is CHK 3.0mm or CHK 3.175mm. (For U.S. market CHK 3.175mm.)
SPECIFICATIONS AND DIMENSIONS
3 – 1 Specifications
| Model | NR-2551/NR-H2551 |
| Allowable Motor Speed | 50,000min-1 |
| Spindle Accuracy | Within 1μm |
| Weight | 253g |
| Outside Diameter φD | φ25mm (NR-2551) φ25.4mm (NR-H2551) |
Standard Accessories
- Chuck Nut (K-265)・・1pc.*
- Wrench (12 × 14)・・2pcs.
- Wrench (22 × 27)・・1pc.
- Operation Manual・・1set.
※ The chuck nut is attached to the spindle.
<Option>
| Collet Chuck (CHK- □□ ) *Note 1 | φ0.5mm ~ φ6.0mm in 0.1mm increments and φ2.35mm、 φ3.175mm、 φ6.35mm |
| Chuck Nut | K-265 |
*Note 1 : Collet Chuck is sold separately. Please select the suitable collet chuck size for your application.
3 – 2 Outside View

CONNECTION TO THE MOTOR
CAUTION
- Make sure your hands and all interlocking parts of the spindle and motor are clean before connecting the motor to the spindle. This is critical to prevent contaminants from entering the motor or spindle.
- The new drive clutch is (+) configuration. The (+) drive spindles were designed to be used with (+) drive motors and speed reducers.
Fig. 2
Align the threads on the front end of the motor and the rear end of the spindle, and turn the spindle clockwise.If the drive shaft of the motor does not engage the drive dog on the spindle, the spindle could not be turned. DO NOT FORCE. Turn the spindle back a few threads, rotate the cutting tool by hand to engage the drive shaft and the drive dog, and make the final turns with wrench 22mm provided.

CHANGING THE TOOL
CAUTION
Do not tighten the collet chuck without inserting a tool or dummy bur, as this will damage the collet chuck, spindle or chuck nut, causing difficulty remove the collet chuck.
- Set the provided 12mm wrench on the spindle.
- Place the provided 14mm wrench on the chuck nut and turn it counterclockwise to loosen the collet chuck and remove the tool. (The first turn will loosen the chuck nut, but the tool will not release and turning will become stiff. Keep turning through the stiffness and the collet chuck will open.)
- Inset the new tool and tighten the collet chuck by turning clockwise.

REPLACING THE COLLET CHUCK
- Remove the tool according to the section 5. “CHANGING THE TOOL” procedure above and remove chuck nut assembly (Fig. 5).
- The collet chuck and chuck nut are held together by a groove in the collet chuck and a flange in the chuck nut. To remove the collet chuck hold the chuck nut in one hand and push diagonally down on the collet chuck. The collet chuck should pop out. (Fig. 6)
- Install the new collet chuck in the chuck nut by positioning the collet in the chuck nut and pressing down on a flat surface. (Fig. 6)

INSTALLATION OF THE MOTOR AND SPINDLE
WARNING
In case of using the electric motor, when installing a spindle to a fixed base, make sure the fixed base is grounded in order to avoid the risk of an electric shock.
CAUTION
- When installing a spindle, do not hit, drop or cause shock to the spindle. This may cause damage to internal components and result in malfunctions.
- If the spindle is installed incorrectly, this will cause and damage to the spindle.
- When mounting the spindle, refer to the Clamping Area etched on the spindle. ( Fig. 7)

- The installation shown in Fig. 8 is the recommended fixturing method. If this is not possible, install as shown in Fig. 9. Do not allow set screws to come directly in contact with the spindle body as shown in Fig. 10, as this will result in damage to the spindle housing and internal components.
When mounting, never clamp directly over the bearings, as this will result in bearing damage.

CAUTION
- Cautions when tightening the securing bolt
Do not over tighten the bolt. This may cause damage to spindle’s precision.
Tighten the bolt until the spindle body can not be turn by hand within the fixture.
Extreme tightening is not necessary or recommended.
Apply working force and check that the spindle is tight before using.
RECOMMENDED
- Advice when using split type holders and all similer types installation methods
Insert a shim into the holder bore, and tighten the bolt with minimal torque.
Manufacture the holder with roundness and cylindrical tolerance of less than 5μm.
Insert a thin shim into the split in the holder and reduce the shim size in 5μm increments until spindle is held firmly.
Tighten the clamping bolt to the torque specified for that size and type of bolt.
The final responsibility for ensuring product’s stability for use in a given application is left to the designer of the equipment in which NAKANISHI’s spindle is installed.
NAKANISHI offers spindles with a wide variety of capabilities and specifications.
Please carefully check the product’s specifications against the requirements of your application and verify suitability and safety prior to initial use.
BREAK-IN PROCEDURE
During transportation, storage or installation the grease inside the bearings will settle. If the motor spindle is suddenly run at high-speed excessive heat will cause bearing damage. After installation, repair, initial operation, or long periods of non operation please follow the break-in procedure detailed in Table 1. Table 1.
| Step | 1 | 2 | 3 | 4 | |
| NR-2551 | Rotation Speed (min-1) | 15,000 | 30,000 | 40,000 | 50,000 |
| NR-H2551 | Rotation Time (min) | 15 | 10 | 10 | 15 |
| Items to Check | No Abnormal Noises | Spindle Housing no hotter than 20°C. If hotter than 20°C stop for at least 20 minutes, check installation and restart Break-In procedure. | Spindle Housing less than 20°C. | ||
CAUTIONS IN USING GRINDSTONES AND CUTTING TOOLS
CAUTION
The maximum surface speed or rpm is always specified for a grindstone. Do not exceed the maximum speed with reference to the calculating chart below. Always follow the grindstone manufacturers recommendations.
| Surface Speed (m/min) | 3.14 x Diameter (mm) x Rotation Speed (min-1) |
| 1,000 |
- The proper surface speed for general grindstones is 600 -1,800m/min.
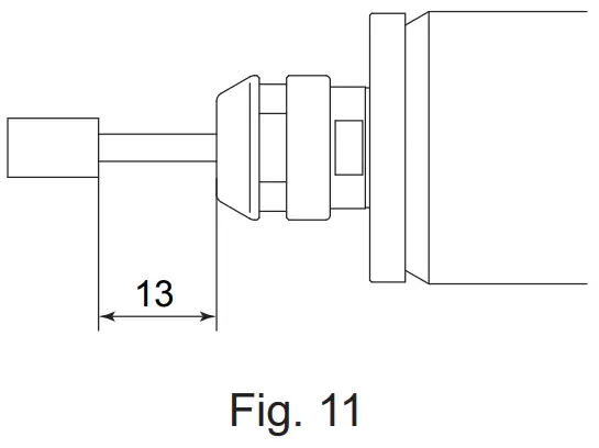
- Do not exceed 13mm of overhang for mounted grindstones as shown in Fig. 11. If the overhang must exceed 13mm, reduce the motor speed in accordance with Table 2.
- Dress the grindstone prior to use.
- Do not use cutting tools with bent or broken shanks, cracks or excessive run-out.
- For grinding, the maximum depth of cut should not exceed 0.01mm radially or axially. Reciprocate the tool several times after each pass to eliminate tool pressure.
- Always operate tools within the allowable recommended speed of the tools. Use of a tool outside of the allowable speed of the tools could cause damage to the spindle and injury to the operator.
- Keep the tool shank and collet chuck clean. If contaminants are left in the collet chuck or chuck nut, excessive run-out will cause damage to the tool and or spindle.
- Do not strike or disassemble the motor spindle.
- Please set the tools to minimize the overhang amount. 13mm is the maximum amount of overhang to maintain high accuracy and safety.
Table 2. Overhang and Speed
| Overhang (mm) | Max. Speed (min-1) |
| 20 | N x 0.5 |
| 25 | N x 0.3 |
| 50 | N x 0.1 |
N=Max. Operating Speed with 13mm overhang.
TROUBLESHOOTING
If a problem or concern occurs, please check the following prior to consulting your dealer.
| Trouble | Cause | Inspection/Corrective Action |
| Spindle does not run. | The ball bearings are damaged. | Replace the ball bearings.(Return to NAKANISHI dealer service.) |
| Motor is broken. | Replace the motor. (Return to NAKANISHI dealer service.) | |
| Overheating during rotation. | Cutting debris has contaminated the ball bearing, and the ball bearings are damaged. | Replace the ball bearings. (Return to NAKANISHI dealer service.) |
| Abnormal vibration or noise during rotation. | Using bent tool. | Replace the cutting tool. |
| Cutting debris has contaminated the ball bearings. | Replace the ball bearings. (Return to NAKANISHI dealer service.) | |
| The ball bearings are worn. | ||
| Tool slippage. | Collet chuck or chuck nut are not correctly installed. | Check and clean the collet chuck and chuck nut. And, tighten the collet chuck accurately again. |
| The collet chuck is worn. | Replace the collet chuck. | |
| High run-out. | The cutting tool is bent. | Change the cutting tool. |
| Chuck nut is not correctly installed. | Secure the collet chuck and the chuck nut correctly. | |
| The collet chuck is worn. | Replace the collet chuck. | |
| Inside of the spindle is worn. | Replace the spindle shaft. (Return to NAKANISHI dealer service.) | |
| Contaminants inside the collet chuck or the spindle. | Clean the collet chuck and the inside of the spindle. | |
| The ball bearings are worn. | Replace the ball bearings. (Return to NAKANISHI dealer service.) |
| NAKANISHI INC. 700 Shimohinata, Kanuma Tochigi 322-8666 Japan www.nakanishi-inc.com | NSK America Corp. 1800 Global Parkway Hoffman Estates IL60192, USA www.nskamericacorp.com | NSK Europe GmbH Elly-Beinhorn-Strasse 8 65760 Eschborn Germany | NSK United Kingdom Ltd. UK Authorised Representative Office 4, Gateway 1000 Arlington Business Park, Whittle Way Stevenage, SG1 2FP, UK |
Contents are subject to change without notice.
2021-XX-XX CACBXXXX XXXN




















