motorline MC50 Control Board

SAFETY INSTRUCTIONS
This product is certified in accordance with European Community (EC) safety standards.
This product complies with Directive 2011/65/EU of the European Parliament and of the Council, of 8 June 2011, on the restriction of the use of certain hazardous substances in electrical and electronic equipment and with Delegated Directive (EU) 2015/863 from Commission.
(Applicable in countries with recycling systems).
This marking on the product or literature indicates that the product and electronic accessories (eg. Charger, USB cable, electronic material, controls, etc.) should not be disposed of as other household waste at the end of its useful life. To avoid possible harm to the environment or human health resulting from the uncontrolled disposal of waste, separate these items from other types of waste and recycle them responsibly to promote the sustainable reuse of material resources. Home users should contact the dealer where they purchased this product or the National Environment Agency for details on where and how they can take these items for environmentally safe recycling. Business users should contact their vendor and check the terms and conditions of the purchase agreement. This product and its electronic accessories should not be mixed with other commercial waste.
This marking indicates that the product and electronic accessories (eg. charger, USB cable, electronic material, controls, etc.) are susceptible to electric shock by direct or indirect contact with electricity. Be cautious when handling the product and observe all safety procedures in this manual.
GENERAL WARNINGS
- This manual contains very important safety and usage information. very important. Read all instructions carefully before beginning the installation/usage procedures and keep this manual in a safe place that it can be consulted whenever necessary.
- This product is intended for use only as described in this manual. Any other enforcement or operation that is not mentioned is expressly prohibited, as it may damage the product and put people at risk causing serious injuries.
- This manual is intended firstly for specialized technicians, and does not invalidate the user’s responsibility to read the “User Norms” section in order to ensure the correct functioning of the product.
- The installation and repair of this product may be done by qualified and specialized technicians, to assure every procedure are carried out in accordance with applicable rules and norms. Nonprofessional and inexperienced users are expressly prohibited of taking any action, unless explicitly requested by specialized technicians to do so.
- Installations must be frequently inspected for unbalance and the wear signals of the cables, springs, hinges, wheels, supports and other mechanical assembly parts.
- Do not use the product if it is necessary repair or adjustment is required.
- When performing maintenance, cleaning and replacement of parts, the product must be disconnected from power supply. Also including any operation that requires opening the product cover.
- The use, cleaning and maintenance of this product may be carried out by any persons aged eight years old and over and persons whose physical, sensorial or mental capacities are lower, or by persons without any knowledge of the product, provided that these are supervision and instructions given by persons with experienced in terms of usage of the product in a safe manner and who understands the risks and dangers involved.
Children shouldn’t play with the product or opening devices to avoid the motorized door or gate from being triggered involuntarily.
WARNINGS FOR TECHNICIANS
- Before beginning the installation procedures, make sure that you have all the devices and materials necessary to complete the installation of the product.
- You should note your Protection Index (IP) and operating temperature to ensure that is suitable for the installation site.
- Provide the manual of the product to the user and let them know how to handle it in an emergency.
- If the automatism is installed on a gate with a pedestrian door, a door locking mechanism must be installed while the gate is in motion.
- Do not install the product “upside down” or supported by elements do not support its weight. If necessary, add brackets at strategic points to ensure the safety of the automatism.
- Do not install the product in explosive site.
- Safety devices must protect the possible crushing, cutting, transport and danger areas of the motorized door or gate.
- Verify that the elements to be automated (gates, door, windows, blinds, etc.) are in perfect function, aligned and level. Also verify if the necessary mechanical stops are in the appropriate places.
- The central must be installed on a safe place of any fluid (rain, moisture, etc.), dust and pests.
- You must route the various electrical cables through protective tubes, to protect them against mechanical exertions, essentially on the power supply cable. Please note that all the cables must enter the central from the bottom.
- If the automatism is to be installed at a height of more than 2,5m from the ground or other level of access, the minimum safety and health requirements for the use of work equipment workers at the work of Directive 2009/104/CE of European Parliament and of the Council of 16 September 2009.
- Attach the permanent label for the manual release as close as possible to the release mechanism.
- Disconnect means, such as a switch or circuit breaker on the electrical panel, must be provided on the product’s fixed power supply leads in accordance with the installation rules.
- If the product to be installed requires power supply of 230Vac or 110Vac, ensure that connection is to an electrical panel with ground connection.
- The product is only powered by low voltage satefy with central (only at 24V motors)
WARNINGS FOR USERS
- Keep this manual in a safe place to be consulted whenever necessary.
- If the product has contact with fluids without being prepared, it must immediately disconnect from the power supply to avoid short circuits, and consult a specialized technician.
- Ensure that technician has provided you the product manual and informed you how to handle the product in an emergency.
- If the system requires any repair or modification, unlock the automatism, turn off the power and do not use it until all safety conditions have been met.
- In the event of tripping of circuits breakers of fuse failure, locate the malfunction and solve it before resetting the circuit breaker or replacing the fuse. If the malfunction is not repairable by consult this manual, contact a technician.
- Keep the operation area of the motorized gate free while the gate in motion, and do not create strength to the gate movement.
- Do not perform any operation on mechanical elements or hinges if the product is in motion.
RESPONSIBILITY
- Supplier disclaims any liability if:
- Product failure or deformation result from improper installation use or maintenance!
- Safety norms are not followed in the installation, use and maintenance of the product.
- Instructions in this manual are not followed.
- Damaged is caused by unauthorized modifications
- In these cases, the warranty is voided.
MOTORLINE ELECTROCELOS SA.
Travessa do Sobreiro, nº29 4755-474 Rio Côvo (Santa Eugénia) Barcelos, Portugal
SYMBOLS LEGEND:
• Important safety notices
• Useful information
• Programming information
• Potentiometer information
• Connectors information
Buttons information
CONTROL BOARD
TECHNICAL SPECIFICATIONS
The MC50SC is a monophasic control board com a control system via incorporated rádio, developed for the automation of sliding gates and sectional doors.
| 110V version | 230V version | |
| • Power Supply | 110Vac 60Hz | 230Vac 50-60Hz |
| • Flashing light’s output | 110Vac 60Hz 100W max. | 230Vac 50Hz 100W max. |
| • RGB Flashing light’s output | 24Vdc 100mA max. | |
| • Motor’s output | 110Vac 60Hz 1000W max. | 230Vac 50-60Hz 1000W max. |
| • Auxiliary accessories output | 24Vdc 8W max. | |
| • Security and BT Remote controls | 24Vdc | |
| • Working temperature | -25°C to +55°C | |
| • Incorporated Radio Receptor | 433,92 Mhz | |
| • OP Remote controls | 12bits or Rolling Code | |
| • Maximum Memory Capacity | 100 (full opening) – 100 (pedestrian opening) | |
| • Control board Dimensions | 105mm x 130mm | |
CONNECTOR’S DESCRIPTION
|
CN1 | 01 • Grounding 02 • Grounding 03 • 110/230V Line Input (phase) 04 • 110/230V Line Input (neutral) 05 • 110/230V Motor’s Output – Opening 06 • 110/230V Motor’s Output – Common 07 • 110/230V Motor’s Output – Closing 08 • 110/230Vac Flashing light 09 • 110/230Vac Flashing light |
CN4 | 01 • Safety Edge 02 • Photocells 03 • Encoder (not used) 04 • Encoder (not used) 05 • Common | |
|
CN5 | 01 • +24Vdc Auxiliary Power Supply for LED RGB flashing light 02 • Y output 03 • R output 04 • G output 05 • B output | |||
|
CN2 | 01 • Pedestrian Push input 02 • Total Push input 03 • Motor’s opening limit-switch input (OPEN) 04 • Motor’s closing limit-switch input (CLOSE) 05 • Common | |||
| CN3 | 01 • 24Vdc 200mA max power supply 24V 02 • 24Vdc 200mA max power supply ( ) | |||
PROGRAMMING PRE-RECOMMENDATIONS
To enhance knowledge about the control board operation, before proceeding to the setup, give special attention to the instructions that follow.

|
LEDs | LS • LED ON when the pedestrian push button is active. LO • LED ON when the total push button is active. FA • LED off when the opening limit switch is active (P0 -> d1=RT). LED on when the opening limit switch is active (P0 -> d1=LE). FC • LED off when the opening limit switch is active (P0 -> d1=RT). LED on when the opening limit switch is active (P0 -> d1=LE). LA • LED OFF when safety edge is active (when P6 is active). LE • LED OFF when photocells are active (when P5 is active). |
| CN1 | Courtesy light or flashing light: 08 and 09 • This output allows connection of a courtesy light or a flashing light (see P8 in page 10A). |
|
CN2 | Limit switches: 03 and 04 • The control board needs a opening and closing limit-switches connection (both in NC). Triggering any limit-switch will make the immediate stoppage of the movement. The limit-switch thriggering is visible on the display. OP (opening limit switch activated) and CL (opening limit switch activated). It is mandatory the use of limit switches. |
|
CN4 | Safety circuits: 01 • This input allows connection of safety bands. The device operates according to programming set in the P6 menu (page 9B). 02 • This input allows connection of photocells. The device operates according to programming set in the P5 menu (page 9B). Shunt application is not necessary. |
|
CN5 | 01 • Auxiliary output for flashing light or 24V DC LED. Open collector for the management of auxiliary functions: 02 • The Y output is activated in intermittent mode, only with the closed gate. 03 • The R output is activated in intermittent mode, only in closing phase. 04 • The G output is activated in intermittent mode, only in opening phase. 05 • The B output is activated in intermittent mode, only in pause time. |
| Jumper | Control board with jumper for motors > 500 watts Control board without jumper for motors <500 watts |
ESSENTIAL STEPS FOR INSTALLATION
The installation process assumes that the gate has already limit switches plates installed.
For more information consult the motor’s manual.
- Make the connections of all the accessories according to the connection scheme (page 15/16/17).
- Connect the control board to a 110/230V power supply (3 and 4 – CN1 terminals).
- Make sure that the gate movement is the same as the one shown on the display:

- Check the limit switches, taking into account the indication that appears on the display.
- Make an automatic programming – P0 menu (page 7B).
- If necessary, adjust the gate of the deceleration time in opening and closing – P1 menu (page 8A).
- Adjust the strength and sensitivity of the motor – P2 menu (page 8A).
- Make an automatic programming of the course again – P0 menu (page 7B).
- Enable or disable the use of photocells in the P5 menu (page 9A).
- Enable or disable the use of safety band in the P6 menu (page 9B)
- Program a transmitter (page 6A).
The control board is now fully configured!
Check the menus from the programming pages in case you wish to configure other features of the control board.
REMOTE CONTROLS

REMOTE CONTROL PROGRAMMING
- Press the cmd button for 1 sec.
- Select the function where you want to program the remote controls (SU and SP) using ↓↑.
- Press cmd once to confirm the function (SE or SP).
- The first free position appears.
- Press the command button you want to program.
The display will blink and move to the next free location.

DELETE REMOTE CONTROLS
- Press the cmd button for 1 sec.
- Select the function (SU or SP) using ↓↑.
- Press cmd once to confirm the function (SU or SP).
- Use ↓↑ to select the transmitter location you want to delete.
- Press cmd for 3sec. and the position is empty.
The display will flash and the position will be available.
DELETE ALL THE REMOTE CONTROLS
- Press the cmd button for 5 sec.
- The display will show dL, confirming that all remote controls have been deleted.
- henever you store or delete a remote control, the display will flash and show the next position.
- You can add or delete remote controls without go back to point 01.
- If you do not press any key for 10 seconds the control board will return to standby.
“P” MENU FUNCTIONS

- To access the P menu press the MENU key for 3 seconds.
- Use ↓↑ to navigate through the menus.
- Press MENU when you want to confirm access to a menu.
- Press ↓↑ simultaneously to exit programming.


“E” MENU FUNCTIONS
- To access the E menu press the MENU key for 10sec.
- Use ↓↑ to navigate through the menus.
- Press MENU when you want to confirm access to a menu.
- Press ↓↑ simultaneously to exit programming.

SC: Sliding motor; SE: Sectional motor; BR: Barriers

PROGRAMMING “P”
AUTOMATIC AND SEMI-AUTOMATIC COURSE PROGRAMMING

Steps 2 and 3 are only made if P2-Fd is set to a value equal to or greater than 1. If P2-Fd is set to 0 (zero), you will only do steps 1, 4, and 5.
- Press MENU for 3 seconds.
- P0 appears. Press MENU for 1 second.
- AU appears. Press MENU for 1 second to start automatic programming.
- When programming is complete, the display returns to the initial state (–).

If you do not press MENU at any time, an automatic programming will be performed without any deceleration.
This programming can be done without limit switches, but it is mandatory to press MENU whenever the door reaches the end of each course.
- Press MENU for 3 seconds.
- P0 appears. Press MENU for 1 second.
- AU appears. Press ↑ 1 time to show MA.
- When MA appears, press MENU for 1 second. The motor will start a slow closing of the door. 05 • When it reach the closing limit switch, it will open automatically.
- Press MENU when you want to start the opening deceleration.
- When you reach the limit switch, it will automatically close.
- Press MENU when you want to start the closing deceleration.

- Press MENU for 3 seconds.
- P0 appears. Press ↓ 1 second.
- AU appears. Press ↑ 2 twice to show SY.
- When SY appears, press MENU.
- Select the type of engine you want and press MENU to confirm.
AUTOMATIC AND SEMI-AUTOMATIC COURSE PROGRAMMING

SETTING THE DECELERATION TIME

When the deceleration is not used, you should adjust the limit switches to be activated slightly before the intended location. This will ensure that the gate does not exceed the stopping point due to movement inertia, which could cause it to get stuck.
- Press MENU for 3 seconds.
- P0 appears. Press ↓ 1 once.
- P1 appears. Press MENU for 1 second.
- tP appears. Press MENU for 1 second.
- dA appears. Press MENU for 1 second.
- Appears the time defined from factory. If you want, change the time from 1 to 45 sec. using ↓↑.
- Press MENU for 1 second, to save the defined time. dF appears. Press MENU for 1 second.
- Appears the time defined from factory. If you want, change the time from 1 to 45 sec. using ↓↑.
- Press MENU to save the chosen time. P2 appears. To program P2, continue in step 3 from P2 menu (page 8). To exit the programming press ↓↑ simultaneously.
SETTING STRENGTH AND SENSITIVITY
If you set the sensitivity (FS) to a value over 1, the force (FO) is automatically set to 9 without the possibility to change it.
Note: If the control board has very high sensitivity values, will show the error LI.
After four attempts, the LI error will turn ER.
You will have to wait 10 seconds to return to program the automatism.


- Press MENU for 3 seconds.
- P0 appears. Press ↓ twice.
- P2 appears. Press MENU for 1 second.
- F0 appears. Press MENU for 1 second.
- Appears the value defined from factory. If you want, change the value from 1 to 9 using ↓↑.
- Press MENU for 1 second, to save the defined value.
- FS appears. Press MENU for 1 second.
- Appears the value defined from factory. If you want, change the value from 1 to 9 using ↓↑.
- Press MENU for 1 second, to save the defined value.
- Fd appears. Press MENU for 1 second.
- Appears the value defined from factory. If you want, change the value from 1 to 9 using ↓↑.
- Press MENU for 1 second, to save the defined value.
- P3 appears. To program P3, continue in step 3 from P3 menu (page 8B).
To exit the programming press ↓↑ simultaneously.
PEDESTRIAN COURSE TIME

For pedestrian mode work, the minimum working time must be 1 second, where 0 disables the pedestrian mode.
- Press MENU for 3 seconds.
- P0 appears. Press ↓ three times.
- P3 appears. Press MENU for 1 seconds.
- Appears the time set from factory. If you want, change time between 1 and 99 sec., using ↓↑. 05 • Press MENU to save the defined time.
- P4 appears. To program P4, continue in step 3 from P4 menu (page 9A).
To exit the programming press ↓↑ simultaneously.
PAUSE TIME

When the values are zero, the automatic closing ceases to exist.
- Press MENU for 3 seconds.
- P0 appears. Press ↓ four times.
- P4 appears. Press MENU for 1 second.
- AF appears. Press MENU for 1 second.
- Appears the time set from factory. If you want, change time between 1 and 99 sec., using ↓↑. 06 • Press MENU for 1 second to save the defined time.
- AP appears. Press MENU for 1 second.
- Appears the time set from factory. If you want, change time between 1 and 99 sec., using ↓↑. 09 • Press MENU for 1 second to save the defined time.
- P5 appears.
To program P5, continue in step 3 from P5 menu (page 9A). To exit the programming press ↓↑ simultaneously.
PHOTOCELLS PROGRAMMING

- Press MENU for 3 seconds.
- P0 appears. Press ↓ five times.
- P5 appears. Press MENU for 1 second.
- HE appears. Press MENU for 1 second.
- Appears the function set from factory. If you want, change the it between 00 and 01 using ↓↑.
- Press MENU for 1 seconds to confirm the defined function.
- HC appears. Press MENU for 1 second.
- Appears the function set from factory. If you want, change the it between 00 and 01 using ↓↑.
- Press MENU for 1 seconds to confirm the defined function.
- P6 appears. To program P6, continue in step 3 from P6 menu (page 9B).
To exit the programming press ↓↑ simultaneously.
SAFETY BAND

- Press MENU for 3 seconds.
- P0 appears. Press ↓ six times.
- P6 appears. Press MENU for 1 second.
- LA appears. Press MENU for 1 second.
- Appears the function set from factory. If you want, change the it between 00 and 01 using ↓↑.
- Press MENU for 1 second to confirm the defined function.
- HA appears. Press MENU for 1 second.
- Appears the function set from factory. If you want, change the it between 00 and 01 using ↓↑.
- Press MENU for 1 second to confirm the defined function.
- HL appears. Press MENU for 1 second.
- Appears the function set from factory. If you want, change the it between 00 and 01 using ↓↑.
- Press MENU for 1 second to confirm the defined function.
- ST appears. Press MENU for 1 second.
- Appears the function set from factory. If you want, change the it between 00 and 01 using ↓↑.
- Press MENU for 1 second to confirm the defined function.
P7 appears. To program P7, continue in step 3 from P7 menu (page 10A). To exit the programming press ↓↑ simultaneously.
OPERATING LOGIC
This menu allows you to set the gate’s operating mode.

- Press MENU for 3 seconds.
- P0 appears. Press ↓ seven times.
- P7 appears. Press MENU for 1 second.
- Appears the function currently set. If you want, change the function to 00, 01 or 02, using ↓↑.
- Press MENU to save the defined function.
- P8 appears. To program P8, continue in step 3 from P8 menu (page 10A).
To exit the programming press ↓↑ simultaneously.
FLASHING LIGHT

- Press MENU for 3 seconds.
- P0 appears. Press ↓ eight times.
- P8 appears. Press MENU for 1 second.
- Appears the function currently set. If you want, change the function to 00, 01, 02 or 03, using ↓↑.
- Press MENU to save the defined function.
- P9 appears. To program P9, continue in step 3 from P9 menu (page 10B). To exit the programming press ↓↑ simultaneously.
REMOTE PROGRAMMING
This menu allows you to enable or disable the new transmitters programming without access directly to the control board by using a previously stored transmitter (memorize transmitters page 6A).

- Press MENU for 3 seconds.
- P0 appears. Press ↓ nine times.
- P9 appears. Press MENU for 1 second.
- Appears the function currently set. If you want, change the function to 00 or 01, using ↓↑.
- Press MENU to save the defined function.
- P1 appears. To exit the programming press ↓↑ simultaneously.
Distance programming operation (PGM ON):

Press the keys indicated in the picture at the same time for 10 seconds and the flashing light will start to flash (the display shows the 1st free position).
Whenever you memorize a transmitter, the control board will leave the distance programming mode. If you want to program more transmitters, you will need to repeat the process of pressing simultaneously the transmitter buttons for 10 seconds for each new transmitter.
PRESENT MAN

- Press MENU for 6 seconds.
- E0 appears. Press MENU for 1 second.
- HP appears. Press MENU for 1 second.
- Appears the function currently set. If you want, change the function to 00, 01 or 02, using ↓↑.
- Press MENU for 1 second to confirm the defined time.
- PL appears. Press MENU for 1 second.
- Appears the function currently set. If you want, change the function to 00 or 01, using ↓↑.
- Press MENU for 1 second to confirm the defined function.
- E1 appears. To program E1, continue in step 3 from E1 menu (page 11A). To exit the programming press ↓↑ simultaneously.
SOFT START AND SOFT STOP
This menu allows to set the values to control the motor movement speed at start-up and near of the limit switch.

- Press MENU for 6 seconds.
- E0 appears. Press ↓ once.
- E1 appears. Press MENU for 1 second.
- Appears ro or rc. Press MENU once, no parâmetro que deseja.
- If you want, change the function to 00 or 01, using ↓↑.
- Press MENU to save the defined function.
COURTESY LIGHT TIME
This menu allows you to define the time (from 1 to 99 minutes) that the courtesy light stays on after the gate completes the closing manoeuvre.
This menu is only available if the Courtesy Light function is active in the P8 menu (see page 10B).
- Press MENU for 6 seconds.
- E0 appears. Press ↓ twice.
- E2 appears. Press MENU for 1 second.
- Appears the time set from factory. If you want, change time between 1 and 99 sec., using ↓↑.
- Press MENU to save the defined time.
- E3 appears. To program E3, continue in step 3 from E3 menu (page 11B). To exit the programming press ↓↑ simultaneously.
FOLLOW ME
This menu allows you to activate the option Follow me. With this function activated whenever the photocells detect the passage of a user/obstacle, the control board triggers the closing operation after 3 seconds.
To activate Follow me function, P5 have to be set with:
HE=01 / HC=00 (see page 11A)

- Press MENU for 6 seconds.
- E0 appears. Press ↓ three times.
- E3 appears. Press MENU for 1 second.
- Appears the function currently set. If you want, change the function to 00 or 01, using ↓↑.
- Press MENU to save the defined function.
- E4 appears (is inactive). To advance to the E5 menu press ↓ once. To exit the programming press ↓↑ simultaneously.
E4 menu inactive.
With the electronic brake, whenever the gate stops, or is given an order to reverse the movement, the advance decreases, counteracting the inertia exerted by the gate.
- Press MENU for 6 seconds.
- E0 appears. Press ↓ five times.
- E5 appears. Press MENU for 1 second.
ELECTRIC BRAKE - Surge a função definida de fábrica. Se pretender, altere o valor entre 00 e 01, utilizando ↓↑. 05 • Pressione MENU para guardar o valor definido.
- Surge E6. Para programar E6 continue no passo 3 do menu E6 (15B). Para sair da programação pressione ↓↑ simultaneamente.
DECELERATION SPEED
| This menu lets you set the deceleration speed in opening and closing. The higher the level, the faster is the deceleration. | Factory values SC, BR, SE: 05 |
- Press MENU for 6 seconds.
- E0 appears. Press ↓ 6 times.
- E6 appears. Press MENU for 1 second.
- Appears the value currently set. If you want, change the function to 01 or 09, using ↓↑.
- Press MENU to save the defined value.
- E7 appears. To program E7, continue in step 3 from E7 menu (page 15B).
To exit the programming press ↓↑ simultaneously.
MANEUVERS COUNTER
This menu allows you to check how many complete maneuvers were performed by the control board (complete maneuver it is understood by opening and closing).
The control board reset does not erase the maneuvers count.
Example: 13456 maneuvers
01 – Hundreds of thousands / 34 – Thousands / 56 – Dozens
- Press MENU for 6 seconds.
- E0 appears. Press ↓ seven times.
- Press MENU for 1 second.
- Appears the maneuvers counting in the following order (example 130 371):

- E8 appears. To program E8, continue in step 3 from E8 menu (page 12A).
To exit the programming press ↓↑ simultaneously.
RESET – RESTORE FACTORY VALUES
| By doing reset, all factory settings will be restored. Only the maneuvers counter will have the data memorised. | Factory values SC, BR, SE: 00 |
RESET – RESTORE FACTORY VALUES
- Press MENU for 6 seconds.
- E0 appears. Press ↓ eight times.
- E8 appears. Press MENU for 1 second.
- Appears the function currently set. If you want to reset, change the function to 01, using ↓↑.
- Press MENU for 1 second to reset.
- E9 appears. To program E9, continue in step 3 from E9 menu (page 12B). To exit the programming press ↓↑ simultaneously.
RGB OUTPUT
This menu allows you to select the functioning mode of the four signs (page 10A).

- Press MENU for 6 seconds.
- E0 appears. Press ↓ nine times.
- E9 appears. Press MENU for 1 second.
- Appears the function currently set. If you want, change the function to 00, 02, 03 or 04 using ↓↑.
- Press MENU for 1 second to save the defined function.
- E1 appears. To exit the programming press ↓↑ simultaneously.
DISPLAY
DISPLAY INDICATIONS

COMPONENTS TEST
To detect which components have problems during a sliding automatism installation, sometimes it’s necessary to conduct tests with a direct connection to a 110/230V power supply. For this, it’s necessary to interpose a capacitor on the connection so that the motor can work (check the capacitor type to be used in the product’s manual). In the below diagram is shown how this connection must be made and how to merge the different component wires.
NOTES:
- To perform the tests you don’t need to remove the automatism from it’s place, because this way you can understand if the automatism, directly connected to the power, can function correctly.
- The order of capacitor wires linked with the automatism wires are not important, as long as you link, one to the Brown wire and the other to the Black one;
- The common wire of the motor must always be connected to the power supply;
- To reverse the automatism functioning direction, switch the Black wire with the Brown wire of the automatism.
All tests must be carried out by specialized technicians due to the serious danger related to the misuse of electrical systems!

In the position corresponding to each low voltage command input, the control board has a signaling LED to identify the status. The LED ON indicates that the input is closed, while the LED off indicates that the input is open.
TROUBLESHOOTING
INSTRUCTIONS FOR FINAL CONSUMERS/TECHNICIANS
| Anomaly | Procedure | Behavior | Procedure II | Discovering the origin of the problem | |||
| • Motor doesn’t work | • Make sure you have 110/230V power supply connected to control board and if it is working properly | • Still not working | • Consult a qualified MOTORLINE technician. | 1 • Open control box and check if it has 110/230V power supply. 2 • Check the control board input fuses. | 3 • Switch off the control board from the motor and test it connected directly to an external power supply to find out if it is faulty (see page 13). | 4 • If the motor works, the problem is in the central. Remove it and send it to MOTORLINE technical services for diagnosis. | 5 • If the motor doesn’t work, remove it from the installation site and send it to MOTORLINE technical services for diagnosis. |
| • Motor doesn’t move but makes noise | • Unlock motor and move the gate by hand to check for mechanical problems on the movement. | • Encountered problems? | • Consult a qualified gates technician. | Check all axes and movement systems associated with the gate/barrier and automations | (pins, hinges, etc.) to find out what the problem is. | ||
| • The gate moves easily? | • Consult a qualified MOTORLINE technician. | 1 • Check capacitors, testing operator with new capacitor. | 2 • If capacitors are not the problem, disconnect motor from control board and it them by connecting directly to power | supply in order to find out if it has problems (see page 13). 3 • If the motor doesn’t work | remove them from installation site and send to our MOTORLINE technical services for diagnosis. | ||
| • Motor opens but doesn’t close | • Unlock motor and move the gate by hand to closed position. Lock motor again and turn of power supply for 5 seconds. Reconnect it and send order to open gate using transmitter. | • The gate moves easily? | 1 • Check if there is any obstacle in front of the photocells; 2 • Check if any of the control devices (key selector, push button, video intercom, etc.) of the gate are jammed and sending permanent signal to control board; 3 • Consult a qualified MOTORLINE | All MOTORLINE control boards have LEDs that allow you to easily conclude which devices are faulty. All safety device (DS) LEDs in normal situations remain lit. All LEDs of “START” circuits in normal situations remain OFF. If the device LEDs are not all on, there is a fault in the security systems (photocells, security bands). If “START” LEDs are ON, there is a command issuing device emitting a permanent signal. | A) SECURITY SYSTEMS: 1 • Close with a shunt all safety systems on the control board (check manual of the control board in question). If the automated system starts working normally check for the problematic device. 2 • Remove one shunt at a time until you find the malfunction device. 3 • Replace it for a functional device and check if the motor works correctly with all the other devices. If you | find another one defective, follow the same steps until you find all the problems. B) START SYSTEMS: 1 • Disconnect all wires from START connector (PUL and PED). 2 • If the LED turned Off, try reconnecting one device at a time until you find the defective device. | NOTE: In case procedures described in sections A) and B) don’t result, remove control board and send to our technical services for diagnosis. |
| • Motor doesn’t make complete route | • Unlock motor and move gate by hand to check for mechanical problems on the gate. | • Encountered problems? | • Consult a qualified gates technician. | Check all axes and movement systems associated with the gate/barrier and automations | (pins, hinges, etc.) to find out what the problem is. | ||
| • The gate moves easily? | • Consult a qualified MOTORLINE technician. | 1 • Check capacitors, testing with new capacitors. 2 • If capacitors are not the problem, disconnect the motor from the control board and test the motor directly to the power supply to find out if it is faulty. 3 • If the motor doesn’t work, remove it from installation site | and send to our MOTORLINE technical services for diagnosis. 4 • If L1 appears on the display while the motor is running, it means that the motor has stopped by stress detection. Unlock the motor and move the door manually, checking if there is any blockage to its movement. If the motor moves | normally, you need to adjust the force and sensitivity through the P2 menu. 5 • If this doesn’t work, remove control board and send it to MOTORLINE technical services. | NOTE: Tuning the force of the control board must be enough to open and close the gate without stopping it, but with a little effort from a person to stop it. In case of failure of the security systems, the gate can never cause physical damage to obstacles (vehicles, people, etc). | ||
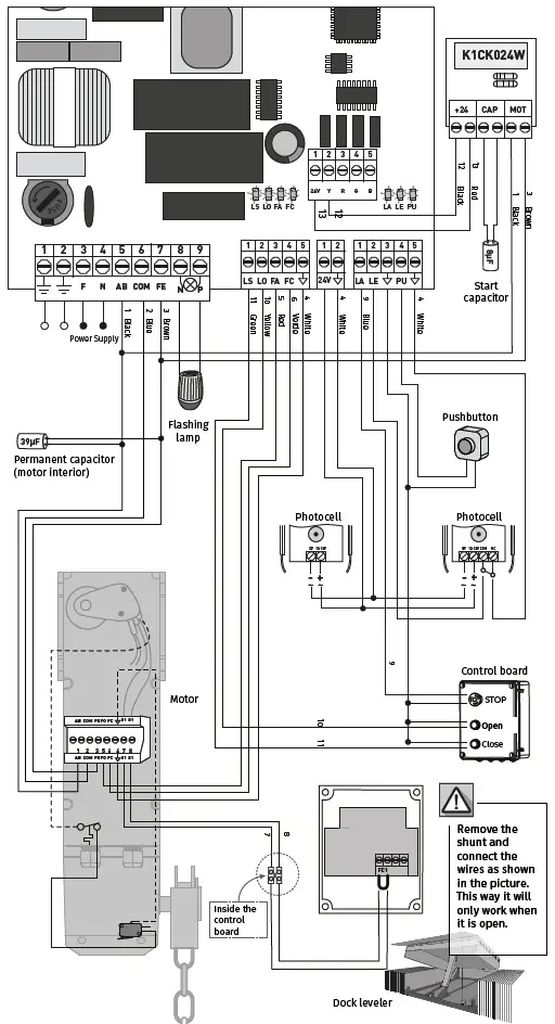
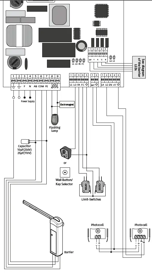
CONNECTION SCHEME
CONNECTIONS MAP – SLIDING GATES

CONNECTIONS MAP – SECTIONAL DOORS

CONNECTIONS MAP – BARRIERS























