
INSTALLER AND USER’S MANUAL
MC65

SAFETY INSTRUCTIONS
ATTENTION:
This product is certified in accordance with European Community (EC) safety standards.
RoHS This product complies with Directive 2011/65/EU of the European Parliament and of the Council, of 8 June 2011, on the restriction of the use of certain hazardous substances in electrical and electronic equipment and with Delegated Directive (EU) 2015/863 from Commission.
(Applicable in countries with recycling systems).
This marking on the product or literature indicates that the product and electronic accessories (eg. Charger, USB cable, electronic material, controls, etc.) should not be disposed of as other household waste at the end of its useful life. To avoid possible harm to the environment or human health resulting from the uncontrolled disposal of waste, separate these items from other types of waste and recycle them responsibly to promote the sustainable reuse of material resources. Home users should contact the dealer where they purchased this product or the National Environment Agency for details on where and how they can take these items for environmentally safe recycling. Business users should contact their vendor and check the terms and conditions of the purchase agreement. This product and its electronic accessories should not be mixed with other commercial waste.
This marking indicates that the product and electronic accessories (eg. charger, USB cable, electronic material, controls, etc.) are susceptible to electric shock by direct or indirect contact with electricity. Be cautious when handling the product and observe all safety procedures in this manual.
GENERAL WARNINGS
- This manual contains very important safety and usage information. very important. Read all instructions carefully before beginning the installation/usage procedures and keep this manual in a safe place that it can be consulted whenever necessary.
- This product is intended for use only as described in this manual. Any other enforcement or operation that is not mentioned is expressly prohibited, as it may damage the product and put people at risk causing serious injuries.
- This manual is intended firstly for specialized technicians, and does not invalidate the user’s responsibility to read the “User Norms” section in order to ensure the correct functioning of the product.
- The installation and repair of this product may be done by qualified and specialized technicians, to assure every procedure are carried out in accordance with applicable rules and norms. Nonprofessional and inexperienced users are expressly prohibited of taking any action, unless explicitly requested by specialized technicians to do so.
- Installations must be frequently inspected for unbalance and the wear signals of the cables, springs, hinges, wheels, supports and other mechanical assembly parts.
- Do not use the product if it is necessary repair or adjustment is required.
- When performing maintenance, cleaning and replacement of parts, the product must be disconnected from power supply. Also including any operation that requires opening the product cover.
- The use, cleaning and maintenance of this product may be carried out by any persons aged eight years old and over and persons whose physical, sensorial or mental capacities are lower, or by persons without any knowledge of the product, provided that these are supervision and instructions given by persons with experienced in terms of usage of the product in a safe manner and who understands the risks and dangers involved.
- Children shouldn’t play with the product or opening devices to avoid the motorized door or gate from being triggered involuntarily.
WARNINGS FOR TECHNICIANS
- Before beginning the installation procedures, make sure that you have all the devices and materials necessary to complete the installation of the product.
- You should note your Protection Index (IP) and operating temperature to ensure that is suitable for the installation site.
- Provide the manual of the product to the user and let them know how to handle it in an emergency.
- If the automatism is installed on a gate with a pedestrian door, a door locking mechanism must be installed while the gate is in motion.
- Do not install the product “upside down” or supported by elements do not support its weight. If necessary, add brackets at strategic points to ensure the safety of the automatism.
- Do not install the product in explosive site.
- Safety devices must protect the possible crushing, cutting, transport and danger areas of the motorized door or gate.
- Verify that the elements to be automated (gates, door, windows, blinds, etc.) are in perfect function, aligned and level. Also verify if the necessary mechanical stops are in the appropriate places.
- The central must be installed on a safe place of any fluid (rain, moisture, etc.), dust and pests.
- You must route the various electrical cables through protective tubes, to protect them against mechanical exertions, essentially on the power supply cable. Please note that all the cables must enter the central from the bottom.
- If the automatism is to be installed at a height of more than 2,5m from the ground or other level of access, the minimum safety and health requirements for the use of work equipment workers at the work of Directive 2009/104/CE of European Parliament and of the Council of 16 September 2009.
- Attach the permanent label for the manual release as close as possible to the release mechanism.
- Disconnect means, such as a switch or circuit breaker on the electrical panel, must be provided on the product’s fixed power supply leads in accordance with the installation rules.
- If the product to be installed requires power supply of 230Vac or 110Vac, ensure that connection is to an electrical panel with ground connection.
- The product is only powered by low voltage satefy with central (only at 24V motors)
WARNINGS FOR USERS
- Keep this manual in a safe place to be consulted whenever necessary.
- If the product has contact with fluids without being prepared, it must immediately disconnect from the power supply to avoid short circuits,and consult a specialized technician.
- Ensure that technician has provided you the product manual and informed you how to handle the product in an emergency.
- If the system requires any repair or modification, unlock the automatism, turn off the power and do not use it until all safety conditions have been met.
- In the event of tripping of circuits breakers of fuse failure, locate the malfunction and solve it before resetting the circuit breaker orreplacing the fuse. If the malfunction is not repairable by consult this manual, contact a technician.
- Keep the operation area of the motorized gate free while the gate in in motion, and do not create strength to the gate movement.
- Do not perform any operation on mechanical elements or hinges if the product is in motion.
RESPONSABILITY
- Supplier disclaims any liability if:
- Product failure or deformation result from improper installation use or maintenance!
- Safety norms are not followed in the installation, use and maintenance of the product.
- Instructions in this manual are not followed.
- Damaged is caused by unauthorized modifications
- In these cases, the warranty is voided.
MOTORLINE ELECTROCELOS SA.
Travessa do Sobreiro, nº29
4755-474 Rio Côvo (Santa Eugénia)
Barcelos, Portugal
SYMBOLS LEGEND:
| • Important safety notices | |
| • Useful information | |
| • Programming information | |
| • Potentiometer information | |
| • Connectors information | |
| • Buttons information |
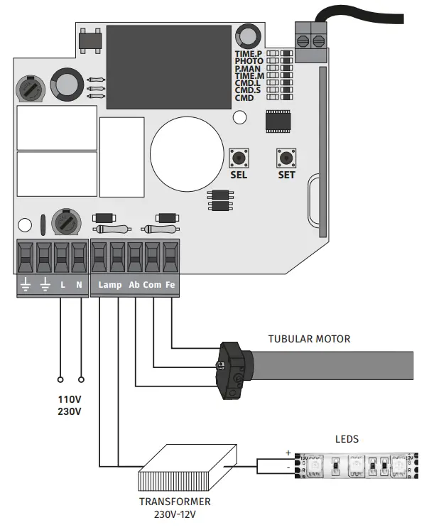
CONNECTIONS SCHEME
COMPONENTS CONNECTION TO THE CONTROL BOARD

| 1 • Grounding | |
| 2 • Grounding | |
| 3 • 230V/110V Power Supply – Phase (L) | Power supply connection of the control board. |
| 4 • 230V/110V Power Supply – Neutral (N) | |
| 5 • External flashing lamp output – Phase | Connection for external flashing lamp with maximum output duration of 4 min. (or bi stable) |
| 6 • External flashing lamp output – Neutral | |
| 7 • Motor output – Opening (Ab) | Connection of the opening and closing phases of the motor. If the direction of the motor is contrary to the desired, simply change opening for closing to reverse the direction. |
| 8 • Motor output – Neutral (COM) | |
| 9 • Motor output – Closing (Fe) |
CONTROL BOARD
TECHNICAL SPECIFICATIONS
The MC65 is a control panel specially developed for rolling motors (TUB range and awnings). This panel allows self-tensioning the screens when used in awnings. They can work in conjunction with rain, wind and sun (wiweather)/snow, sun, rain and wind (snow wiweather) sensors.
| 230V | 110V | |
| • Power Supply | 230Vac 50/60Hz | 110Vac 50/60Hz |
| • Motor output power | 500W max | 1000W max |
| • Code type | 12 Bits or Rolling Code | |
| • Maximum memory capacity | 30 codes | |
| • Working temperature | -20°C ~ 55°C | |
| • Built-in receiver | 433,92 Mhz | |
| • External flashing lamp output | 500W | 300W |
| • Motor output fuse | 250Vac 4A | 250Vac 4A |
| • Low voltage fuse | 250Vac 50mA | |
LEDS
LEDs main menu: The control board has a set of LEDs that allows to identify the status of the different functions.

LEDS
| LED | DESCRIPTION | ON | OFF |
| TIME.P | Pause time | Programmed | Not Programmed |
| PHOTO | Active photocells | Active | Disabled |
| P. MAN | Human presence | Active | Disabled |
| TIME.M | Working time | Active | Disabled |
| CMD.L | Flashing lamp remote control | Programmed remote control(s) | No programmed remote control |
| CMD.S | Wind, sun and rain sensor | Active | Disabled |
| CMD | Remote control | Programmed remote control(s) | No programmed remote control |
PROGRAMMING
- BUTTON REMOTE CONTROL
This function allows you to store a 1-button remote control step by step.
Storing a 1-button remote control:
01 • Press the SEL button as many times as necessary until the CMD LED starts blinking.
02 • Press the remote control button for closing for 1 second. The CMD LED starts flashing rapidly (twice the initial speed) signaling the button storring.
03 •The remote control is stored.
Wait for 10 seconds, the control board exits the programming mode and all LEDs stop blinking. - BUTTON REMOTE CONTROL
This function allows you to store a 2-button remote control.
Memorize a 2-key command (up/down):
01 • Press the SEL button as many times as necessary until the CMD LED starts blinking.
02 • Press the remote control button for closing for 1 second. The CMD LED starts flashing rapidly (twice the initial speed) signaling the button storring.
03 • Press the remote control button for opening for 1 second. The CMD LED stops blinking, signaling the button storring, and the CMD.L LED flashes.
Wait for 10 seconds, the control board exits of programming mode and all LEDs stop blinking.
PROGRAMMING OF REMOTE CONTROLS AT DISTANCE
This function allows you to program new remote controls via an already configured remote control.
Remote controls programming for opening/closing:
- With the awning fully open/closed, press the open/close button of a remote control already programmed for a time superior to 10 seconds. When the flashing lamp blinks twice, the control board has entered on programming mode remotely.
- Push the closing button of the new remote control for 1 second. The LEDs blinks once.
- Press the button for the opening of the new remote control. The LEDs blinks twice and the remote control is programmed.
REMOTE CONTROL FOR EXTERNAL LED CONTROL
This function allows you to store a remote control to control the external flashing lamp through the control board.
Storing a remote control to control the external led:
- Press the SEL button as many times as necessary until the CMD.L LED starts blinking.
- Press the remote control button for flashing lamp output control for 1 second.
- The remote control is stored.
Wait for 10 seconds, the control board exits the programming mode and all LEDs stop blinking.
To store a command without access to the control panel you have to activate the Extended Menu 1. If this menu is not active, you will not be able to memorize commands or access the menu with the command already programmed.
PROGRAMMING LED REMOTE CONTROLS AT DISTANCE
This function allows you to store a remote control to control the external flashing lamp via an already configured remote control.
Remote control programming for external flashing lamp control:
- Press the button of the flashing lamp of a remote control already programmed for a time superior to 10 secunds. When the flashing lamp blinks twice, it has entered on programming mode remotely.
- Press the flashing lamp button of the new remote control. The flashing lamp blinks twice and the remote control is programmed.
DELETE ALL THE REMOTE CONTROLS
This function allows you to delete all remote controls added to the control board.
01 • Press the SEL button as many times as necessary until the CMD LED blinks.
02 • Press the SET button once and the CMD LED goes off signaling the elimination of all the remote controls.
MOTORS WORKING TIME
This function allows you to set the opening and closing time of the motor.
01 • Open the awning completely.
02 • Press the SEL button as many times as necessary until the TIME.M LED blinks.
03 • Press and hold the SET button for as long as the awning will close. The awning should also make a small opening movement at the end of closing and the LED should remain lit.
TOTAL RESET
This function allows you to restore all the factory settings and all the stored remote controls will be deleted.
01 • Press the SEL and SET buttons at the same time for 5 seconds. The LEDs turn on and off, signaling that the operation has been done.
MC65 – WORKING WITH WIWEATHER
| • WIND | Wiweather detects wind above the configuration and send a order to close automatically. |
| • RAIN | Wiweather detects rain and send a order to close automatically. |
| • SUN | Wiweather detects brightness above the configuration more than 10 minutes and send a order to open automatically. |
For more infomation about Wiweather, please check the product manual.
https://motorline.pt/download/manuais/eletronica/wiweather_en.pdf
MC65BS (BRISA SOLAR) – WORKING WITH SNOW WIWEATHER
| • WIND | Snow Wiweather detects wind above the configuration and Brisa Solar opens automatically |
| • RAIN | Snow Wiweather detects rain, Brisa Solar close automatically |
| • SNOW | Snow Wiweather detects snow, Brisa Solar opens automatically |
For more infomation about Snow Wiweather, please check the product manual.
https://motorline.pt/download/manuais/eletronica/snowwiweather_fr.pdf
EXTENDED MENU 1 – PROGRAMMING OF REMOTE CONTROLS
This menu allows you to activate or desable the possibility of programming new remote controls through an already configured remote control.
The control board is supplied with this PGM function activated.
01 • Press the SET key for 5 seconds to access the Extended Menu 1 signaled by the TIME.M and CMD.L
LEDs who are flashing alternately.
02 • Press the SEL button to turn on/off the CMD LED by choosing the desired option!
03 • Press the SET button to save the selected option.
The control board will automatically exit programming mode after 15 seconds.
| EXTENDED MENU 1 | ||
| LED | LED OFF | LED ON |
| • CMD | PGM at distance = ON | PGM at distance = OFF |
| • CMD.L | Flashing ON/OFF | |
| • TIME.M | Flashing OFF/ON | |
EXTENDED MENU 2 – MOTOR INVERSION TIME
This menu allows you to choose the type of motor connected to the control board for the reverse functions by effort. The control board is supplied with 17RPM Motor mode activated.
To access the Extended Menu 2 options follow the indications:
01 • Press the SET key for 5 seconds to access the Extended Menu 1 signaled by the TIME.M and CMD.L
LEDs who are flashing alternately.
02 • Once inside the Extended Menu 1, press the SET button for more than 5 seconds to access the
Extended Menu 2 signaled by the TIME.M and CMD.L LEDs who are flashing simultaneously.
03 • Press the SEL button to turn on/off the CMD LED by choosing the desired option!
04 • Press the SET button to save the selected option.
The control board will automatically exit programming mode after 15 seconds.
| EXTENDED MENU 2 | ||
| LED | LED OFF | LED ON |
| • CMD | 12RPM Motor | 17RPM Motor |
| • CMD.L | Flashing ON/OFF | |
| • TIME.M | Flashing OFF/ON | |
EXTENDED MENU 3 – LOCKED MOTOR DETECTION
This menu allows you to set the sensitivity levels for the blocked motor detection. The control board is supplied at the factory with detection level 3, and this value can be changed by adjusting from 1 to 5
(1 less sensitive and 5 more sensitive). To access the Extended Menu 3 options follow the indications:
01 • Press the SET key for 5 seconds to access the Extended Menu 1 signaled by the TIME.M and CMD.L
LEDs who are flashing alternately.
02 • Once inside the Extended Menu 1, press the SET button for more than 5 seconds to access the
Extended Menu 2 signaled by the TIME.M and CMD.L LEDs who are flashing simultaneously.
EXTENDED MENU 3 – LOCKED MOTOR DETECTION
03 • Once inside the Extended Menu 2, press the SET key for more than 5 seconds to access the Extended Menu 3. The TIME.M and CMD.L LEDs flash alternately quickly.
04 • Press the SEL button as many times as necessary to change the values. The LEDs will light sequentially.
Confirm with SET.
| Level | LEDs | |||||||
| 1 | CMD | CMD.S | CMD.L | TIME.M | P.MAN | |||
| 2 | CMD | CMD.S | CMD.L | TIME.M | P.MAN | |||
| 3 | CMD | CMD.S | CMD.L | TIME.M | P.MAN | |||
| 4 | CMD | CMD.S | CMD.L | TIME.M | P.MAN | |||
| 5 | CMD | CMD.S | CMD.L | TIME.M | P.MAN | |||
| EXTENDED MENU 3 | ||||||||
| LED | LED OFF | LED ON | ||||||
| • CMD | Disables detection | Enables detection | ||||||
| • CMD.L | Flashing ON/OFF | |||||||
| • TIME.M | Flashing OFF/ON | |||||||
EXTENDED MENU 4 – LAMP OPERATING MODE
This menu allows you to disable the functionality of automatically turning off the lamp when the control panel is in the closed position.
The control board is supplied with this function activated.
To access the Extended Menu 4 options , follow the instructions below:
01 • Press the SET key for 5 seconds to access the Extended Menu 1 signaled by the TIME.M and CMD.L LEDs who are flashing alternately.
02 • Once inside the Extended Menu 1, press the SET button for more than 5 seconds to access the Extended Menu 2 signaled by the TIME.M and CMD.L LEDs who are flashing simultaneously.
03 • Once inside the Extended Menu 2, press the SET key for more than 5 seconds to access the Extended Menu 3. The TIME.M and CMD.L LEDs flash alternately quickly.
04 • Once inside the Extended Menu 3, press the SET key for more than 5 seconds to access the Extended Menu 4. The LED TIME.M and CMD.L flashing simultaneously and quickly.
05 • Press the SEL button to flash CMD, press SET to turn the LED on/off and save the desired option.
| EXTENDED MENU 4 | ||
| LED | LED OFF | LED ON |
| • CMD | The lamp is controlled by the command except for the closing position in which the control panel automatically switches it off after 5 seconds | The lamp is only controlled by the command |
| • CMD.L | Flashing ON/OFF | |
| • TIME.M | Flashing OFF/ON | |
TROUBLESHOOTING
INSTRUCTIONS FOR FINAL CONSUMERS
| Anomaly | Procedure | Behavior | Procedure II | Discovering the origin of the problem |
| • Motor doesn’t work | • Make sure you have 110/230V power supply connected to automation and if it is working properly. | • Still not working | • Consult a qualified technician. | 1 • Open control board and check if it has 110/230V power supply; 2 • Check the control board input fuses; 3 • Disconnect the motor from control board and test them by connecting directly to 230Vdc power supply in order to find out if they have problems. 4 • If the motor works, the problem is on the control board. Pull it out and send it to the technical services for diagnosis; 5 • If the motor doesn’t work, remove it from installation site and send to the technical services for diagnosis. |
| • Motor doesn’t move but makes noise | • Unlock motor and move the roller by hand to check for mechanical problems. | • Encountered problems? | • Consult an experienced expert. | 1 • Check all motion axis and associated motion systems related with the automatism to find out what is the problem. |
| • The roller moves easily? | • Consult a qualified technician. | 1 • If the motor works, the problem is on the control board. Pull it out and send it to the technical services for diagnosis; 2 • If the motor doesn’t work, remove it from installation site and send to the technical services for diagnosis. | ||
| • Motor opens but doesn’t close | • Unlock motor and move the roller by hand to closed position. Block the motor again and turn off power supply for 5 seconds. Reconnect it and send order to open gate using remote control. | • Roller opened but didn’t close again. | 1 • Check if there is any obstacle in front of the photocells; 2 • Check if any of the control devices are stucked and sending permanent signal to control board; 3 • Consult a qualified technician. | All control boards have LEDs that easily allow to conclude which devices are with anomalies. All safety devices LEDs (Le) in normal situations remain On. All “START” circuits LEDs in normal situations remain Off. If LEDs devices are not all On, there is some security systems malfunction (photocells, safety edges). If “START” circuits LEDs are turn (Op and Cl), there is a control device sending permanent signal. A) SECURITY SYSTEMS: |
| • Motor doesn’t make complete route | Unlock motor and move roller by hand to check for mechanical problems on the gate. | • Encountered problems? | • Consult an experienced expert. | 1 • Check all motion axis and associated motion systems related with the automatism to find out what is the problem. |
| • The gate moves easily? | • Consult a qualified technician. | 1 • Make sure the limit switches are correctly tuned. 2 • Are correctly tuned. 3 • Make a new programming starting with the roller completely closed. 3.1 • Deactivate the Extended Menu 3 (Blocked motor detection). 4 • If the motor doesn’t work, remove it from installation site and send to the technical services for diagnosis. 5 • If the motor works well and move the roller during the complete course, with maximum force, the problem is in the control board. |


















