

MC75
USER’S AND INSTALLER’S MANUAL
v2.2 REV. 01/2022
SAFETY NOTICES
STANDARDS TO FOLLOW
![]() | This product is certified in accordance with European Community (EC) safety standards. |
| This product complies with Directive 2011/65/EU of the European Parliament and of the Council, of 8 June 2011, on the restriction of the use of certain hazardous substances in electrical and electronic equipment. | |
| (Applicable in countries with recycling systems). This marking on the product or literature indicates that the product and electronic accessories (eg. Charger, USB cable, electronic material, controls, etc.) should not be disposed of as other household waste at the end of its useful life. To avoid possible harm to the environment or human health resulting from the uncontrolled disposal of waste, separate these items from other types of waste and recycle them responsibly to promote the sustainable reuse of material resources. Home users should contact the dealer where they purchased this product or the National Environment Agency for details on where and how they can take these items for nvironmentally safe recycling. Business users should contact their vendor and check the terms and conditions of the purchase agreement. This product and its electronic accessories should not be mixed with other commercial waste. |
| This marking indicates that the product and electronic accessories (eg. charger, USB cable, electronic material, controls, etc.) are susceptible to electric shock by direct or indirect contact with electricity. Be cautious when handling the product and observe all safety procedures in this manual. |
GENERAL WARNINGS
- This manual contains very important safety and usage information. very important. Read all instructions carefully before beginning the installation/usage procedures and keep this manual in a safe place that it can be consulted whenever necessary.
- This product is intended for use only as described in this manual. Any other enforcement or operation that is not mentioned is expressly prohibited, as it may damage the product and put people at risk causing serious injuries.
- This manual is intended firstly for specialized technicians, and does not invalidate the user’s responsibility to read the “User Norms” section in order to ensure the correct functioning of the product.
- The installation and repair of this product may be done by qualified and specialized technicians, to assure every procedure are carried out in accordance with applicable rules and norms. Nonprofessional and inexperienced users are expressly prohibited of taking any action, unless explicitly requested by specialized technicians to do so.
- Installations must be frequently inspected for unbalance and the wear signals of the cables, springs, hinges, wheels, supports and other mechanical assembly parts.
- Do not use the product if it is necessary repair or adjustment is required.
- When performing maintenance, cleaning and replacement of parts, the product must be disconnected from power supply. Also including any operation that requires opening the product cover.
- The use, cleaning and maintenance of this product may be carried out by any persons aged eight years old and over and persons whose physical, sensorial or mental capacities are lower, or by persons without any knowledge of the product, provided that these are supervision and instructions given by persons with experienced in terms of usage of the product in a safe manner and who understands the risks and dangers involved.
- Children shouldn’t play with the product or opening devices to avoid the motorized door or gate from being triggered involuntarily.
WARNINGS FOR TECHNICIANS
- Before beginning the installation procedures, make sure that you have all the devices and materials necessary to complete the installation of the product.
- You should note your Protection Index (IP) and operating temperature to ensure that is suitable for the installation site.
- Provide the manual of the product to the user and let them know how to handle it in an emergency.
- If the automatism is installed on a gate with a pedestrian door, a door locking mechanism must be installed while the gate is in motion.
- Do not install the product “upside down” or supported by elements do not support its weight. If necessary, add brackets at strategic points to ensure the safety of the automatism.
- Do not install the product in explosive site.
- Safety devices must protect the possible crushing, cutting, transport and danger areas of the motorized door or gate.
- Verify that the elements to be automated (gates, door, windows, blinds, etc.) are in perfect function, aligned and level. Also verify if the necessary mechanical stops are in the appropriate places.
- The central must be installed on a safe place of any fluid (rain, moisture, etc.), dust and pests.
- You must route the various electrical cables through protective tubes, to protect them against mechanical exertions, essentially on the power supply cable. Please note that all the cables must enter the central from the bottom.
- If the automatism is to be installed at a height of more than 2,5m from the ground or other level of access, the minimum safety and health requirements for the use of work equipment workers at the work of Directive 2009/104/CE of European Parliament and of the Council of 16 September 2009.
- Attach the permanent label for the manual release as close as possible to the release mechanism.
- Disconnect means, such as a switch or circuit breaker on the electrical panel, must be provided on the product’s fixed power supply leads in accordance with the installation rules.
- If the product to be installed requires power supply of 230Vac or 110Vac, ensure that connection is to an electrical panel with ground connection.
- The product is only powered by low voltage satefy with central (only at 24V motors)
WARNINGS FOR USERS
- Keep this manual in a safe place to be consulted whenever necessary.
- If the product has contact with fluids without being prepared, it must immediately disconnect from the power supply to avoid short circuits, and consult a specialized technician.
- Ensure that technician has provided you the product manual and informed you how to handle the product in an emergency.
- Ifthesystemrequiresanyrepairormodification,unlocktheautomatism, turn off the power, and do not use it until all safety conditions have been met.
- In the event of tripping of circuits breakers of fuse failure, locate the malfunction and solve it before resetting the circuit breaker or replacing the fuse. If the malfunction is not repairable by consult this manual, contact a technician.
- Keep the operation area of the motorized gate free while the gate in motion, and do not create strength to the gate movement.
- Do not perform any operation on mechanical elements or hinges if the product is in motion.
RESPONSABILITY
- Supplier disclaims any liability if:
- Product failure or deformation result from improper installation use or maintenance!
- Safety norms are not followed in the installation, use and maintenance of the product.
- Instructions in this manual are not followed.
- Damaged is caused by unauthorized modifications
- In these cases, the warranty is voided.
MOTORLINE ELECTROCELOS SA.
Travessa do Sobreiro, nº29
4755-474 Rio Côvo (Santa Eugénia)
Barcelos, Portugal
SYMBOLS LEGEND:
| • Important safety notices | • Potentiometer information | ||
| • Useful information | • Connectors information | ||
| • Programming information | • Buttons information |
CONNECTIONS SCHEME
CONNECTING COMPONENTS TO THE CONTROL BOARD

THE CONTROL BOARD
THECNICAL CHARACTERISTICS
The MC75 is a control board developed specifically for rolling motors (TUB and ROLLING range), which allows the programming of working time and the time for self-closing. It has the ability to detect limit switch devices and when the motor is locked, and as such, the working time ends as soon as the curtain or grid reaches a limit switch and when it detects that the motor is locked (in effort).
| 230V | 110V | |
| • Power Supply | 230Vac 50/60Hz | 110Vac 50/60Hz |
| • Motor output power | 1500W máx | 1000W máx |
| • OP Transmitters | 12 Bits ou Rolling Code | |
| • Maximum memory capacity | 30 Codes | |
| • Working temperature | -20°C ~ 55°C | |
| • Built-in radio receiver | 433,92 Mhz | |
| • Auxiliary accessory output | 24Vdc/100mA | |
| • External lamp output | 500W | 300W |
| • Motor output fuse | Ø5x20mm 8Ah | Ø5x20mm 10Ah |
| Low voltage fuse for accessories output | Ø5x20mm 65mA | |
INFORMATION LEDS
| LED | description | ||
| OP | Opening order | Receiving sinal | No activity signal |
| Cl | Closing order | Receiving sinal | No activity signal |
| Le | Indication of the Cell Circuit Button | Detected cells | Cells not detected |
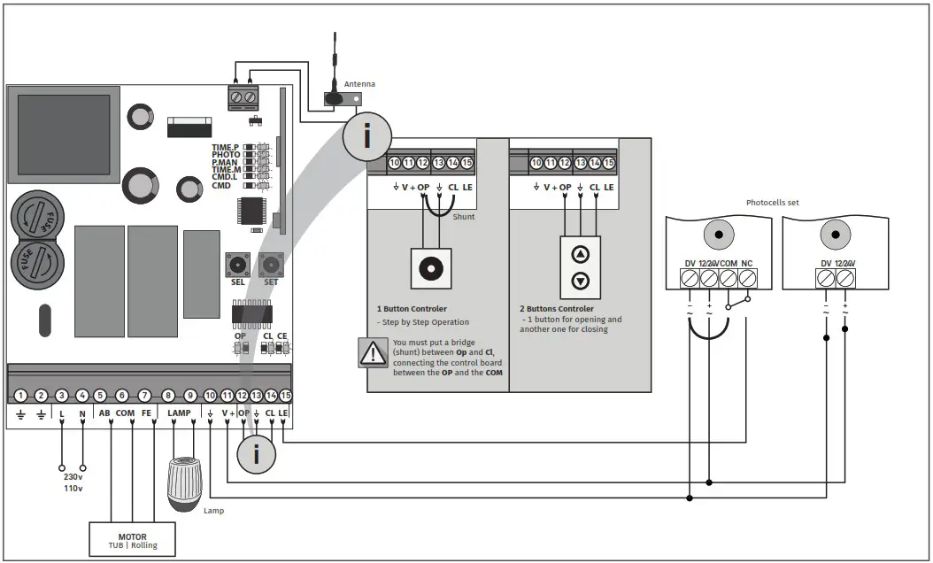
CONNECTORS

| 1 • Grounding connection | |
| 2 • Grounding connection | |
| 3 • 230V/110V Power Supply – Phase (L) | Power supply connection |
| 4 • 230V/110V Power Supply – Neutral (N) | |
| 5 • Motor output – Opening (AB) | Connection of the opening and closing phases of the motor. If the direction of the motor is contrary to the intended direction, simply replace the two wires to reverse the direction. |
| 6 • Motor output – Neutral (COM) | |
| 7 • Motor output – Closing (FE) | |
| 8 • External Lamp output – Phase | Connection for external lamp with maximum output duration of 4 min. |
| 9 • External Lamp output – Neutral | |
| 10 • Common (COM) | Device power output |
| 11 • 24Vdc 100Ma Auxiliary output (V+) | |
| 12 • NO input for control board – Closing (OP) | Circuit for connection of controller: Two button controller: Opening and closing control on each button. One button controller: Operates in Step-by-step mode (open-close-close-stops -…) always with the same button. To do this, you must put a shunt between Op and Cl, by connecting the controller between Op and COM. |
| 13 • Common (COM) | |
| 14 • NO input for control board – Closing (CL) | |
| 15 • NC input for Photocells (LE) [Complete circuit with COM (11 ou 13)] | This circuit allows the connection of all types of safety photocells. This device only intervenes in closing and pause operations, as follows: – In closing, stops and starts the complete opening of the operator – In pause time, it prevents the operator from starting the closing by holding it open. |
LEDs
LEDs Main menu: The control board has a set of LEDs that allows to identify the status of the different functions.
![]()
| LED | Description | ||
| TIME P | Pause time | Programmed | Not Programmed |
| PHOTO | Enable Cells | Active | Disabled |
| P. MAN | Man Present | Active | Disabled |
| TIME. M | Working time | Active | Disabled |
| CMD. L. | Lamp controler | Programmed controller (s) | No Program. controllers |
| CMD | Controller | Programmed controller (s) | No Program. controllers |
KEY CONTROLLERS
Functionality – This function allows you to store a 2-key control via the control board.
Storing a 2-key controllers (normal operation):
- Press the SEL button as many times as necessary until the CMD LED starts blinking.
- Press the control closing key for 1 second. The CMD LED flashes at twice the initial speed, signaling the key recording.
- Press the control opening key for 1 second. The CMD LED stops blinking, signaling the key recording, and the CMD.L LED flashes. Wait for 30 seconds, the control board exits of programming mode and all LEDs stop blinking.
Controller(s) programmed
No programmed controllers
Functionality – This function allows you to store a 1-key control via the control board. Storing a 1-key remote control (Step by Step operation):
- Press the SEL button as many times as necessary until the CMD LED starts blinking.
- Press the control closing key for 1 second. The CMD LED flashes at twice the initial speed, signaling the key recording.
- The command is stored. Wait for 30 seconds, the control board exits the programming mode and all LEDs stop blinking.
Controller(s) programmed
No programmed controllers
COMMAND FOR EXTERNAL LAMP CONTROL
Functionality – This function allows you to store a command to control the external lamp through the control board. Storing a command to control the external lamp:
- Press the SEL button as many times as necessary until the CMD.L LED starts blinking.
- Press the control button for lamp output control for 1 second.
- The controller is stored. Wait for 30 seconds, the control board exits the programming mode and all LEDs stop blinking.
Controller(s) programmed
No programmed controllers
PROGRAMMING OF REMOTE CONTROLS
Functionality – This function allows you to program new controllers via an already configured controller. Programming remote controls for:
- With the rolling grilles fully open/closed, press the open/close button of a controller already programmed for a time superior to 10 seconds. When the lamp blinks twice, the control board has entered on programming mode remotely.
- Push the closing button of the new control for 1 second. The lamp blinks once.
- Press the button for the opening of the new control. The lamp blinks twice and the control is programmed.
Controller(s) programmed
No programmed controllers
PROGRAMMING EXTERNAL LAMP COMMANDS REMOTELY
Functionality – This function allows you to store a command to control the external lamp via an already configured control. Remote Control programming for external lamp control:
- Press the button of the lamp of a controller already programmed for a time superior to 10 secunds. When the lamp blinks twice, it has entered on programming mode remotely.
- Press the lamp button of the new controller. The lamp blinks twice and the control is programmed.
Controller(s) programmed
No programmed controllers
DELETE ALL THE CONTROLLERS
Functionality – This function allows you to delete all commands added to the control board.
- Press the SEL button as many times as necessary until the CMD LED blinks.
- Press the SET button once and the CMD LED goes off signaling the elimination of all the controllers.
Controller(s) programmed
No programmed controllers
MOTORS WORKING TIME
Functionality – This function allows you to set the opening and closing time of the motor.
- Close the rolling grilles manually.
- Press the SET button continuously for the time required for the opening operation.
- Press the SET button continuously for the time required for the opening operation. When you reach the end of the aperture, release the SET key to end programming. If you have activated the “Detection of Limit Switch” option, this programming will end automatically when the control unit detects the limit switch. Wait for 30 seconds, the control board exits the programming mode and all LEDs stop blinking.
MAN PRESENT FUNCTION
Functionality – This function allows you to activate the Present Man function. When enabled, the operator only closes while holding down the close button.
- Press the SEL button as many times as necessary until the P.MAN LED blinks.
- Press the SET button to enable/disable the option. Wait for 30 seconds, the control board exits the programming mode and all LEDs stop blinking.
Function on
Function off
USE OF PHOTOCELLS
Functionality – This function allows you to activate/deactivate the use of the Photocells, to reverse or prevent the opening of the automation when the signal is interrupted.
- Press the SEL button as many times as necessary until the LED PHOTO blinks.
- Press the SET button to enable/disable the option. Wait for 30 seconds, the control board exits the programming mode and all LEDs stop blinking.
If you do not connect photocells to the control board, you must deactivate this function.
Function on
Function off
SETTING THE PAUSE TIME
Functionality – This function allows you to set the time the automation waits after opening until the automatic closing is started.
- Press the SEL button as many times as necessary until the TIME.P LED starts blinking.
- Press the SET button to start counting time (the LED flashes at twice the initial speed), and press again the SET button to end the pause time count.
TOTAL RESET
Functionality – This function allows you to restore all the factory settings and all the stored commands will be erased.
- Press the SEL and SET buttons at the same time for 5 seconds. The LEDs turn on and off, signaling that the operation has been done.
Functionality – This menu allows you to set the type of external lamp operation. The control board is supplied by default with the lamp control via the control. To access the Extended Menu 1 options follow the steps:
- Press the SET button for more than 5 seconds. The TIME.M and P.MAN LEDs flash alternately.
- Press the SEL button to pass through the various operating modes.
- Press the SET button to save the selected option. The control panel will automatically exit programming mode.
EXTENDED MENU 1
| Operation | LED CMD | LED CMD.L |
| • Control by remote control | Deleted | Deleted |
| • Lamp lights on opening and closing | On | Deleted |
| • Lamp lights on at opening, closing, and pause time (when active) | Deleted | On |
| • Lamp lights in the opening, in the closing, in the pause time and stays on for three minutes after closing | On | On |
| • P.MAN | Flashing ON/OFF | |
| • TIME.M | Flashing OFF/ON | |
Functionality – This menu allows you to activate or deactivate the possibility of programming new commands through an already configured command. The control board is supplied with this PGN function enabled
- Access Extended Menu 1 (see the previous menu items).
- Within the Extended Menu 1, press the SET button for more than 5 seconds. The TIME.M and P.MAN LEDs flash simultaneously.
- Press the SEL button to turn on/off the CMD LED by choosing the desired option!
- Press the SET button to save the selected option. The control panel will automatically exit programming mode.
EXTENDED MENU 2LED LED OFF LED ON • CMD PGM at distance = ON PGM at distance = OFF • P.MAN Flashing ON/OFF • TIME.M Flashing OFF/ON
Functionality – This menu allows you to choose the type of motor connected to the control board for the functions of effort reversal (motor locked). The control board is supplied with 17RPM Motor mode enabled. To access the Extended Menu 3 options follow the steps:
- Access Extended Menu 2 (see the previous menu items).
- Within the Extended Menu 2, press the SET button for more than 5 seconds. The TIME.M and P.MAN LEDs flash alternately quickly.
- Press the SEL button to turn ON/OFF the CMD LED by choosing the desired option!
- Press the SET button to save the selected option. The control board will automatically exit programming mode.
EXTENDED MENU 3LED LED OFF LED ON • CMD 12RPM Motor 17RPM Motor • P.MAN Flashing ON/OFF • TIME.M Flashing OFF/ON
Functionality – This menu allows you to set the sensitivity levels for the locked motor detection. The control panel is supplied at the factory with level 0 (detection disabled), and this value can be adjusted, ranging from 1 to 5 (1 more sensitive and 5 less sensitive). To access the Extended Menu 4 options, follow the instructions below:
- Access Extension Menu 3 (see instructions in the previous menu).
- Within the Extended Menu 3, press the SET button for more than 5 seconds. The LED TIME.M and PHOTO will flash rapidly alternately.
- Press the SEL button as many times as necessary to change the values. The LEDs will light sequentially.
Level LEDs 1 
2 

3 


4 



EXTENDED MENU 4
LED LED OFF LED ON • CMD Disable detection Enable detection • P.MAN Flashing ON/OFF • TIME.M Flashing OFF/ON
TROUBLESHOOTING
INSTRUCTIONS FOR FINAL CONSUMERS
| Anomaly | Procedure | Behavior | Procedure II |
| • Motor doesn’t work | • Make sure you have 110/230V power supply connected to automation and if it is working properly. | • Still not working | • Consult a qualified MOTORLINE technician. |
| • Motor doesn’t move but makes noise | • Unlock motor and move the rolling grilles by hand to check for mechanical problems on the movement. | • Encountered problems? | • Consult an experienced rolling grilles expert. |
| • The rolling grilles moves easily? | • Consult a qualified MOTORLINE technician. | ||
| • Motor opens, but doesn’t close | • Unlock motor and move the rolling grilles by hand to closed position. Lock motor again and turn off power supply for 5 seconds. Reconnect it and send order to open rolling grilles using controller. | • Rolling grilles opened but didn’t close again. | 1 • Check if there is any obstacle in front of the photocells; 2 • Check if any of the control devices (key selector, push button, video intercom, etc.) of the rolling grilles are jammed and sending permanent signal to control unit; 3 • Consult a qualified MOTORLINE technician. |
| • Motor doesn’t make complete route | Unlock motor and move rolling grilles by hand to check for mechanical problems on the rolling grilles. | • Encountered problems? | • Consult an experienced rolling grilles expert. |
| • The rolling grilles moves easily? | • Consult a qualified MOTORLINE technician. |
INSTRUCTIONS FOR SPECIALIZED INSTALLERS
Discovering the origin of the problem
- Open control board and check if it has 110/230V power supply;
- Check the control board input fuses;
- Disconnect the motor from control board and test them by connecting directly to 230Vdc power supply in order to find out if they have problems.
- If the motor works, the problem is on the control board. Pull it out and send it to the MOTORLINE technical services for diagnosis;
- If the motor doesn’t work, remove them from installation site and send to the MOTORLINE technical services for diagnosis.
- Check all motion axis and associated motion systems related with the rolling grilles and the automatism (bolts, hinges, etc.) to find out what is the problem.
- If the motor works, the problem is on the control board. Pull it out and send it to the technical services for diagnosis;
- If the motor doesn’t work, remove them from installation site and send to the technical services for diagnosis.
All control boards MOTORLINE have LEDs that easily allow to conclude which devices are with anomalies. All safety devices LEDs (DS) in normal situations remain On. All “START” circuits LEDs in normal situations remain Off. If LEDs devices are not all On, there is some security systems malfunction (photocells, safety edges). If “START” circuits LEDs are turn On, there is a control device sending permanent signal.
A) SECURITY SYSTEMS:
- Close the cell circuit with shunt or disable the PHOTO function.
- Check if the system is functional.
- Replace this device with a functional one, and verify if the automation functions correctly with all other devices. If you find any other faults, follow the same steps until you discover all the problems.
B) START SYSTEMS:
- Disconnect all wires from START (PUL and PED) connector.
- If the LED turned Off, try reconnecting one device at a time until you find the defective device.
NOTE:
In case procedures described in sections A) and B) don’t result, remove control board and send to the technical services for diagnosis.
- Check all motion axis and associated motion systems related with the rolling grilles and the automatism (bolts, hinges, etc.) to find out what is the problem.
- Make sure that the limit switches are correctly tuned.
- Are properly tuned.
- Start the programming again with the rolling grilles fully closed.
3.1 · Deactivate the Extension Menu 4 (Motor detection locked). - If the motor doesn’t work, remove them from installation site and send to the technical services for diagnosis.
- If motor work well and move rolling grilles at full force during the entire course, the problem is from controller.



















