Model NO.EB04
Original Instructions
5TH WHEEL Electric Bicycle Manual
V1.0
EB04 Electric Bicycle
The picture is for reference only.
Before using the product, please read this manual.
IMPORTANT! Read carefully and keep for future reference.
Welcome
Thanks for choosing the 5TH WHEEL Electric Bicycle, and experiencing the pleasure brought to you by travel and fitness.
Shall ride legally in accordance with the local laws and regulations in case of any special local laws and regulations.

Products & Accessories
Product name: 5TH WHEEL Electric Bicycle
Model: EB04
CMIITID: 2021DP13705
Implementation standard: UL2849:2020
Wireless Frequency Range: 2402~2480MHz
Maximum output power: 2dBm
E-bike body

Accessories

Please carefully check whether all items in the box are complete and intact.
Precautions for Use
Obey traffic regulations and traffic safety.
- Persons under the age of 16 are prohibited to to ride E-bike on the road;
- Ride E-bike in the non-motorized vehicle lane, with the maximum velocity of not exceeding 15km/h; Ride E-bike on the right side of the roadway in case of no non-motorized vehicle lane;
- Do not lend the E-bike to persons who cannot ride to avoid injury;
- Carry people or items with E-bike should in accordance with laws and regulations;
- It is recommended to wear a helmet when riding and pay attention to the traffic safety; It is strictly forbidden to hold the handlebar with one hand or ride with both hands away from the handlebar;
- Pay attention to slow down when riding in rain or snow, because the braking distance will be extended then; Try to avoid riding in severe weather, such as heavy rain, etc.
Safety tips for the use of E-bike
- Do not park E-bike in building foyer, evacuation stair, walkway or safety exit;
- Do not charge and park E-bike in residential buildings; Keep away from combustibles when charging, and the charging time shall not be too long;
- Use and maintain the battery correctly; Used batteries shall not be dismantled without authorization, and shall be recycled by relevant professional department;
- Understand the safe use of charger and warning terms;
- Replace the charger with those matching the storage battery model;
- Do not rinse it with water to avoid the hidden danger of accidents caused by the soaking of internal electronic components and circuits;
- When adjusting the handlebar or sear, be careful not to expose the safety line marking of the handlebar stand tube and saddle tube (where applicable).
- The A-weighted emission sound pressure level at the driver ears is less than 70dB(A).
- For your safety, do not tamper with other parts of the electric bicycle except the sprocket and non original parts. If any parts are damaged, the best way is to contact the local dealer for after-sales service.
Do not use the E-bike in the off-road or other extreme sports scenes since it is not a professional equipment for off-road and extreme sports.
Product Description

Operation & Use
Preparation before riding

- Check whether the power circuit and lighting are in good conditions;
- Check whether the front and rear brakes work normally;
- Check whether the handlebar and front and rear wheels are fastened firmly;
- Check whether the tire pressure is normal;
- Check whether the reflectors are broken or contaminated before riding.
Folding of handlebar
![]() | ![]() |
| • Push the handle switch upward and open the handle outward; | • Flip the handlebar to one side. |
Installation of pedal
![]() | ![]() |
| • Align the pedals to the pedal crank holes; | • Install them with the tool handle. |
Seat installation and adjustment

• Open the seatpost clamp and pull out the seatpost Or adjust to the appropriate height. The maximum height of adjustment shall not be higher than the safety line
Replacement or installation of battery

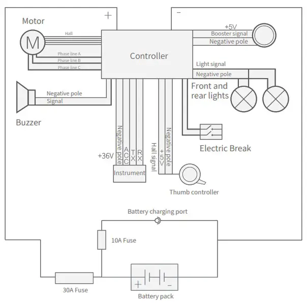
Electrical Schematic Diagram

Technical Parameters
| Product name | Electric Bicycle |
| Model | EB04 |
| Main technical parameter | |
| Dimensions (L × W × H) | 1420mm×600mm×1100mm |
| wheelbase | 985mm |
| Total weight | 22.5kg |
| Max. design speed | ≤25km/h |
| Endurance mileage | 30km 45km |
| Power consumption per 100km | 0.72kW·h/100km |
| Load capacity | 100kg |
This endurance mileage is measured at the mean speed of 15km/h the flat road without wind under the conditions of full power, 75kg load, the temperature of about 25. However, the actual endurance mileage varies depending on many factors, such as road conditions, temperature, wind velocity, humidity, personal weight and operating habits and so on. The endurance mileage value in this parameter page and the specification certificate are for reference only.
| Main parameters or clattery | |
| Type of battery | Lithium battery |
| capacity | 9Ah |
| Nominal voltage | 36V |
| Main technical parameters of motor | |
| Type of motor | Permanent magnet |
| Nominal power | 350W |
| Rated rotate speed | 380±10r/min |
| Rated voltage | 36V |
| Main technical parameters of controller | |
| Undervoltage protection | 31±2V |
| __Overcurrent Protection | 15±1A |
Instrument Operation



Power on
• Press and hold the button“
”for 3 seconds to start the device.
Shut down
• Press and hold the button“
”for 3 seconds to turn off the device.

- Click the button “
” to switch from fitness mode, riding mode and riding information.
GYM (red) means that human power is absorbed by motor and generates electricity.
PAS (blue) means that your riding is assisted by electricity.
Function of buttons
- Button “+”
Press
Interaction upward/ increase - Button “-”
Press
Interaction downward/ decrease - Button “
”Press Press for several seconds Press twice Press 5 times Switch interactive interface System power E-bike light switch E-bike speed units switch
Introduction to APP Operation
5TH WHEEL App Manual Operation
No manual operation is required in case of registering an account of 5TH WHEEL and completing the minimalist connection. The device card will be displayed on the homepage of the 5TH WHEEL App.
| ![]() |
| 1. Please scan the QR code with your mobile phone, or search for “5thWheel” in the App market to download and install the App. | 2. Open the 5thWheel App, and please register/log in to the 5thWheel account according to the App guidelines for the first use. And then, enter the App homepage, click “+” in the upper right corner and “Add Device”. After that, move your mobile phone close to the device, and the App will automatically scan the device. |
![]() | ![]() |
| 3. After scanning the device successfully, please click “Connect” to successfully add the device as prompted by the interface. | 4. Please note that super key is required when switching account and pairing connection. It is provided on the sticker below the Warranty Card on page 121 of the Manual (as shown in the figure). |
Special note: The function of locking the E-bike can only guarantee that the E-bike cannot run normally. Since the whole E-bile is light in weight and is composed of mechanical parts that can be disassembled with corresponding tools, we cannot ensure that your E-bile will not be stolen. Please keep your E-bike within sight or lock it together with mechanical and fixture objects.。
About Battery
Note before the use of lithium battery
- Before use, please confirm that the battery model is the original one of the E-bike; Do not use other batteries of other brands arbitrarily;
- Check and confirm that the lithium battery has good appearance, without obvious phenomena, such as damage, leakage, heat, soaking, or smoking, etc.;
- In order to ensure safe transportation, the battery usually keeps a power quantity of about 30%. But due to the self-consumption during transportation and storage cycle, the power is low or no power when using it for the first time, which is normal. Please don’t worry about that and recharge it by following the charging instructions. Usage Environment
- The best usage environment is at 10℃- 45℃;
- At low temperature, the available capacity of lithium battery will be attenuated to varying degrees. The specific values are as follows: The available capacity is about 70% at -10°C, that is about 85% at 0°C and that is about 100% at 25°C; In case of any abnormal conditions of the battery, such as peculiar smell, heat or deformation, etc., please stop using it immediately, stay away from it and contact the after-sales department.
Warning
The battery cannot be maintained and repaired by the user. In case of any abnormal conditions, please contact the after-sales department for overhaul. In addition, the “ Three Guarantees” policy will not be available in case of disassembling the battery without permission, and it may cause the battery to heat up, smoke, catch a fire or explode.
Storage Environment
- The battery power will be consumed from time to time in case of installing it in the E-bike body. So after the E-bike is not used for a period of time, it is normal for the instrument to show a drop of power;
- Please store the battery at an ambient temperature of 0°C – 25°C. Please do not store it in an environment higher than 45°C, otherwise it will cause irreversible capacity degradation;
- In case of not using the E-bike for a long time (such as in winter, summer or other special circumstances), the battery must be removed and stored separately, and maintained and charged regularly, otherwise it may cause the battery to be completely exhausted and cause irreversible damages. For this, battery fault is not within the scope of “Three Guarantees” policy;
- The most suitable storage capacity of the battery is 50%. In the event that the E-bike is stored for a long time under the conditions of keeping capacity lower than 10% or higher than 90%, it will cause irreversible capacity degradation;
- Do not store the battery in risky locations. Dropping may cause uncontrollable damage to the battery interior and may cause the battery to leak, heat up, smoke, catch a fire or explode.
Charging Environment
- Please use the original battery charger for charging, instead of using other brands or models;
- Please charge the battery at an ambient temperature of 10℃ – 40℃, and ensure that there are no flammable substances around, with good ventilation;
- Instruction of charging time: Please charge the battery within 12 hours, while overcharging will affect the battery life, with potential safety hazards;
- The power rises quickly in the early stage of charging, but slowly in the later stage, which is a normal procedure set for charging safety;
- When charging the battery in winter, it will stop charging at a low outdoor temperature, especially lower than 0°C. It is a normal phenomenon, so please charge the battery in a suitable ambient temperature to ensure the charging effect;
- No outdoor charging in bad weather;
- During charging, the charger has a temperature rise effect and the surface temperature is high, which is a normal phenomenon. Please feel free to use it and avoid children touching it.
Usage and Maintenance of Battery
- Fully charge the battery when using the new E-bike for the first time;
- Fully charge the battery as soon as possible after each use of the E-bike, which is conducive to extending the battery life;
- It is forbidden to over discharge, undercharge and overcharge when the battery is in use, so as not to damage the battery and shorten its service life;
- Keep the battery away from open flames or high temperature heat source. Do not expose it to the sun in the high temperature season to avoid damage to the battery;
- It is recommended to deeply discharge the battery on a regular basis, usually once a month. That is, after long-distance riding until the under voltage indicator shows that the power is exhausted or the under voltage protection device acts, turn off the power for charging. This method can effectively prolong the battery life;
- In case of not using the E-bike for a long time, cut off the power supply and remove the battery. It is best to keep the battery in a cool place and recharged once for 20 – 30 days;
- Used batteries shall not be dismantled without authorization, and shall be recycled by relevant professional department.
Note
- As the key component of E-bike, battery shall be correctly used, properly protected, and charged as needed. In case of more than 20km of daily travel distance, the battery shall be charged every day.
- The performance of the battery is greatly affected by the ambient temperature. When the temperature is below 0°C, its discharge capacity may drop by more than a quarter. Therefore, so it is normal for the endurance mileage of a single charge to decrease in winter or at cold regions. When the temperature rises above 20°C, its performance will recover automatically.
- Do not discard the used batteries at will, so as not to pollute the environment; Please send them to the designated recycling outlet.
About charging

Usage and Maintenance of Charger
This charger shall be specially used for the E-bike, which can take careful care of the battery to effectively improve its service life.
- Warning: All users must charge the E-bike according to the instructions, otherwise the consequences will be at their own risk.
- Tips: All users must must use the original charger.
- Pay attention to the type of battery and the applicable voltage that the charger can be used for charging. Mixed use is strictly prohibited.
- Charge the battery in a ventilated environment. It is strictly forbidden to charge in a confined space, or in a hot sun, or at a high temperature environment. Do not place the charger in the seat or tail box for charging.
- When charging, plug in the battery first, then the power supply; After full charging, cut off the power first, then unplug the battery.
- Cut off the power supply in time when the green light is on. It is forbidden to connect the charger to the AC power supply without load for a long time under the conditions of not charging.
- During charging, stop charging immediately in case of abnormal indicator light, or strange smell, or overheated charger shell. And then, repair or replace the charger.
- During the use and storage of the charger, be careful to avoid the entry of foreign objects, especially the inflow of water or other liquids, so as to avoid short circuit inside the charger.
Try not to carry the charger with the E-bike. In case of really needing to carry it, it shall be placed in the toolbox after shock absorption. - Do not disassemble or replace the components of the charger by yourself.
Check before Use
Check the E-bike before riding. Please repair it in time or seek professional repair in case of any abnormality.
Check the tire
- Check whether the tire pressure is normal.
Judge whether the air pressure is appropriate according to the grounding depression of the tire. In case of any abnormal air pressure, check it with a tire gauge and adjust it to normal.
The normal air pressure of this E-bike tubeless tires is shown in the tire label. - Check whether the tires are cracked or abnormally worn;
- Check whether there are no nails, stones or glass embedded in the tread groove;
- Replace the tire when it is used to the tread wear mark;
Check the lighting device, brake and power outage
- Turn on the power, operate the lighting switch and the switch distance light. Check whether the headlight and taillight are on, and whether the headlight is normal;
- Check the front and rear brake levers separately to confirm whether the power is off.
Warning
Lighting will affect the observation of road conditions, pedestrians and vehicles at night, while the taillight will affect the observation of vehicles behind.
Check the handlebar steering
- Shake the handlebar to check whether there is any abnormal noise, and check whether the handlebar, front fork and shock absorber are deformed, bent or cracked;
- Check whether there are abnormal phenomena in front fork and shock absorber, such as oil leakage, etc. In case of any abnormality, please check and repair it in the Invanti dealer or after-sales point;
- Shake the handlebars to check whether there is any abnormal noise or movement in the front fork. In case of any abnormality, please check and repair it in the Invanti dealer or after-sales point.
Check the handlebar
- Swing the handlebar upward, downward, forward, backward, left and right to check whether there is looseness;
- Rotate the handlebar to check whether it is too tightly;
- When the handlebar is loose or there is a knocking sound, please check and repair it in the Inventio dealer or after-sales point;
Check wheels
- Check whether the wheels rotate smoothly, whether there is abnormal noise, and whether the front and rear wheel fixing screws are tightened;
- Check whether the wheel net is deformed or cracked. In case of any damage, please check and repair it in the Inventio dealer or after-sales point.
Check the brake
- Check whether the idle stroke of the brake handle is within the specified range. Generally speaking, the idle stroke of the drum brake handle is 10mm – 20mm, that of the hydraulic disc brake handle is 5mm – 10mm, and that of the brake pedal is 10mm – 20mm. All of them are obtained through measurement. In case of any error, please adjust it;
- When riding at a low speed on dry and flat road, use the front and rear brakes respectively to check their respective braking effects. The brake handle or brake pedal shall reach the maximum braking effect within 3/4 of the full stroke. When stopping the force, the braking force shall disappear and no self-braking is allowed during riding;
- Replace it in time when the brake pads are severely worn or worn to the wear mark.
Check tire tread groove depth
Check the tire wear and the depth of tread groove. Replace the tire when it is used to the tire wear mark. In case of any abnormality in the tire, please check and repair it in the Invanti dealer or after-sales point. The recommended locking torque of the rear wheel is 40N.m – 45N.m, and that of front wheel is 30N.m – 35N.m.
Check the chain
Loosen the rear axle nut first, and then turn left or right to adjust the chain drawing nut to correct the slack of the chain. When adjusting the chain, align the front and rear sprockets to form a straight line.
After adjustment, re-fix the rear axle nut and lock the drawing nut to make the upper and lower movable distance of the loose side of the chain at the midpoint of the two sprockets reach 10mm – 15mm.

Use & Maintenance of Controller and Motor
Usage and Maintenance of Controller
- Regularly check whether the fixing screws and wiring of the controller are loose.
- Regularly clean the dust on the controller surface, which is conducive to heat dissipation. It is forbidden to wash the electrical components with water to avoid the danger of electrical short-circuit fault;
- It is strictly forbidden to modify the controller circuit without permission;
- Regularly check controller wiring and fuses, etc;
- In case of any abnormality in the controller, stop running immediately and send it to the Infant dealer or after-sales service for inspection and maintenance.
Motor installation and maintenance
- Regularly check whether the end cap screws on both sides of the motor are loose.
- Regularly check whether the motor wiring is loose, whether the appearance is deformed, and whether the motor phase wire is damaged.
- For use in rainy days, the motor cannot be driven in deep water, and the water surface cannot exceed the position of the rear axle.
- The hub of the motor cannot be violently impacted, the motor cannot be forced to run under the condition of locked rotor, and overloading of the motor is strictly prohibited.
- If the motor is found to be running abnormally, stop the movement immediately, and check and repair it in the Inventio dealer or after-sales point.
Note for water washing
- Disconnect the power supply of the E-bike before cleaning. Do not touch the live parts with wet hands or metal conductors, such as battery charging/ discharging port;
- Do not rinse the electrical components with water, but wipe the E-bike appearance with a wet towel after drying it;
- Avoid rinsing the charging socket, wiring harness connectors and fuses with water. Do not directly splash water on the storage box;
- Do not splash water directly on the brake, motor and front and rear axles to prevent water from affecting the service life of the E-bike components;
- Do not wash the E-bike with steam or high pressure water.
Troubleshooting
| Fault | Cause of fault | Solution |
| No power after powering on | It is in the locking state. | 1. Unlock the E-bike. |
| The motor fails to start after powering on and turning the handlebar. | 1. It is in the braking state; 2. It is in the parking state; 3. The speed does not reach 6km/h; 4. The starting switch is faulty. | 1. Whether the brake handle is in the braking state; 2. Release the P gear; 3. Ride to 6km/h; 4. Please contact the after-sales service worker. |
| Insufficient endurance mileage | 1. The battery is undercharged; 2. The tire pressure is insufficient; 3. Frequently start the brake; 4. The battery is aging or degraded normally; 5. The ambient temperature is low and the battery capacity is degraded. | 1. Check the charger and confirm whether is is damaged; 2. Check the tire pressure before each use; 3. Develop good riding habits; 4. Replace the battery; 5. It is a normal phenomenon. |
| The battery is not charging. | 1. The charger plug is not inserted properly; 2. The battery temperature is too low; 3. The battery temperature is too high. | 1. Check whether the plug is loose; 2. Wait for the battery to return to charging temperature; 3. Wait for the battery to return to charging temperature. |
| No display on the instrument. | 1. The power connector is damaged; 2. The power converter is damaged; 3. The instrument is faulty. | 1. Check whether the battery plug is inserted properly; 2. Charge the battery when it is under voltage; 3. Contact the after-sales service worker to replace the damaged parts. |
Maintenance & Repair
Regularly check the complete E-bike
- Check whether the fasteners are locked and whether the joints of various parts are normal;
- Check whether the pattern of the outer tire is worn or cracked, whether the front and rear tire pressure is appropriate, and whether the drive system is smooth;
- Check whether the brake system is running properly;
E-bike storage method
- In case of not using this product for a long time, do not store it outdoors, or under strong light or below zero temperature for a long time. Keep it from the heat source (e.g. heating equipment, etc.) not less than 2cm;
- Store in a dry, clean and well-ventilated indoor environment, with a temperature of 10°C – 45°C and a relative humidity of not more than 90%;
- In case of not using the E-bike for a long time, charge it regularly (usually once every two months) to manta in the battery performance;
- Keep the E-bike away from corrosive liquids, and prevent it from any mechanical shock and heavy object pressure.
Transportation
- During transportation, prevent it from severe mechanical shock, exposure to sunlight, rain, chemical corrosive substances and harmful gas erosion;
- During loading and unloading, be careful to handle it gently to prevent dropping, rolling and heavy object pressure.
Instructions of maintenance and cleaning
- It is forbidden to rinse the E-bike with water to avoid the hidden danger of accidents caused by the soaking of internal electronic components and circuits;
- Please gently wipe the stains on the surface of paint or plastic parts with neutral detergent and rag, and then clean it with a dry cloth;
- Please wipe the metal parts with lubricating oil for maintenance;
- It is strictly forbidden to inject oil into the brake part, so as to avoid danger caused by brake failure.
Authentication
The EU Compliance Statement is as follows:
WEEE needs to properly dispose of and recycle the product. This sign indicates that the product should not be disposed of together with other domestic waste throughout the EU.
Therefore, in order to prevent possible harm of uncontrolled waste treatment to the natural environment or human health, it is necessary to recycle it and promote the sustainable reuse of material resources. To recycle the used product, use the return and collection system or contact the retailer who can use the product for environmentally safe recycling.
EU Battery Recycling Information:
Batteries or battery compartments are marked in accordance with the European Directive 2006/66/EC and the amendment 2013/56/EU on batteries and accumulator cells and scrap batteries and accumulator cells.
The directive applies to the recycling framework of waste batteries and accumulator cells throughout the EU. The label on the battery indicates that the battery should not be discarded, but recycled at the end of its service life according to the directive.
According to the European Directive 2006/66/EC and the amendment 2013/56/EU, batteries and accumulator cells are labeled to indicate that they will be collected separately and recycled at the end of their service life. The label on the battery may also contain the chemical symbols of the relevant metals in the battery (Pb, Hg and Cd). Users should not dispose of batteries and accumulator cells as garbage, but use the collection framework available to customers to recycle and dispose of batteries and accumulator cells. With the engagement of users, it is important to minimize any potential impact of batteries and accumulator cells on the environment and human health due to the presence of potentially hazardous
substances.
Before placing electrical and electronic equipment (EEE) into a waste collection stream or waste collection facility, users of equipment containing batteries and/or accumulator cells must remove these batteries and accumulator cells for separate collection.
Restriction of Hazardous Substances in Electrical and Electronic Equipment (RoHS) Directive The products and parts (cables, wires, etc.) of Invanti (Beijing) Technology Co., Ltd comply with the requirements of directive 2011/65/EU on restricting the use of certain hazardous substances in electrical and electronic equipment (“RoHS recasting” or “RoHS 2”)
Trademark and Legal Statements
5TH WHEEL and the 5TH WHEEL logo are trademarks of Inventio (Beijing) Technology Co., Ltd,used under license.
Android and Google Play are trademarks of Google Inc. and the App Store is the service mark of Apple Inc. Their respective owners reserve the trademark rights mentioned in this user manual.
The products involved in the registered trademark of 5TH WHEEL are protected by relevant patent laws. For relevant patent information, please visit the website: https://www.5thwheel.life.
In this user manual, we make our utmost to describe all the instructions and functions of the EB04 electric bicycle. With constant updates and iteration, the EB04 electric bicycle received may be slightly different from the product features shown in this manual. For more information, please visit the Apple App Store (iOS) to download the App.
Please note that Inventio has developed products with many functions and different models of products, and some of the functions mentioned here may not be applicable to the product or equipment received. The manufacturer reserves the right to change the design and function of the EB04 electric bicycle and documents without notice. 2023 Inventio (Beijing) Technology Co., Ltd all rights reserved.
FCC Statement:
This device complies with part 15 of the FCC Rules. Operation is subject to the following two conditions: (1) This device may not cause harmful interference, and (2) this device must accept any interference received, including interference that may cause undesired operation.
This equipment has been tested and found to comply with the limits for a Class B digital device, pursuant to part 15 of the FCC Rules. These limits are designed to provide reasonable protection against harmful interference in a residential installation. This equipment generates, uses, and can radiate radio frequency energy and, if not installed and used in accordance with the instructions, may cause harmful interference to radio communications. However, there is no guarantee that interference will not occur in a particular installation. If this equipment does cause harmful interference to radio or television reception, which can be determined by turning the equipment off and on, the user is encouraged to try to correct the interference by one or more of the following measures:
- Reorient or relocate the receiving antenna.
- Increase the separation between the equipment and receiver.
- Connect the equipment into an outlet on a circuit different from that to which the receiver is connected.
- Consult the dealer or an experienced radio/TV technician for help.
Caution: Any changes or modifications not expressly approved by the party responsible
for compliance could void the user’s authority to operate the equipment.
This equipment complies with FCC radiation exposure limits set forth for an uncontrolled environment. This transmitter must not be co-located or operating in conjunction with any other antenna or transmitter.

Scan the QR code to download the App.
![]()
The illustrations and function descriptions in this user manual are for illustration purposes and reference only, and the products are subject to the real product. The mentioned technical performance indicators are based on the specific experimental environment, and the actual indicators may vary depending on the setting and environment. This product needs to be used with mobile phones or other smart devices. The realization of all functions of this product requires network support, with the network fee being subject to the supplier’s service rate. This product is only used to assist safety management and cannot replace other safety measures. Do not use this product for any illegal purpose. Some services are provided and supported by third parties, which may change at any time. Invanti does not provide any guarantee for third-party services. Please read the terms of the third-party service and privacy policy carefully before use.
The text and logo of 5TH WHEEL are trademarks or registered trademarks of enterprises affiliated with Invanti. Other company, product or service names mentioned may be trademarks or registered trademarks of their respective owners.
© 2023 Inventio (Beijing) Technology Co., Ltd all rights reserved.
![]()

























