DIGITEL Newel 3 Energy Metering
User Manual
Digital reserves the right to modify the technical characteristics described without prior notice.
Non-contractual document
Digitel SA
All rights reserved
ENERGY METERING
ENERGY COUNTER N43
Energy metering can be performed using the N43 meters. They must be connected to one of the communication buses according to the diagram below. They measure all important parameters of the network these values, recorded in the central unit, allow a detailed analysis of the consumption, creation of statistical estimation of the operating costs, etc …
The communication parameters of the N43 counter must be programmed as follows:
[Adr] – 1 à 31 (address – value between 1 and 31 unique for each module)
[trb] – r8n1
[bAU] – 19.2k
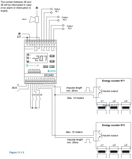
IMPULSE COUNTER
The diagram below shows the measurement of energy consumption using a pulse counter.
















