Schneider MTN6600-0603 SpaceLogic KNX Energy Meter REG-K-3×230 V-16 A

For your safety
Danger Risk of serious damage to property and personal injury, e.g. from fire or electric shock, due to incorrect electrical installation.
The safe electrical installation can only be ensured if the person in question can prove basic knowledge in the following areas:
- Connection to installation networks
- Connecting several electrical devices
- Laying electric cables
- Connecting and establishing KNX networks
These skills and experience are normally only possessed by skilled professionals who are trained in the field of electrical installation technology. If these minimum requirements are not met or are disregarded in any way, you will be solely liable for any damage to property or personal injury.
Getting to know the Energy meter
The KNX Energy meter, REG-K/3×230 V/16 A (referred to below as Energy meter) makes it possible to monitor and measure energy on the channels connected, which increases building energy efficiency.
Device properties
- Measurement of: energy consumption, power and current and providing the results via the bus.
- Determining the active energy consumption per channel and the total consumption.
- Measuring the active energy consumption per channel: max. 1.5%
- Accuracy of power measurement: 10%
- For installation on TH35 DIN rails as per DIN EN 60715.
- The bus connection is carried out via a bus connecting terminal.
Never use the device in combination with current transformers
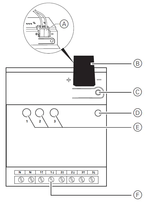
Connections, displays and operating elements

- A Connection: bus
- B Protective cap for A
- C Push-button and LED: programming
- D LED: RUN
- E LED: channel 1-3
- F Connecting terminals
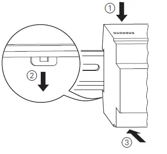
Mounting the Energy meter
The device can be damaged.
Safety clearance must be guaranteed in accord-ance with IEC 60664-1. There must be at least 4 mm between the individual cores of the 230 V supply cable and the KNX line A.

- Place the device into the DIN rail.

- Wire the device of the desired application accordingly.
You can connect any number of loads to an input as long as the allowed maximum input current of can be assigned to channels 1-3.
- Connect the bus voltage.
- Connect the power supply to the loads.
Putting the Energy meter into operation
- Press the programming button: the programming LED lights up.
- Load the physical address and application into the device from the ETS: The programming LED goes out.
The RUN LED lights up: the application has been loaded successfully, the device is ready to be operated.
Status LED
| Status LED (red/green) | Program- ming LED (red) | RUN LED (green) | |
| – | ON | – | The physical address can be loaded |
| OFF | – | ON | Application loaded and bus voltage connected |
| Flashes green | – | ON | Measurement be- ing performed |
| OFF | – | OFF | No bus voltage |
| OFF | – | ON | Mains voltage ab- sent |
| Flashes red | – | ON | Overload |
Behavior in the event of problems
Behavior in the event of bus failure when voltage is connected
In the event of bus failure, measurement is stopped immediately and all information from this point on is not recorded. The RUN LED is switched off.
Behavior after restoring the bus connection when voltage is connected
The consumption value saved in the internal memory prior to bus failure is used as the starting point for power measurement when the bus connection is restored.
Technical data
- Supply voltage: via KNX bus, DC 24 V, max. 12.5 mA
- Operating elements: 1x programming button
- Display elements:
- 1x LED (red): Programming
- 1x LED (green): RUN
- 1x LED (red/green) per channel: Status
Inputs
- Voltage: AC 220/230 V, 50/60 Hz
- Max. load per channel: 16 A
- Current: 20 mA (power factor 1)
- External protection per channel: 16 A
Accuracy class (according to IEC 61557-12)
- Active energy measurement: Class 1
- Power measurement: 10%
Ambient temperature
- Operation: -5 °C to +45 °C
- Environment: Can be used at elevations up to 2000 m above sea level (MSL)
- Max. humidity: 93%, no condensation
Connections
- KNX: Bus connecting terminal
- Inputs: Screw terminal for crosssections up to max. 2.5 mm2
- Type of protection: IP 20
- Device width (HxWxD): 90x72x65 mm , 4 modules
Schneider Electric-Contact
Schneider Electric Industries SAS
35 rue Joseph Monier
Rueil Malmaison 92500
France
If you have technical questions, please contact the Customer Care Centre in your country. se.com/contact





















