velleman K2032 3 Digit Panel Meter Kit

Product Information
The 3 Digit Panel Meter Kit (K2032) is a high precision and stable panel meter that can be built into various housings or existing equipment. It features overload indication for positive and negative values, making it suitable for a wide range of applications.
Specifications:
- Supply voltage: 5VDC / 250mA
- Display: +999mV and -99mV full-scale
- Resolution: 1mV
- Input impedance: 100Mohm
- PCB dimensions: 33 x 65mm (1.3 x 2.6)
- Recommended transformer: 1060018M
Product Usage Instructions
- Make sure you have the right tools, including a basic multi-meter.
- Follow the assembly hints provided:
- Mount the components against the PCB surface and solder the leads.
- Ensure the solder joints are cone-shaped and shiny.
- Trim excess leads as close as possible to the solder joint.
- Remove components from the tape one at a time.
- Note any last minute manual updates indicated as “NOTE” on a separate leaflet.
- Proceed with the construction of the main PCB (P2032A) by following the assembly steps provided in the manual:
- Mount the jumper in the designated position.
- Mount IC sockets with attention to the position of the notch.
- Mount the transistors and resistor trimmers.
- Mount the ICs with attention to the position of the notch.
- Continue with the assembly of the display PCB (P2032B) by following the provided steps:
- Mount the resistors and jumpers in their designated positions.
- Mount the displays with attention to the position of the decimal point.
- Complete the final assembly by placing both PCBs with their copper sides facing each other and fixing them with spacers and bolts.
- Solder the jumpers on the base PCB to establish a good connection between the two PCBs.
- Finally, use the panel meter by connecting the input signal as required.
Features
- Overload indication: positive and negative.
- High precision and excellent stability.
- Very compact.
- Can be built into all kinds of housings or even into existing equipment.
Specifications
- Supply voltage: 5VDC / 250mA
- Display: +999mV and -99mV full-scale
- Resolution: 1mV
- Input impedance: 100Mohm
- PCB dimensions: 33 x 65mm (1.3″ x 2.6″)
- Recommended transformer: 1060018M
Assembly (Skipping this can lead to troubles ! )
Ok, so we have your attention. These hints will help you to make this project successful. Read them carefully.
Make sure you have the right tools:
- A good quality soldering iron (25-40W) with a small tip.

- Wipe it often on a wet sponge or cloth, to keep it clean; then apply solder to the tip, to give it a wet look. This is called ‘thinning’ and will protect the tip, and enables you to make good connections. When solder rolls off the tip, it needs cleaning.

- Thin raisin-core solder. Do not use any flux or grease.

- A diagonal cutter to trim excess wires. To avoid injury when cutting excess leads, hold the lead so they cannot fly towards the eyes.
- Needle nose pliers, for bending leads, or to hold components in place.
- Small blade and Phillips screwdrivers. A basic range is fine.
For some projects, a basic multi-meter is required, or might be handy
Assembly Hints :
- Make sure the skill level matches your experience, to avoid disappointments.
- Follow the instructions carefully. Read and understand the entire step before you perform each operation.
- Perform the assembly in the correct order as stated in this manual
- Position all parts on the PCB (Printed Circuit Board) as shown on the drawings.
- Values on the circuit diagram are subject to changes.
- Values in this assembly guide are correct*
- Use the check-boxes to mark your progress.
- Please read the included information on safety and customer service
* Typographical inaccuracies excluded. Always look for possible last minute manual updates, indicated as ‘NOTE’ on a separate leaflet.
Soldering Hints :
- Mount the component against the PCB surface and carefully solder the leads

- Make sure the solder joints are cone-shaped and shiny

- Trim excess leads as close as possible to the solder joint
REMOVE THEM FROM THE TAPE ONE AT A TIME !
AXIAL COMPONENTS ARE TAPED IN THE CORRECT MOUNTING SEQUENCE !
You will find the color code for the resistances and the LEDs in the HALG
(general manual) and on our website: http://www.velleman.be/common/service.aspx
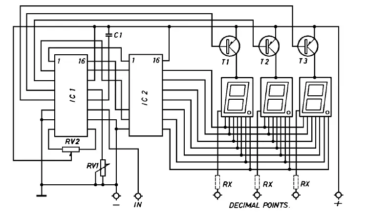
Assembly of the main PCB P2032A :
- Jumper

- IC sockets. Pay attention to the position of the notch!

- Transistors

- PCB pins

- Capacitor

- Resistor trimmers

- IC’s. Pay attention to the notch !

Assembly of the display PCB P2032B :
- 1/4W Resistor(s)
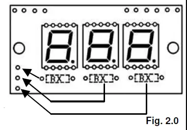
Resistors RX are not really necessary, but they serve eventually to activate the deci-mal point of the display. - Displays.
Pay attention to the position of the decimal point. - Jumpers.
When using decimal points :
Three RX resistances can be mounted on the display print. Solder a jumper in the right spot on the left-hand side of the print for each of these resistances.
Attention : mount the jumpers on the solder side !!!
Afterwards, the jumpers are also soldered to the mass of the base PCB ‘P2032A’.
Final assembly

Place both PCB’s with their respective copper side one in front of the other and fix them with two spacers and two M3 bolts (Fig 3.0).
These bolts are slightly longer in case you want to mount the prints on a front panel.

Now solder the 10 jumpers on the base PCB to establish a good connection between the two PCB’s.
Use
- Place the trimmer RV1 and RV2 in their mid-position.
- Connect a stabilized 5V power supply, delivering at least 250mA, to the points “+” and “-” near RV1 & RV2. ? Connect the input signal to the points “+” and “-” that are completed with the word “IN”.
- Having connected the 5V supply, with the signal inputs open, the displays will lighten up or will show “EEE” or “_ _ _” or even both signals alternatively.
- Short circuit the signal inputs. A fixed lecture will appear, which may be positive or negative.
- Trim RV2 to obtain 0 displayed.
- Apply a known voltage of maximum 999mV at the signal input and trim RV1 until the displayed value
corresponds to the known value of the input voltage. - Once you succeed, to not touch the trimmers anymore, unless you want to renew the procedure.
- The stability of the measurement is straight proportional with the stability of the applied +5V power supply.

Schematic diagram.

PCB

Modifications and typographical errors reserved
© Velleman Components nv.
H2032IP – 2004 – ED1 (rev2)
VELLEMAN Components NV
Legen Heirweg 33
9890 Gavere
Belgium Europe
www.velleman.be
www.velleman-kit.com








REMOVE THEM FROM THE TAPE ONE AT A TIME !







Resistors RX are not really necessary, but they serve eventually to activate the deci-mal point of the display.
Pay attention to the position of the decimal point.
When using decimal points :
Attention : mount the jumpers on the solder side !!!


















