BOSS Audio Systems MGR350B Marine Gauge Receiver

Thank you for purchasing this MGR350B Bluetooth Gauge Hole Radio Please read through these instructions carefully so you will know how to operate your model properly. After you have finished reading the instructions, keep this document in a safe place for future reference.
THIS PACKAGE CONTAINS
INFORMATION TO THE USER
The Bluetooth® word mark and logos are registered trademarks owned by Bluetooth SIG, Inc. and any use of such marks is under license. Other trademarks and trade names are those of their respective owners.
BEFORE YOU START
IMPORTANT SAFETY PRECAUTIONS
BE SURE TO OBSERVE THE FOLLOWING GUIDELINES:
- Do not turn up the volume so high that you can’t hear what’s around you.
- Use caution or temporarily discontinue use in potentially hazardous situations.
- Do not operate mobile video equipment while driving a motorized vehicle – safe driving and the safety consideration of others should always be your highest priority.
- Set your volume control at a low setting, then slowly increase the sound until you can hear it comfortably without distortion, or ear discomfort.
- In the event you should notice smoke, strange noises or odor from this product, or any other abnormal signs, immediately turn off the power and consult your dealer or the nearest authorized BOSS AUDIO Service Center Using this product in this condition may result in permanent damage to the system.
INSTALLATION PRECAUTIONS
Always consult with a professional installer
- Do not attempt to install or service this product by yourself. Installation or servicing of this product by persons without professional training and experience in electronic equipment and motorized vehicle accessories may be dangerous and could expose you to the risk of electric shock, injury, or other hazards
- Refer any repairs to a qualified BOSS AUDIO SYSTEMS Service Center
- The MGR350B should be wired directly to a vehicle’s battery
- When wiring directly to the vehicle’s battery, be sure to disconnect the battery negative terminal wire before starting any wiring procedures, if extending the main power primary wire, it is suggested that an optional fuse and fuse holder (not included) with a minimum rating of 20 Amperes be in-line with the positive battery terminal
- The ground cable length should be as short as possible, if extending from your battery, be sure to use a proper gauge rating for the length of the run and use only high-quality copper primary-type wire
- The MGR350B has an IPX6 weather-resistant design, it should not be submerged in or under water under any circumstances
- Do not use abrasive cleaning materials on the lens or bezel
- Use only the installation parts provided with the MGR350B

To avoid potential shorts in the electrical system, be sure to disconnect the (–) battery cable before installation. Use this unit with a 12-Volt battery and negative grounding only. Failure to do so may result in a fire or malfunction.

When replacing the fuse, be sure to only use a fuse of the rating specified on this product. To avoid short-circuiting, cover any disconnected leads with insulating tape. It is especially important to insulate any unused wires, which if left uncovered may cause a short circuit. When connecting other devices to this product, refer to the manual for the product to be connected. The black cable is ground, make sure to connect the ground wire first.
Ensure that the ground cable is properly connected to metal parts of the vehicle’s body frame or directly to the battery if your vehicle does not have a grounded chassis frame. The ground cable of this unit’s power amp and a second powered system must be connected to the frame separately with different screws. If the screw for the ground wire loosens or falls out, it could result in fire or malfunction
SUGGESTED MOUNTING METHODS
- Make the mounting hole size as follows
CAUTION!! Using other mounting methods may void this warranty - Install stud mounts into the rear of the chassis
- Adjust M4 nuts for the best mounting depth

- Slip the unit through the hole cutout and into U-bracket

- Firmly tighten the remaining M4 nuts

- Secure and waterproof the wiring
TOOLS NEEDED:

- Measuring Tape / Ruler
- Wrench and/or Pliers
- Hole Saw
- Crimp Tool
WIRE DIAGRAM

CAUTION!!
Do not ground or short the speaker’s leads
GETTING STARTED

SOURCE MODES

All rights reserved. No part of this publication may be reproduced, distributed, or transmitted in any form or by any means, including photocopying, recording, or other electronic or mechanical methods, without the prior written permission of BOSS AUDIO SYSTEMS Inc.

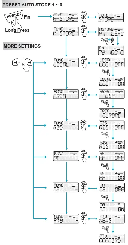
TUNER SETUP


| Repeat | ALL: to repeat all tracks on the storage media Song: the current track will be repeated Folder: repeats all tracks in the current folder |
| Random On/Off | This function allows you to play tracks/songs from the current album, songs or artists in a random order. |
| Tuner Mode | Selectable settings |
| Auto Store | Press to access A-STORE mode, the strongest stations of the selected band will be saved in FM 1 or FM 2, AM 1 BAND presets automatically |
| Manual Store | When a desired radio station is set, press M-STORE to sa it in the memory, you can store a total of 12 FM or 6 AM |
| Local On/Off | ON: only stations with strong signals can be broadcast. The Local indicator will light up OFF: Stations of both strong and weak signals can be broadcast. |
| Area | Select a suitable country area for this unit: USA / EUROPE / ASIA / AUST |
| RDS On/Off | Turn On or Off the RDS function. |
| AF On/off | ON: The unit will search for another station with strong signal, but with the same program identification as the current station automatically. OFF: Turn off the AF function |
| TA On/off | ON: When there is a traffic announcement, the unit will automatically switch to the tuner mode (regardless of the current mode) and begins to broadcast the announcement on traffic conditions. When the traffic announcement is over, the unit will automatically return to the previous mode OFF: Traffic announcement does not cut in. |
| PTY | Once inside the PTY mode, press the get into program type item, and rotate the encoder volume knob to the selected category. Available Program Type: POP M; ROCK M; EASY M; LIGHT M; CLASSICS; OTHER M; JAZZ M; COUNTRY; NATION M; OLDIES M; FOLK M; A-TEST; ALARM; NEWS; AFFAIRS; INFO; SPORT; EDUCATE; DRAMA; CULTURE; SCIENCE; VARIED; WEATHER; FINANCE; CHILDREN; SOCIAL; RELIGION; PHONE IN; TRAVEL; LEISURE; DOCUMENT |
AUDIO and SYSTEM SETUP
AUDIO



| Item | Selectable settings |
| BT | This feature allows you to Reconnect or Disconnect to the paired mobile phone or Bluetooth device manually. |
| BEEP | Turn On or Off the beep sound. |
| RESET | To restore the factory default settings. |
| ABOUT | To view the device hardware and software versions. |
Tips:
To avoid battery exhaustion be sure to run the vehicle’s engine while using this product. Using this product without running the engine can drain the battery.
RADIO OPERATION

- Press the SRC button to select RADIO
- Press
to MUTE, press again to UNMUTE - To advance stations press

- To skip previous stations press

- Press the button to display RADIO information
- Press the PRESET button to recall PRESETS 1 ~ 6
BLUETOOTH OPERATION
PAIRING & DISCOVERING A NEW BLUETOOTH CONNECTION

- Power on the MGR350B by pressing and holding down the Power
button for 1 second, the Bluetooth ICONV will start to flash signaling that the MGR350B is now ready for Bluetooth pairing.
NOTE: You have 2 minutes before you must restart this procedure over again. - Now that the MGR350B is in pairing mode:
- ANDROID users:
- Go into the Settings Menu of your ANDROID device
- Enter the Bluetooth Menu and press SCAN
- “BOSS MGR350” will now be displayed under AVAILABLE DEVICES
- If prompted, enter passcode: “0000”
- iOS users:
- Go into the Settings Menu of your iOS device
- Enter the Bluetooth Menu
- “BOSS MGR350” will now be displayed
- If prompted, enter passcode: “0000”
- ANDROID users:
- If the MGR350B is not seen, repeat the above steps to refresh the “Device List”
- When the BT connection is successful you will see BT CONNECTED message on the MGR350B LCD display, you are now ready to stream music from your device’s favorite media player to the MGR350B
RECONNECTION

- Power on the MGR350B and your last paired device Bluetooth
- The unit will now automatically be reconnected
- If your device was previously paired with the MGR350B, but it wasn’t the last paired device:
- Ensure no other devices are currently paired
- Press and hold the MENU button to manually connect/reconnect to the MGR350B
- If the device is out of range from the MGR350B, it will disconnect automatically:
- The MGR350B will reconnect to the device once in range, and a confirmation message will be displayed on the LCD
BLUETOOTH STREAMING MUSIC

- Press the SRC button to select BT AUDIO
- Press
to start PLAY, and press again to PAUSE - To skip songs or advance tracks press
,press and hold to FAST FORWARD - To select the previous track press the button
press, and hold to FAST REWIND - Press the
ENTER button to display song ID3 information
USB OPERATION

- Press the SC button to select the USB
- Press
to start PLAY, and press again to PAUSE - To skip songs or advance tracks press
, press and hold to FAST FORWARD - To select the previous track press
, press, and hold to FAST REWIND - Press the
button to display song ID3 information
AUX-INPUT

- Press the SRC button to select AUX IN
- Press
to MUTE, and press again to UNMUTE
Tips:
Ensure to adjust the level of your devices master volume to 75%
TROUBLESHOOTING
| TROUBLE | CAUSE | SOLUTION |
| The unit will not turn on | The fuse is blown | Check/replace the fuse |
| Ignition not engaged | Turn the ignition to on position | |
|
No sound is heard | Blown speaker | Replace faulty speaker |
| Volume is low / muted | Press the volume level up | |
| The device is paused or muted | Check your device playing / volume status | |
|
Cannot pair Bluetooth | The Bluetooth function of the device is not enabled | Refer to the user manual of the device for how to enable the Bluetooth function |
| The MGR350B BT memory is full | Follow how to reconnect a device in Section E | |
| The audio quality is poor after connection with a Bluetooth-enabled device |
The Bluetooth reception is poor | Move the device closer to the audio system or remove any obstacle between the device and the system’s antenna |
|
The unit has become unresponsive | Power glitch or interference | Disconnect power for 10 seconds to reset |
| Low battery power | Charge the battery, run the engine to recharge the battery | |
| Reset the main system | Follow the steps in Section B |
SPECIFICATIONS
FM TUNER FREQUENCY RANGE
- USA 87.5~107.9MHz
- Europe 87.5~108MHz
- Asia 87.5~108MHz
- Australia 87.5~108MHz
- Usable Sensitivity: 12dB (S/N=30dB)
- Bands: 2
AM TUNER FREQUENCY RANGE
- USA 530~1710KHz
- Europe 522~1620KHz
- Asia 522~1620KHz
- Australia 522~1620KHz
- Usable Sensitivity: 40dB (S/N=20dB)
- Bands: 1
WEATHER BAND SELECTION
- CH.1 162.400MHz
- CH.2 162.425MHz
- CH.3 162.450MHz
- CH.4 162.475MHz
- CH.5 162.500MHz
- CH.6 162.525MHz
- CH.7 162.550MHz
- Bands: 1
BLUETOOTH
- BT: 3.0
- BT Range: 33Ft / 10M (Class 2)
- BT Profiles: A2DP / AVRCP 1.3
USB DRIVE MEDIA SUPPORTED
- MP3
- WMA
- 65,000 Songs
- 32GB / FAT 32
- USB 2.0 High Speed
- USB Output Voltage: 5VDC @ 1A
INTEGRATED AMPLIFIER
- MOSFET
- MAX Continuous Output: 240W (All channels driven)
- PEAK Power Rating: 60W / channel
- RMS Total Power Output: 80W
- Channels: 4
- Class: AB
- Frequency Response: 20-20kHz
- 4Ω stable
CHASSIS
- Button Backlight Illumination: BLUE LED
- F/R/S RCA Preamp Output: 2VRMS
- RCA Input Impedance: 10kΩ
- LCD: TN Type / Active Matrix
GENERAL
- Power Source: 14.4VDC (10.8V ~ 16V allowable)
- Grounding System: Negative type
- Maximum Current Consumption: 15A
- 3-way protection circuitry (thermal, overload, and speaker short protection)
- Unit Weight: 1.08lbs / 0.52kg
- Storage Temperature: -22oF to 176oF / -30oC to 80oC
- Operation Temperature: -4oF to 158oF / -20oC to 70oC
- Replacement Fuse: 15A (Replace with ATG Fuse Type Only)
Specifications subject to change without notice
TECHNICAL SUPPORT

1-805-751-4853
www.bossaudio.com/support
FCC COMPLIANCE STATEMENT
This device complies with part 15 of the FCC Rules. Operation is subject to the following two conditions: (1) this device may not cause interference, and (2) this device must accept any interference, including interference that may cause undesired operation of this device. This transmitter must not be co-located or operated in conjunction with any other antenna or transmitter. The Bluetooth antenna cannot be removed (or replaced) by the user. This equipment complies with FCC/ IC radiation exposure limits set forth for an uncontrolled environment and meets the FCC radio frequency (RF) Exposure Guidelines and RSS-102 of the IC radio frequency (RF) Exposure rules. This equipment has very low levels of RF energy that it deemed to comply without maximum permissive exposure evaluation (MPE). But it is desirable that it should be installed and operated while keeping the radiator at least 20 cm or more away from the person’s body (excluding extremities: hands, wrists, feet, and ankles). Alteration or modifications carried out without appropriate authorization may invalidate the user’s right to operate the equipment.
NOTE: This equipment has been tested and found to comply with the limits for a Class B digital device, pursuant to Part 15 of the FCC Rules. These limits are designed to provide reasonable protection against harmful interference in a residential installation. This equipment generates, uses, and can radiate radio frequency energy and, if not installed and used in accordance with the instructions, may cause harmful interference to radio communications. However, there is no guarantee that interference will not occur in a particular installation. If this equipment does cause harmful interference to radio or television reception, which can be determined by turning the equipment off and on, the user is encouraged to try to correct the interference by one or more of the following measures:
- Relocate or reorient the receiving antenna.
- Increase the separation between the equipment and the receiver.
- Connect the equipment to an outlet on a circuit different from that to which the receiver is connected.
- Consult the dealer or an experienced radio/TV technician for help.
WARNING
ADJUSTMENT OR ALTERATIONS OF THIS DEVICE MAY RESULT IN HAZARDOUS RADIATION EXPOSURE.
iPod® and iPhone® are registered trademarks of Apple Inc. registered in the USA and other countries. BOSS Audio Systems is not affiliated with Apple Inc. BOSS Audio Systems 3451 Lunar Court Oxnard, CA 9303 www.bossaudio.com 805.322.8794
Tech Support: www.bossaudio.com/support
Copyright © 2015 PRINTED IN CHINA
FREQUENTLY ASKED QUESTIONS
What is the BOSS Audio Systems MGR350B Marine Gauge Receiver?
The BOSS Audio Systems MGR350B is a marine-grade gauge receiver designed for use in boats and other watercraft. It provides audio playback and features specifically tailored for marine environments.
What are the key features of the MGR350B Marine Gauge Receiver?
The MGR350B Marine Gauge Receiver offers features such as Bluetooth connectivity, MP3 and WMA playback, AM/FM radio tuner, weatherproof design, auxiliary input, USB charging, and compatibility with audio streaming apps.
Is the MGR350B Marine Gauge Receiver waterproof?
While the MGR350B Marine Gauge Receiver is designed to be weatherproof and can withstand exposure to water and other outdoor elements, it is not fully waterproof. It is important to protect it from direct water submersion.
Does the MGR350B Marine Gauge Receiver have built-in amplification?
Yes, the BOSS Audio Systems MGR350B has a built-in amplifier, allowing it to power connected speakers without the need for an external amplifier.
Can I connect my smartphone or other devices to the MGR350B via Bluetooth?
Yes, the MGR350B Marine Gauge Receiver has Bluetooth connectivity, enabling you to wirelessly connect compatible devices, such as smartphones or tablets, to stream audio.
Does the MGR350B Marine Gauge Receiver support USB input?
Yes, the MGR350B Marine Gauge Receiver has a USB input, allowing you to connect USB storage devices or smartphones to play audio files or charge devices.
Can I listen to AM/FM radio with the MGR350B Marine Gauge Receiver?
Yes, the MGR350B Marine Gauge Receiver includes an AM/FM radio tuner, allowing you to listen to your favorite radio stations.
Does the MGR350B Marine Gauge Receiver have a CD player?
No, the MGR350B Marine Gauge Receiver does not have a built-in CD player. It relies on other audio sources such as Bluetooth streaming or USB input.
Is the MGR350B Marine Gauge Receiver compatible with steering wheel controls?
The compatibility of the MGR350B Marine Gauge Receiver with steering wheel controls may vary depending on the specific setup of your boat and the compatibility of your steering wheel controls. It is recommended to consult the product documentation or contact the manufacturer for more information.
Does the MGR350B Marine Gauge Receiver have a display screen?
Yes, the MGR350B Marine Gauge Receiver features an integrated display screen that provides information such as track names, radio frequency, and settings.
Can I use the MGR350B Marine Gauge Receiver with a remote control?
Yes, the MGR350B Marine Gauge Receiver typically includes a wireless remote control for convenient control of various functions without directly accessing the unit.
Does the MGR350B Marine Gauge Receiver have built-in equalizer settings?
Yes, the MGR350B Marine Gauge Receiver typically includes built-in equalizer settings that allow you to adjust the audio output to your preference. It may offer preset EQ modes and customizable settings.
Does the MGR350B Marine Gauge Receiver support audio streaming apps?
Yes, the MGR350B Marine Gauge Receiver is often compatible with popular audio streaming apps such as Spotify or Pandora when connected to a compatible Bluetooth device.
Can the MGR350B Marine Gauge Receiver charge USB devices?
Yes, the MGR350B Marine Gauge Receiver has a USB port that can be used to charge compatible devices such as smartphones or tablets.
Can the MGR350B Marine Gauge Receiver remember radio station presets?
Yes, the MGR350B Marine Gauge Receiver typically has a memory function that allows you to save and recall your favorite radio station presets.
VIDEO – PRODUCT OVERVIEW
DOWNLOAD THE PDF LINK: BOSS Audio Systems MGR350B Marine Gauge Receiver QUICK INSTALLATION GUIDE

CAUTION!! Using other mounting methods may void this warranty





















