compere KPM312 Three Phase Multi Channel Power Meter

Product Information
The Three-phase multi-channel power meter is a device that measures and records the electrical parameters of a three-phase power system. The device complies with GB / T13729-2002 standards for insulation resistance and impulse voltage. It has a measuring range of Phase voltage L-N: 85~260VAC, Current: 0~800A (Depending on CTs), and Frequency: 45~65Hz. The device should be installed and maintained by qualified personnel only, and the manufacturer will not take responsibility for failures caused by non-compliant operations not following the manual. The device should be supplied with the correct rated voltage during use.
Product Usage Instructions
- Only qualified professionals should install and maintain the device.
- Before carrying out any operation on the device, isolate the voltage input and power supply, and short-circuit the secondary windings of all current transformers.
- Confirm that the voltage has been cut off before operation.
- Ensure all mechanical parts and covers are restored to their original positions before powering up the device.
- During use, supply the device with the correct rated voltage.
- The device can measure phase voltage L-N, current, and frequency within the specified range.
- The operating temperature of the device should be within -25+70 degrees Celsius, and the storage temperature should be within -30+75 degrees Celsius.
- The relative humidity should be between 5% and 95% with no condensation, and the altitude should not exceed 3000 meters below.
KPM 312
Three-phase multi-channel power meter instruction V1.0
Danger and Warning
- The device can only be installed by professionals.
- The manufacturer will not take responsibility for failures caused by non-compliant operation not following this manual.
Electric shock burning and explosion
- Device should only be installed and maintained by qualified personnel.
- Before carrying out any operation on the device, isolate the voltage input and power supply, and short-circuit the secondary windings of all current transformers.
- Confirm that the voltage has been cut of f before operation.
- All mechanical parts and covers, etc. should be restored to their original positions before the device is powered up.
- The device should be supplied with the correct rated voltage during use.
Technical Parameters
Environmental conditions
- Operating temperature: -25℃~+70℃
- Storage temperature: -30℃~+75℃
- Relative humidity: 5%~95% No condensation
- Altitude: 3000 meters below
Rated parameters
- Measuring range: Phase voltage L-N: 85~260VAC
- Current: 0~800A(Depond on CTs)
- Frequency: 45~65Hz
- Power consumption AC voltage loop: <0.5VA / phase (rated)
- AC current loop: < 0.75VA / phase (5A)
- Device power supply circuit: <3VA
- Overload capacity
- AC voltage loop
- times rated voltage, continuous operation.
- times rated voltage, allow 10S.
- AC current loop
- times rated current, continuous operation.
- times rated voltage, Allow 1S.
- AC voltage loop
- Rated voltage: 3*220VAC
- Rated current: 4 channels optional : 5A, 100A, 400A, 800A, with split core current transformers
- Precision index

Electrical insulation performance
Power frequency withstands voltage: Comply with GB /T13729-2002, Power frequency voltage 2KV, Insulation resistance 1 minute.
- Insulation resistance: Comply with GB / T13729-2002, Insulation resistance ≥50MΩ
- Impulse voltage: Comply with GB / T13729-2002, withstand the impact of 1.2 / 50US, 5KV peak standard lightning.
Mechanical properties
- Vibration response: IEC255-21-1:1998, level 1
- Vibration durability: IEC255-21-1:1998, level 1
- Impact response: IEC 255-21-2, level 1
- Impact durability: IEC 255-21-2, level 1
- Collision: IEC 255-21-2, level 1
EMC performance
- Electrostatic discharge immunity: IEC61000-4-2,level 4
- Fast pulse group immunity: IEC61000-4-4, level 4
- Surge immunity: IEC61000-4-5, level 4
- Power frequency magnetic field immunity: IEC61000-4-8, level 4
Installation and wiring
Selection criteria

Note:
The rated current is divided into four levels: A, B, C, D. A for primary 5A, B for primary 100A, C for primary 400A, and D for primary 800A. Each channel can be worked with different current level. Users can choose 1-4 channels as their needs. For example, 1A2A means channel 1 and 2 rated current is 5A respectively, channel 3 and 4 are not chosen, the default is 5A.
Basic functions:
Three-phase voltage, 4 channel three-phase currents, active power, reactive power, apparent power, active and reactive energy, power factor, frequency, 2-31st harmonic content, max& min value statistics, voltage and current imbalance rate, total power demand statistics, multi tarif f power and historical power consumption statistics, load and operation time statistics, optional 4 wires temperature measurements and 4 wire digital inputs and outputs.
Wireless communication
Shape and opening size

Note: Standard DIN 35mm rail installation
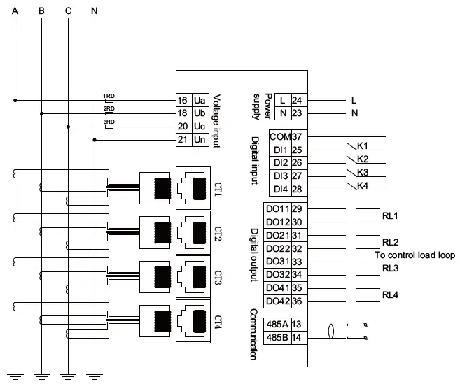
Terminals
Current sampling terminals
From left to right, 1st loop (CT1), 2nd loop (CT2), 3rd loop (CT3), and 4th loop (CT4) .
Indication of voltage power supply terminals

Temperature terminals and DI public terminals

DI & DO terminals

Terminals definition

Typical wiring
KPM312 provides star system wiring, the common wiring mode is as follows:
Star system wiring

Function Description
Power symbol
KPM312 provides bidirectional power calculation, power, and power factor polarity as shown In the figure.

Power measurement
- Measure the import and export total active and total reactive energy of the 4 circuits, and calculate the sum of import and export bidirectional power and net import and export power.
- Multi-rate energy statistics: 4 rates, 4 time zones, and 24 time periods can be set.
- Recent 12-month history of import and export total active power, total reactive power, and multi-rate power statistics.
- Class 1.0 accuracy for active power and Class 2.0 for reactive power.
Wireless communication
Lora:
The working frequency band is 410~525Mhz (default frequency 475.5Mhz). The theoretical transmission distance is 3.5km. This function needs to be paired with the Compere Lora receiver module. Before use, please set two modules on the same channel and in transparent transmission mode. Lora communication adopts Modbus-RTU protocol, the default baud rate is 9600 bps with no parity.
4G:
Only works in client mode. MQTT and Modbus-RTU transparent protocol can be used to communicate with the master. Need to set the master IP, port, MQTT account, and password by Touch Energy.
WiFi:
Only works in client mode. MQTT and Modbus-RTU transparent protocol can be used to communicate with the master. Need to set the master IP, port, MQTT account, password WIFI name, and password by Touch Energy. Only support 2.4G WiFi
Digital input
KPM312 provides 4-channel digital input, used to detect the circuit breaker position signal, switch position signal, and other status information. The DC24V power supply is provided inside the equipment, when the scene requires a switch input function, and external access passive contact signal, when the external contact is closed, the corresponding digital input state is also turned on.
Note:
Terminal 37-40 is the digital input public terminals. Users can connect to any of them.

Relay output
KPM312 provides 4 relay outputs and 2 action modes. The user should identify whether the relay is in remote control or over-limit alarm control. In different control modes, the relays operate in different ways.
Remote control:
The relay is controlled by commands from the PC or PLC via communication.
Over limit alarm control:
The relay is controlled by an electrical parameter inside the device as a response to a set value control alarm condition.
The 2 relays operate as follows:
Remote control:
The relay closes by accepting a PC or PLC command. The relay status will remain until the PC or PLC issues a release command or the meter loses power.
Over limit alarm control:
When the trigger relay’s alarm signal is generated, the relay operates. The relay will not release until all the alarm conditions for the trigger relay disappeared or the meter has lost power. If the meter resumes power and the alarm condition still exists, the relay will act again.
Note:
The mode setting of the relay needs to use KPM312 setting software to set through Rs485.
Temperature measurement
Optional 4-wire temperature measurement, using a 10kΩ NTC temperature sensor with an accuracy of 1%. The 4-wire temperature corresponds to the temperature measurement of 4 channels by default.
Operating instructions
Interface display


Operations
There are 3 touch operation buttons on the panel. These 3 buttons are labeled as
keys,
keys, and
keys from left to right. The display of different measurement data and the setting of parameters can be realized by the operation of the three buttons.

Note:
The ANT antenna hole is only displayed when the 4G and LoRa functions are open, and the SIM card. The slot is only displayed when it has a 4G function.


In the electric parameter measuring state, press the
key to switch to display the content as shown below.

In the voltage measurement page, press the
button to switch the display of electrical parameters in one loop, as shown in the figure below. Functions enclosed by dotted lines are available only when selected.

Parameter measurement pages
In the date interface, press the
button to display the data as shown in the following figure in turn.

Press the
key in the parameter measurement interface to enter the password input interface. The default password is 6666. After the password is entered, press the
key to confirm. If the input is correct, it will enter the parameter setting interface. If the input error, it will return to the measurement parameter display interface. In the parameter setting interface, Press
the button to switch the parameter to be modified.
Press the
button can enter the modification state of the parameter vaule, and it is accompanied by the flashing of the modified character. Meanwhile, you can change the parameter value by the
button. After the modification, press the
button to confirm, you can modify the next parameters. You can also press
the
key to exit the modification state and return to the measurement interface.
When the user does not have any operation within 60 seconds in the parameter modification state, it will automatically return to the power parameter measurement display interface.
| Parameter | Display | Default | Meaning |
| Communication Address | Adr | 1 | Modbus communication address 1~247. Default is loop 1: 1, loop2: 2, loop3:3,loop 4:4 |
| Baud rate | br1 | 9600 | Communication baud rate 1200-38400bps |
| Parity | dAtA | 81n | 81n: no parity. 81E: Even parity. 81o: odd parity. |
| Voltage ratio | Pt_U | 1 | Voltage transformer ratio 1-9999 |
| Loop 1 Current ratio | Ct_U | 1 | Current transformer ratio 1-9999 |
| Loop 2 Current ratio | Ct_U | 1 | Current transformer ratio 1-9999 |
| Loop 3 Current ratio | Ct_U | 1 | Current transformer ratio 1-9999 |
| Loop 4 Current ratio | Ct_U | 1 | Current transformer ratio 1-9999 |
| LCD lighting time | bLt | 1 | Unit: minutes (0~120), 0 means the backlight will never go out |
| Demand time | dnnd. | 5 | Unit: minutes (0~120). Time window width in sliding window demand calculations |
| System data | d. | Date | Eg: 2022.08.05 |
| System time | t. | Time | Eg: 12:00:00 |
| Clear energy data | Eclr | Cleared | Used to clear the consumption data. |
| Clear max/min value | nclr | Cleared | Used to clear the max&min value. |
| Password modification | PASS | 6666 | Default password 6666 |
| Loop 1 starting current | Ist1 | 20 | Unit mA |
| Loop 2 starting current | Ist2 | 20 | Unit mA |
| Loop 3 Starting current | Ist3 | 20 | Unit mA |
| Loop 4 Starting current | Ist4 | 20 | Unit mA |
| Forzen date setting | S_d | 1 | 01-28 |
| Lora channel setting | CH | 4755 | 4100-5250 |
| Lora speed setting | Spd | 09 | 07-12 |
| Reboot | rSTC | no | Device reboot |
| Wireless communication setting | CoMt | LorA | 0-Lora, 1-WiFi, 2-4G |
| Wireless protocol setting | UL_M | Mqtt | 0-Mqtt, 1-_toU (transparent) |
| Wireless reset | rCFG | No | Reset information in WIFI /4G mode |
| Log output | dbG | No | “YES” for log output by RS485 in WIFI /4G mode |
| Second level data upload frequency | SECF | 30 | 30, 60, 300, 900, 1200, 1800, 3600s |
| Minute level data upload frequency | MinF | 05 | 01, 05, 10, 15,20, 30, 60mins |
| Firmware version | AV1.0202206 | ||

Setting interface
The wireless setting part will only be displayed in WIFI or 4G mode. Lora setting part will only be displayed in Lora Mode.
Communication
RS485 communication
KPM312 provides MODBUS-RTU communication protocol through RS485 port, with 1 start bit, 8-bit data bits, 1/0 odd-even parity bit, 1 stop bit. Each byte length is 11 bits. Supported baud rates: 1200, 2400, 4800, 9600, 19200, 38400 bps. Default communication parameters: Modbus RTU protocol, 9600bps, no parity.
The format of the data frame is as follows:
Address field + Command field + Data field + CRC check area
Please contact the supplier for the KPM312 Modbus-RTU protocol for more details.
Note:
The address displayed and set on the interface is the address of loop 1, and the addresses of loops 2 to 4 are incremented by 1 on the basis of the address of loop 1. During use, devices on the same bus need to be set every 4 addresses.
Wireless communication
KPM312 has optional LoRa wireless point-to-point transparent transmission communication, WIFI wireless communication, and 4G wireless communication. Only one of the three can be used. Through the device settings interface”CoMt” (wireless communication setting) to select.
LoRa
Can be set through the interface of the device, mainly to set the channel (4100~5250), and communication speed (07~12). LoRa communication adopts Modbus-RTU protocol.
WiFi/4G
KPM312 supports optional WIFI /4G wireless communication. The protocol can be selected between MODBUS RTU transparent or MQTT . The protocol can be set in wireless protocol setting(UL_M). Both of them needs to be set in Touch Energy APP. Specific configuration steps are as follows:
Step 1: Set the meter to debug mode
Enter the setting interface, press
key or
key to enter the rCFG page and set it to “YES”.

Press the
key, and the position of “no” will flash, press
, it will be changed to”Yes” status, and then press the
key.
Note:
The system only stays in YES status for a few seconds then it will go back to NO. Once u changed to YES status and pressed the
key, the reconfiguring step is finished.
At this time, the device will connect to the Compere maintenance platform. Then use the Touch Energy APP to configure.
Note:
If it is WIFI wireless communication, you need to turn on the mobile hotspot and set the account to compere-debug and the password to kpm debug. Then the device will connect to the default hotspot and connect to the Compere maintenance platform for configuration.
Step 2:’Touch Energy’ APP meter setting
- Download ‘Touch Energy’ from Google play or the Apple APP store.
- Click ‘Meter setting’ to enter the code search page. As Fig 1.

Step 3: Search for devices: As Fig 2
Input the production number to search If the number is wrong, the search button will be grayed and cannot be clicked. If the number is correct, click the “code search” button to identify the device.
Note:
The default device ID/ Production number is for loop 1. This ID is used for configuration and connection to the server. The device IDs of loops 2 to 4 are incremented by 1. When uploading data, each loop uses its own ID.
Step 4. Input the configuration parameters and submit:
As Fig 3.
After entering the device details page, click the refresh button in Device status until it’s online.
Private server settings
This page is for the meters sending data to the customers to a private server. Input private server address (support domain name and IP address), server port, MQTT account, MQTT password, etc. If using WIFI meter, the local WIFI name and Password are required. WPA2 for enterprise-level WIFI can be set too. If using 4G meter, the WIFI name and Password is not required.
4G communication setting
Input server address (support domain name and IP address), port, MQTT account, MQTT password, and submit. The default information is for sending data to the T@ENERGY cloud platform.
WIFI communication setting
Input server address (support domain name and IP address), port, MQTT account, MQTT password, local WiFi name and password (WPA2 for enterprise-level WIFI can be set too) and submit. The default information is for sending data to the T@ENERGY cloud platform.
Step 5:
Wait for about 20 seconds for the meter to return status information. If the configuration is successful, it will display “Successfully issued, please continue “, click ‘Exit’ to return to the device ID search interface. Click “next” for bulk quantity meters settings. It will enter the last setting page and retain the data set the last time. Users only need to change the meter number and submit.
Note: The device status will be offline after submitted successfully.
Common Failure Analysis
No display after the device is powered on
- Check whether the power supply voltage and other wiring are correct, and the power supply voltage should be within the working range.
- Turn off the device and host computer, and then restart.
- The device does not work properly after power-on.
- Turn off the device and host computer, and then restart.
Incorrect voltage or current reading
- Check whether the wiring mode setting matches the actual wiring method.
- Check whether the PT and CT ratio is set correctly.
- Check if GND is grounded properly.
- Check if the shield is grounded.
- Check if the PT and CT are in good condition.
The power or power factor is incorrect while the voltage and current are correct.
- Compare the voltage and current input of the actual wiring and the wiring diagram, and check whether the phase wiring is correct.
RS485 communication is abnormal
- Check whether the communication baud rate, ID, and communication protocol settings of the host computer are consistent with the device.
- Check whether the settings of data bits, stop bits, and parity bits are consistent with those of the host computer.
- Check if the RS-232/RS-485 converter is normal.
- Check whether there is any problem with the entire communication network line (short circuit, open circuit, grounding, whether the shielded wire is properly grounded, etc.)
- Turn off the device and the host computer, and then turn it on again.
- It is recommended to connect a 100-200Ω in parallel at the end of the communication line.
Wireless communication is abnormal
- Lora wireless communication
Check whether the antenna placement, channel, speed, and relative equipment are consistent. - WIFI wireless communication
- Check whether the WiFi hotspot account and password are correct.
- Check if the WIFI can be connected to the Internet normally
- 4G wireless communication
- Check 4G antenna placement, the server is normal, if the SIM card is in arrears, etc.
Contact information
- Henan Compere Smart Technology CO., LTD.
- Telephone: +86-371-67890039
- Fax: +86-371-67890037
- Sales Hotline: +86-86181681
- Web: www.comperepower.com.
- Address: Dongming Road No.41, Zhengzhou, Henan, China.
The final interpretation of this manual is owned by Henan Compere Smart Technology CO., LTD.


















