legrand 4 120 90 Three-Phase Meter

The instructions for installation and use must be strictly observed in order to avoid the risk of electric shock or fire.
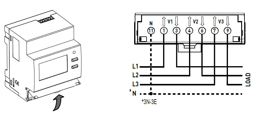
Wiring diagrams
SPECIFICATIONS
Input/Output
Positions for lead plating
SETTINGS
RS485 wiring diagram
RS485:
Prescribed use of Cable Belden 9842, Belden 3106A (or equivalent) for a maximum length of 1000 m or Category 6 cable (FTP or UTP) for a maximum length of 50 m;
Resistance not furnished with the article 4 120 90 – 4 120 91
Modbus Address
Complete documentation is available at www.e-catalogue.legrandgroup.com Type “4 120 90 – 4 120 91” in the search field.”
LEGRAND – Pro and Consumer Service – BP 30076 – 87002 LIMOGES CEDEX FRANCE – www.legrand.com
























