Eltako DSZ15DM-3x80A M-Bus Three Phase Meter User Manual
Only skilled electricians may install this electrical equipment otherwise there is the risk of fi re or electric shock!
Temperature at mounting location: -25°C up to +55°C.
Storage temperature: -25°C up to +70°C.
Relative humidity: annual average value <75%.
Maximum current 3×80 A. Standby loss 0.5 watt per path only.
Modular device for DIN-EN 60715 TH35 rail mounting in distribution cabinets with IP51 protection class. 4 modules = 70 mm wide and 58 mm deep.
Accuracy class B (1%). With M-bus interface.
It measures active energy by means of the current between input and output.
The internal power consumption of 0.5 watt active power per path is neither metered nor indicated.
1, 2 or 3 phase conductors with max. currents up to 80 A can be connected. The inrush current is 4O mA.
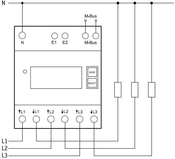
The N terminal must always be connected.
The consumption value is stored in non-volatile memory and is displayed again immediately after a power failure.
The 7 segment LC display is also legible twice within a period of 2 weeks without power supply.
Power consumption is shown by a bar fl ashing at a rate of 1000 times per kWh
Designed as standard for using as double-tariff meter: Switch over to a second tariff by applying 230 V to terminals E1/E2.
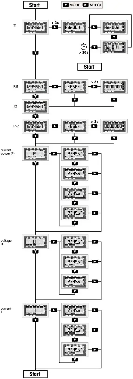
On the right next to the display are the keys MODE and SELECT. Press them to scroll through the menu. First the background lighting switches on. The display then shows the total active energy per tariff, the active energy of the resettable memory RS1 or RS2 as well as the instantaneous values of consumption, voltage and current per phase.
Error message (false)
When the phase conductor is missing or the current direction is wrong ‘false’ and the cor responding phase conductor are indicated on the display.
M-bus data transfer
- On read-out all values are transferred in a telegram.
- The following telegrams are supported:
- Initialisation: SND_NKE Reply: ACK
- Read out meter: REQ_UD2 Reply: RSP_UD
- Change primary address: SND_UD Reply: ACK
- Reset RS1: SND_UD Reply: ACK
- Slave selection for the secondary address Reply: ACK
- The device does not reply to unknown requests
- The transfer rate is detected automatically
- The device has a voltage monitor. In case of voltage loss, all registers are saved in the EEPROM.
Changing the M-bus primary address
To change the M-bus primary address, hold down SELECT for 3 s. In the menu that appears, press MODE to increment the address by 10. Press SELECT to increment by 1. When the required primary address is set, wait until the main menu reappears.
Secondary address
- It is possible to communicate with the energy meter according to the standard EN13757 with help of the secondary address.
- The use of wildcards is possible.
Detailed information are available in the operating manuals at www.eltako.com.
Typical connection
4-wire-connection 3×230/400 V

Manuals and documents in further languages
http://eltako.com/redirect/DSZ15DM-3*80A_MID
Technical data
- Rated voltage, extended range 3×230/400 V, 50 Hz,
-2O%/+15% - Reference current Iref (Limiting current Imax)
3×0.5 – 10 (80) A - Internal consumption active power
0.5 W per path - Display
LC display 7 digits, therefrom 1 digit after the decimal point - Accuracy class ±1%
B - Inrush current according to accuracy class B
4O mA - Operating temperature
-25/+55°C - Bus system
M-Bus - Bus length
According to M-bus specifi cations - Transfer rates
300, 2400, 9600 baud - Response time (system response time)
Write up to 60 ms
Read up to 60 ms - Terminal cover sealable
Terminal cover claps - Protection degree
lP50 for mounting in distribution cabines with protection class IP51 - Maximum conductor cross section 1)
L terminals 25 mm2
N terminals 16 mm2
M-bus terminals and tariff terminals 6 mm2 - Recommended torque 2)
L terminals 2,0 Nm (max. 2,5 Nm)
N terminals 1,5 Nm (max. 2,0 Nm)
M-bus terminals and tariff terminals 0,8 Nm (max. 1,2 Nm) - EC type examination certifi cate
0120/SGS0204 - The energy meter is used indoors.
- Mechanical environmental conditions
class M1 - Electromagnetic environmental conditions
class E2
- The carrying capacity of cables and wires is defi ned in DIN VDE 0298-4.
- The torques for screw terminals are mentioned in DIN EN 60999-1.
To avoid damages at the energy meter, the recommended torque values for each terminal must not be exceeded!

Must be kept for later use!
We recommend the housing for operating instructions GBA14.
Eltako GmbH
D-70736 Fellbach
Technical Support English:
+49 711 94350025
[email protected]
eltako.com
42/2022 Subject to change without notice.



















