User Manual
DSZ15DE-3x80A 3 Phase Energy Meter
Three-phase energy meter DSZ15DE-3x80A with display, without MID
Only skilled electricians may install this electrical equipment otherwise there is the risk of fi re or electric shock!
Temperature at mounting location: -25°C up to +55°C.
Storage temperature: -25°C up to +70°C.
Relative humidity: annual average value <75%.
Maximum current 3×80 A. Standby loss 0.5 watt per path only.
Modulair device for DIN-EN 60715 TH35 rail mounting in distribution cabinets with IP51 protection class. 4 modules = 70 mm wide and 58 mm deep.
Accuracy class B (1%). With S0 interface as standard.
It measures active energy by means of the current between input and output. The internal power consumption of 0.5 watt active power per path is neither metered nor indicated. Like all meters without declaration of conformity (e.g. MID), this meter is not permitted for billing.
1, 2 or 3 phase conductors with max. currents up to 80A can be connected. The inrush current is 40 mA.
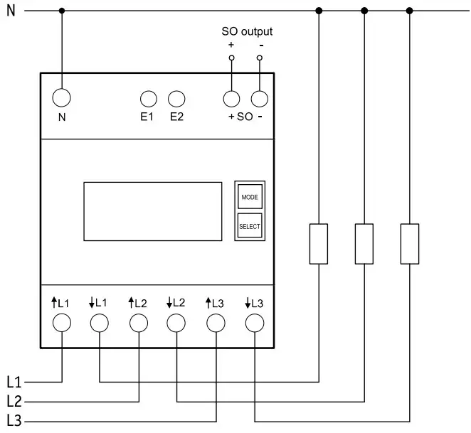
The N terminal must always be connected.
The consumption value is stored in non-volatile memory and is displayed again immediately after a power failure.
The 7 segment LC display is also legible twice within a period of 2 weeks without power supply.
Power consumption is shown by a bar fl ashing at a rate of 100 times per kWh.
Designed as standard for using as double-tariff meter: Switch over to a second tariff by applying 230 V to terminals E1/E2.
On the right next to the display are the keys MODE and SELECT.
Press them to scroll through the menu. First the background lighting switches on. The display then shows the total active energy per tariff, the active energy of the resettable
memory RS1 or RS2 as well as the instantaneous values of consumption, voltage and current per phase.
Error message (false)
When the phase conductor is missing or the current direction is wrong ‘false’ and the corresponding phase conductor are indicated on the display.
Typical connection: 4-wire-connection 3×230/400 V

Manuals and documents in further languages
http://eltako.com/redirect/DSZ15DE-3*80A
Technical data
| Rated voltage, extended range | 3×230/400 V, 50 Hz, -2O%/+15% |
| Reference current Iref (Limiting current Imax) | 3×10 (80) A |
| Internal consumption active power | 0.5 W per path |
| Reading | LC display 7 digits, therefrom 1 or 2 digits after the decimal point |
| Accuracy class ±1% | B |
| Inrush current according to accuracy class B | 4O mA |
| Operating temperature | -25/+55°C |
| Interface | Pulse interface S0 according to DIN EN 62053-31, potential free by opto-coupler, max. 30 V DC/2O mA and min. 5 V DC, impedance 100 ohms, pulse length 30 ms, 1000 Imp./kWh |
| Terminal cover sealable | Terminal cover clap |
| Protection degree | lP50 for mounting in distribution cabines with protection class IP51 |
| Maximum conductor cross section1) | L terminals 2,0 Nm (max. 2,5 Nm) N terminals 1,5 Nm (max. 2,0 Nm) S0 terminals and tariff terminals 0,8 Nm (max. 1,2 Nm) |
| 50470 | |
| Mechanical environmental conditions | class M1 |
| Electromagnetic environmental conditions | class E2 |
- The carrying capacity of cables and wires is defi ned in DIN VDE 0298-4.
- The torques for screw terminals are mentioned in DIN EN 60999-1.
To avoid damages at the energy meter, the recommended torque values for each terminal must not be exceeded!
Must be kept for later use!
We recommend the housing for operating instructions GBA14.
Eltako GmbH
D-70736 Fellbach
Technical Support English:
+49 711 94350025
[email protected]
eltako.com
42/2022 Subject to change without notice.

















