LE-03MW CT 3-phase Electricity Energy Meter
F&F Filipowski sp. j. Konstantynowska 79/81 95-200 Pabianice phone/fax: (+48 42) 215 23 83 / 227 09 71 POLAND http://www.fif.com.pl e-mail: [email protected]
ELECTRICITY ENERGY METER 3-phase, 2-wire, tariff
to half indirect measurement
LE-03MW CT
WARRANTY. The F&F products are covered by a warranty of the 24 months from the date of purchase. Effective only with proof of purchase.
Contact your dealer or directly with us.
More information how to make a compliant can be found on the website: www.fif.com.pl/reklamacje
Do not dispose of this device in the trash along with other waste! According to the Law on Waste, electro coming from households free of charge and can give any amount to up to that end point of collection, as well as to store the occasion of the purchase of new equipment (in accordance with the principle of old-for-new, regardless of brand). Electro thrown in the trash or abandoned in nature, pose a threat to the environment and human health.
Purpose
LE-03MW CT is an electronic, 2-way electricity meter for three phase electricity, designed for measurement in a half indirect measurement. The built-in real-time clock allows energy consumption to be measured with different tariff zones. The device is equipped with communication interfaces: RS-485 with Modbus RTU protocol and optical port compliant with EN62056 (IEC1107) standard for remote reading and configuration of the meter.
Manual and programming guide Detailed PDF instruction for download from the website: www.le.fif.com.pl
Characteristis of the device
* 3-phase, 2-way energy meter;
* half indirect measurement (direct measurement up to 6 A);
* energy measurement in 4 tariff zones;
* built-in real time clock with battery backup to switch tariff zones;
* registration of total and divided into consumption tariffs:
– total active and reactive energy;
– active and reactive energy divided into individual quadrants;
* 8 time schedules dividing the day into tariff zones;
* it can settle energy according to schedules specific for business days and weekends;
* it can divide year into 8 time intervals; in each interval the energy (for weekdays) can be settled according to a different schedule;
* indication of network parameters (voltages, currents, active power, reactive power, apparent power, power factor, frequency);
* calculation of power demand for individual tariffs;
* additional, resettable energy meter;
* RS-485 port, Modbus RTU protocol;
* optical communication port compliant with EN62056 (IEC1107) standard;
* 2× SO pulse outputs with a programmable number of pulses per kWh/kvarh;
* multifunction LCD display.
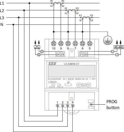
Connection diagram

20, 21 – RS-485 (A, B)
23, 24 – pulse output
Setting the current transformer
The current transformer of the meter can be set remotely via
the Modbus RTU interface or locally with the PROG button.
To manually set the transformer:
1) Turn the meter power off and on.
2) Press and hold the PROG button.
3) After approximately 15 seconds, release the PROG button.
4) The display will show a flashing transformer value (for example 0005-5).
5) Use the RIGHT or LEFT buttons to set the desired current trans-former value.
6) Wait until the transformer value disappears from the display.
Indication of energy consumption
The maximum indicated value of electricity consumption depends on the selected current transformer value.
Transformer Energy consumption readout
5/5 99999,999 kWh
40/5 99999,999 kWh
50/5 999999,99 kWh
60/5 999999,99 kWh
75/5 999999,99 kWh
100/5 999999,99 kWh
125/5 999999,99 kWh
150/5 999999,99 kWh
200/5 999999,99 kWh
250/5 999999,99 kWh
30/5* 99999,999 kWh
500/5 9999999,9 kWh
600/5 9999999,9 kWh
800/5 9999999,9 kWh
1000/5 9999999,9 kWh
1250/5 9999999,9 kWh
1500/5 9999999,9 kWh
2000/5 9999999,9 kWh
2500/5 9999999,9 kWh
3000/5 9999999,9 kWh
4000/5 99999999 kWh
5000/5 99999999 kWh
6000/5 99999999 kWh
7500/5 99999999 kWh
(*) The 30/5, 80/5 and 750/5 gears can only be set via the Modbus interface..
! After filling the readout field, the meter starts counting the energy from the value of 0 kWh.
Meter number
The meter is marked with individual serial number allowing its
unambiguous identification. The marking is laser engraved and
cannot be removed.
Sealing
The meter has sealable input and output terminal covers to prevent
any attempts to bypass the meter.
Additionally, it is possible to seal the access cover to the PROG
button, which allows a local change of the current transformer
setting.

Service program
On the fif.com.pl website (on the subpage LE-03MW CT meter) a
program is available for meter configuration via RS-485 interface.
Technical data
reference voltage 3×230/400 V
minimum current/base current 0.25/1.5 A
transformer settings
maximum current 6 A
0.003 A
L-N 100÷289 V AC
L-L 173÷500 V AC
5/5, 30/5, 40/5, 50/5, 60/5,
75/5, 80/5, 100/5, 125/5,
150/5, 200/5, 300/5, 400/5,
500/5, 600/5, 750/5, 800/5,
1000/5, 1250/5, 1500/5,
2000/5, 3000/5, 4000/5,
5000/5, 6000/5, 7500/5
own meter consumption <10 VA; <2 W
minimum detection current
voltage measuring current
registered parameters:
* consumed and supplied active energy
* inductive and capacitive reactive energy
* phase voltages
* phase currents
* active power (absolute value)
* reactive power (absolute value)
* apparent power
* power factor (absolute value)
* frequency
rated frequency 50 Hz
measurement accuracy 1 class
instalation 3-phase, 4-wire
overloading 30×Imax/10 ms
insulation 4 kV/1 min.; 6 kV/1 μs
own meter consumption <10 VA; <2 W
measured values
indication range of the meter 8 digits
pulse output
number of pulse output 2
type of pulse outputs OC (open collector)
maximum voltage 30 V DC
maximum current 27 mA
pulse constant for output 1
pulse constant for output 2 12000 pulses/kvar
communication
port RS-485
communication protocol Modbus RTU
transmission speed 1200, 2400, 4800, 9600 bps
parity EVEN
parity bits 1
reading indication 2×LED
working temperature -25÷55°C
terminal 25 mm²
dimensions 76×100×65 mm
(4,5 of DIN module)
mounting on the TH-35 mm rail
protection level IP51
insulation protection class II class
housing UI94 V-0 self-extinguishing
material
12000, 1200, 120, 12
pulses/kWh
screw terminals
CE declaration
F&F Filipowski sp. j. declares that the device is in conformity with the essential requirements
of The Low Voltage Directive (LVD) 2014/35/EU and the Electromagnetic Compatibility (EMC)
Directive 2014/30/UE.
The CE Declaration of Conformity, along with the references to the standards in relation to
which conformity is declared, can be found at www.fif.com.pl on the product page.


















