F F LE-01MR v2 Electric Energy Meter

Functioning
The meter provides 4-quadrant energy and power measurement as well as monitoring of many additional network parameters such as voltage, current, active power, reactive power, apparent power, frequency, power factor. The meter has additional, era-sable active and reactive energy meters. It is also equipped with RS-485 communication interface with Modbus RTU protocol support for remote meter reading and configuration. The touch button located on the front panel of the meter allows you to select the displayed parameter and change the meter settings. The backlit LCD display makes it easy to read the measured values.
The parameter is changed by default every 5 seconds or at the frequency set by the user and manually, using the touch button on the front of the casing of the meter.
The display is active when the indicator power is on.
Measured values
- Total active energy [kWh]
- Active energy imported AE+/AE- [kWh]
- Active energy exported [kWh]
- Total reactive energy [kvarh]
- Reactive energy AE+ [kvarh]
- Phase voltage U [V]
- Phase current I [A]
- Frequency F [Hz]
- Active power P [W]
- Reactive power Q [var]
- Apparent power S [VA]
- Power factor cosϕ
- Demand active energy imported [W]
- Total demand active energy imported [W]
- Demand active energy exported [W]
- Total demand active energy exported [W]
- Demand reactive energy imported [var]
- Total demand reactive energy imported [var]
- Demand reactive energy exported [var]
- Total demand reactive energy exported [var]
Modbus registers
Description of measurement and configuration registers availa-ble on the website www.fif.com.pl (on the device’s subpage).
Meter address
Change of meter address and connection parameters is done via the RS-485 using the touch button on the front of the casing of the meter.
Meter number
The meter is marked with individual serial number allowing its unambiguous identification. The marking is laser engraved and cannot be removed).

Sealing
The meter has sealable input and output terminal covers to pre-vent any attempts to bypass the meter.
Front panel
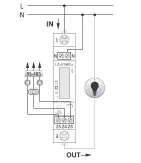
Wiring diagram

- 1 LIN power input
- 3 LOUT power output
- N N-wire neutral
- 23 RS-485 output (A)
- 24 RS-485 output (GND)
- 25 RS-485 output (B)
Mounting
- Disconnect the power supply.
- Mount the indicator on the rail in the distribution box.
- Connect the neutral wire to terminal N.
- Connect the input phase to terminal 1.
- Connect the measured circuit or single receiver to terminal 3 (output phase L) and to N.
- Connect terminals 23, 24 and 25 to the RS-485 network.
LE Config service programm
Program for test reading of the counted energy value and for basic settings of the meter parameters.
Available at www.fif.com.pl (on the device’s subpage).
For communication of the meter with the computer, the USB converter CN-USB-485 or any RS-485/USB standard is required.
Technical data
- installation 2-wire
- rated voltage 230 V AC
- minimum measured current 0.02 A base current 5 A
- maximum current 100 A
- voltage measuring range 100÷289 V AC
- measurement accuracy (EN50470-1/3) class B
- rated frequency 50 Hz
- insulation protection class II
- housing PC material
- own power consumption 10 VA; 1 W
- indication range 0÷99999 kWh
- display 7-digits backlight LCD (blue color)
- constant 1000 pulses/kWh communication
- Modbus address 1*÷245 port RS-485 communication protocol Modbus RTU transmission parameters 9600*, 19200, 38400, 115200 bps parity NONE*, ODD, EVEN
- stop bits 1*
- read-out signalling red LED
- working temperature -25÷55°C
- terminal 100 A (1, 3 terminals) 25 mm² screw terminals neutral (N terminal) 1 mm² screw terminals communication (23, 24, 25 terminals) 1 mm² screw terminals
- dimensions 1 module (18 mm)
- mounting on TH-35 rail
- ingress protection IP20
A detailed user manual for the meter, together with a description of communication and a list of Modbus registers, is available for download from the product subpage at www.fif.com.pl.
Dimensions

Warranty
F&F products are covered by a 24-month warranty from the date of purchase. The warranty is only valid with proof of purchase. Contact your dealer or contact us directly.
CE declaration
F&F Filipowski sp. j. declares that the device is in conformity with the essential requirements of The Low Voltage Directive (LVD) 2014/35/EU and the Electromagnetic Compatibility (EMC) Directive 2014/30/UE.
The CE and MID Declaration of Conformity, along with the refe-rences to the standards in relation to which conformity is decla-red, can be found www.fif.com.pl on the product subpage.



















